| Passwort vergessen?
Sie sind nicht angemeldet. |  Anmelden

Sprache auswählen:

Wumpus Gollum Forum von
Wumpus Welt der (alten) Radios
Sie sind nicht angemeldet.
 Anmelden

Kleines Rätsel
  •  
 1 2
 1 2
28.10.18 09:23
WalterBar 

500 und mehr Punkte

28.10.18 09:23
WalterBar 

500 und mehr Punkte

Kleines Rätsel

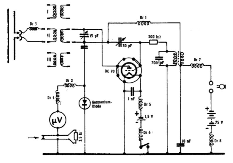
Hallo zusammen,

was ist das für eine Schaltung und welchen Sinn verfolgt sie?

Die Anodenspannung gelangt nur an die Röhre, wenn ein Kopfhörer angeschlossen wird.
In diesem Fall wird das Messinstrument in Serie zu einem 3,5 kOhm Widerstand geschaltet.
Wird einer der Frequenzbereiche ausgewählt, wird die Röhre geheizt.




Gruss
Walter

Datei-Anhänge
Kleines Rätsel.jpg Kleines Rätsel.jpg (356x)

Mime-Type: image/jpeg, 69 kB

regency gefällt der Beitrag.
!
!!! Fotos, Grafiken nur über die Upload-Option des Forums, KEINE FREMD-LINKS auf externe Fotos.    

!!! Keine Komplett-Schaltbilder, keine Fotos, keine Grafiken, auf denen Urheberrechte Anderer (auch WEB-Seiten oder Foren) liegen!
Solche Uploads werden wegen der Rechtslage kommentarlos gelöscht!

Keine Fotos, auf denen Personen erkennbar sind, ohne deren schriftliche Zustimmung.

Den Beitrag-Betreff bei Antworten auf Threads nicht verändern!
28.10.18 09:36
Martin.M 

500 und mehr Punkte

28.10.18 09:36
Martin.M 

500 und mehr Punkte

Re: Kleines Rätsel

hallo Walter,
ich halte das für einen Taschenpendler.
lG Martin

28.10.18 09:44
WalterBar 

500 und mehr Punkte

28.10.18 09:44
WalterBar 

500 und mehr Punkte

Re: Kleines Rätsel

Hallo Martin,

sehr gut - es ist in der Tat ein Pendelaudion, aber wozu soll es gut sein? Das Gerät ist tragbar, aber kein Taschengerät! Zum Radiohören war es auch nicht gedacht.

Gruss
Walter

Zuletzt bearbeitet am 28.10.18 09:46

28.10.18 09:53
MB-RADIO 

500 und mehr Punkte

28.10.18 09:53
MB-RADIO 

500 und mehr Punkte

Re: Kleines Rätsel

Hallo Walter,

ein kleiner Prüfgenerator für hohe Frequenzen . Mit dem 30p wird Grundfrequenz eingestellt und mit dem 15p auf eine Oberwelle abgestimmt. Resonanz mit dem Instrument angezeigt.
Oder ein Schwebungsfrequenzmesser, wofür der Kopfhörer spricht.

Oder ich liege gänzlich falsch. Man müßte die Induktivitäten wissen.

Viele Grüße
Bernd

Zwei Dinge sind unendlich, das Universum und die menschliche Dummheit, aber bei dem Universum bin ich mir noch nicht ganz sicher. (Albert Einstein)

28.10.18 09:54
WoHo 

500 und mehr Punkte

28.10.18 09:54
WoHo 

500 und mehr Punkte

Re: Kleines Rätsel

Ja , es ist ein fremderregter Pendler.

Könnte zum Aufspühren von VHF-Schwingungen sein. Die Stärke wird mit dem µA-Meter angezeigt.
Hewlett Packard hatte sowas Ähnliches im Programm...

Komisch ist das rechte Zeichen: müsste ein (Kohle-) Mikrofon sein und kein Kopfhörer?


Gruß aus NL

28.10.18 09:56
WalterBar 

500 und mehr Punkte

28.10.18 09:56
WalterBar 

500 und mehr Punkte

Re: Kleines Rätsel

Hallo Bernd,

Du liegst falsch. Die drei Bänder I, II und III entsprechen den VHF-Bändern. Band II ist der momentan noch genutzte UKW-Rundfunk!

Hallo Wolfgang,

ja, Du hast die Lösung gefunden. Bleibt noch die Frage zu klären, um welches Fabrikat es sich handelt. Das Symbol ist in der Tat falsch ausgewählt. Aber es muss ein Kopfhörer sein, das ist sichergestellt.

Gruss
Walter

Zuletzt bearbeitet am 28.10.18 09:58

28.10.18 10:04
WoHo 

500 und mehr Punkte

28.10.18 10:04
WoHo 

500 und mehr Punkte

Re: Kleines Rätsel

Also, ich denke an folgende Anwendung:

Der Techniker sitzt auf dem Dach und will mithilfe von dem Dingen die Radio-, oder Fernsehantenne optimal ausrichten....


Gruß aus NL

28.10.18 10:05
Martin.M 

500 und mehr Punkte

28.10.18 10:05
Martin.M 

500 und mehr Punkte

Re: Kleines Rätsel

hallo Walter,

dann mal der konkretere Tip:

Ein Gerät zum Ausrichten von Empfangsntennen auf dem Dach.

lG Martin

28.10.18 10:09
WoHo 

500 und mehr Punkte

28.10.18 10:09
WoHo 

500 und mehr Punkte

Re: Kleines Rätsel

Das ist der FUNKE Antennenorter

https://www.radiomuseum.org/r/funke_antennenorter.html


Gruß aus NL

28.10.18 10:10
WalterBar 

500 und mehr Punkte

28.10.18 10:10
WalterBar 

500 und mehr Punkte

Re: Kleines Rätsel

Hallo zusammen,

Bravo Wolfgang! Na, ich will euch nicht weiter auf die Folter spannen. Es handelt sich in der Tat um den "Antennenorter" von Max Funke aus dem Jahr 1953/1954. Der fixe Antennenbauer sollte sich das Teil um den Hals schnallen und auf dem Dach oder unter Dach die richtige Plazierung einer Antenne finden. Die Belegung dieser drei VHF-Bänder war damals relativ neu und die älteren unter den Radio- und Fernsehleuten wissen noch, dass die Montage der Antenne und der 240 Ohm-Flachleitung problematisch war. Kennt ihr noch die Dachrinnen-Abstandshalter? - ich glaube mir wird's übel! Das Gerät sollte dabei helfen. Es kostete 220 DM.

Ich bekam das Gerät letzte Woche in einem desolaten Zustand: Das Messwerk und die Diode waren durchgebrannt. Ich kann mir überhaupt nicht vorstellen, wie das hat passieren können. Die 1 und 10nF waren WIMA Malzbonbons, die ich sofort entfernt habe.

Der Koppelkondensator zur Diode besteht nur aus einem Stückchen Draht, der dem 15pF-Drehko auf 1mm angenähert ist.

Als Messwerkersatz konnte ich ein 1mA-Messwerk verwenden, dass für vollen Zeigerausschlag 200mV benötigt.







Gruss
Walter

Zuletzt bearbeitet am 05.03.19 10:05

Datei-Anhänge
Funke Antennenorter #314.jpg Funke Antennenorter #314.jpg (347x)

Mime-Type: image/jpeg, 291 kB

Funke Antennenorter innen.jpg Funke Antennenorter innen.jpg (335x)

Mime-Type: image/jpeg, 334 kB

Ausgetauschtes Messinstrument Funke Antennenorter.jpg Ausgetauschtes Messinstrument Funke Antennenorter.jpg (338x)

Mime-Type: image/jpeg, 124 kB

 1 2
 1 2
Messwerkersatz   Detektorbetrieb   jogis-roehrenbude   Antennenausrichtung   Empfangsntennen   Innenwiderstand   Koppelkondensator   Shuntwiderstand   Zeigerausschlag   Dachrinnen-Abstandshalter   Schwebungsfrequenzmesser   Ohm-Flachleitung   3m-Schleifendipol   Kleines   Skalenbeschriftung   VHF-Schwingungen   Frequenzbereiche   Rätsel   Pendlerrauschen   Drehspulinstrument