| Passwort vergessen?
Sie sind nicht angemeldet. |  Anmelden

Sprache auswählen:

Wumpus Gollum Forum von
Wumpus Welt der (alten) Radios
Sie sind nicht angemeldet.
 Anmelden

VHF Tuner Schaltung
  •  
 1
 1
17.01.11 17:43
Martin.M 

500 und mehr Punkte

17.01.11 17:43
Martin.M 

500 und mehr Punkte

VHF Tuner Schaltung

hallo alle,

ich suche zu Studienzwecken Schaltplanauszüge: VHF Tuner mit Kaskodenschaltung , zB PCC88 oder - 189
Insbesondere geht es mir um: Betriebsspannung und Strom sowie die Wahl der Gitterableitwiderstände und des Rk.

Ich hab etwas funktionierendes gebastelt, bin mir aber nicht sicher ob hier auch ideale Betriebsbedingungen für die Röhre vorliegen. Verbaut hab ich 6ES8 (Sylvania, vgl. ECC189). Ich hab den Verdacht daß meine Doppeltriode etwas viel Strom zieht. Sie wird auch ziemlich warm.

dankeschön für Tips + Auszüge
Martin.

Zuletzt bearbeitet am 17.01.11 17:51

hal gefällt der Beitrag.
!
!!! Fotos, Grafiken nur über die Upload-Option des Forums, KEINE FREMD-LINKS auf externe Fotos.    

!!! Keine Komplett-Schaltbilder, keine Fotos, keine Grafiken, auf denen Urheberrechte Anderer (auch WEB-Seiten oder Foren) liegen!
Solche Uploads werden wegen der Rechtslage kommentarlos gelöscht!

Keine Fotos, auf denen Personen erkennbar sind, ohne deren schriftliche Zustimmung.

Den Beitrag-Betreff bei Antworten auf Threads nicht verändern!
17.01.11 20:33
hal 

500 und mehr Punkte

17.01.11 20:33
hal 

500 und mehr Punkte

Re: VHF Tuner Schaltung

Hallo
Hab hier eine Sammlung von Schaltungen von alten DDR TV-Geräten..
Aber kein Scanner...
Schau mal ob dir das Bild hilft.Der Tuner ist vom " Stadion" aus einem Buch 1967
Gruß Hal

Datei-Anhänge
PIC_0160.JPG PIC_0160.JPG (489x)

Mime-Type: image/jpeg, 66 kB

18.01.11 17:21
Wolle 

500 und mehr Punkte

18.01.11 17:21
Wolle 

500 und mehr Punkte

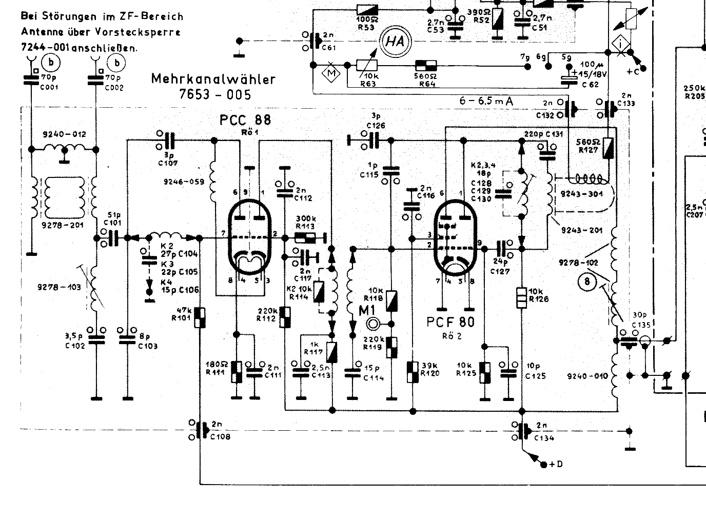
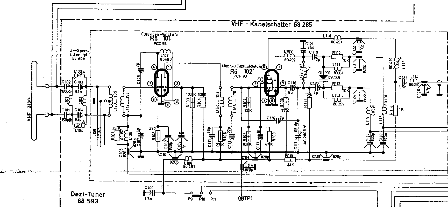
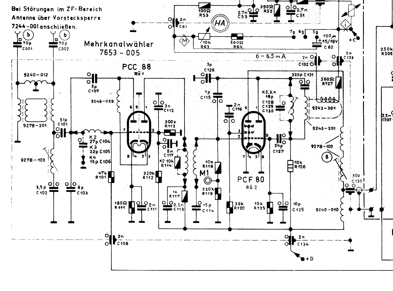
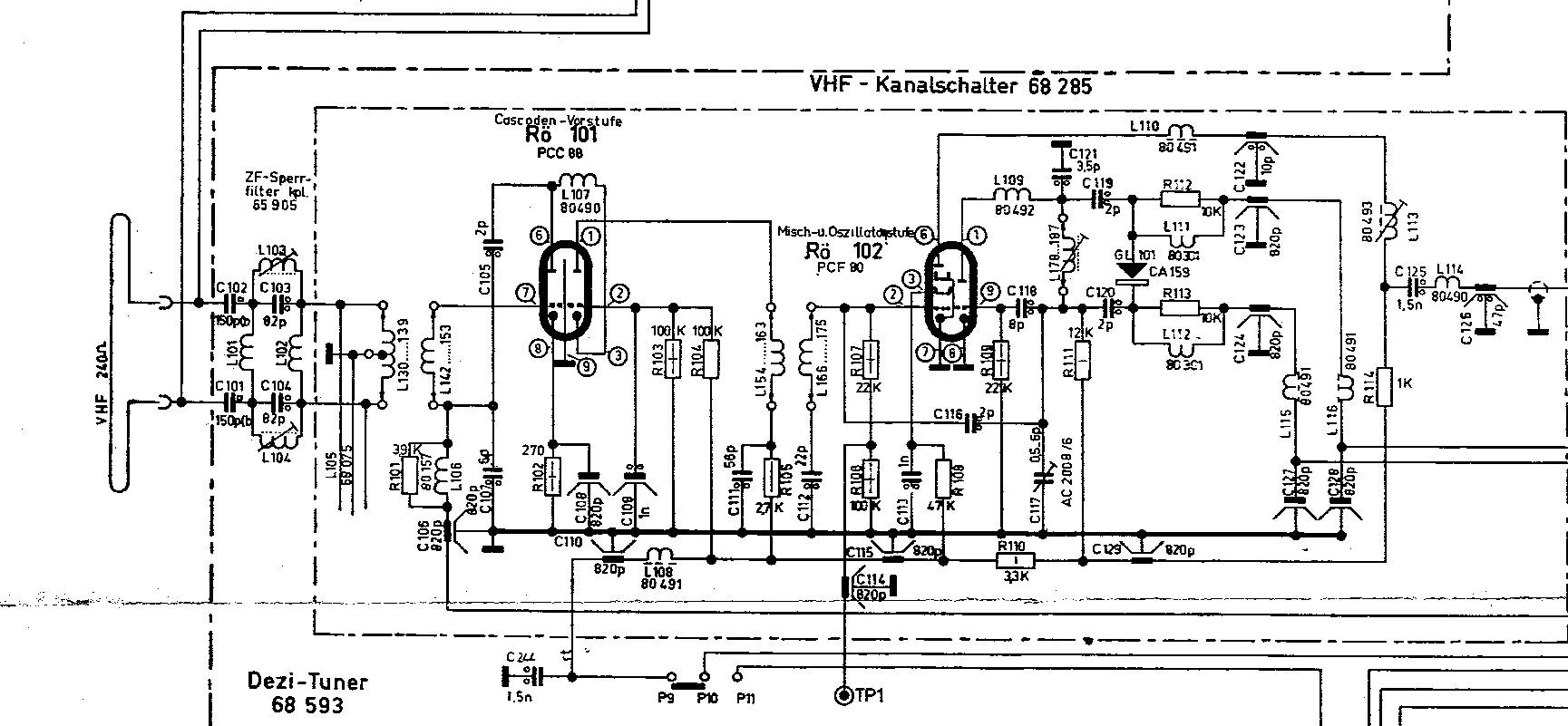
Re: VHF Tuner Schaltung

Hallo Martin.

Hier noch einmal 4 Kaskodetuner mit PCC88.

Mit vielen Grüßen.
Wolle







Datei-Anhänge
tuner1.png tuner1.png (491x)

Mime-Type: image/x-png, 65 kB

tuner2.png tuner2.png (512x)

Mime-Type: image/x-png, 98 kB

tuner3.png tuner3.png (492x)

Mime-Type: image/x-png, 36 kB

tuner4.png tuner4.png (507x)

Mime-Type: image/x-png, 66 kB

18.01.11 17:31
wumpus 

Administrator

18.01.11 17:31
wumpus 

Administrator

Re: VHF Tuner Schaltung

Hallo Wolle,

interessant ist, das nur zwei der fünf gezeigten Schaltungen ohne Neutralisierungs-C (Anode/Gitter1 des jeweils unteren Systems) auskommen. jedenfalls deute ich diese Cs als Neutralisationen?

Gruß von Haus zu Haus Rainer (Forum-Betreiber)

Rettet den analogen deutschen AM / FM - Rundfunk!

Zuletzt bearbeitet am 18.01.11 17:31

18.01.11 17:45
Martin.M 

500 und mehr Punkte

18.01.11 17:45
Martin.M 

500 und mehr Punkte

Re: VHF Tuner Schaltung

hallo,
herzlichen Dank !

Wie wirkt sich die Induktivität aus die zwischen die beiden Trioden gelegt worden ist ?
Es kann sich ja nur um ein oder 2 Windungen handeln da sie sonst die VHF nichtmehr durchlassen würde.
Eine Bedämpfung gegen Schwingen?

nette Grüße
Martin

18.01.11 19:02
Wolle 

500 und mehr Punkte

18.01.11 19:02
Wolle 

500 und mehr Punkte

Re: VHF Tuner Schaltung

Hallo Martin.

Ich würde meinen, daß die Spule zur Phasenkorrektur dient und damit Schwingneigung verhindern soll.

Viele Grüße.
Wolle

 1
 1
Kaskodetuner   Induktivität   Schwingneigung   Kaskodenschaltung   Studienzwecken   durchlassen   Phasenkorrektur   Doppeltriode   Betriebsbedingungen   Neutralisationen   Gitterableitwiderstände   Schaltungen   Neutralisierungs-C   interessant   Schaltung   Schaltplanauszüge   funktionierendes   Betriebsspannung   Forum-Betreiber   Insbesondere