| Passwort vergessen?
Sie sind nicht angemeldet. |  Anmelden

Sprache auswählen:

Wumpus Gollum Forum von
Wumpus Welt der (alten) Radios
Sie sind nicht angemeldet.
 Anmelden

Grundig Stereo Mixer 422 Unterlagen gesucht
  •  
 1 2
 1 2
08.12.15 16:41
technikfreund 

500 und mehr Punkte

08.12.15 16:41
technikfreund 

500 und mehr Punkte

Grundig Stereo Mixer 422 Unterlagen gesucht

Hallo Zusammen!

Ich suche dringend zum Grundig Stereo Mixer 422 den Schaltplan
und die Bedienungsanleitung.

Wer kann mir helfen?

Viele Grüße Technikfreund.

Noch gefällt der Beitrag keinem Nutzer.
!
!!! Fotos, Grafiken nur über die Upload-Option des Forums, KEINE FREMD-LINKS auf externe Fotos.    

!!! Keine Komplett-Schaltbilder, keine Fotos, keine Grafiken, auf denen Urheberrechte Anderer (auch WEB-Seiten oder Foren) liegen!
Solche Uploads werden wegen der Rechtslage kommentarlos gelöscht!

Keine Fotos, auf denen Personen erkennbar sind, ohne deren schriftliche Zustimmung.

Den Beitrag-Betreff bei Antworten auf Threads nicht verändern!
10.12.15 16:15
wumpus 

Administrator

10.12.15 16:15
wumpus 

Administrator

Re: Grundig Stereo Mixer 422 Unterlagen gesucht

Hallo Technikfreund,

schaue mal in Dein Postfach.



Gruß von Haus zu Haus
Rainer (Forumbetreiber)

"Vom Mund zum Ohr auf dem Strahle der elektrischen Kraft!"
Als MP3-Datei: http://www.welt-der-alten-radios.de/files/auf-dem-strahl.mp3

30.07.16 22:38
MickeyS. 

0-49 Punkte

30.07.16 22:38
MickeyS. 

0-49 Punkte

Re: Grundig Stereo Mixer 422 Unterlagen gesucht

Hi!

Die Unterlagen hätte ich auch gern gehabt, da ich das Teil beim Aufräumen ausgegraben habe. Ist eher in schlechtem Zustand (ein Teil der Unterschale des Plastikgehäuses ist herausgebrochen und die Einzeichnung auf dem Bedienfeld ist mehr als nur abgegriffen) aber ich will mal sehen, ob's noch zu retten ist...

Weiß jemand, was man zu der Hall Funktion benötigt? Ist der Effekt eingebaut oder bedarf es eines externen Effektgeräte?


Gruß,

Micha

30.07.16 23:35
technikfreund 

500 und mehr Punkte

30.07.16 23:35
technikfreund 

500 und mehr Punkte

Re: Grundig Stereo Mixer 422 Unterlagen gesucht

Hallo Micha!

Habe dir die Unterlagen in dein Forum Postfach geschickt.

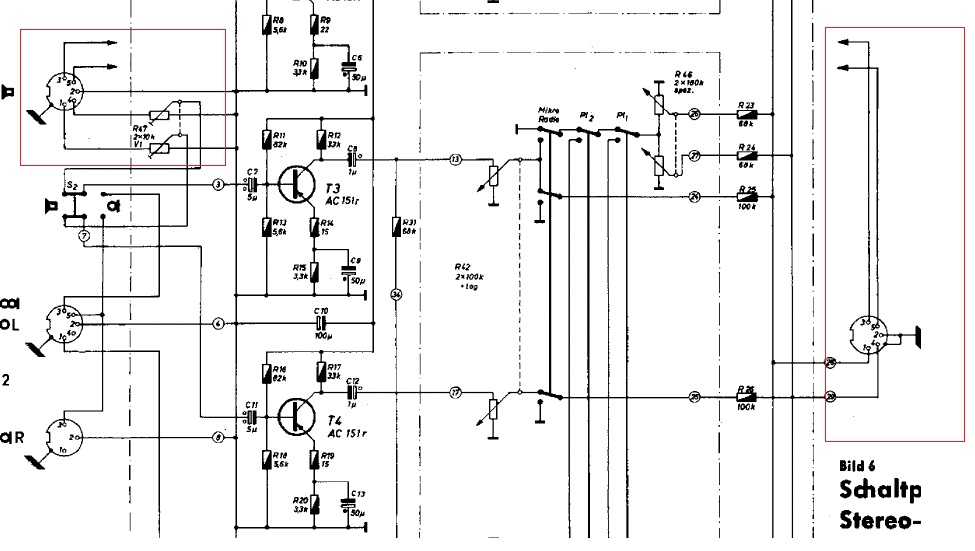
Für das Mischpult wurde ein externes Hallgerät angeboten.

Die Plattenspieler Eingänge sind nur für Kristall Abnehmer geeignet,
da kein Vorverstärker eingebaut ist.

Viele Grüße Technikfreund.

31.07.16 00:14
MickeyS. 

0-49 Punkte

31.07.16 00:14
MickeyS. 

0-49 Punkte

Re: Grundig Stereo Mixer 422 Unterlagen gesucht

Super, alles klar und vielen Dank! :)


Gruß,

Micha

31.07.16 00:19
MickeyS. 

0-49 Punkte

31.07.16 00:19
MickeyS. 

0-49 Punkte

Re: Grundig Stereo Mixer 422 Unterlagen gesucht

... ist ja ziemlich einfach gestrickt... mir juckt's echt in den Fingern, das Ding auf Betrieb mit Netzteil, OPV und mit Federhallsystem umzubauen... Wird wohl was für trübe Novembertage. ;)


Gruß,

Micha

31.07.16 00:24
technikfreund 

500 und mehr Punkte

31.07.16 00:24
technikfreund 

500 und mehr Punkte

Re: Grundig Stereo Mixer 422 Unterlagen gesucht

Hi Micha!

Ich habe an meinem Pult damals lange rumgemessen und probiert, bis ich
einen passenden, externen NF Ausgangs Verstärker gebaut habe, um es betreiben zu können.

Das Pult ist leider sehr sparsam aufgebaut, lediglich 4 Germaniumtransistoren sind als
Mikrofon Vorverstärker vorhanden, alles andere ist rein passiv.

Ein Netzteil brauchst du eigentlich nicht, wenn du kein Mikrofon benutzt kannst du den
Ein-Schalter sogar aus lassen.

Mit Batterien läuft das Pult ewig.

Ich würde dir empfehlen, einen Kabelbaum mit DIN Steckern zu bauen, welcher in ein externes
Gehäuse geht, in welches du dann z.B. Chinch, Klinkenbuchsen, Verstärker usw.. einbauen kannst,
hierdurch bleibt das Pult im Originalzustand und du ersparst die aufwändige Adapter.

So habe ich meinen Umbau realisiert, da auch wenig Platz im Pult ist.

Wichtig ist noch, dass (wenn ich mich richtig entsinne) nicht alle DIN Buchsen nach den gängigen Normen beschaltet waren,
irgendwas musste ich da noch umlöten, ablöten damit es am Ende funktionierte.

Viele Grüße Technikfreund.

Zuletzt bearbeitet am 31.07.16 00:40

31.07.16 01:26
MickeyS. 

0-49 Punkte

31.07.16 01:26
MickeyS. 

0-49 Punkte

Re: Grundig Stereo Mixer 422 Unterlagen gesucht

Hi!

Ja, danke für die Bestätigung. Die DIN-Buchsen sehen teilweise nicht ganz standardgemäß beschaltet aus, irgendwas stört mich da, aber das bekommt man sicher auch noch raus.


Gruß,

Micha

31.07.16 08:09
technikfreund 

500 und mehr Punkte

31.07.16 08:09
technikfreund 

500 und mehr Punkte

Re: Grundig Stereo Mixer 422 Unterlagen gesucht

Hi Micha!

Irgendwas war da mit dieser Ausgangsbuchse, welche wieder mit der Radio Buchse verbunden ist,
da stimmt die Ausgangsnorm nicht mehr, ich glaube ich habe diese Verbindung damals
abgelötet und die Ausgangsbuchse nach Norm beschaltet, genau weiß ich das aber nicht mehr.
Oder es war die Radiobuchse, wo Pin 3 und 5 direkt zur Ausgangsbuchse gehen.

Das Pult ist auch nicht mehr in meinem Besitz, ich habe es damals umgebaut für den Sohn von
Bekannten, der auch gerne bastelt.

Viele Grüße, Technikfreund.





Zuletzt bearbeitet am 31.07.16 08:21

Datei-Anhänge
422 Ausgangsbuchse.jpg 422 Ausgangsbuchse.jpg (682x)

Mime-Type: image/jpeg, 125 kB

DIN Buchse Belegung.jpg DIN Buchse Belegung.jpg (537x)

Mime-Type: image/jpeg, 25 kB

31.07.16 22:34
MickeyS. 

0-49 Punkte

31.07.16 22:34
MickeyS. 

0-49 Punkte

Re: Grundig Stereo Mixer 422 Unterlagen gesucht

Vielen Dank für den Hinweis!


Gruß,

Micha

 1 2
 1 2
Unterlagen   Tonbandamateur   Ausgangsbuchse   Magnettonabnehmer   Aufhol-Verstärker   Vorverstärker   standardgemäß   Federhallsystem   welt-der-alten-radios   Germaniumtransistoren   gesucht   herausgebrochen   Originalzustand   Technikfreund   Grundig   Bedienungsanleitung   auf-dem-strahl   Plastikgehäuses   Plattenspieler   Phantomspeisung