| Passwort vergessen?
Sie sind nicht angemeldet. |  Anmelden

Sprache auswählen:

Wumpus Gollum Forum von
Wumpus Welt der (alten) Radios
Sie sind nicht angemeldet.
 Anmelden

Niederfrequenz-Gegentaktverstärker mit 4 x EL12spez.
  •  
 1
 1
05.09.25 12:15
wumpus 

Administrator

05.09.25 12:15
wumpus 

Administrator

Niederfrequenz-Gegentaktverstärker mit 4 x EL12spez.

Hallo zusammen,

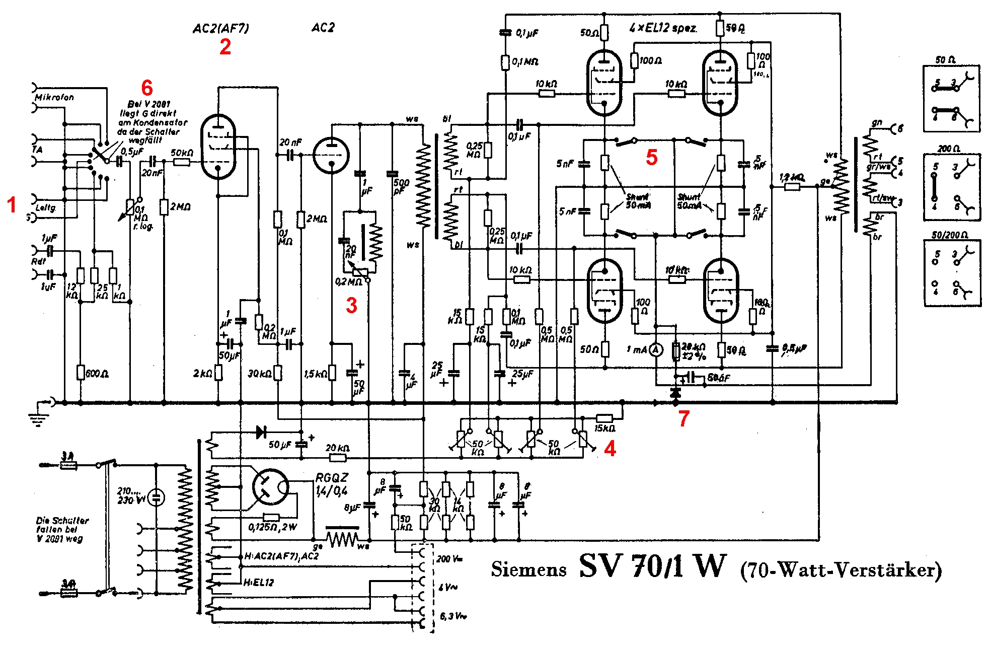
mal wieder ein Blick in ein Schaltbild. Diesesmal ein NF-Gegentakt-Vollverstärker Siemens SV70/1W mit immerhin 70 Watt Lautsprecherleistung von ca. 1939. 70 Watt das ist schon was.

Wie so oft gibt es beim Schaltbildbetrachten Punkte die Aufmerksamkeit erfordern. So auch hier. Zuerst das Schaltbild, dann die Anmerkungen / Fragen:




Anmerkungen / Fragen (rote Ziffern):

1) Was, zum Kuckuck heißt Leitg ?

2) Interessant: Man kann einfach AC7 gegen AF7 tauschen und umgekehrt, da beide Röhren den gleichen Sockel und gleiche Anschlusspunkte haben. Würde eine AC2 weniger rauschen?

3) Wahrscheinlich eine Klangblende, aber als Resonanzkreis oder als Zeitkonstante?

4) Ruhestrom-Einstellung für jeder der vier Parallel-Endröhren?

5) Vier Schalter. Werden die zur Einstellung des Ruhestroms einzeln oder kombinert geschaltet? Hängen sie überhaupt mit den Ruheströmen zusammen?

6) Was besagt der Text dort? Was ist V2081? Ein externer Vorverstärker? Dafür auch die Steckerleiste rechts unten?

7) Wechselspannung der Gegenkopplung von der Sonderwicklung des Ausgangstrafos wird in eine regelnde Gleichspannung gewandelt?



Ich frage mich hin und wieder, warum Schaltbildzeichner Freude daran hatten unklare Schaltbilder zu generieren. Manchmal hätten ein paar Worte mehr für bessere Verständlichkeit gesorgt...


Grüße von Haus zu Haus
Rainer, DC7BJ (Forumbetreiber)

Welt der alten Radios:
http://www.welt-der-alten-radios.de

Wumpus-Gollum-Forum:
http://www.wumpus-gollum-forum.de/forum

Virtuelle Voxhaus-Gedenktafel:
http://www.voxhaus-gedenktafel.de

Wumpus bei youtube:
https://www.youtube.com/user/MyWumpus

Datei-Anhänge
siemens-sv70-1-w-schalt.jpg siemens-sv70-1-w-schalt.jpg (70x)

Mime-Type: image/jpeg, 592 kB

regency gefällt der Beitrag.
!
!!! Fotos, Grafiken nur über die Upload-Option des Forums, KEINE FREMD-LINKS auf externe Fotos.    

!!! Keine Komplett-Schaltbilder, keine Fotos, keine Grafiken, auf denen Urheberrechte Anderer (auch WEB-Seiten oder Foren) liegen!
Solche Uploads werden wegen der Rechtslage kommentarlos gelöscht!

Keine Fotos, auf denen Personen erkennbar sind, ohne deren schriftliche Zustimmung.

Den Beitrag-Betreff bei Antworten auf Threads nicht verändern!
05.09.25 19:55
oldie 

250-499 Punkte

05.09.25 19:55
oldie 

250-499 Punkte

Re: Niederfrequenz-Gegentaktverstärker mit 4 x EL12spez.

Hallo Rainer,

netter Denksport. Versuche die Fragen zu beantworten soweit dies mir möglich ist.

1. Leitg. ist der Eingang für eine Tonleitung z.B. in einem Studio.

2. Welcher Röhrentyp weniger rauscht, schwer zu sagen. Theoretisch ist es die AC2

3. Zeitkonstante. Schwingkreis mit 200 kOhm in Serie zu L und C schwingt nicht wirklich.

4. Ja Ruhstromjustage für jede Endröhre

5. Schalter werden einzeln geschaltet und dann wird mit der Anzeige des mA Meter (A) justiert.

6. V2081 ist eine Variante dieses Verstärkers ohne Eingangswähler. Gibt es auch als Telefunken Verstärker.

7. Es ist keine Gegenkopplung. Das mA Meter (A) dient als Aussteueranzeige.

Falls ich etwas nicht richtig gesehen habe, bitte um Korrektur.

Gruß
Sven

Zuletzt bearbeitet am 05.09.25 19:56

08.09.25 08:48
HB9 

500 und mehr Punkte

08.09.25 08:48
HB9 

500 und mehr Punkte

Re: Niederfrequenz-Gegentaktverstärker mit 4 x EL12spez.

Hallo Rainer,

Pentoden rauschen grundsätzlich mehr als Trioden, weil durch die zusätzlichen Gitter, insbesonderen dem Schirmgitter, nicht alle Elektronen ungehindert zur Anode gelangen. Einige werden vom Schirmgitter 'abgesogen' und wieder andere vom Schirm- oder Bremsgitter abgelenkt, wenn sie den Gitterdrähten zu nahe kommen, und so der Weg zur Anode verlängert. Diese Effekte bewirken, dass die Anzahl Elektronen, die pro Zeiteinheit auf der Anode landen, leicht schwankt, was zu einem zufällig schwankendem Anodenstrom führt, der eben Rauschen bedeutet. Bei der Triode haben die Elektronen nach dem Passieren des Steuergitters freie Bahn, daher rauschen diese grundsätzlich weniger. Wie gross das Zusatzrauschen bei Pentoden ist, hängt stark von der Konstruktion ab. Bei gewissen Röhren wurde darauf geachtet, dass die Schirmgitterdrähte exakt im 'Schatten' der Steuergitterdrähte sind, so dass möglichst wenig Elektronen in die Nähe der Schirmgitterdrähte kommen, was neben geringerem Rauschen auch weniger Schirmgitterstrom bedeutet. Die Strahl-Pentoden (auch Strahl-Tetroden genannt, um keine Probleme mit dem Philips-Pentoden-Patent zu bekommen), die statt einem Bremsgitter ein Leitblech haben, rauschen auch weniger, weil keine Bremsgitterdrähte im Weg sind.

In der Praxis spielt auch die Qualität des Vakuums eine Rolle, denn Kollisionen der Elektronen mit Gasmolekülen ergebibt ebenfalls Rauschen. Auch die Drahtdicke der Gitterdrähte ist relevant.

Gruss HB9

08.09.25 11:15
wumpus 

Administrator

08.09.25 11:15
wumpus 

Administrator

Re: Niederfrequenz-Gegentaktverstärker mit 4 x EL12spez.

Hallo zusammen,

danke für die Reaktionen. Ich suche mir von Zeit zu Zeit Schaltbilder heraus, um solche Fragen zu erzeugen. Ist ja vielleicht interessant, in den eigenen Gehirnwindungen nach der Lösung zu kramen.

Wer daran Gefallen findet, kann sich ja mal hier weitere Fragen zu Radioschaltbildern mit Fragekatalog ansehen:

https://www.welt-der-alten-radios.de/r--...sstand-259.html




Grüße von Haus zu Haus
Rainer, DC7BJ (Forumbetreiber)

Welt der alten Radios:
http://www.welt-der-alten-radios.de

Wumpus-Gollum-Forum:
http://www.wumpus-gollum-forum.de/forum

Virtuelle Voxhaus-Gedenktafel:
http://www.voxhaus-gedenktafel.de

Wumpus bei youtube:
https://www.youtube.com/user/MyWumpus

 1
 1
Parallel-Endröhren   welt-der-alten-radios   Schirmgitterdrähte   Anschlusspunkte   Niederfrequenz-Gegentaktverstärker   Gehirnwindungen   Schaltbildbetrachten   Voxhaus-Gedenktafel   Schirmgitterstrom   Aussteueranzeige   Schaltbildzeichner   NF-Gegentakt-Vollverstärker   Lautsprecherleistung   Steuergitterdrähte   Ruhestrom-Einstellung   Philips-Pentoden-Patent   Radioschaltbildern   Verständlichkeit   Bremsgitterdrähte   Wumpus-Gollum-Forum