| Passwort vergessen?
Sie sind nicht angemeldet. |  Anmelden

Sprache auswählen:

Wumpus Gollum Forum von
Wumpus Welt der (alten) Radios
Sie sind nicht angemeldet.
 Anmelden

Kondensator Bestimmung, Graetz Polka
  •  
 1 2
 1 2
11.10.10 00:55
apollo 

Administrator

11.10.10 00:55
apollo 

Administrator

Kondensator Bestimmung, Graetz Polka

Guten Abend, bin Neuling hier im Forum, da ich mit meinen Reparaturkenntnissen am Ende bin.
Möchte mich kurz vorstellen. 1947 in München geboren, männlich und seit meinem 12 Lebensjahr "Radiobastler". Bei der Ableistung meines Grundwehrdienstes kam ich auch noch mit lauter Radio und Fernsehemechanikern in einen Richtfunk-Zug mit Fachausbildung in der Grundausbildung, war wohl reiner Zufall, da ich ja gelernter Drucker bin.
In meinem Besitz befinden sich, von meinen Eltern übernommen, ein Radio Graetz Polka 1013, ein Radio Telefunken Rhythmus 1264, ein Radio Loewe Opta Planet-Stereo, Typ 62061 sowie ein Plattenspieler PE 2010.
Aus meinem eigenen Besitz haben überdauert ein Detektor mit Aufdruck WISI am Drehko-Abstimmrad, aber optisch entspricht er eher dem Omega 8 auf der Detektorenstartseite, ein Tonbandkoffer Saba TK 220, ein Plattenspieler ELAC-Miraphon 22H, ein Radio Telefunken HR 5000 Digital sowie ein Fernseher Blaupunkt Virginia MP 45 Color. Dazu noch ein paar Taschentransister-Radios aus den 70ern.
Ich bin kein Sammler im Sinne von "kaufe alles was ich bekommen kann" sondern durch mein allgemeines Interesse an analoger Funktechnik hab ich halt nie etwas aus diesem Bereich entrümpelt. Noch dazu sind alle meine Geräte durch schonenden Umgang in der Familie bis zum heutigen Tag in super Zustand und funktionieren ohne Mängel.
Mit einer Ausnahme - jetzt kommts.

Heute hat der Graetz Polka 1013 sein letztes Lied gespielt. Durch ein kurzes kratzen aufmerksam geworden, sah ich auf das Gerät und bemerkte, daß im Rhythmus des Kratzens das Magische Auge mitflackerte. Zu gleich konnte ich da der Radio über meinem Sitzplatz stand hinter der Skalenscheibe links oben im Gerät einen Funkenflug erkennen.

Ich hab sofort ausgeschaltet und das Radio mit der Rückseite zu mir gedreht und noch mal kurz eingeschaltet, aber das Magische Auge blieb max. breit und die Funken waren auch nicht mehr da. Der Radio blieb stumm. Hab ihn dann vom Netz getrennt und die Rückwand abgenommen und konnte, in dem Bereich in dem ich den Funkenflug beim ersten Mal lokalisiert hatte, einen Kondensator ausmachen der offensichtlich etwas schwärzlich und in der Mitte gerissen ist. Da ich, durch die teilweise Verkohlung, den Aufdruck nur noch als Fragment sehe ist die Bestimmung des Wertes unmöglich.

Nun zu meiner Frage und Bitte. Ist jemand hier im Forum der den gleichen Radio besitzt und mir, auf Grund einer von mir genauen Beschreibung des Ortes an dem der Kondensator sitzt, b.z.w. nach einem von mir eingestellem Photo, den Wert des Kondensators mitteilen möchte.

Beschreibung ist wie folgt. Auf dem Lautsprechertrafo ist eine Pertinaxleiste mit Lötfahnen befestigt. Auf der linken Seite dieser Leiste ist der Kondensator mittig, quer zum Chassis aufgelötet, also mit einem Ende in Richtung Rückwand und mit dem anderen Ende Richtung Skalenscheibe.

Es wäre jammerschade um diesen Radio, da er einen extrem guten Klang hat und seine Empfangseigenschaften, nur mit dem eingebauten Dipol, einmalig sind. In den Bergen und Tälern des Bayr. Waldes nicht ganz selbstverständlich.
Bedanke mich bei denen die bis hier mitgelesen haben.

Freundliche Grüsse Alfred Apollo

Zuletzt bearbeitet am 08.11.10 20:24

Noch gefällt der Beitrag keinem Nutzer.
!
!!! Fotos, Grafiken nur über die Upload-Option des Forums, KEINE FREMD-LINKS auf externe Fotos.    

!!! Keine Komplett-Schaltbilder, keine Fotos, keine Grafiken, auf denen Urheberrechte Anderer (auch WEB-Seiten oder Foren) liegen!
Solche Uploads werden wegen der Rechtslage kommentarlos gelöscht!

Keine Fotos, auf denen Personen erkennbar sind, ohne deren schriftliche Zustimmung.

Den Beitrag-Betreff bei Antworten auf Threads nicht verändern!
11.10.10 08:04
wumpus 

Administrator

11.10.10 08:04
wumpus 

Administrator

Re: Kondensator Bestimmung, Graetz Polka

Hallo Alfred,
oft ist direkt am NF-Ausgangstrafo der Höhen-Überbrücker parallel zur Primärwicklung angebracht. Der kann Funken sprühen, wenn er defeft ist und sogar im späteren Kurzschlußfall den Ton komplett wegschlucken. Allerdings passt das Fehlerbild nicht ganz zum Mag.Auge.

Also EINE der Möglichkeiten: C257 (4,7 nf). Er müßte eine leitende Verbindung zum Punkt 7 der EL84 und zum Punkt 9 der EL84 haben. Wenn Du eine Seite ablötest und mit einem vielleicht vorhandenem Ohm-Meter testest, könnte ein Kurzschluß erkannt werden. Aber wie gesagt - könnte.

Ansonsten verfilge doch mal die Leitungen, wo der Kondensator angeschlossen ist. Geht eine Leitung auch zu einer Röhre: Zu welcher und zu welchem Punkt?

Ein Photo wäre auch nicht schlecht.



Mit freundlichen Grüssen Rainer (Forum-Admin)

Möge uns die analoge Radio-Welle noch lange erhalten bleiben .

11.10.10 08:22
Pluspol 

500 und mehr Punkte

11.10.10 08:22
Pluspol 

500 und mehr Punkte

Re: Kondensator Bestimmung, Graetz Polka

Hallo Alfred A.

Ich würde den Kondensator erst mal von der Lötleiste entfernen und dann mal kurz das Radio einschalten, ob es wieder einen Ton von sich gibt.
Dann zeigt sich, ob der Kondensator eine Koppel-, Abblock- oder Tonfrequenzfunktion hat.
Wie Rainer schon meint, müsstest Du mal verfolgen, wo der Kondensator exakt angeschlossen ist, parallel zum Ü-Tarfo oder wo sonst. Ein Foto vom Inneren ließe den Wert auch bestimmen, wenn man das gleiche Gerät hätte.
Zu hoffen ist, daß dadurch nicht noch ein anderer Fehler verursacht wurde.
Man kann sich eventuell mit spannungsfesten Typen zwischen 4,7nF bis 47nF herantasten. Da geht nichts zusätzlich kaputt.

Freundliche Grüße von Dietmar

11.10.10 12:29
roehrenfreak

nicht registriert

11.10.10 12:29
roehrenfreak

nicht registriert

Re: Kondensator Bestimmung, Graetz Polka

Hallo Alfred,

ergänzend zu Dietmars Vorschlag wäre noch zu erwähnen, dass die zu verwendenden Ersatz-Kondensatoren ein Mindestspannungsfestigkeit von 630Volt aufweisen müssen. Je nach Funktion können sehr hohe Spannungsspitzen auftreten, die einen zu niedrig bemessenen Kondesator schnell durchschlagen lassen. Die kann zu Folgeschäden führen.

Freundliche Grüsse,
Jürgen rf

Noli turbare circulos meos (Störe meine KREISE nicht! - Archimedes)

11.10.10 23:37
apollo 

Administrator

11.10.10 23:37
apollo 

Administrator

Re: Kondensator (jetzt Widerstand) Bestimmung, Graetz Polka

Hallo und guten Abend,
zuerst recht herzlichen Dank an Rainer, Dietmar und Jürgen. Daß die Resonanz so prompt und fachkundig ist hat mir natürlich Mut zum nächsten Schritt gemacht.
Dieser hat mir zum einen Hoffnung auf eine baldige Problemlösung gebracht, mir aber zum Anderen eine riesen Blamage beschert.
Ich muß euch sagen - die Dame ist ein Herr.
Das wär mir in jungen Jahren nicht widerfahren. Man(n) wird alt.
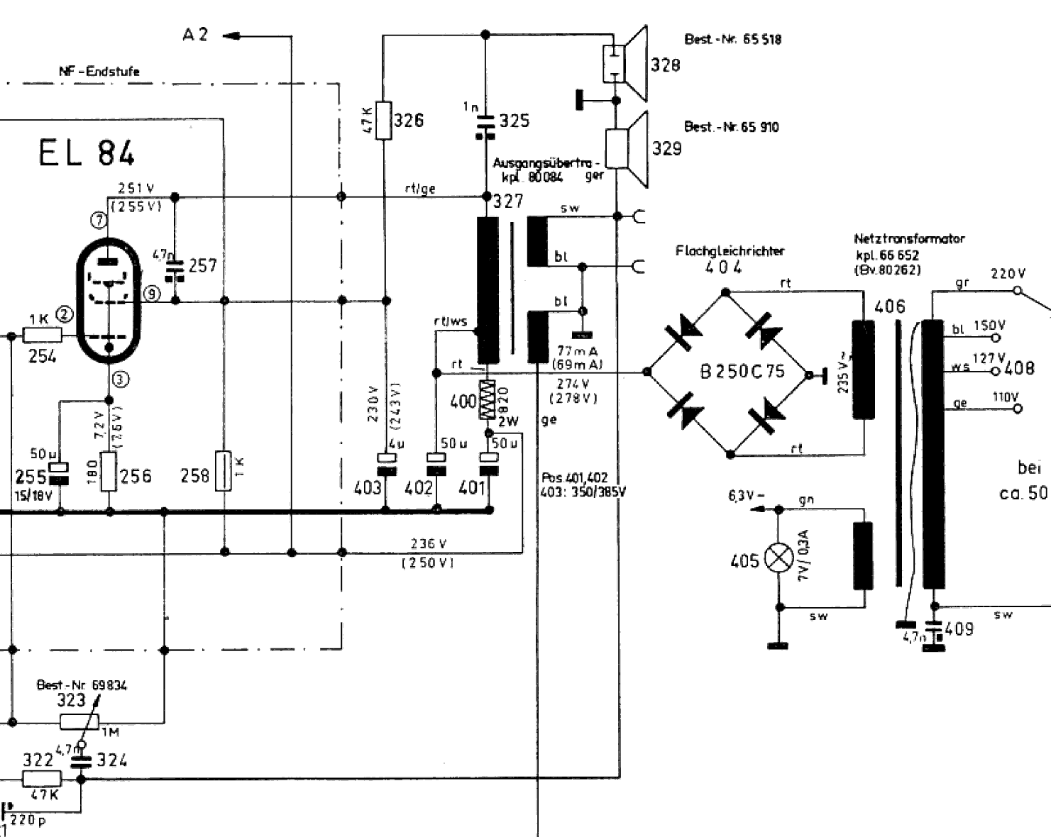
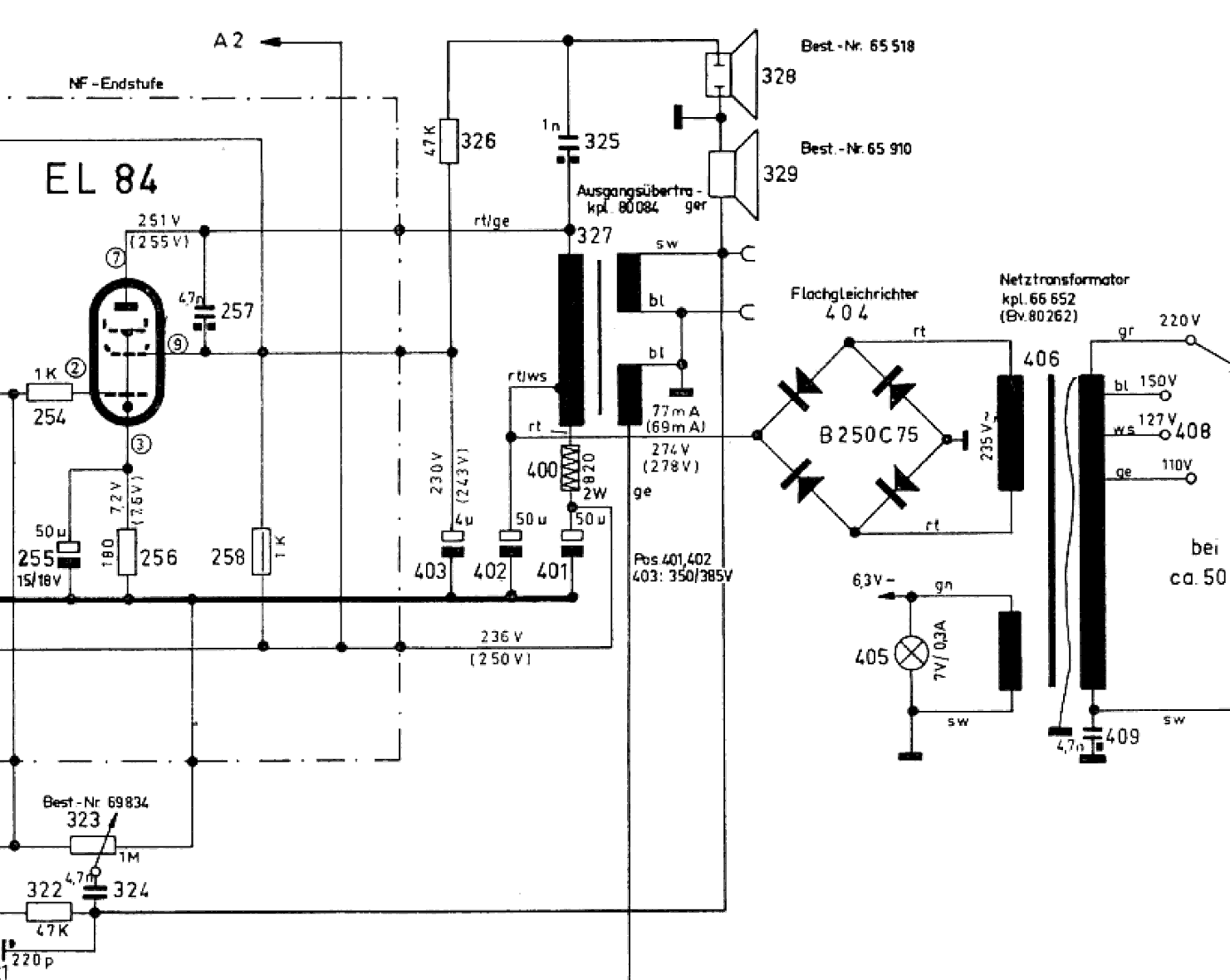
Der von mir beschriebene Kondensator hat sich nach näherem ansehen als Widerstand entpuppt.
Durch die Lupe betrachtet sieht man die haarfeine Wicklung unter dem schwarzen Lack. Außerdem hat er an den beiden Außenrändern überstehende Nippel, an diesen sind wohl die Drahtenden mit den senkrechten Anschlussdrähten verbunden.
Nun konnte ich auch das noch erhaltenen Beschriftungs-Fragment sehen und da wird dann schon einiges klarer.
Ich sehe also einen Aufdruck "820" dann kommt der Riss und rechts daneben kann man die rechte Seite des Omega-Zeichens sehen. Danach kann man ein Plus Symbol und unter diesem ein Minus Zeichen erahnen.
In der zweiten Zeile sehe ich eine "2" und dahinter ein "V" welches der Rest von einem W für Watt sein könnte.
Also ich glaube zu erkenne: "820 Ohm, 2 Watt"

Nun noch die Anschlüsse die mit dem Teil verbunden sind.
Linke Seite ein Anschluß, geht direkt in den NF-Trafo, der die beiden Lautsprecher versorgt.
Die andere Seite hat 3 Leitungen belegt.
Eine zum großen Netzteil Elko, der mit der Aluhülle, auf die mittlere Lötfahne.
Die zweite Leitung zum Magischen Auge, ( EM 84 ) auf Lötfahne Nr.6, wenn Kerbe auf 12 Uhr steht (von unten gesehen)und ich im Uhrzeigersinn zähle.
Die dritte geht auf die Platine mit der gedruckten Schaltung und wird über Leiterbahnen verteilt.

Zu meiner Entschuldigung sei noch gesagt, daß die letzten beiden Störungen von Wickelkondensatoren ausgingen, der Letzte war ein 4700 pF zur Funkendämpfung in der Hausleitung, 220Volt gegen Masse, welcher gleich die Haussicherung fliegen hat lassen.
Da dies bis dahin die einzigen Störungen waren, ging ich also mit einer vorgefassten Meinung ans Werk. Peinlich, peinlich !

Jetzt bitte ich die Erfahrenen unter euch, aufgrund meiner Angaben zu prüfen, ob es sich um den von mir gedachten Widerstand handelt und wie dieser in neuerer Bauart zu beziehen ist. Da ich nicht mehr in München wohne, Conrad, Holzinger und Bürklin vor der Tür, wäre ich für eine gute Adresse dankbar.

Vielen Dank schon mal und
mit freundlichem Gruß
Alfred-Apollo
P.S.:Leider sind die beiden Photos nicht übertragen.
1 Photo nachgereicht am 18.10.

Datei-Anhänge
PICT081.JPG PICT081.JPG (396x)

Mime-Type: image/pjpeg, 198 kB

12.10.10 00:52
roehrenfreak

nicht registriert

12.10.10 00:52
roehrenfreak

nicht registriert

Re: Kondensator Bestimmung, Graetz Polka

Hallo Alfred,

lasse Deinen Mut nun nur nicht sinken - Künstlerpech, kann selbst jedem Meister einmal passieren, ist nicht schlimm.

Nun möchte ich versuchen, Deine Beschreibung zu interpretieren. So komme ich zu dem Schluß, dass der 820-Ohm-Widerstand zur Siebkette im Netzteil gehört. Sollte dieser Widerstand die Quelle von Rauch oder Funkenflug sein, kommt nach meiner Meinung nur der Becherelko als Corpus Delicti in Frage. Elkos haben die unangenehme Eigenschaft, nach etlichen Jahren der "Beschäftigungslosigkeit" ihre so genannte Formierung zu verlieren (nicht "Formatierung" - das ist etwas ganz anderes, wird aber damit immer wieder gern verwechselt!). Werden dann unformierte Elkos unverdrossen sofort wieder mit voller Spannung beaufschlagt, kann es infolge einsetzender Elektrolyse zu erheblichen Strömen kommen. Diese bewirken eine u.U. sehr schnelle Erwärmung und eine Art "Kettenreaktion" im Elko. Die Temperatur steigt in kurzer Zeit auf einen unzulässig hohen Wert, verbunden mit einer massiven Erhöhung des inneren Druckes. Letzterer kann den Elko dann schliesslich zum Platzen bringen.

Das Dumme ist, dass solche (, sich anbahnenden) Defekte nicht sicher mit einem "normalen" Ohmmeter ermittelt werden können. Der einzig sichere Weg ist, den verdächtigen Elko abzuklemmen (nur der + - Pol reicht) und an den ankommenden Draht den Ersatz anschliessen. Dann am besten mit einem Regel(trenn)trafo die Spannung langsam unter Beobachtung eines am Siebelko angeschlossenen Voltmeters den Spannungsanstieg beobachten. Sollte die Spannung immer noch nicht korrekt ansteigen, ist der Fehler im Verbraucherkreis dahinter zu vermuten.

Freundliche Grüsse,
Jürgen rf

Noli turbare circulos meos (Störe meine KREISE nicht! - Archimedes)

12.10.10 07:46
Wolle 

500 und mehr Punkte

12.10.10 07:46
Wolle 

500 und mehr Punkte

Re: Kondensator Bestimmung, Graetz Polka

Hallo Alfred.

Zuerst ein herzliches Willkommen im WGF- Forum. Das Bauelement hat die Positionsnummer 400 und ist ein Widerstand 820 Ohm, 2 Watt. Ursache für den Ausfall kann ein Kurzschluß des Elkos sein. Das läßt sich durch eine Messung mit dem Ohmmeter untersuchen. Ich würde empfehlen, nach dem Ersatz des Widerstandes zunächst nur den Elko anzuschließen und abzuwarten, ob der Widerstand überlastet wird. Wenn dieser Test in Ordnung ist, den Elko über einen Widerstand (10 bis 100 kOhm) gegen Masse entladen und die anderen Anschlüsse wieder herstellen. Dabei dann auch auf mögliche Isolationsfehler der Anschlußdrähte achten.



Denke bitte unbedingt daran, daß die Elkos über lange Zeit Spannung speichern, wenn die Röhren nicht aufgeheizt sind. Also das Entladen nicht vergessen.

Mit vielen Grüßen.
Wolle

Datei-Anhänge
polka_nt.png polka_nt.png (498x)

Mime-Type: image/x-png, 50 kB

12.10.10 22:09
apollo 

Administrator

12.10.10 22:09
apollo 

Administrator

Re: Kondensator Bestimmung, Graetz Polka

Hallo Jürgen, hallo Wolle, herzlichen Dank für die für mich sehr wertvolle Antwort. Besonders der Schaltplan ist für mich sehr gut, um das was ihr mir an Hilfe zukommen läßt auch umsetzten zu können.

Ich hab heute bei Conrad einen Hochlastdrahtwiderstand, 820 Ohm, 5Watt, bestellt und werde damit den Test von Wolle durchführen. Das einfachste zuerst ;-)
sollte das nicht zum gewünschten Ergebnis führen, werde ich die Formierung in Angriff nehmen. Dazu die Frage an Jürgen: Wenn ich einen intakten Elko formiere, kann sein meiner ist noch O.K., ist das kontraproduktiv?

Das alles kann ich mit meinen Mitteln noch bewerkstelligen.

Wenn ich damit nicht weiter komme, könnte ich laut tel. Auskunft bei Bürklin in München einen Elko bekommen. Allerdings haben die nur einen mit 50+50 microF. Den 4 microF könnte ich dann extra dazu bauen, meinte der freundliche Herr am Tel.
Seht ihr das auch so oder brauch ich in jedem Fall den original Becher mit den drei ( C401,C402,C403 ) in einem Becher und wenn ja , wo bestellt man diesen?

Noch ein Wort an Wumpus-Rainer. Hab mich jetzt mal auf allen Seiten eingelesen und sag nur : Daumen hoch Besonders die Tipps und Tricks so wie die allgemeinen Hinweise zur Vorsicht im Umgang mit den alten Lieblingen.
Da steckt viel Zeit und Arbeit dahinter.

So, genug geschleimt
Freundliche Grüsse von Alfred

12.10.10 23:07
roehrenfreak

nicht registriert

12.10.10 23:07
roehrenfreak

nicht registriert

Re: Kondensator Bestimmung, Graetz Polka

Hallo Alfred,

das Formieren älterer Elko´s ist mitunter ein 50/50-Spiel. Aus meiner Erfahrung kann es gut gehen (wie z.B. in meinem Mende 350-10), es kann jedoch auch in die Hose gehen (wie z.B. bei meinem SABA "Freiburg W III"). Bei letzterem habe ich genau so langsam und vorsichtig über mehrere Stunden die Betriebsspannung "hochgefahren" wie beim Mende. Dennoch ist im SABA der Netzelko fast geplatzt. Und dabei sah es zunächst für einige -zig Stunden nach dem Formieren noch gut aus! Das Unheil kündigte sich mit einem ganz langsam, fast unbemerkt lauter werdenden Brummen an. Als ich es endlich als "nicht normal" wahrnahm, war der Elko schon kochend heiß!

Was den Austausch solcher Mehrfach-Elko´s angeht, muss man heute oft Kompromisse eingehen. Die Originale sind i.d.R. nirgends mehr lieferbar. Im Sinne der Betriebssicherheit sehe ich es nicht unbedingt dann als den "Sündenfall" an, wenn man aus dieser Not heraus einen oder mehrere Einzelelko(´s) unten im Chassis sauber und ordentlich einfügt.

Man kann sich natürlich auch die Mühe machen und den alten Elko ausweiden und mit neuen Teilen bestücken. Das erfordert etwas Geduld, Geschick, Erfahrung und eine guter Werkstattausrüstung. Die Aktion ist auch nicht ganz risikolos, da man beim Aufbördeln des Elkobechers mit grosser Wahrscheinlichkeit den noch unter Druck stehenden Elektrolyten "um die Ohren gehauen bekommt". Schutzmassnahmen und besondere Vorsicht sind daher unbedingt vonnöten.

Über das Für und Wider zur Neubefüllung alter Bauteile scheiden sich manche Geister. Das muss also letztenendes jeder für sich entscheiden. Ich persönlich lege auf die Betriebssicherheit höheren Wert als auf den "jungfräulichen" Zustand von Bauteilen, die mitunter nur durch sehr aufwändige Massnahmen wieder in betriebsbereiten Zustand versetzt werden konnten. Niemand kann vorhersehen, wie lange die so regenerierten Bauteile durchhalten, leider! Schlimmstenfalls riskiert man z.B. ein Durchbrennen des Netztrafos oder den Tod wertvoller Röhren. Da investiere ich lieber die fuffzig Cent für z.B. einen neuen Kondensator und "tarne" ihn meinetwegen mit der alten Hülle, um die Optik zu wahren.

Freundliche Grüsse,
Jürgen rf

Noli turbare circulos meos (Störe meine KREISE nicht! - Archimedes)

13.10.10 09:43
Pluspol 

500 und mehr Punkte

13.10.10 09:43
Pluspol 

500 und mehr Punkte

Re: Kondensator Bestimmung, Graetz Polka

Hallo Alfred

Ich sehe das auch so, wie Jürgen, der auf die vordergründige Nachhaltigkeit der Bauelemente setzt, wenn es nicht primär um die reine Sammlung und Originalität geht.
Ich möchte damit nichts gegen die Wiederbelebung oder das Formieren altgedienter Kondensatoren sagen. Das muss jeder für sich entscheiden.
Ebenso sind auch für die weitgehende Originalitätswahrung die Berichte über die Regenerierung von Papierkondensatoren von Helmut und Co. sehr interessant und hilfreich.
Mit dem Austausch der beiden 50 Mikrofard-Elkos und dem Separateinbau des 4 Mikrofaradelkos hast Du Dein Radio bald wieder voll im Griff.
In der Bucht werden auch ständig passende Elkos angeboten. Nur weiß man da nicht, wie alt und in welchem Zustand sie tatsächlich sind.
Gut wäre, wenn Du die Neuelkos auch vorher formieren könntest. Im Gerät müsstest Du sie dann mit kleinerer Spannung über einen Zeitraum "hochfahren" lassen.
Ohne Stelltrafo könntest Du das Radio über eine 60 Watt Glühlampe eine Weile angeschlossen lassen.
Viel Spaß beim Reparieren.

Freundliche Grüße von Dietmar

 1 2
 1 2
Kondensator   Wickelkondensatoren   Hochlastdrahtwiderstand   Empfangseigenschaften   Bestimmung   Mindestspannungsfestigkeit   Ersatz-Kondensatoren   Freundliche   820-Ohm-Widerstand   Papierkondensatoren   Taschentransister-Radios   Fernsehemechanikern   Beschäftigungslosigkeit   Werkstattausrüstung   Tonfrequenzfunktion   Detektorenstartseite   Beschriftungs-Fragment   Reparaturkenntnissen   Originalitätswahrung   Betriebssicherheit