| Passwort vergessen?
Sie sind nicht angemeldet. |  Anmelden

Sprache auswählen:

Wumpus Gollum Forum von
Wumpus Welt der (alten) Radios
Sie sind nicht angemeldet.
 Anmelden

Graetz Polka 1013
  •  
 1 2
 1 2
07.05.12 14:46
schmitti2 

50-99 Punkte

07.05.12 14:46
schmitti2 

50-99 Punkte

Graetz Polka 1013

Hallo Superforum habe schon lange hier gestöbert und mich nun durchgerungen, mein Radio Polka aufzumachen., Und siehe da der Elektrolytkondensator an pin 3 der EL84 und der parallele Wiederstand sind im Eimer und nicht mehr identifizierbar .
Hat evtl. einer von euch die Werte ? oder einen Schaltplan
Mfg. Jürgen

Noch gefällt der Beitrag keinem Nutzer.
!
!!! Fotos, Grafiken nur über die Upload-Option des Forums, KEINE FREMD-LINKS auf externe Fotos.    

!!! Keine Komplett-Schaltbilder, keine Fotos, keine Grafiken, auf denen Urheberrechte Anderer (auch WEB-Seiten oder Foren) liegen!
Solche Uploads werden wegen der Rechtslage kommentarlos gelöscht!

Keine Fotos, auf denen Personen erkennbar sind, ohne deren schriftliche Zustimmung.

Den Beitrag-Betreff bei Antworten auf Threads nicht verändern!
07.05.12 15:13
Wolle 

500 und mehr Punkte

07.05.12 15:13
Wolle 

500 und mehr Punkte

Re: Graetz Polka 1013

Hallo Jürgen.

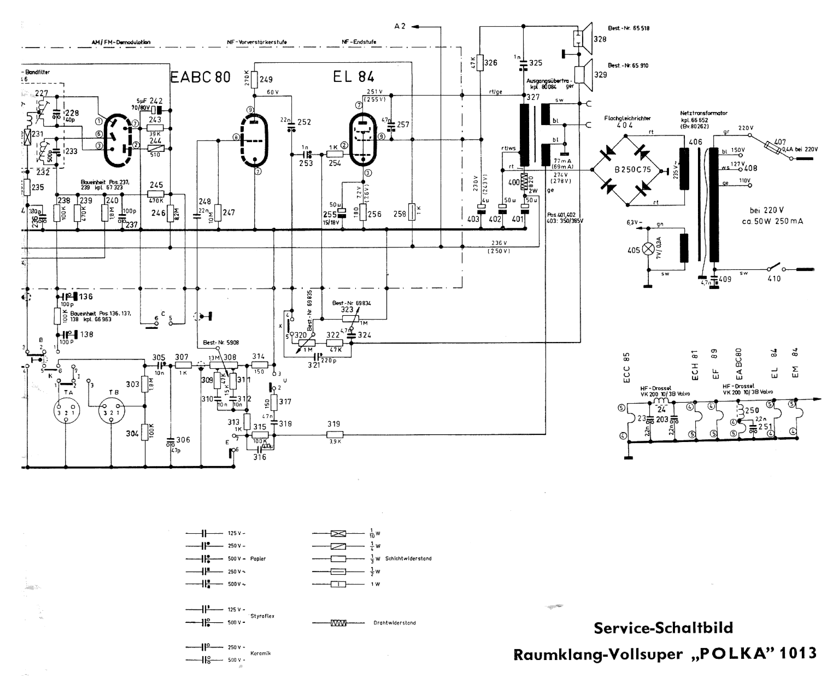
Willkommen im Forum. Hier hast Du einen Auszug Netzteil und NF- Verstärker.



Mit vielen Grüßen.
Wolle

Datei-Anhänge
polka_1013_sch1.png polka_1013_sch1.png (403x)

Mime-Type: image/x-png, 143 kB

07.05.12 15:21
schmitti2 

50-99 Punkte

07.05.12 15:21
schmitti2 

50-99 Punkte

Re: Graetz Polka 1013

Hallo Wolle es ist schon enorm wie schnell ihr immer mit euren Antworten seid!!!!
Leider ist auf dem plan nur sehr schwer zu erkennen welche werte die bauteile (255 , 256) haben . geraten hab ich 50µf und denke bei 7,2V reicht 16V den wiederstand kann ich gar nicht lesen . Kannst du das mal

07.05.12 15:29
Wolle 

500 und mehr Punkte

07.05.12 15:29
Wolle 

500 und mehr Punkte

Re: Graetz Polka 1013

Hallo Jürgen.

Das ist die Kathodenkombination, Widerstand R256 mit 180 Ohm, 2 Watt und dem Elko C255 mit 50 µF, 16 Volt. Noch ein Hinweis. Bitte unbedingt den Koppelkondensator C252 (22 nF, 250 Volt) ersetzen und die Kathodenspannung (7,2 Volt) kontrollieren.

Mit vielen Grüßen.
Wolle

Zuletzt bearbeitet am 07.05.12 15:35

07.05.12 15:36
schmitti2 

50-99 Punkte

07.05.12 15:36
schmitti2 

50-99 Punkte

Re: Graetz Polka 1013

Superbesten Dank Wolle
Ich hab hier gerade einen 47µf 50V müsste doch auch gehn oder ? Den Wiederstand werd ich wohl aus mehreren zusammenfrickeln müssen hab keine 2 watt version nochmals vielen Dank
Mfg. Jürgen

07.05.12 16:43
schmitti2 

50-99 Punkte

07.05.12 16:43
schmitti2 

50-99 Punkte

Re: Graetz Polka 1013

So Bauteile gewechselt
einschalten - radio läuft - 1 minute lautstärke geht in den keller
An Pin3 EL84 liegen 19,56V wie kommt das denn ?????

Zuletzt bearbeitet am 07.05.12 16:48

07.05.12 17:04
Wolle 

500 und mehr Punkte

07.05.12 17:04
Wolle 

500 und mehr Punkte

Re: Graetz Polka 1013

Hallo Jürgen.

Zwei Möglichkeiten.
1. Wie schon geschrieben defekter Kondensator C252 (22 nF; 250 Volt).
2. Defekte EL84.

Am Pin 2 der EL84 darf keine positive Spannung meßbar sein.
Mit vielen Grüßen.
Wolle

07.05.12 17:25
Klaus 

500 und mehr Punkte

07.05.12 17:25
Klaus 

500 und mehr Punkte

Re: Graetz Polka 1013

schmitti2:
An Pin3 EL84 liegen 19,56V wie kommt das denn ?????
Hallo Jürgen,

das kommt daher, dass durch die Röhre ein zu hoher Strom fließt und somit an der Kathodenkombination zu viel Spannung abfällt.

Die Gründe dafür nannte Wolle bereits, Röhre defekt oder falsche Arbeitspunkt durch defekten Koppelkondensator.

Viele Grüße,
Klaus

07.05.12 17:53
schmitti2 

50-99 Punkte

07.05.12 17:53
schmitti2 

50-99 Punkte

Re: Graetz Polka 1013

22nf muss ich besorgen will nicht wieder altes zeug verbauen .
Morgen gehts weiter vielen Dank Euch
Jürgen

07.05.12 20:17
schmitti2 

50-99 Punkte

07.05.12 20:17
schmitti2 

50-99 Punkte

Re: Graetz Polka 1013

Spannung steht nun nach 1/2 Stunde stabil bei 7,98V - 8,2
Habdie EL84 gegen 6BQ5 getauscht
kann das auf dauer gutgehn oder muss die spannung noch angeglichen werden ?

 1 2
 1 2
unerwünschter   Gleichspannung   zusammenfrickeln   Isolationswiderstand   Willkommensgru߿identifizierbar   rettet-unsere-radios   Kathodenspannung   Kondensatoren   Arbeitspunkt   Elektrolytkondensator   Kathodenkombination   Seglerweisheit   aussagefähiger   Kondensators   Kondensator   Möglichkeiten   kontrollieren   Spannungsfestigkeit   Koppelkondensator