| Passwort vergessen?
Sie sind nicht angemeldet. |  Anmelden

Sprache auswählen:

Wumpus Gollum Forum von
Wumpus Welt der (alten) Radios
Sie sind nicht angemeldet.
 Anmelden

NF Verstärker mit Motorboating beziehungweise schwingt
  •  
 1 2 3 4
 1 2 3 4
07.04.16 11:53
BernhardWGF

nicht registriert

07.04.16 11:53
BernhardWGF

nicht registriert

NF Verstärker mit Motorboating beziehungweise schwingt

Guten Tag,

ich habe Probleme mit dem unten gezeigten NF-Verstärker. Bei minimaler Einstellung der "Tiefe" (höchster R am Poti) funktioniert der Verstärker im gesamten Lautstärkebereich. Bei mittlerer Tiefeneinstellung funktioniert der Verstärker bis lauter Zimmerlautstärke normal. Steht die Tiefeneinstellung auf der höchsten Position (niedrigster R-Wert am Poti) fängt der Verstärker schon ab kleinster Lautstärke an zu oszillieren (motor boating). Die Kondensatoren auf der Platine haben ihre Kapazität, die Arbeitspunkte stimmen. Was wäre hier als Fehlerquelle noch zu suchen? Ich habe den Verstärker ersteinmal belassen und bei Seite gestellt, kann somit keine schnelle Messungen vornehmen. Das Radio spielt auf niedrigster Tiefeneinstellung weiter. Ich wollte nur ein paar Ideen von Euch Profis hören, falls ich den Verstärker doch noch einmal ausbaue.

Mit freundlichen Grüßen
Bernhard

Datei-Anhänge
nf.jpg nf.jpg (518x)

Mime-Type: image/jpeg, 63 kB

Noch gefällt der Beitrag keinem Nutzer.
!
!!! Fotos, Grafiken nur über die Upload-Option des Forums, KEINE FREMD-LINKS auf externe Fotos.    

!!! Keine Komplett-Schaltbilder, keine Fotos, keine Grafiken, auf denen Urheberrechte Anderer (auch WEB-Seiten oder Foren) liegen!
Solche Uploads werden wegen der Rechtslage kommentarlos gelöscht!

Keine Fotos, auf denen Personen erkennbar sind, ohne deren schriftliche Zustimmung.

Den Beitrag-Betreff bei Antworten auf Threads nicht verändern!
07.04.16 13:26
Pluspol 

500 und mehr Punkte

07.04.16 13:26
Pluspol 

500 und mehr Punkte

Re: NF Verstärker mit Motorboating beziehungweise schwingt

Hallo Bernhard

Meine erste und etwas logische Vermutung ist , dass der C306, 0.1µF leck ist und so einen ohmschen Widerstand besitzt. Damit wird die Basis von T302 bei einer bestimmten Tiefenreglerstellung übersteuert. Probiere den Wechsel und schau, ob der Fehler dann weg ist.

Freundliche Grüße von Dietmar

Zuletzt bearbeitet am 07.04.16 16:46

07.04.16 16:27
qw123 

500 und mehr Punkte

07.04.16 16:27
qw123 

500 und mehr Punkte

Re: NF Verstärker mit Motorboating beziehungweise schwingt

Hallo Bernhard,

BernhardWGF:
Steht die Tiefeneinstellung auf der höchsten Position (niedrigster R-Wert am Poti) fängt der Verstärker schon ab kleinster Lautstärke an zu oszillieren (motor boating).
niederfrequente Schwingungen, wie Du sie beschrieben hast, entstehen meist durch Rückkopplung über eine zu hochohmige Spannungsversorgung von NF-Stufen.
Bei höherer momentaner Aussteuerung ist der Stromverbrauch des Verstärkers höher, die Versorgungsspannung bricht (etwas) ein. Der Einbruch setzt sich phasenverschoben durch Siebglieder bis zu einer NF-Vorstufe fort und wird dann weiter verstärkt. Irgendwann ist bei einer meist sehr niedrigen Frequenz - in diesem Fall auch abhängig von der Lautstärkeeinstellung - die Oszillatorbedingung erfüllt und es kommt zu niederfrequenten Schwingungen.

Abhilfe (falls Ursache wie oben): Siebkondensatoren im NF-Teil nochmal überprüfen und gegebenenfalls ersetzen, z.B. C307. Frische Batterien oder stabiles Netzteil verwenden.

Gruß

Heinz

07.04.16 19:12
Volker 

500 und mehr Punkte

07.04.16 19:12
Volker 

500 und mehr Punkte

Re: NF Verstärker mit Motorboating beziehungweise schwingt

Hallo zusammen,

wie Heinz es sagt. Ich vermute auch die Siebelkos (C303, C307, C309), eventuell C308. R307 und R313 würde ich auch überprüfen.

07.04.16 20:39
BernhardWGF

nicht registriert

07.04.16 20:39
BernhardWGF

nicht registriert

Re: NF Verstärker mit Motorboating beziehungweise schwingt

Guten Abend,

die Elkos hatte ich auch schon im Visier. Die Kapazität und ESR der Alten sind sehr gut. Da ich aber das Problem auf Teufel komm raus nicht lösen konnten, hatte ich sie testweise gegen fabrikneue Elkos ausgetauscht. Manchmal passieren ja Wunder die nicht nachzuvollziehen sind. In diesem Fall leider nicht, der Fehler war immer noch da. Ich verstehe diese NF-Platine nicht, sie ist verhext, ich bin mit meinem Latein am Ende.

C306 war auf Sollkapazität deshalb blieb er drin, für Leckstrom habe ich kein Messgerät und damals auch keine Messchaltung aufgebaut. Ich muss mir mal ein Isolationsmessgerä mit stufenlos einstellbarer Prüfspannung kaufen. Ich behalte C306 im Auge. Kann es vielleicht auch ein Transistor sein der intern zu irgendwie zu Schwingungen neigt? GIbt es da ein Test für? Kältespray? Heißeluft? Bibel?

MIt freundlichen Grüßen
Bernhard

07.04.16 21:41
Volker 

500 und mehr Punkte

07.04.16 21:41
Volker 

500 und mehr Punkte

Re: NF Verstärker mit Motorboating beziehungweise schwingt

Hallo Bernhard,

ich würde mal alle Widerstände hinter der Klangregelung messen. Dazu brauchst du sie meistens nicht auslöten. Dann das Beta der 4 letzten Transitoren überprüfen und mit T302 beginnen. Hast du auch die Masseverbindungen überprüft? Eventuell die Schrauben anziehen. Wie hört sich das Motorboating an? Ist das ein Pumpen, Blubbern oder Kreischen. Du kannst ja stufenweise die Eingänge der Transistoren mit einem dicken Elko wechselstrommäßig kurzschließen und somit den Fehler einkreisen. Solche Fehler mag ich, da sie eine echte Herausforderung sind.

08.04.16 12:37
Antennow

nicht registriert

08.04.16 12:37
Antennow

nicht registriert

Re: NF Verstärker mit Motorboating beziehungweise schwingt

Hallo Bernhard,

wie verhält sich der Verstärker über den TA-Eingang ?

Bitte scanne mal den kompletten Schaltplan.

Gruß,

Rainer

08.04.16 13:03
BernhardWGF

nicht registriert

08.04.16 13:03
BernhardWGF

nicht registriert

Re: NF Verstärker mit Motorboating beziehungweise schwingt

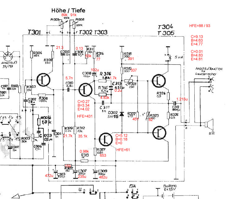
Guten Tag zusammen,

mir lässt der Verstärker keine Ruhe. Ich habe eine Frühschicht eingelegt und nochmals alles durchgemessen. Die Werte habe ich im Schaltplan notiert. Die HFE-Werte habe ich mit einem Transistortester und ausgelöteten Transistor gemessen. Ich schließe somit auch schlechte Lötstellen als Quelle aus. Das Signal liegt hinter T301 in jeder Lautstärke noch ohne Oszillation an. Die Oszillation, Schwingung oder Motorboating hört sich so an, wie in diesem Video ab Minute 1:38 gezeigt, vielleicht hilft es weiter.

https://www.youtube.com/watch?v=MDIuVFiV...p;nohtml5=False


Hallo Rainer, auch bei einem externen NF-Signal aus einem Generator gibt es ein Motorboating bei entsprechender Tiefenreglung und Lautstärke. Ich schließe daraus das es nur am NF-Verstärker liegen kann. Die Betriebsspannung ist in allen Fällen stabil und sauber.

Mit freundlichen Grüßen
Bernhard

Zuletzt bearbeitet am 08.04.16 13:07

Datei-Anhänge
nf 2.jpg nf 2.jpg (439x)

Mime-Type: image/jpeg, 124 kB

08.04.16 14:57
Martin.M 

500 und mehr Punkte

08.04.16 14:57
Martin.M 

500 und mehr Punkte

Re: NF Verstärker mit Motorboating beziehungweise schwingt

bitte mal einen 1000µF Elko (oder noch größer) parallel zu C309 löten und uns mitteilen ob das Schwingen dann anders - oder ganz weg ist.

lG Martin

08.04.16 15:29
qw123 

500 und mehr Punkte

08.04.16 15:29
qw123 

500 und mehr Punkte

Re: NF Verstärker mit Motorboating beziehungweise schwingt

Hallo Bernhard,

wenn absolut sichergestellt ist, daß C307 in Ordnung ist (korrekte Kapazität, niedriger ESR) und auch keine Verdrahtungsfehler vorliegen, muß man nach anderen Ursachen suchen als niederfrequente Selbsterregung. Zur Sicherheit könnte man nochmal eine große Kapazität z.B. 1000uF + 100nF keramisch provisorisch zu C307 parallell schalten. C309 - wie Martin schreibt - scheint mir weniger verdächtig.

Zu Deinem neuen Schaltbild:
Die gemessenen Spannungswerte scheinen mir größtenteils o.k.
Zwei Auffälligkeiten:
a) Kollektor T302 und Basis T303 sollten die gleiche Spannung haben. (Wahrscheinlich nur Meßfehler).
b) die Spannung zwischen Basis und Emitter T305 ist zu klein. Sie sollte bei etwa 150mV liegen. Sonst fließt hier kein Ruhestrom.
Der korrekte Wert sollte sich von selbst ergeben, wenn Du die Brücke oben rechts im Schaltbild auftrennst, ein mA-Meter anschließt und mit R321 einen Strom von 5mA einstellst.

Eine weitere Ursache könnte hochfrequente Selbsterregung sein. Auch in diesem Fall können sich niederfrequente Arbeitspunktverschiebungen ergeben, die wie "motorboating" wirken. HF-Schwingungen entstehen gern bei Verstärkern, bei denen wie bei Dir eine Gegenkopplung über mehrere Verstärker-Stufen geführt wird. Auf diese Ursache könnte auch die Feststellung schließen lassen, daß das 'motorboating' dann einsetzt, wenn man über den Tiefenregler die Impedanz zwischen Basis T302 und Masse verringert.

Zum Nachweis wäre ein Oszillograf das beste Mittel, ersatzweise eine HF-Tastspitze mit DVM (läßt sich leicht provisorisch selbstbauen).
Alternativ kann man versuchen, HF-Schwingungen 'gewaltsam' zu unterdrücken. Bei Dir z.B. :
a) C313 und C311 einseitig ablöten.
b) Auf 'motorboating' überprüfen. Eventuell genügt schon das Ablöten.
c) Eine Kapazität von ca. 3nF zwischen Kollektor und Basis T303 anbringen.
Diese letztere Maßnahme kann zu hörbarem Verlust an hohen Tönen führen.
Wenn es dann immer noch 'motorboatet', kann man jedenfalls HF-Schwingungen ausschließen.
Ist die Störung damit beseitigt, könnte man anschließend versuchen, durch schrittweise Verringerung der Kapazität zwischen Kollektor und Basis T303 einen brauchbaren NF-Frequenzgang wiederherzustellen. C313 und C311 sollten dann abgetrennt bleiben.

Gruß

Heinz

 1 2 3 4
 1 2 3 4
Batteriespannungs-Schwankungen   Arbeitspunktverschiebungen   Operationsverstärkerschaltung   Bernhard   Germaniumtransistoren   Arbeitspunkt-Spannungen   schwingt   Verstärker   Kapazitaetsmessgeraete   Kleinleistungs-Silizium-Transistor   Kleinleistungstransistoren   beziehungweise   Kolophonium-Flussmittelreste   Schwingungsunterdrückung   Motorboating   nebeneinanderliegenden   Spannungsteiler-Netzwerk   Batterie-Einspeispunkt   Transistorschaltungen   Gleichspannungs-Arbeitspunkte