| Passwort vergessen?
Sie sind nicht angemeldet. |  Anmelden

Sprache auswählen:

Wumpus Gollum Forum von
Wumpus Welt der (alten) Radios
Sie sind nicht angemeldet.
 Anmelden

Reparatur Philips BD 700 A22
  •  
 1 2 3
 1 2 3
18.05.12 19:59
AR-BD700 

0-49 Punkte

18.05.12 19:59
AR-BD700 

0-49 Punkte

Re: Reparatur Philips BD 700 A22

nobbyrad58:
Hallo AR BD700!

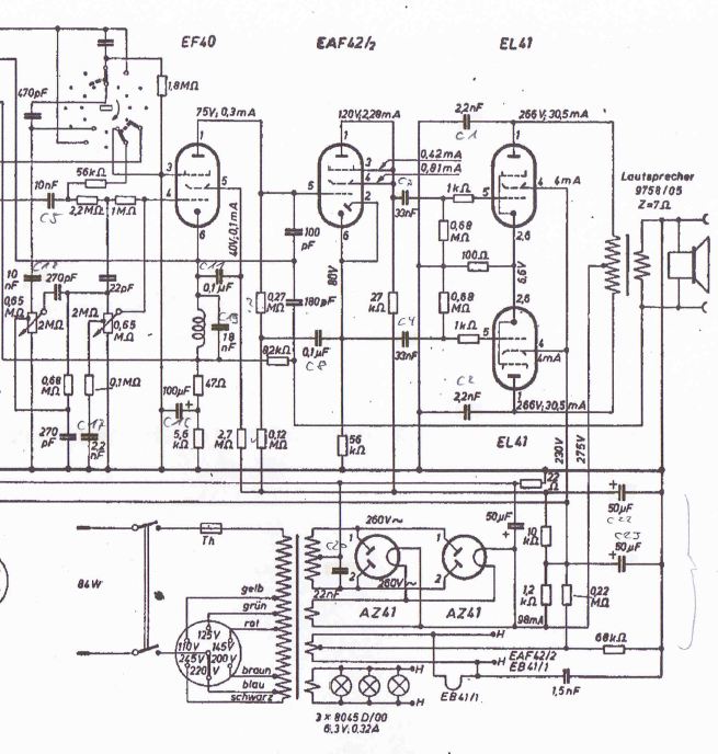
Es gibt noch eine Fehlermöglichkeit. Der 50 µF Elko hinter der zweiten AZ41, der Netzteilelko. Dieser darf nicht mit der Masse, Chassisoberfläche mit seinem Minuspol verbunden sein. Also - nicht direkt an Masse, der Grund ist die "halbautomtische" -g1 Erzeugung durch den zwischen Minuspol des Elkos und der Masse geschalteten 22Widerstand. Hier fallen ca. 2 V ab, die eine -g1 Spannung fur den AM Teil bereitstellt, die Leitung D. Wird diese -g1 Spannung nicht erzeugt, wird das Radio trotzdem auf AM funktionieren, aber eben nicht richtig. Bei der Erneuerung aller kritischen Kondensatoren kann so etwas mal vorkommen, ist mir auch schon passiert.

MFG Nobby


Hallo Nobby,

diesen Fehler kann ich ausschließen. Den habe ich nämlich schon gemacht und wieder behoben.
Ist schon witzig ....

Besten Dank.

LG
AR-BD700

!
!!! Fotos, Grafiken nur über die Upload-Option des Forums, KEINE FREMD-LINKS auf externe Fotos.    

!!! Keine Komplett-Schaltbilder, keine Fotos, keine Grafiken, auf denen Urheberrechte Anderer (auch WEB-Seiten oder Foren) liegen!
Solche Uploads werden wegen der Rechtslage kommentarlos gelöscht!

Keine Fotos, auf denen Personen erkennbar sind, ohne deren schriftliche Zustimmung.

Den Beitrag-Betreff bei Antworten auf Threads nicht verändern!
18.05.12 20:48
Wolle 

500 und mehr Punkte

18.05.12 20:48
Wolle 

500 und mehr Punkte

Re: Reparatur Philips BD 700 A22

Hallo AR-BD700

Zitat
so. meine Notiz im Schaltplan war vor dem Kondensatorenwechsel. Kathodenspannung an den Endröhren ist 5,5V.
Wenn ich die EF40 ziehe ist es herrlich ruhig

Daraus läßt sich ableiten, daß das Netzteil in Ordnung ist. Die Endstufe hat eine automatische Gitterspannungserzeugung, die aus dem Netzteil kommende negative Spannung wird im HF- Teil verwendet. Der Einwand von Matt (F/ K- Schluß der EF40) ist berechtigt, ansonsten bleibt ein Abschirmungsproblem. Ist das Brummen auch bei abgeregeltem Lautstärkeregler vorhanden? Was passiert, wenn das Gitter der EF40 direkt an Masse gelegt wird?

Mit vielen Grüßen.
Wolle

18.05.12 23:25
AR-BD700 

0-49 Punkte

18.05.12 23:25
AR-BD700 

0-49 Punkte

Re: Reparatur Philips BD 700 A22

Wolle:
Hallo AR-BD700

Zitat
so. meine Notiz im Schaltplan war vor dem Kondensatorenwechsel. Kathodenspannung an den Endröhren ist 5,5V.
Wenn ich die EF40 ziehe ist es herrlich ruhig

Daraus läßt sich ableiten, daß das Netzteil in Ordnung ist. Die Endstufe hat eine automatische Gitterspannungserzeugung, die aus dem Netzteil kommende negative Spannung wird im HF- Teil verwendet. Der Einwand von Matt (F/ K- Schluß der EF40) ist berechtigt, ansonsten bleibt ein Abschirmungsproblem. Ist das Brummen auch bei abgeregeltem Lautstärkeregler vorhanden? Was passiert, wenn das Gitter der EF40 direkt an Masse gelegt wird?

Mit vielen Grüßen.
Wolle


Hallo Wolle,

bei abgeregeltem Lautstärkepoti ist das Brummen auch zu hören. Beim Verbinden des Gitters mit dem Chassis, wird das Brummen
etwas weniger.

Viele Grüße
AR-BD700

19.05.12 11:40
nobbyrad58 

500 und mehr Punkte

19.05.12 11:40
nobbyrad58 

500 und mehr Punkte

Re: Reparatur Philips BD 700 A22

Hallo AR-BD700

Bei der Betrachtung des Schaltbildes fällt mir auf das die richtige U -g1 für die beiden EL41 6,6 V ist. Bei Dir sind es nur 5,5V, das macht schon viel aus. Eine Brummkompensation erfolgt auch über den Mittenanzapf der Heizwicklung EB41 EAF42. Ich tippe erst mal auf eine Brummeinstreuung über die Katode der EF40, die ist auch mit einer Gegenkopplung von der sek. AÜ verbunden. Zum Glück hast Du ein Schaltbild, so kann man sich planvoll durcharbeiten.

MFG Nobby

19.05.12 19:49
AR-BD700 

0-49 Punkte

19.05.12 19:49
AR-BD700 

0-49 Punkte

Re: Reparatur Philips BD 700 A22

So, Update:

Die EF40 war es nicht.

@Nobby: Wenn ich die EAF 42 neben der EF40 ziehe, brummt es nicht mehr. Macht es Sinn, diese zu ersetzen? Die EB41 sind beide neu.

Beim Messen der Strohmaufnahme an der Netzleitung habe ich 0,5 A gemessen. Ist das nicht ein bisschen viel? Im Schaltplan steht 82W. Möhlicherweise sind die AZ41 schuld?

Kann mann die AZ41 eigentlich provisorisch gegen zB. einen Brückengleichrichter ersetzen, um diese als Fehlerquelle
auszuschließen?

LG
AR-BD700

23.05.12 21:54
AR-BD700 

0-49 Punkte

23.05.12 21:54
AR-BD700 

0-49 Punkte

Re: Reparatur Philips BD 700 A22

Hallo zusammen.

Ich glaube, ich bin dem Fehler auf den Versen.

Wenn ich den 27K Widerstand von der EAF42/2 ablöte, ist das Brummen weg.
Daraufhin habe ich noch mal Spannungen und Ströme gemessen.

Die Annodenspannung bei eingelötetem Widerstand an der EAF42/2 beträgt 160 V, der Strom beträgt 17mA.
An beiden EL41 messe ich 255V/20mA und unten im Netzteil am 1,2K Widerstand nur 19mA statt 98mA.

Kann es sein, dass der Gleichrichter defekt ist? Wenn ja, warum liegen dann an der Anode von der EAF42 17mA
statt 2,28mA an?

Zuletzt bearbeitet am 23.05.12 21:58

Datei-Anhänge
eaf42.JPG eaf42.JPG (314x)

Mime-Type: image/jpeg, 95 kB

24.05.12 17:51
nobbyrad58 

500 und mehr Punkte

24.05.12 17:51
nobbyrad58 

500 und mehr Punkte

Re: Reparatur Philips BD 700 A22

Hallo AR-BD700

Die EF40 und die EAF42 sind direkt ohne C gekoppelt. Die EAF42 ist als Phasensplitter Triode geschaltet. Kurz gesagt die hochgelegte Katode der EAF42 hat 80 V und die Anode der EF40 75 V. Nur wenn diese beiden Spannungen ziemlich genau stimmen wird die Schaltung richtig funktionieren. Am besten wäre ohne die EAF42 das Netzteil in Ordnung bringen. Es fehlen ja 40 V! Die müssen erst mal her. Also die beiden AZ 41 ersetzten, probehalber mit Si - Dioden und R in Serie eine Ersatzschaltung bauen. Es könnte ja auch ein Fehler im Netztrafo oder AÜ sein.
PS: Hatte statt 255 V an den EL41 225 V in der Eile gelesen. Es sind nur 10 V die fehlen. Der größte Fehler wird die falsche -g1 der EAF42 sein, nur wenn die 5 V Differenz die ja die -g1 der EAF42 sind da ist kann die Schaltung arbeiten.

MFG Nobby

Zuletzt bearbeitet am 25.05.12 07:00

25.05.12 08:47
ingodergute 

Moderator

25.05.12 08:47
ingodergute 

Moderator

Re: Reparatur Philips BD 700 A22

Hallo AR-BD700,

AR-BD700:
Was mir dabei aber aufgefallen ist, ist dass wenn ich das Chassis erde, das Brummen ca.
1/3 weniger wird. Das sieht so aus, als ob eine Erdung ursprünglich nicht vorgesehen war. (Kein Schutzleiter angeschlossen)

das hört sich ein wenig nach Brummeinstreuung aus der Umgebung an. Steht das Chassis - unten offen - auf dem Arbeitstisch? Wenn ja, was passiert, wenn eine Abschirmung unter das Chassis kommt (z.B. Blech oder Alufolie plus (Sicherheits-)Isolation an Masse).

Über den Spannungsteiler 220 k / 68 k ist die Heizungsmitte auf eine Gleichsspannung von
68k/(220k+68k)*230V=54V vorgespannt. Die Ursache ist wohl die hochliegende Katode der EAF42. Hier solltest Du mal die Gleichspannung kontrollieren. Weicht sie von der berechneten erheblich ab, so könnte in einer der Röhren Katoden-/Heizfadenschluss vorliegen - evtl. durch einen defekten Widerstand des Spannungsteilers 220 k / 68 k hervorgerufen.

Gruß Ingo.

_____________
Analog bleiben!

Zuletzt bearbeitet am 25.05.12 08:49

30.05.12 19:56
AR-BD700 

0-49 Punkte

30.05.12 19:56
AR-BD700 

0-49 Punkte

Re: Reparatur Philips BD 700 A22

Hallo ingodergute.

Danke für die Info.

Das Gerät steht auf dem Kopf. Nach oben ist es offen.
Ein Abschirmblech ändert nichts.

Am Spannungsteiler messe ich 50V. Scheint also i.O.

Ich habe jetzt aber festgestellt, dass bei voll aufgedrehtem Lautstärkeregeler, das Brummen weniger wird.
Ist evtl das Poti defekt, oder kommt das Brummen aus der Tonstufe?

LG
AR-BD700

30.05.12 23:07
nobbyrad58 

500 und mehr Punkte

30.05.12 23:07
nobbyrad58 

500 und mehr Punkte

Re: Reparatur Philips BD 700 A22

Hallo AR-BD700

Hört sich nach einer Brummschleife an. Die Masseverbindungen überprüfen auch die Widerstände mal messen und ob die -g1 der EF40 sich mit dem LS Poti verändert. Auch die Klangregler und deren Netzwerk prüfen.

MFG Nobby

 1 2 3
 1 2 3
Gleichrichterröhren   Fehlermöglichkeit   Kondensatorenwechsel   Brummkompensation   Brückengleichrichter   Gitterspannungserzeugung   Chassisoberfläche   Brummen   Negativspannungen   Katodenkombination   Masseverbindungen   Kompensationsnetzerk   Reparatur   Betriebsspannungen   Schutzleiteranschluss   Kathodenspannung   Lautstärkeregler   Abschirmungsproblem   AR-BD700   Philips