| Passwort vergessen?
Sie sind nicht angemeldet. |  Anmelden

Sprache auswählen:

Wumpus Gollum Forum von
Wumpus Welt der (alten) Radios
Sie sind nicht angemeldet.
 Anmelden

Saba 455 WK - Schwierigkeiten beim Abgleich / Trafo tot und ersetzt / weiterer Fortschritt
  •  
 1 2 3 4
 1 2 3 4
09.07.13 20:42
olli031971 

500 und mehr Punkte

09.07.13 20:42
olli031971 

500 und mehr Punkte

Re: Saba 455 WK - Es ist zum Heulen

Grrr

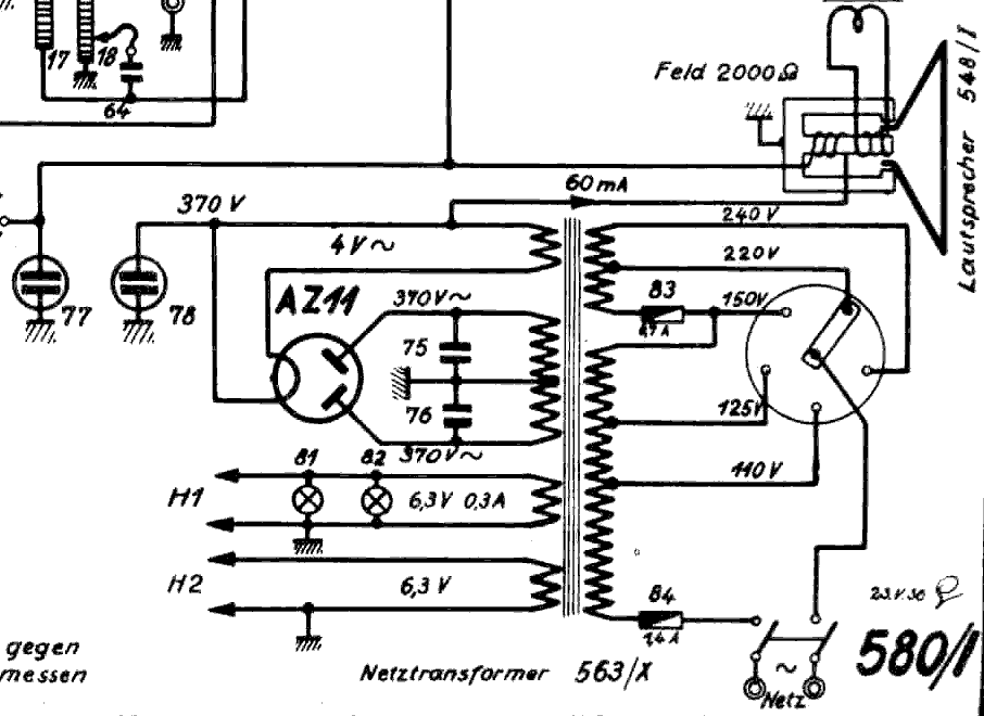
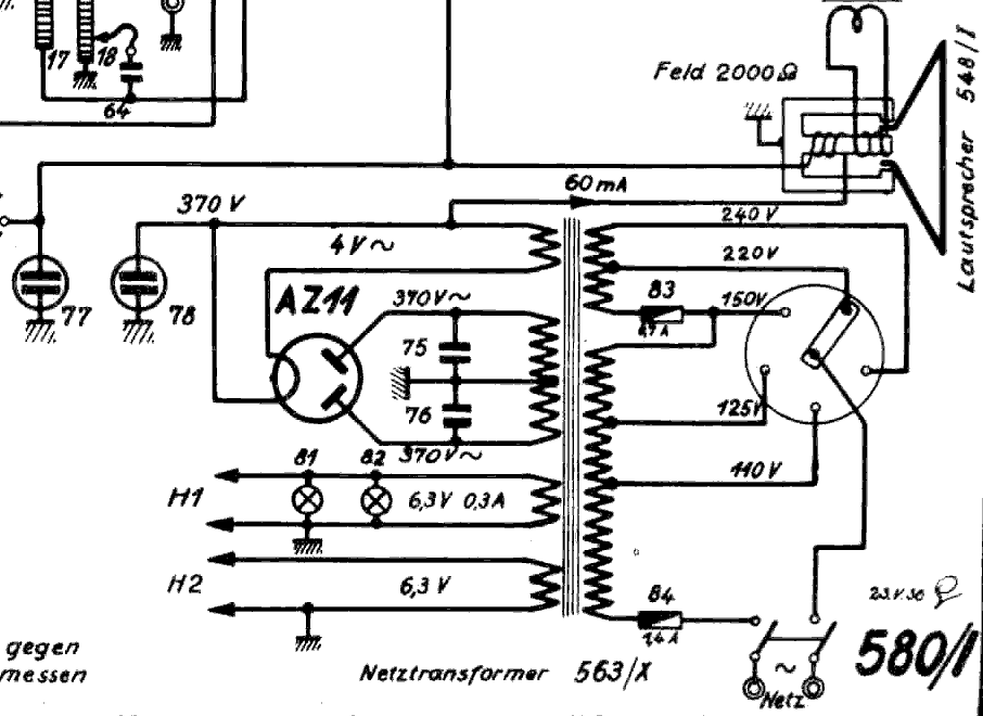
Jetzt hab ich das Ding am Laufen - alle C's sind neu befüllt und eine EFM11 wurde besorgt. Das Ding hat nun auch schon einige Stunden Probebetrieb hinter sich gehabt als heute bzzz plöpp die Feinsicherung ansprach.
Nichts gutes Ahnend hab ich mal alle Röhren gezogen und über Stelltrafo unter Beobachtung der Stromaufnahme die Spannung langsam aufgedreht.
150 mA bei 30 V Eingang Netzseitig. Also fast Kurzschluss.

Dann noch die beiden Spannungen der Anodenspannungswicklungen gemessen. 1x50 V 1x20 V gegen Masse (bei 30 V Netzeingang).
Als allerletzte Hoffnung noch den beiden Entstör C's an der Wicklungshälfte mit gemessenen 20V abgelötet und den Draht von der Fassung abgelötet.
Keine Änderung.

RIP



Wenn jetzt hier jemand schreit - hey ich hab nen Schrottchassis oder einen Trafo wäre das Klasse. Ansonsten wird das Teil geschlachtet.

Hrmpf

Oliver

!
!!! Fotos, Grafiken nur über die Upload-Option des Forums, KEINE FREMD-LINKS auf externe Fotos.    

!!! Keine Komplett-Schaltbilder, keine Fotos, keine Grafiken, auf denen Urheberrechte Anderer (auch WEB-Seiten oder Foren) liegen!
Solche Uploads werden wegen der Rechtslage kommentarlos gelöscht!

Keine Fotos, auf denen Personen erkennbar sind, ohne deren schriftliche Zustimmung.

Den Beitrag-Betreff bei Antworten auf Threads nicht verändern!
09.07.13 22:02
Volker 

500 und mehr Punkte

09.07.13 22:02
Volker 

500 und mehr Punkte

Re: Saba 455 WK - Schwierigkeiten beim Abgleich

Hallo Oliver,

ich kann mir vorstellen, wie es dir ergangen ist. Aber bitte bitte nicht das schöne Radio schlachten. Es hat nämlich eine markante Form. Leider habe ich keinen Trafo, aber diese lassen sich früher oder später immer auftreiben. Ich habe schon zwei Netztrafos und einen 2 NF-Trafos gewechselt, darunter der kleine NF-Übertrager im Volksempfänger. Zum Wechseln der Netztrafos musste ich nur ein paar Löcher ins Chassis bohren. Wenn du keinen für die AZ11 findest, dann lege sie still und verwende einen Brückengleichrichter. Hauptsache das Radio spielt wieder.

Ich kann mir folgendes Provisorium vorstellen. Besorge dir einen dicken 6 Volt-Trafo für die Heizspannung und dann zwei kleine identische Netztrafos und schalte sie hintereinander, also z.B. 230 V - 12 V - 12 V - 230 V und schon hast du deine galvanisch getrennte Anodenspannung. Andere Kombinationen sind denkbar. Sieht zwar nicht original aus, aber das Radio spielt und du kannst dir Zeit lassen einen passenden Trafo zu finden oder den defekten in Ruhe neu wickeln.

Im Hintergrund dudelt tapfer mein Concerton V443 von 1942. Bei diesem war der Netztrafo und der NF-Trafo defekt. Eigentlich ein Totalschaden. Aber aufgeben wollte ich nicht. Unter http://elektronikbasteln.pl7.de/restauri...ujahr-1942.html gibt es Bilder von vor und nach dem Austausch der beiden Trafos.

Zuletzt bearbeitet am 09.07.13 22:02

09.07.13 22:12
henrikradio 

50-99 Punkte

09.07.13 22:12
henrikradio 

50-99 Punkte

Re: Saba 455 WK - Schwierigkeiten beim Abgleich

Hallo,
vielleicht können die im Sabaforum noch Tipps geben:
http:// saba.magnetofon.de/index.php
Gruß, Henrik

10.07.13 00:26
qw123 

500 und mehr Punkte

10.07.13 00:26
qw123 

500 und mehr Punkte

Re: Saba 455 WK - Schwierigkeiten beim Abgleich

Hallo Oliver,

olli031971:
Dann noch die beiden Spannungen der Anodenspannungswicklungen gemessen. 1x50 V 1x20 V gegen Masse (bei 30 V Netzeingang).
scheint ein klassischer Fall von Windungsschluß zu sein.
olli031971:
Ansonsten wird das Teil geschlachtet.
"Schlachten" würde ich das Radio auf keinen Fall. Besonders, da Du schon einiges an Arbeit hineingesteckt hast.
Mit seinem seltenen Bandfilter-Eingang gehörte es seinerzeit in die gehobenere Klasse. Da würde sich bestimmt auch ein Liebhaber für das defekte Gerät finden.
Aber eine Reparatur ist weder besonders teuer noch besonders schwierig.
olli031971:
Wenn jetzt hier jemand schreit - hey ich hab nen Schrottchassis oder einen Trafo wäre das Klasse.
Ich habe zwar keinen Trafo, kenne aber jemanden, der so viele davon hat, daß er sie verkauft. Er heißt Jan Wüsten und ist unter diesem Namen im Internet zu finden.
Der Trafo, den er unter der Bezeichnung TRA200 anbietet kostet ca. 30 Euro incl. Versand und würde für Dein Radio gerade passen, elektrisch auf jeden Fall und wahrscheinlich auch mechanisch (Abm: 66mm*82mm*58mm, Kernpaketdicke 26mm).

Allerdings wäre es eine Reparatur und keine Restaurierung. Der Trafo hat nur eine Anoden-Sekundärwicklung von 230+20VAC. Auf die AZ1 müßtest Du also verzichten und sie durch eine Si-Gleichrichterbrücke ersetzen. Dann passt auch die erhöhte Betriebsspannung, die das Gerät zum Betrieb der Lautsprecher-Erregerwicklung braucht.

Gruß

Heinz

10.07.13 08:01
wumpus 

Administrator

10.07.13 08:01
wumpus 

Administrator

Re: Saba 455 WK - Schwierigkeiten beim Abgleich

Hallo zusammen,

wird vielleicht der Netztrafo sein, aber 100 % ist dieses Bauteil meiner Ansicht nach noch nicht als Fehlerquelle ausgemacht. Was passiert mit der Sicherung, wenn alle Sekundärleitungen des Netztrafos abgelötet werden und Netzspannung zugeführt wird?



Gruß von Haus zu Haus
Rainer (Forumbetreiber)

10.07.13 08:53
Radiosammler2 

50-99 Punkte

10.07.13 08:53
Radiosammler2 

50-99 Punkte

Re: Saba 455 WK - Schwierigkeiten beim Abgleich

Hallo!
Ich hätte einen Trafo vom 582WK.
MfG Radiosammler

10.07.13 09:00
Volker 

500 und mehr Punkte

10.07.13 09:00
Volker 

500 und mehr Punkte

Re: Saba 455 WK - Schwierigkeiten beim Abgleich

Hallo zusammen,

ganz sicher kann man natürlich nur sein, wenn man Rainers Vorschlag befolgt.

Da ich schon so viel Pech mit Netztrafos hatte, käme bei einem zukünftigen Netztrafodefekt für mich sogar der Umbau des Netzteils ohne galvanische Trennung in Frage, wenn die Beschaffungsschwierigkeiten unüberwindbar sind. Das heißt, die Heizspannung stammt aus einem Netztrafo, und die Anodenspannung wird durch die Gleichrichtung der Netzspannung erzeugt. Das bedeutet aber weitere Umbauarbeiten hinsichtlich der elektrischen Sicherheit und des Berührungsschutzes, da ja die volle Netzspannung auf dem Chassis liegen kann. Ganz wohl ist mir allerdings bei diesem Vorschlag nicht. Abgesehen von der elektrischen Sicherheit ist es ein Notlösung und nicht im Sinne einer Reparatur, die dem Originalzustand möglichst nahe kommen sollte. Aber ein funktionierendes Radio ist mir immer noch lieber als ein defektes Radio.

Deshalb ist mir der Vorschlag von Heinz lieber einen passenden Netztrafo einzubauen. Der Preis und zeitliche Aufwand wird ungefähr der gleiche sein. Mit den Jahren werden die alten Netztrafos immer anfälliger. Der Bau einer Wickelmaschine wird immer interessanter.

Nach meiner Erfahrung dauert es, bis diese alten Radios wieder eine Alltagstauglichkeit erhalten. Neulich musste ich bei einem Radio nach 3 Monaten Betrieb ein Skalenseil wechseln, was mich drei Stunden Arbeit gekostet hatte. Bei einem anderen Radio zeigte sich nach zwei Monaten ein Wackelkontakt am Wellenschalter, der erneut gereinigt werden musste. Aber das gehört ja zum Hobby. Mit der Zeit kann man fast jedes Problem lösen.

Zuletzt bearbeitet am 10.07.13 09:10

10.07.13 15:51
nobbyrad58 

500 und mehr Punkte

10.07.13 15:51
nobbyrad58 

500 und mehr Punkte

Re: Saba 455 WK - Schwierigkeiten beim Abgleich

Hallo an Alle!

Den J. W. Trafo, den gibt es auch bei anderen Anbietern kann ich nur empfehlen. Preiswert und man braucht keinen Vorwiderstand bei einer Siliziumbrücke weil sek. 230 V sind. Dann warten ob was passendes sich findet.
Oder die teure Neu-Lösung wäre ein passender Trafo mit 2 sek. Wicklungen und 5 V Heizwicklung für G Röhren wie sie im Musikerbereich verkauft werden. Diese werden aber überdimensioniert sein.

MFG Nobby

10.07.13 18:53
olli031971 

500 und mehr Punkte

10.07.13 18:53
olli031971 

500 und mehr Punkte

Re: Saba 455 WK - Schwierigkeiten beim Abgleich

Hallo ihr,

das ist wirklich **** . Naja - das ist für mich der erste Trafo, der hinüber ist. Bisher bin ich davon verschont geblieben.


@Volker
Ich habe deinen Bericht damals verfolgt. Da hast du wirlich ne Menge wieder repariert und letztlich läuft es wieder. Hier möchte ich allerdings das Gerät möglichst orginal wieder herrichten. Gerade das schicke Netzteil mit der AZ11 oben drauf ist eigentlich zu schade, um es durch eine SI-Brücke zu ersetzen (Finde ich zumindest).
Ein Umbau auf Allstrom möchte ich aus gleichem Grund nicht vornehmen (Ist mir auch zu windig). Zumal ich denke, dass die Spannung dann nicht ausreicht, weil hier noch ein dynamischer LS versorgt werden will.

@Henrik:
Im Sabaforum schau ich hin und wieder mal rein. Ich musste allerdings sehen, dass dort nicht mehr sehr viel los ist.

@Heinz
Wie oben bereits angedeutet. Ich möchte lieber Orginalzustand - da warte ich lieber, bis ich was bekomme, was passt und inkl. AZ wieder auf dem Chassis platz nehmen kann. Oder ich geb das Ding komplett weg.

@Rainer
Ich habe das mal gemacht - dabei habe ich noch Leitungen an der EFM11 gefunden, die ich vorher nicht gesehen habe. Leider hat das nix gebracht. Ich versorge den Trafo über einen Stelltrafo so mit ca. 30 V. Dabei hatte ich kurz den Zustand, dass die Stromaufnahme bei leichtem Klopfen an den Trafo deutlich gesunken ist. Zugleich war die Anodenspannungswicklung die ich mit 20V gemessen hatte auf über 40 V. Das war nach ein paar Minuten aber wieder vorbei.

@Radiosammler
Hört sich ja ganz gut an. Ich habe nur kein Schaltbild vom 582WK worauf ich erkennen kann, ob der Trafo die benötigten Wicklungen hat. Wenn ich versuche mal, ob ich eines bekomme und prüfe das. Hier schonmal das Bild von meinem Gerät:


@Norbert
Ist schon gut zu wissen, dass es für einige Geräte Trafos zu kaufen gibt. Für den Fall hier kommt für mich nur eine Lösung mit AZ in Frage.


@Alle
Ich war gestern echt gefrustet und bin wirklich am Überlegen, wieviel ich noch investieren soll. Wenn ich sehe, das einigermaßen brauchbare Geräte dieser Reihe für ca. 60 EURO über den Tisch gehen und mein Gerät vom Zustand her 3- ist weiß ich wirklich nicht, ob sich das für mich lohnt.

Wie ist denn eure Meinung dazu ?

Gruß
Oliver

Edit: Foto vom Trafo mit Abmessungen angefügt

Zuletzt bearbeitet am 10.07.13 21:40

Datei-Anhänge
455wk_Trafo.png 455wk_Trafo.png (372x)

Mime-Type: image/png, 36 kB

IMG_8639_verändert.JPG IMG_8639_verändert.JPG (380x)

Mime-Type: image/jpeg, 147 kB

10.07.13 20:01
Radiosammler2 

50-99 Punkte

10.07.13 20:01
Radiosammler2 

50-99 Punkte

Re: Saba 455 WK - Schwierigkeiten beim Abgleich

Hallo!
Der Trafo sollte passen. Die Gleichrichterröhre ist zwar eine AZ12, aber das stört nicht weiter. Die Maße sind 9,00x7,20 cm (Schrauben).
MfG Radiosammler

 1 2 3 4
 1 2 3 4
Empfindlichkeitseinbuße   Oszillatorfrequenz   Kapazität   Anodenspannungswicklung   Beschaffungsschwierigkeiten   Verkürzungskondensatoren   durcheinandergebracht   Anodenspannungswicklungen   Skalenzeigerstellung   Verkürzungskondensator   Spannungswählerplatte   Anoden-Sekundärwicklung   Röhrchenkondensatoren   Lautsprecher-Erregerwicklung   Eingangskreisabgleich   Radiosammler   Si-Gleichrichterbrücke   Glimmerkondensatoren   Schwierigkeiten   Abgleich