| Passwort vergessen?
Sie sind nicht angemeldet. |  Anmelden

Sprache auswählen:

Wumpus Gollum Forum von
Wumpus Welt der (alten) Radios

Magisches Auge ohne Funktion bei Loewe Opta
  •  
 1 2 3 4 5
 1 2 3 4 5
30.03.14 18:43
wumpus 

Administrator

30.03.14 18:43
wumpus 

Administrator

Re: Magisches Auge ohne Funktion bei Loewe Opta

Hallo Harry,

nach Kenntnisnahme des Teilschaltbildes: Ist nicht die UKW-Ratiospannungszuführung über R37, R19, R38 auch ohne Schaltungsänderung sichergestellt? Diese Leitung vom Ratioelko zum Steuergitter des MA steht doch generell? Hätte aber gern gesehen, wie die AM-Strecke der EABC80 eingebunden ist.

Die Leitung über R17 scheint mir nicht regelspannungsverantwortlich für das MA zu sein.



Gruß von Haus zu Haus
Rainer (Forumbetreiber)

!
!!! Fotos, Grafiken nur über die Upload-Option des Forums, KEINE FREMD-LINKS auf externe Fotos.    

!!! Keine Komplett-Schaltbilder, keine Fotos, keine Grafiken, auf denen Urheberrechte Anderer (auch WEB-Seiten oder Foren) liegen!
Solche Uploads werden wegen der Rechtslage kommentarlos gelöscht!

Keine Fotos, auf denen Personen erkennbar sind, ohne deren schriftliche Zustimmung.

Den Beitrag-Betreff bei Antworten auf Threads nicht verändern!
30.03.14 19:20
puntomane 

500 und mehr Punkte

30.03.14 19:20
puntomane 

500 und mehr Punkte

Re: Magisches Auge ohne Funktion bei Loewe Opta

Hallo Rainer,

danke dir für deinen Einwand, genau so wie du es beschrieben hast, ist der Spannungsweg bei UKW. Ich werde meinen zuvor geschriebenen Beitrag ändern.
Ich habe mich vom Ratiospannungsweg des Bella Luxus 2711 leiten lassen, dort ist es R23 der die Ratiospannung in die NF-Signalspannung einkoppelt um Sie dann über U 4 zum MA zu leiten.

30.03.14 19:29
puntomane 

500 und mehr Punkte

30.03.14 19:29
puntomane 

500 und mehr Punkte

Re: Magisches Auge ohne Funktion bei Loewe Opta

Hallo Nobby,
ich habe meinen zuvor gesendeten Beitrag abgeändert, der von mir beschriebener Spannungsweg war falsch.

Ist es aber nicht auch so, das die Zuführung der Ratiospannung zum Bremsgitter der letzten ZF Röhre zur notwendigen Begrenzung des ZF-Signals dient ?

30.03.14 21:35
Irodin 

500 und mehr Punkte

30.03.14 21:35
Irodin 

500 und mehr Punkte

Re: Magisches Auge ohne Funktion bei Loewe Opta

Hallo zusammen,

ihr seht mich gerade etwas verwirrt, ich kann eurer Diskussion nicht mehr folgen...

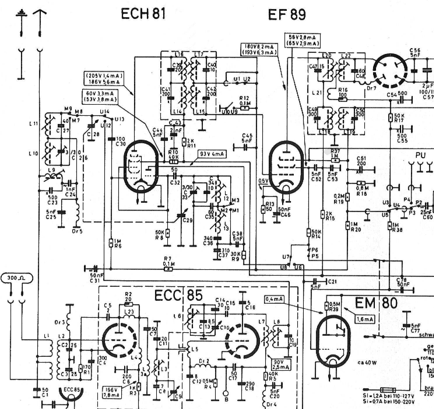
"wumpus":
Hätte aber gern gesehen, wie die AM-Strecke der EABC80 eingebunden ist.
Dein Wunsch sei mir Befehl



Gerne kann ich auch den gesamten Schaltplan zur Verfügung stellen -> PN

Zuletzt bearbeitet am 30.03.14 21:35

Datei-Anhänge
Opta Bella 1700W.jpg Opta Bella 1700W.jpg (485x)

Mime-Type: image/jpeg, 429 kB

30.03.14 21:55
nobbyrad58 

500 und mehr Punkte

30.03.14 21:55
nobbyrad58 

500 und mehr Punkte

Re: Magisches Auge ohne Funktion bei Loewe Opta

Hallo Harry!

Genau so sieht es aus. Oft wird das Schirmgitter wegen des viel größeren Durchgriffs verwendet, hier aber das Bremsgitter zusätzlich, wohl wegen der neg. Ratio(regel)spannung. Bei der Schirmgitterbegrenzer für die AM Unterdrückung, die hier auch angewendet wird, eine feste, niedrigere Spannung als bei AM verwendet. Ein Teil wird auch als -g1 Regelspannung für die 1 und 2 FM ZF Stufe verwendet. In diesen Regelstrecken wird wohl der Fehler sein.

MFG Nobby

31.03.14 11:03
wumpus 

Administrator

31.03.14 11:03
wumpus 

Administrator

Re: Magisches Auge ohne Funktion bei Loewe Opta

Hallo Werner,

um auf Deinen Fehler zurück zu kommen (nach Kenntnisnahme des Teilschaltbildes):

Der Ratio-Elko könnte Kapazitätsverlust haben. Also der C57 mit 2 F. R37 könnte hochohmig geworden sein. R19 oder R38 eher nicht, weil der MW-Ausschlag des MA ja funktioniert.



Gruß von Haus zu Haus
Rainer (Forumbetreiber)

31.03.14 16:50
Irodin 

500 und mehr Punkte

31.03.14 16:50
Irodin 

500 und mehr Punkte

Re: Magisches Auge ohne Funktion bei Loewe Opta

Hallo Rainer,

C57 ist neu, ElKo 2,2µF (gemessen: 2,4 µF) liegt auch mit dem Massebeinchen auf Masse.
Leider gibt der Schaltplan hier keine eindeutige Auskunft, die Qualität ist dafür zu schlecht. Laut Schaltplan wäre das ein normaler Kondensator und kein ElKo?
R37 liegt mit 0,99 MOhm im grünen Bereich.

C46 an der Kathode der EF89 ist auch ein ElKo der mit Masse auf derselben liegt. Stimmt das? Ich hatte mal einen Grundig auf dem Tisch wo zwei Elkos der Kathode mit + auf Masse lagen (ich habs wie gewohnt eingebaut also Masse auf Masse und mich dann gewundert warums nicht funktioniert)

31.03.14 17:26
wumpus 

Administrator

31.03.14 17:26
wumpus 

Administrator

Re: Magisches Auge ohne Funktion bei Loewe Opta

Hallo Werner,
schicke doch bitte den Komplettschaltplan per PN an mich. Beim Elko ist immer das Gehäuse Minus.

Nachdem ich das Schaltbild habe, kann ich Dir mehr sagen. Kannst Du schonmal eine 9 Volt-Batterie und Drähte dafür bereitlegen?




Gruß von Haus zu Haus
Rainer (Forumbetreiber)

31.03.14 19:30
wumpus 

Administrator

31.03.14 19:30
wumpus 

Administrator

Re: Magisches Auge ohne Funktion bei Loewe Opta

Irodin:
Hallo Rainer,

C57 ist neu, ElKo 2,2µF (gemessen: 2,4 µF) liegt auch mit dem Massebeinchen auf Masse.
Leider gibt der Schaltplan hier keine eindeutige Auskunft, die Qualität ist dafür zu schlecht. Laut Schaltplan wäre das ein normaler Kondensator und kein ElKo?
R37 liegt mit 0,99 MOhm im grünen Bereich.

C46 an der Kathode der EF89 ist auch ein ElKo der mit Masse auf derselben liegt. Stimmt das? Ich hatte mal einen Grundig auf dem Tisch wo zwei Elkos der Kathode mit + auf Masse lagen (ich habs wie gewohnt eingebaut also Masse auf Masse und mich dann gewundert warums nicht funktioniert)

Hallo Werner,

der 2 F Elko C57 darf NICHT mit der Aussenseite (-) an Masse liegen, sondern umgekehrt! Denn er soll eine negative Regelspannung gegenueber Masse aufbauen.

Beste Gruesse
Rainer

31.03.14 19:44
Irodin 

500 und mehr Punkte

31.03.14 19:44
Irodin 

500 und mehr Punkte

Re: Magisches Auge ohne Funktion bei Loewe Opta

Hallo Rainer,

danke für den Hinweis, ich werde das gleich beheben.
Gilt dasselbe auch für C46? Ich denke schon, dann wäre der nämlich auch verkehrt herum.

 1 2 3 4 5
 1 2 3 4 5
Schraubenzieherklinge   funktioniert   Abstimmanzeigeröhre   Traditionsunternehmen   Forumbetreiber   UKW-Ratiospannungszuführung   Bandbreiten-Symmetrie   Funktion   Steuerspannungs-Erzeugung   Spannungsunterschied   AM-Gleichrichter-Teil   Ratiospannung   Rufnummerübertragung   welt-der-alten-radios   Schaltbildabweichungen   UKW-Ratiodetektorkreises   regelspannungsverantwortlich   Ausschlag   Magisches   Schirmgitterbegrenzer