| Passwort vergessen?
Sie sind nicht angemeldet. |  Anmelden

Sprache auswählen:

Wumpus Gollum Forum von
Wumpus Welt der (alten) Radios
Sie sind nicht angemeldet.
 Anmelden

Magisches Auge ohne Funktion bei Loewe Opta
  •  
 1 2 3 4 5
 1 2 3 4 5
29.03.14 20:31
Irodin 

500 und mehr Punkte

29.03.14 20:31
Irodin 

500 und mehr Punkte

Magisches Auge ohne Funktion bei Loewe Opta

Hallo zusammen,

bei einem Loewe Opta Bella Luxus 1700W funktioniert das Magische Auge EM80 im UKW Bereich nur mit sehr geringem Ausschlag. Etwa ±1mm insgesamt. Im AM Bereich funktioniert sie mit brauchbarem Ausschlag fast über die gesamt Leuchtfläche.
Die ursprüngliche Röhre war verschlissen, so dass ich nicht sagen kann ob es vor dem Tausch der Kondensatoren funktioniert hat.
Aktuell ist ein Russischer Nachbau verbaut, aber auch mit einer noch brauchbaren originalen Valvo aus meinem Fundus das selbe Problem.

Meines Erachtens ist der UKW Empfang etwas dürftig, meine Carmen empfängt bei gleichen Bedingungen etwas mehr Sender. Vielleicht liegt das aber auch an dem damaligen Anschaffungspreis der Geräte dass die Empfangsteile unterschiedlicher Qualität sind?

Die in der Verdacht kommenden Bauteile habe ich schon alle getauscht jedoch ohne Ergebnis. Laut Schaltplan müsste eigentlich gar nichts gehen, also kein UKW Empfang und kein Ausschlag.

Zuletzt bearbeitet am 29.03.14 23:15

regency gefällt der Beitrag.
!
!!! Fotos, Grafiken nur über die Upload-Option des Forums, KEINE FREMD-LINKS auf externe Fotos.    

!!! Keine Komplett-Schaltbilder, keine Fotos, keine Grafiken, auf denen Urheberrechte Anderer (auch WEB-Seiten oder Foren) liegen!
Solche Uploads werden wegen der Rechtslage kommentarlos gelöscht!

Keine Fotos, auf denen Personen erkennbar sind, ohne deren schriftliche Zustimmung.

Den Beitrag-Betreff bei Antworten auf Threads nicht verändern!
29.03.14 23:05
puntomane 

500 und mehr Punkte

29.03.14 23:05
puntomane 

500 und mehr Punkte

Re: Magisches Auge ohne Funktion bei Löwe Opta

Hallo Werner,
mit Löwe meinst du bestimmt das Traditionsunternehmen Loewe.
I.d.R. ist der Ausschlag des MA proportinal zur Höhe der Ratiospannung, natürlich auch in der Abhängigkeit der funktionalen Beschaltung. Grundlegend ist die Frage nach der Höhe der Ratiospannung. Beim Ortssender Empfang bedeuten ca. 20 V (+/-5 V) Ratiospannung = Vollausschlag des MA.

29.03.14 23:18
Irodin 

500 und mehr Punkte

29.03.14 23:18
Irodin 

500 und mehr Punkte

Re: Magisches Auge ohne Funktion bei Loewe Opta

Hallo Harry,

du hast Recht, damit war Loewe gemeint, habe es auch schon korrigiert.

Ok, dann werde ich diese Spannung nachmessen und das Ergebnis dann hier schreiben.

Zuletzt bearbeitet am 29.03.14 23:21

29.03.14 23:22
puntomane 

500 und mehr Punkte

29.03.14 23:22
puntomane 

500 und mehr Punkte

Re: Magisches Auge ohne Funktion bei Loewe Opta

Hallo Werner,
habe meine Antwort dahingehend korrigiert. Siehe Zuletzt bearbeitet

29.03.14 23:44
Irodin 

500 und mehr Punkte

29.03.14 23:44
Irodin 

500 und mehr Punkte

Re: Magisches Auge ohne Funktion bei Loewe Opta

Hallo Harry,

habs schon gesehen, und eben nachgemessen.
Bei Empfang eines Senders liegen am Gitter -0,6904 VDC an, wenn ich den Sender verstelle dann sind es 0,66xx V bei UKW.
Auf den AM Bändern habe ich es jetzt nicht gemessen. Von den von dir genannten 20V liege ich also weit weg. Wobei der Meßwert doch eigentlich ein realer Gitterwert ist?

30.03.14 00:03
wumpus 

Administrator

30.03.14 00:03
wumpus 

Administrator

Re: Magisches Auge ohne Funktion bei Loewe Opta

Hallo Werner,

falls die Ratiospannung über den Ratioelko stimmt, kann auch ein oxydierter Kontakt im UKW-Tastensatzteil verhindern, dass genügend Steuerspannung an der Abstimmanzeige ankommt. Wäre nicht das erste Mal: Kontakte schon gereinigt? Setzt alles aber sonst einen normale Empfangssituation voraus. Ist das Signal angerauscht, kann es auch keinen starken Ratiopegel geben.

Schnelltest: 15 x von UKW nach MW umschalten. Geht die UKW-Anzeige jetzt wieder?



Gruß von Haus zu Haus
Rainer (Forumbetreiber)

30.03.14 08:36
puntomane 

500 und mehr Punkte

30.03.14 08:36
puntomane 

500 und mehr Punkte

Re: Magisches Auge ohne Funktion bei Loewe Opta

Hallo Werner,
falls der Tipp von Rainer noch nicht zum Erfolg führt und eine Spannungsmessung über dem Ratioelko zum gleichen Ergebniss führt, bleibt zu bemerken, das bei dieser geringen Spannung auch kein rauschfreier UKW Empfang stattfinden kann.
Abhilfe könnte ein Röhrentausch der ECC85 bzw. der ZF- Röhren bringen. Anderfalls liegt ein Fehlabgleich vor (dessen Korrektur aber einiges Voraussetzt).

Zuletzt bearbeitet am 30.03.14 16:40

30.03.14 14:38
Irodin 

500 und mehr Punkte

30.03.14 14:38
Irodin 

500 und mehr Punkte

Re: Magisches Auge ohne Funktion bei Loewe Opta

Hallo Rainer, Hallo Harry

in welchem Bereich sollte die Ratiospannung liegen? Wie Harry sagte um ca. 20V?
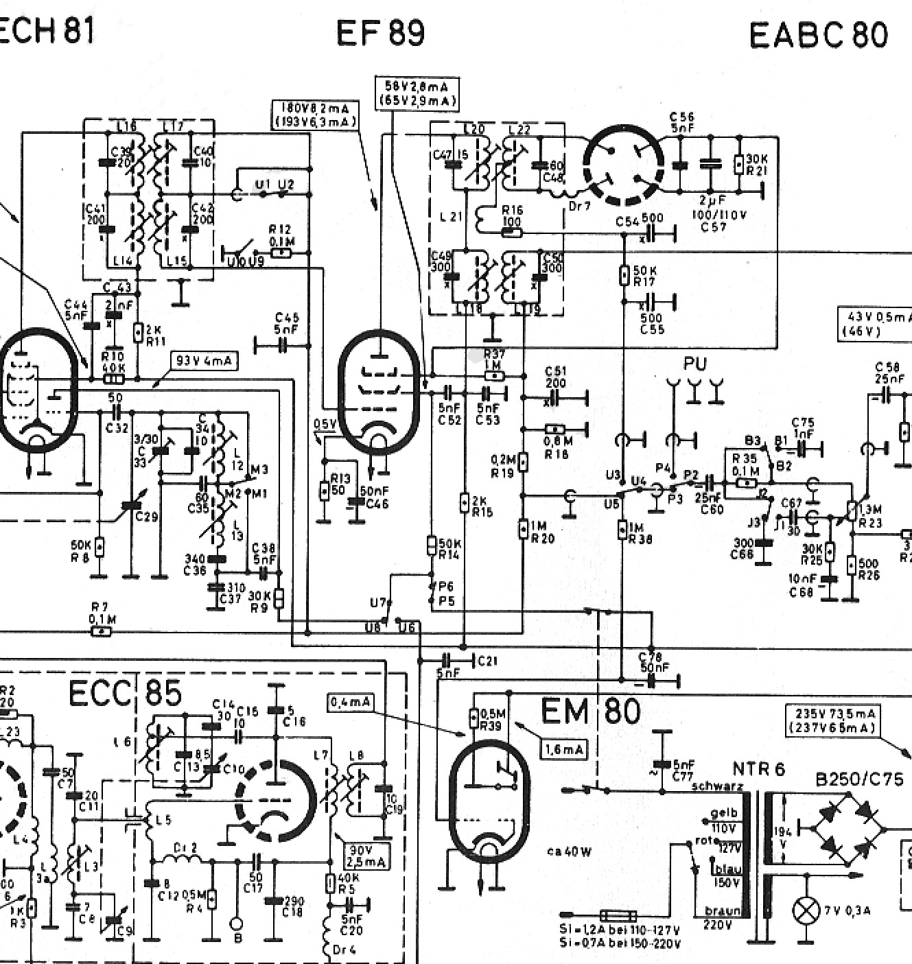
An dem Tastensatz liegt es glaube ich nicht, da das MA exakt das selbe Signal bekommt wie die Endstufe (der selbe Schaltkontakt, U4) und das funktioniert. Angerauscht ist das Signal nicht. Gereinigt habe ich die Kontakte nicht. Anbei ein Auszug aus dem Schaltplan.

Die Röhren sind alle komplett getauscht wurde. Laut Verkäufer alle mit gut bis sehr gut getestet worden. Ich selbst kanns nicht prüfen da ich kein Röhrenprüfer habe, aber ich kann gerne mal ein paar andere Probieren von denen hab ich jede menge.

Datei-Anhänge
Opta Bella 1700W.jpg Opta Bella 1700W.jpg (750x)

Mime-Type: image/jpeg, 479 kB

30.03.14 16:38
puntomane 

500 und mehr Punkte

30.03.14 16:38
puntomane 

500 und mehr Punkte

Re: Magisches Auge ohne Funktion bei Loewe Opta

Hallo Werner
meine ca. 20 V Ratiospannung bezieht sich auf die am Ratioelko C57 (2µF) abfallende Spannung bei Ortssender Empfang ! Sie ist nur ein grober Richtwert.

Zuletzt bearbeitet am 30.03.14 19:21

30.03.14 18:43
nobbyrad58 

500 und mehr Punkte

30.03.14 18:43
nobbyrad58 

500 und mehr Punkte

Re: Magisches Auge ohne Funktion bei Loewe Opta

Hallo Werner!

Die Sache ist etwas verzwickter als es auf dem ersten Blick zu sehen ist. Die Ratiospannung wird schon richtig für UKW geschaltet. Sie muss am Bremsgitter der EF 89 anliegen und soll schon bei starken Sendern - 20 V sein. Man sollte alle R und C prüfen wechseln die an diesem Schaltungszweig sind. Das geht bis in sek. Kreis des ZF Filters der ECH 81. Schaltungstechnisch wird das eine AM Unterdrückung sein, die den Ratiodetektor "unterstüzt".

MFG Nobby

 1 2 3 4 5
 1 2 3 4 5
welt-der-alten-radios   Abstimmanzeigeröhre   UKW-Ratiodetektorkreises   Ratiospannung   Rufnummerübertragung   Bandbreiten-Symmetrie   Steuerspannungs-Erzeugung   Forumbetreiber   Schraubenzieherklinge   Magisches   regelspannungsverantwortlich   AM-Gleichrichter-Teil   Funktion   funktioniert   UKW-Ratiospannungszuführung   Schirmgitterbegrenzer   Ausschlag   Spannungsunterschied   Traditionsunternehmen   Schaltbildabweichungen