| Passwort vergessen?
Sie sind nicht angemeldet. |  Anmelden

Sprache auswählen:

Wumpus Gollum Forum von
Wumpus Welt der (alten) Radios
Sie sind nicht angemeldet.
 Anmelden

Brummen bei einer RFT Dominate W101
  •  
 1 2 3 4
 1 2 3 4
07.10.17 18:19
nobbyrad58 

500 und mehr Punkte

07.10.17 18:19
nobbyrad58 

500 und mehr Punkte

Re: Brummen bei einer RFT Dominate W101

Hallo Jan!

Der Einsatz der richtigen Kapazität hat den Grund, das eine zu hohe auf die Dauer die Gleichrichterröhre schädigt. Du weist ja das man erst mal ein "sauberes" Netzteil haben muss um von da aus weiter zu machen.
Aus den Datenblättern sind die max. Kapazitäten in Zusammenhang mit weiteren Parametern, wie Spannung, innerer Widerstand des NT usw. zu ersehen.

MFG Nobby

!
!!! Fotos, Grafiken nur über die Upload-Option des Forums, KEINE FREMD-LINKS auf externe Fotos.    

!!! Keine Komplett-Schaltbilder, keine Fotos, keine Grafiken, auf denen Urheberrechte Anderer (auch WEB-Seiten oder Foren) liegen!
Solche Uploads werden wegen der Rechtslage kommentarlos gelöscht!

Keine Fotos, auf denen Personen erkennbar sind, ohne deren schriftliche Zustimmung.

Den Beitrag-Betreff bei Antworten auf Threads nicht verändern!
08.10.17 12:15
jan223 

50-99 Punkte

08.10.17 12:15
jan223 

50-99 Punkte

Re: Brummen bei einer RFT Dominate W101

Hallo,

da der Versuch, den Becherelko und die Gleichrichterröhre zu tauschen leider erfolglos war, habe ich mich nun der Kontrolle der Verbindungen und Schirmungen gewidmet.

Ich habe das Klangregister Stück für Stück vermessen und mit dem Schaltplan abgeglichen. Alle Leitungen und Schirmungen, die zum Chasiss gehen, habe ich dabei mit überprüft. Auf dem angehängtem Bild habe ich alle geprüften Verbindungen orange eingezeichnet.

Leider habe ich dabei keinen Fehler gefunden.

Auch habe ich noch einmal an allen drei Gittern der der EL84 eine Verbindung zu Masser hergestellt und dabei das Brummen überprüft.
Die EABC80 war dabei gezogen. Hier die Ergebnisse:

- Gitter 1 (Pin 2) bei Verbindung mit Masse: kein Brummen
- Gitter 3 (Pin 3) bei Verbindung mit Masse: Brummen halb so laut
- Gitter 2 (Pin 9) bei Verbindung mit Masse: kein Brummen

Ich bin mir inzwischen ziemlich sicher, dass das Brummen über Gitter 1 reinkommt.

Zwischen der EABC80 und der EL 84 gibt es keine geschirmten Leitungen, die beschädigt sein könnten.
Die EABC80 ist ein einem geschirmten Alu-Gehäuse.




Jetzt ist guter Rat teuer :-)

Viele Grüße
Jan

Datei-Anhänge
WP_20171008_11_52_18_Rich.jpg WP_20171008_11_52_18_Rich.jpg (362x)

Mime-Type: image/jpeg, 259 kB

WP_20171008_11_51_41_Rich.jpg WP_20171008_11_51_41_Rich.jpg (360x)

Mime-Type: image/jpeg, 266 kB

08.10.17 15:45
Dietmar-Klaus 

100-249 Punkte

08.10.17 15:45
Dietmar-Klaus 

100-249 Punkte

Re: Brummen bei einer RFT Dominate W101

Hallo Jan

Es ist ein Streubrummen , das hast du richtig erkannt. Es mag die Anordnung der schön geformten Drähte an den Kondensatoren gut aussehen, sind aber meiner Meinung nach viel zu lang. Orginal waren die Kondensatoren mit viel kurzeren Drahtenden an dan Klangnetzwerk angeschlossen , das nicht ohne Grund. In der heutigen Zeit, durch Schaltnetzteile , Sparlampen u.s.w. streut es gewaltig .
Wenn du das Klangnetzwerk aus dem Gehäuse nimmst und bewegst , ändert sich das Brummen ? ( mache es unter Vorsicht, da an Anschluss 2 Spannung anliegt) Wenn ja, ein Abschirmblech um das Klangnetzwerk basteln , z.B. aus einem alten PC Netzteil Gehäuse oÄ.

MfG. Dietmar

08.10.17 17:40
nobbyrad58 

500 und mehr Punkte

08.10.17 17:40
nobbyrad58 

500 und mehr Punkte

Re: Brummen bei einer RFT Dominate W101

Hallo Jan

Es könnte so sein wie Dietmar es schreibt. Gibt es eine Möglichkeit das das Klangregelnetzwerk zu umgehen? Also NF Vorröhre EABC80 drin lassen und von der NF Quelle ohne Netzwerk an das "heiße" Ende des LS Potis ein Signal zu geben.
Auch ein NF Generator mit geschirmter Zuleitung kann verwendet werden.

MFG Nobby

08.10.17 18:00
nobbyrad58 

500 und mehr Punkte

08.10.17 18:00
nobbyrad58 

500 und mehr Punkte

Re: Brummen bei einer RFT Dominate W101

Hallo Jan!

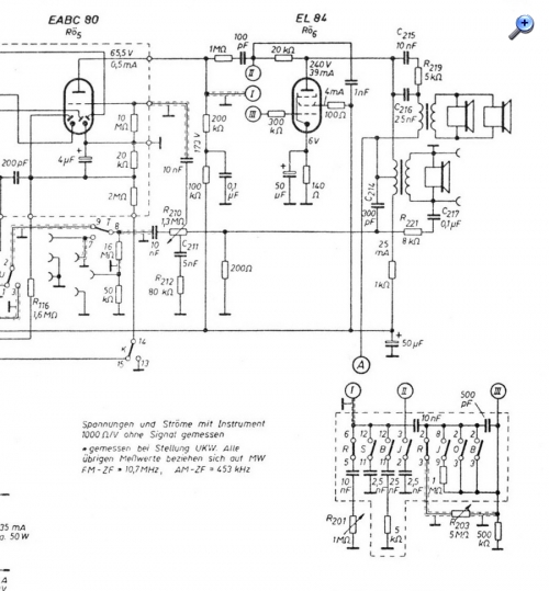
Hab mir den Schaltplan besorgt.
Das Klangregelnetzwerk kann umgangen werden. Es sind nach Ausbau des Teils zwei Lötungen vorzunehmen und ein Bauteil kommt dazu.
Der 300 K Widerstand am Gitter der EL84 wird an Masse gelegt, das ist der Gitterwiderstand für -g1 der EL 84. Ein 10 nF Kondensator mit mind. 250 V Spannung wird von der Anode der EABC 80 zum g1 der EL 84 gelötet. Das ist die Signalzuführung zur Endröhre EL 84.
Mit diesem Provisorium kann man das Netzwerk umgehen zu Testzwecken.

MFG Nobby

08.10.17 18:40
Wolle 

500 und mehr Punkte

08.10.17 18:40
Wolle 

500 und mehr Punkte

Re: Brummen bei einer RFT Dominate W101

Hallo Nobby.

Kannst Du bitte den Schaltplanausschnitt NF - Teil hier einstellen? Das würde mir raten ersparen.

Mit vielen Grüßen.
Wolle.

Wissen ist der einzige Rohstoff, der sich durch Gebrauch vermehrt.

08.10.17 18:46
nobbyrad58 

500 und mehr Punkte

08.10.17 18:46
nobbyrad58 

500 und mehr Punkte

Re: Brummen bei einer RFT Dominate W101

Hallo Wolle, Hallo Jan!

Hier der Ausschnitt:



MFG Nobby

Datei-Anhänge
RFT Dominante aus.jpg RFT Dominante aus.jpg (356x)

Mime-Type: image/jpeg, 162 kB

08.10.17 19:23
Wolle 

500 und mehr Punkte

08.10.17 19:23
Wolle 

500 und mehr Punkte

Re: Brummen bei einer RFT Dominate W101

Hallo Nobby.

Vielen Dank.

Einen schönen Sonntag Abend und liebe Grüße.
Wolle.

Wissen ist der einzige Rohstoff, der sich durch Gebrauch vermehrt.

08.10.17 19:30
RWA 

50-99 Punkte

08.10.17 19:30
RWA 

50-99 Punkte

Re: Brummen bei einer RFT Dominate W101

Hallo Jan, Hallo liebe weitere Kollegen,
denkt bitte auch an den Sinn der seitlichen schwarzen bzw. roten Ringe an den von Jan ausgetauschten Kondensatoren, siehe Foto im ersten Beitrag. Leider ist die damit gegebene Kennzeichnung des Außenbelags bei modernen Kondensatoren nicht mehr üblich, da sie nur in hochohmigen Röhrenschaltungen relevant ist.
Weil Jan berichtete, dass die Verbindung des Chassis mit dem Schutzkontakt das Brummen zum Verschwinden bringt (erster Beitrag), spricht einiges für eine Vertauschung von Innen- und Außenbelag bei mindestens einem ausgetauschten Kondensator.
Viele Grüße
Roland

08.10.17 20:13
wumpus 

Administrator

08.10.17 20:13
wumpus 

Administrator

Re: Brummen bei einer RFT Dominate W101

Hallo zusammen, hallo Roland

auch im Wumpus-Kompendium wird das Thema der Aussenschirmung von Folienkondensatoren angesprochen:
http://www.welt-der-alten-radios.de/komp...ren-240.html#93
"Falsch herum" eingelötete Folienkondensatoren können tatsächlich Brummen und Einschleppen sonstiger Frequenzen verursachen.

Grüße von Haus zu Haus
Rainer, DC7BJ (Forumbetreiber)
Ein Leben ohne Facebook ist möglich, aber(und) sinnvoll.

Welt der alten Radios:
http://www.welt-der-alten-radios.de

Wumpus-Gollum-Forum:
http://www.wumpus-gollum-forum.de/forum

Virtuelle Voxhaus-Gedenktafel:
http://www.voxhaus-gedenktafel.de

 1 2 3 4
 1 2 3 4
Schutzleiter   wumpus-gollum-forum   Voxhaus-Gedenktafel   Brummen   „Gewaplast-Kondensatoren“   Brückengleichrichter   Spannungswahlschalter   Folienkondensatoren   Gleichrichterröhre   Schutzleiteranschluß   Klangregister   Kondensatoren   welt-der-alten-radios   angeschlossen   Grüße   Dominate   Chassis   Keramik-Kondensatoren   Wechselstrom-Röhrenradios   Gerätekonstruktionen