| Passwort vergessen?
Sie sind nicht angemeldet. |  Anmelden

Sprache auswählen:

Wumpus Gollum Forum von
Wumpus Welt der (alten) Radios
Sie sind nicht angemeldet.
 Anmelden

Saba transall de luxe
  •  
 1
 1
05.08.22 15:25
Kaefer1150 

500 und mehr Punkte

05.08.22 15:25
Kaefer1150 

500 und mehr Punkte

Saba transall de luxe

Grüß Gott zusammen.

War vor vielen Jahren dabei mich mit Kofferradios zu beschäftigen. Habe ein Problem mit einem Saba Transall de luxe e. Habe das Radio in funktionsfähigem Zustand , gereinigt in den Schrank gestellt. Wollte es heute wieder in Betrieb nehmen und mußte leider feststellen, dass im UKW Bereich nur noch Rauschen zu vernehmen ist. Die anderen Bereiche scheinen zu funktionieren. Bereichstasten habe ich einige Male durchgeschaltet, hatte aber keine Wirkung. Das kleine Feldstärkeinstrument zeigt keine Regung. Wäre sehr froh, wenn mir jemand helfen könnte.

Danke vorab für eure Mühe

Gruß Günther

Noch gefällt der Beitrag keinem Nutzer.
!
!!! Fotos, Grafiken nur über die Upload-Option des Forums, KEINE FREMD-LINKS auf externe Fotos.    

!!! Keine Komplett-Schaltbilder, keine Fotos, keine Grafiken, auf denen Urheberrechte Anderer (auch WEB-Seiten oder Foren) liegen!
Solche Uploads werden wegen der Rechtslage kommentarlos gelöscht!

Keine Fotos, auf denen Personen erkennbar sind, ohne deren schriftliche Zustimmung.

Den Beitrag-Betreff bei Antworten auf Threads nicht verändern!
05.08.22 15:50
WalterBar 

500 und mehr Punkte

05.08.22 15:50
WalterBar 

500 und mehr Punkte

Re: Saba transall de luxe

Hallo Günther,

Transistorradios mit den alten Germaniumtransistoren sind grundsätzlich anfällig. Zum einen kann es intern durch Zink-Wisker in den Transistoren zu Kurzschlüssen kommen. Manchmal hilft ein Klopfen gegen das Gehäuse, um die Fadenkristalle zu zerschlagen. Man liest auch oft, dass ein Durchschneiden des Gehäuseanschlusses (Schirmung) das Problem behebt.

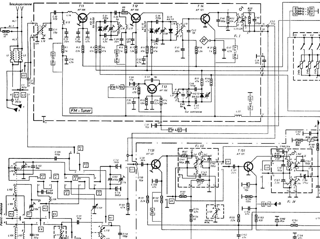
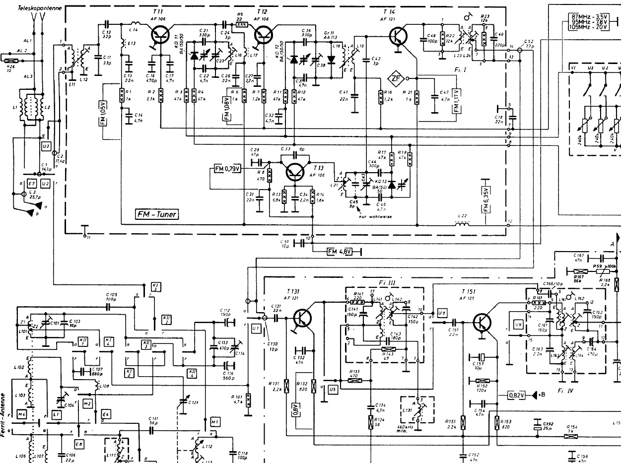
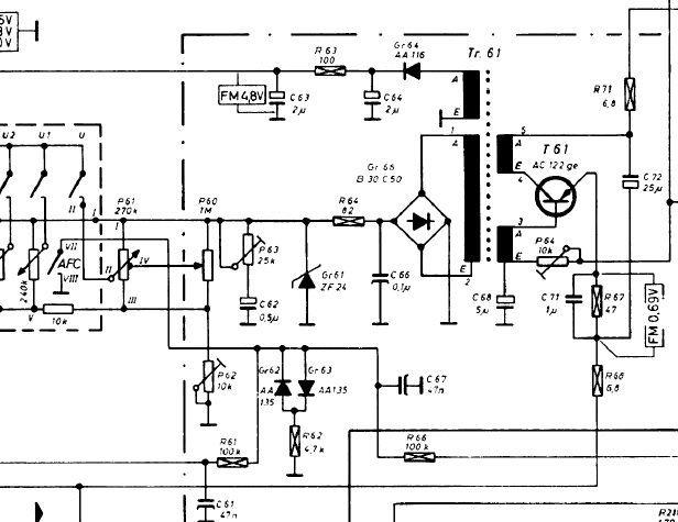
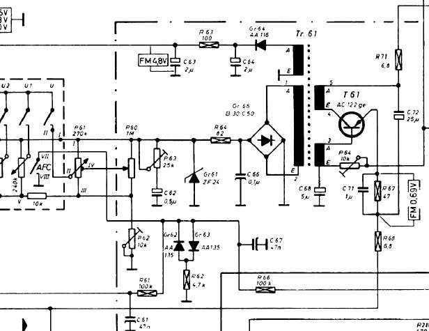
Das Saba Transall de Luxe hat aber für UKW andererseits noch die Besonderheit, dass die für die 24V-Kapazitätsdiodenabstimmung notwendige Gleichspannung durch einen Sperrschwinger (AC122, T61) erzeugt wird. Dieser Transistor sollte geprüft werden, aber auch der nachfolgende Selengleichrichter.



Erst danach würde ich mich dem Eingangsteil widmen, der hat mit z.B. AF106 auch Transistoren drin, die für Probleme bekannt sind.



https://nepp.nasa.gov/whisker//anecdote/...stor/index.html


Viel Erfolg
Walter

Zuletzt bearbeitet am 05.08.22 16:41

Datei-Anhänge
Saba_Abstimmspannungserzeugung.jpg Saba_Abstimmspannungserzeugung.jpg (186x)

Mime-Type: image/jpeg, 86 kB

UKW-Teil_saba_transall_deluxe.jpg UKW-Teil_saba_transall_deluxe.jpg (181x)

Mime-Type: image/jpeg, 378 kB

 1
 1
Gehäuseanschlusses   24V-Kapazitätsdiodenabstimmung   beschäftigen   Durchschneiden   Germaniumtransistoren   Fadenkristalle   funktionsfähigem   Feldstärkeinstrument   Selengleichrichter   Kurzschlüssen   durchgeschaltet   Besonderheit   funktionieren   Transistorradios   Bereichstasten   Sperrschwinger   andererseits   grundsätzlich   Transistoren   Gleichspannung