| Passwort vergessen?
Sie sind nicht angemeldet. |  Anmelden

Sprache auswählen:

Wumpus Gollum Forum von
Wumpus Welt der (alten) Radios
Sie sind nicht angemeldet.
 Anmelden

RFT TR 2010 merkwürdiges Verhalten bei Bandumschaltung
  •  
 1
 1
27.09.24 14:46
sturmmoeve 

50-99 Punkte

27.09.24 14:46
sturmmoeve 

50-99 Punkte

RFT TR 2010 merkwürdiges Verhalten bei Bandumschaltung

Hallo, guten Tag ins Forum.

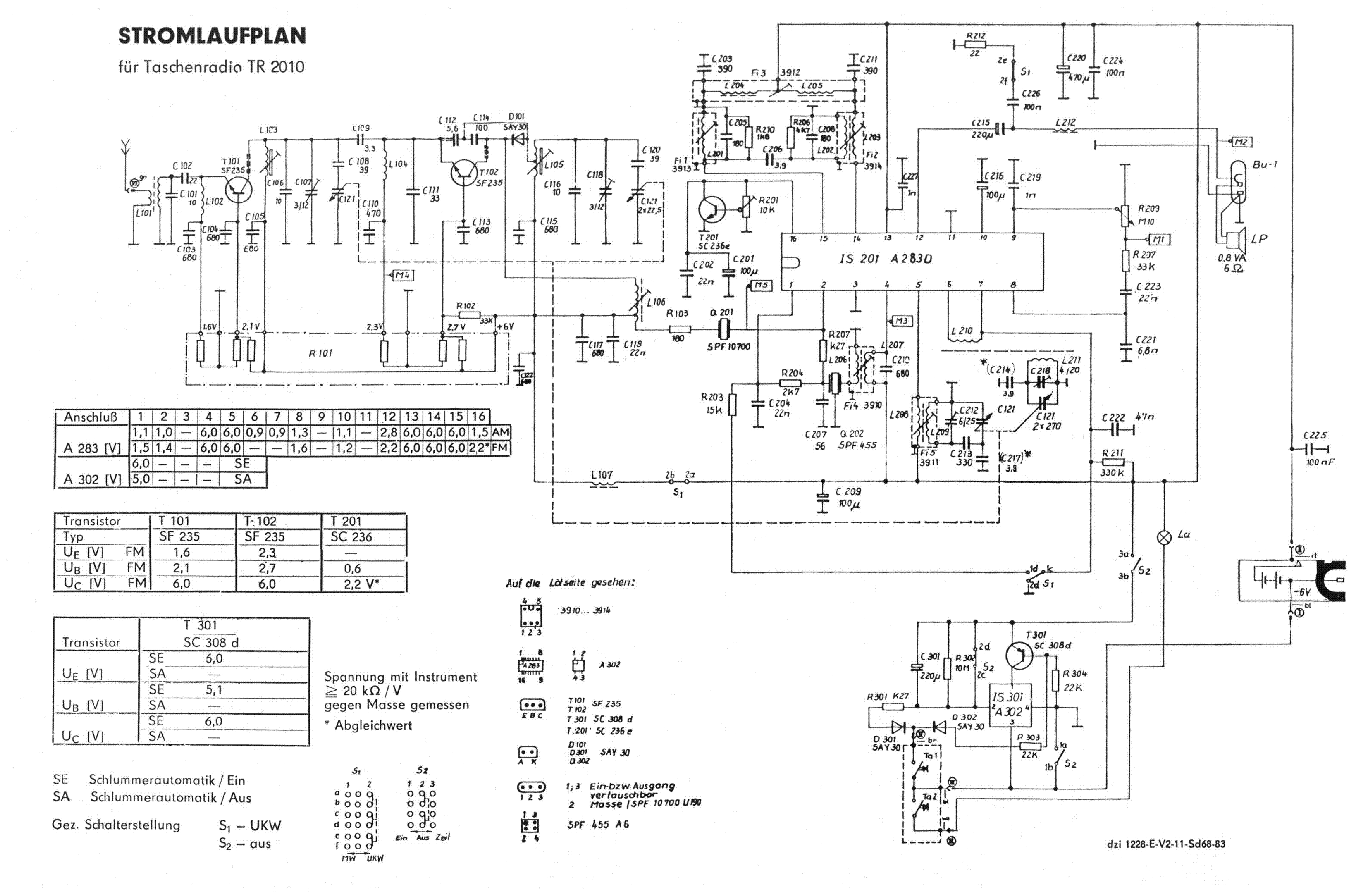
Ich bin an der Wiederaufarbeitung eines R-F-T TR 2010 Taschenradios für meine Sammlung dran.

https://www.ddr-museum.de/de/objects/1017723

https://elektrotanya.com/rft_neuhaus_mik...f/download.html

Das Radio habe ich soweit spielend bekommen, auf FM musste wie nicht selten ein defekter ZF Filter gewechselt werden, AM lief schon, Skalenbeleuchtung musste gewechselt werden, zwei Arbeiterfahnen ersetzen und eine neue Antenne dran. Lautstärke-Poti musste zerlegt,gereinigt und repariert werden, Skalenseil neu auflegen und mächtig putzen. Leider wird das vergilbte Gehäuse wohl nicht mehr weiß werden, wegen der Aufdrucke möchte ich dort keine Kunststoffbleiche und UV-Licht wie man es im Retrocomputerbereich hat nutzen. Oder doch?

Ein merkwürdiges Verhalten bleibt.

Obwohl der Empfang auf FM und AM tadellos und sehr gut ist, schwingt der Oszillator für AM erst an, wenn das Radio zunächst von Aus auf Ein geschaltet wird. Ist das Radio eingeschaltet und schaltet man von FM auf AM, dann bleibt die Mittelwelle stumm, weil der Oszillator zuverlässig NICHT anschwingt. NF arbeitet weiter. Schaltet man kurz aus und dann wieder ein, geht AM problemlos. Das ist zu 100% bei dem vorliegenden Gerät reproduzierbar, Die andere Richtung AM auf FM funktioniert immer ohne über AUS zu gehen. Schaltet man wieder von FM auf AM zurück, dann muss man mit S2 zunächst kurz auf Aus gehen.

Ich hatte den Schalter S2 in Verdacht, aber der Schaltet zuverlässig durch. Das gleiche Spiel mit einem Schalterersatz. Leider habe ich nur einen Schaltplan aber keine Bedienungsanleitung mehr zum Gerät. Vielleicht stand das dort so drin das man beim Bandwechsel ausschalten sollte?

Da die anderen R und C in ihren Messwerten sollwertig sind frage ich mich ob das am A283D selbst liegen könnte?

Ist ein solches Verhalten des IC bei Bandumschaltung bekannt, vielleicht durch Alterung?

VG
Roland

Datei-Anhänge
rft_neuhaus_mikroelektronik_tr2010_sch.pdf_1.png rft_neuhaus_mikroelektronik_tr2010_sch.pdf_1.png (180x)

Mime-Type: image/png, 495 kB

Noch gefällt der Beitrag keinem Nutzer.
!
!!! Fotos, Grafiken nur über die Upload-Option des Forums, KEINE FREMD-LINKS auf externe Fotos.    

!!! Keine Komplett-Schaltbilder, keine Fotos, keine Grafiken, auf denen Urheberrechte Anderer (auch WEB-Seiten oder Foren) liegen!
Solche Uploads werden wegen der Rechtslage kommentarlos gelöscht!

Keine Fotos, auf denen Personen erkennbar sind, ohne deren schriftliche Zustimmung.

Den Beitrag-Betreff bei Antworten auf Threads nicht verändern!
27.09.24 16:58
oldie 

250-499 Punkte

27.09.24 16:58
oldie 

250-499 Punkte

Re: RFT TR 2010 merkwürdiges Verhalten bei Bandumschaltung

Hallo,
denke daß entweder der Oszillatorkreis zu stark gedämpft ist oder die Verstärkung der Oszillatorschaltung im IC nicht hoch genug ist. Liegt die Rückkopplung knapp vor dem Schwingeinsatz kann durch ein "Anschubsen" (Spannungssprung) der Oszillator einsetzen. Wenn er denn schwingt ist die Schwingkreisenergie groß genug um ein Weiterschwingen zu erlauben.
Mit Gruß
Sven

27.09.24 17:44
basteljero 

500 und mehr Punkte

27.09.24 17:44
basteljero 

500 und mehr Punkte

Re: RFT TR 2010 merkwürdiges Verhalten bei Bandumschaltung

Hallo,
Als Ergänzung zu dem gegebenen Tipp:
Es sollt dann ein Unterschied zwischen oberen und unterem Mittelwellen-bandende feststellbar sein.
(Kreisgüte)
Dann könnte man noch mal probeweise C209 ersetzen und nahe von L296 mit 100nF mit kurzer Leitung gegen
Masse blocken.
Spannungsversorgung ist sicherlich schon gemessen worden, steht ein Oszi zur Verfügung, könnte man sich das
Oszillator-Signal über den Bereich mal anschauen.
(kleine Koppel-Kapazitä von 3pF)

Im Datenblatt (Schaltungsbeispiel) des Bausteins ist von einem Widerstand im Oszillator-Kreis die Rede,
mit dem die Güte eingestellt werden soll.
Möglicherweise verbaut ohne in den Schaltplan übernommen worden zu sein, in diesem Fall könnte man
womöglich "tricksen".
h t t p s://hjs.lima-city.de/DDR/index.php?pdf=A283

Gruß
Jens

Zuletzt bearbeitet am 27.09.24 18:00

28.09.24 09:35
sturmmoeve 

50-99 Punkte

28.09.24 09:35
sturmmoeve 

50-99 Punkte

Re: RFT TR 2010 merkwürdiges Verhalten bei Bandumschaltung

VIelen Dank für Ihre Antworten.

Ein Unterschied in der Anschwingbarkeit an den Bereichsenden oder im Bereich gibt es nicht.
Spannungen gemessen und in Ordnung, die Ampl. des Oszillators sieht im ganzen MW-Bereich auch gut aus wenn er schwingt.

Über Einstellung der Kreisgüte-R muss ich nachlesen und dann experimentieren.
Es stehen auch noch einige NOS A283D bereit, aber der Wechsel des IC auf der Platine wird sicher kein einfaches Unterfangen. Da MW über den Umweg der AUS-Position zuverlässig anschwingt und tadelloser Empfang gegeben ist, gestern abend 23 Sender lautstark und klar und das Taschenradio als Sammlungsobjekt sicher selten gebraucht werden wird, dürfte der IC Wechsel "zuviel" sein. Die Frage ob es am IC selbst liegt bliebe aber auch unbeantwortet was abschließend auch nicht 100% befriedigend ist.

erholsames Wochenende
VG Roland

28.09.24 10:59
oldie 

250-499 Punkte

28.09.24 10:59
oldie 

250-499 Punkte

Re: RFT TR 2010 merkwürdiges Verhalten bei Bandumschaltung

Hallo,
würde das IC auch nicht wechseln weil unklar was wirklich die Ursache ist. Vermurksen der Leiterplatine kann schnell passieren. Anfangs hatte ich bei meiner Kofferradio Sammlung die Geräte soweit notwendig repariert und zum Spielen gebracht. Nachdem ich aber keines wirklich nutze ließ ich den Rest ungetestet als Schauobjekte stehen.
Mit Gruß
Sven

 1
 1
Lautstärke-Poti   Skalenbeleuchtung   Schwingkreisenergie   Schaltungsbeispiel   Bandumschaltung   Wiederaufarbeitung   Oszillatorschaltung   merkwürdiges   Anschwingbarkeit   Retrocomputerbereich   experimentieren   Kunststoffbleiche   Möglicherweise   Verhalten   Oszillator-Kreis   Spannungsversorgung   Bedienungsanleitung   Koppel-Kapazitä   Mittelwellen-bandende   Oszillator-Signal