| Passwort vergessen?
Sie sind nicht angemeldet. |  Anmelden

Sprache auswählen:

Wumpus Gollum Forum von
Wumpus Welt der (alten) Radios
Sie sind nicht angemeldet.
 Anmelden

Netzbrummen Braun SK2-2
  •  
 1 2
 1 2
14.12.06 20:02
achimfechtner 

100-249 Punkte

14.12.06 20:02
achimfechtner 

100-249 Punkte

Netzbrummen Braun SK2-2

Hallo,
ich habe gerade mein bei Ebay erworbenes SK2-2 durch Ersatz des Becherelkos (2x50 Mikro) zum Laufen gebracht. Es ist aber immer noch ein deutliches Brummen übrig gelieben. Frage: Ist das bei diesem Modell normal? Andere Röhrenradios sind da eher etwas dezenter, oder habt Ihr hier einen guten Tipp, wie man da Abhilfe schaffen könnte?
Danke im voraus für Eure Antworten!
Achim

Noch gefällt der Beitrag keinem Nutzer.
!
!!! Fotos, Grafiken nur über die Upload-Option des Forums, KEINE FREMD-LINKS auf externe Fotos.    

!!! Keine Komplett-Schaltbilder, keine Fotos, keine Grafiken, auf denen Urheberrechte Anderer (auch WEB-Seiten oder Foren) liegen!
Solche Uploads werden wegen der Rechtslage kommentarlos gelöscht!

Keine Fotos, auf denen Personen erkennbar sind, ohne deren schriftliche Zustimmung.

Den Beitrag-Betreff bei Antworten auf Threads nicht verändern!
15.12.06 09:13
wumpus 

Administrator

15.12.06 09:13
wumpus 

Administrator

Re: Netzbrummen Braun SK2-2

Zitat:



Hallo,
ich habe gerade mein bei Ebay erworbenes SK2-2 durch Ersatz des Becherelkos (2x50 Mikro) zum Laufen gebracht. Es ist aber immer noch ein deutliches Brummen übrig gelieben. Frage: Ist das bei diesem Modell normal? Andere Röhrenradios sind da eher etwas dezenter, oder habt Ihr hier einen guten Tipp, wie man da Abhilfe schaffen könnte?
Danke im voraus für Eure Antworten!
Achim



Hallo Achim,
sind die Austauschelkos neuer Produktion oder Lang-Lagerware? Alte "neue" Elkos können erheblichen Kapazitätsverlust haben.

Ist das Brummen auch bei runtergedrehter Lautstärke da?
Ist das Brummen nur auf UKW oder nur bei AM?
MFG Rainer

Möge die Welle mit uns sein.

15.12.06 12:52
achimfechtner 

100-249 Punkte

15.12.06 12:52
achimfechtner 

100-249 Punkte

Re: Netzbrummen Braun SK2-2

Hallo Rainer,
die Austauschelkos sind moderne Typen mit radialen Anschlüssen. Das Brummen ist unabhängig von der Lautstärkeregelung gleich.
Gruß
Achim

15.12.06 13:09
achimfechtner 

100-249 Punkte

15.12.06 13:09
achimfechtner 

100-249 Punkte

Re: Netzbrummen Braun SK2-2

Hallo Rainer,
noch ein kleiner Nachtrag: Beim Tausch der Endröhre EL 84 aus einem anderen Radio wurde das Brummen deutlich schwächer, dafür lässt sich die Lautstärke mit dieser Röhre nicht komplett herunter regeln, was übrigens auch bei dem anderen Radio (Blaupunkt Sultan) auftritt. Ich nehme jetzt an, dass beide EL 84 nicht mehr so gut sind.
Gruß
Achim

15.12.06 13:36
wumpus 

Administrator

15.12.06 13:36
wumpus 

Administrator

Re: Netzbrummen Braun SK2-2

Zitat:



Hallo Rainer,
noch ein kleiner Nachtrag: Beim Tausch der Endröhre EL 84 aus einem anderen Radio wurde das Brummen deutlich schwächer, dafür lässt sich die Lautstärke mit dieser Röhre nicht komplett herunter regeln, was übrigens auch bei dem anderen Radio (Blaupunkt Sultan) auftritt. Ich nehme jetzt an, dass beide EL 84 nicht mehr so gut sind.
Gruß
Achim


Hallo Achim,
Röhren können bei Feinschlüssen Brummen erzeugen. Die NF-Vorstufenröhre(n) müssen auch testweise getauscht werden. Dass sich die NF nicht auf 0 drehen lässt, kann auf einen Massekontaktfehler im NF-Teil hinweisen. Auch fehlerhafte Schirmungen sind möglich.

Zur weiteren Einkreisung des Fehlers solltest Du den Koppelkondensator der NF-Endstufe (am Gitter 1) ablöten, um zu sehen ob das Brummen immer noch da ist. Wenn ja, haben wir zumindest schon die Fehlerstufe ermittelt. Das gilt allerdings nur, wenn nicht das Netzeil noch ein Problem hat.

Ist das Brummen bei Abtrennen des Koppelkondensators weg, liegt der Fehler wohl in der NF-Vorstufe.

MFG Rainer

Möge die Welle mit uns sein.

22.07.15 17:07
gerdp 

0-49 Punkte

22.07.15 17:07
gerdp 

0-49 Punkte

Re: Netzbrummen Braun SK2-2

Hallo zusammen,

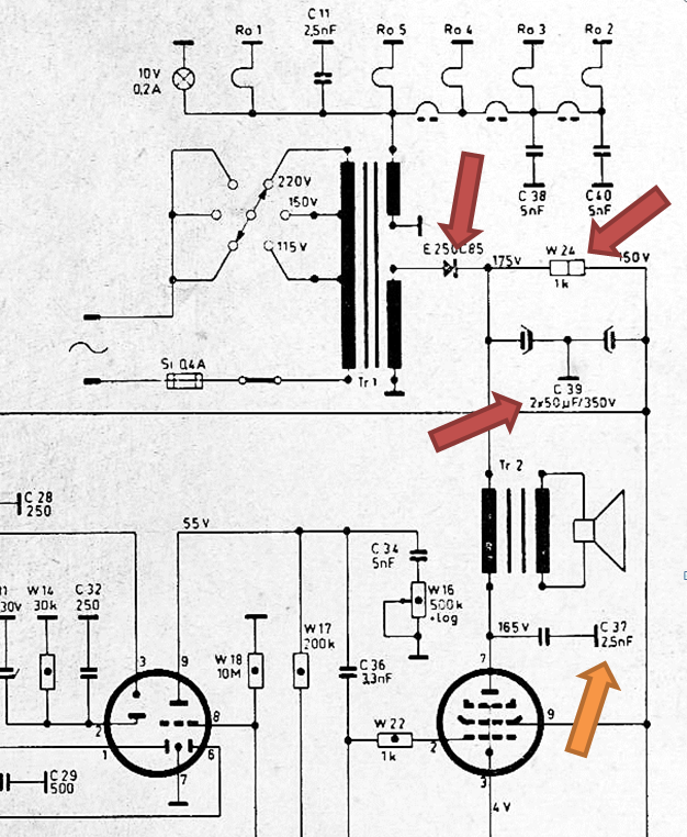
ich habe im Netz diesen Thread gefunden und habe das gleiche Problem eines Netzbrummens. Ein Radiogeschäft in Köln wollte für die Reparatur 280¤ haben, daher möchte ich es doch lieber so versuchen. Im Kostenvoranschlag nannten sie allerdings die Teile, die sie tauschen würden, nämlich 2 Elkos, 1 Diode und 1 Widerstand, daher vermute ich, dass es sich um die im Plan markierten Teile handeln müßte.

Da ich aber nicht so ganz sicher bin, wollte ich mal nachfragen, ob ich alles richtig machen würde, wenn ich die Teile wie sie im Plan gekennzeichnet sind, tausche?

Sehe ich das richtig, dass
a) die Diode E250C85 z.B. mit so einer getauscht werden kann: Gleichrichterdiode 1N4007-E3/54, 1000V 1A, DO-204AL 2-pin
b) der Widerstand W24 hiermit: axial Kohleschichtwiderstand, 1kΩ ±5% 0,25W
und
c) die beiden Elkos C39 mit diesen hier? Nichicon GU Alu Kondensator, Elko Snap-In 47μF, ±20% / 450 V dc

Dabei würde ich erst die roten Teile tauschen und dann den C37 ablöten, wie beschrieben, um zu prüfen, ob der Netzbrumm dadurch geringer würde.

Unheimlich vielen Dank schon jetzt!

Gerd
Köln

Zuletzt bearbeitet am 22.07.15 17:08

Datei-Anhänge
BraunSK22-Netzbrumm.png BraunSK22-Netzbrumm.png (408x)

Mime-Type: image/png, 473 kB

22.07.15 17:39
puntomane 

500 und mehr Punkte

22.07.15 17:39
puntomane 

500 und mehr Punkte

Re: Netzbrummen Braun SK2-2

Hallo Gerd,
für den Elkoersatz nimm 2 Stck a. 47 µF/350 oder 450 V
Für den Widerstand, nur wenn er durchgebrannt ist, einen mit 1 K /mind. 3 W
Die genannte Diode ist brauchbar, sie aber wird eine um ca. 30 % höhere Anodenspannung erbringen, daher ist es notwendig, noch einen Vorwiderstand von ca. 80 - 140 Ohm/ 5 W vor oder hinter der Diode einzulöten

22.07.15 17:58
gerdp 

0-49 Punkte

22.07.15 17:58
gerdp 

0-49 Punkte

Re: Netzbrummen Braun SK2-2

oh cool, danke.

Sehe grade, dass die Diode ja eigentlich ein Gleichrichter alter Bauart ist. Wie müßte denn wohl die Diode idealerweise sein, damit ich den Widerstand weglassen kann?

Vielen Dank!!!

22.07.15 18:03
laurel1 

500 und mehr Punkte

22.07.15 18:03
laurel1 

500 und mehr Punkte

Re: Netzbrummen Braun SK2-2

Moin Gerd,

den Vorwiderstand hat Harry ja schon erwähnt. In einem anderen Beitrag wurde auch dieser "Umbau" vorgenommen, hier stellte sich ein Vorwiderstand von 100 Ohm 5 Watt als passend für dieses Gerät heraus.

C37 ist nicht der gemeinte Koppelkondensator, das wäre C36.

Beste Grüße
Peter

Ergänzung auf Deine neue Frage. Mit einer normalen Diode kommst Du um den Vorwiderstand nicht herum, es bliebe nur ein originaler Ersatz mit einem Selengleichrichter.

Zuletzt bearbeitet am 22.07.15 18:06

22.07.15 18:05
Klaus 

500 und mehr Punkte

22.07.15 18:05
Klaus 

500 und mehr Punkte

Re: Netzbrummen Braun SK2-2

Hallo Gerd,

Zitieren:
Sehe grade, dass die Diode ja eigentlich ein Gleichrichter alter Bauart ist. Wie müßte denn wohl die Diode idealerweise sein, damit ich den Widerstand weglassen kann?

die Diode müsste einen ähnlich hohen Innenwiderstand besitzen wie der alte Gleichrichter.

Da das aber nicht der Fall ist, bedarf es zwecks Reduzierung der höheren Spannung eines Vorwiderstandes, wie von Harry angegeben.

Viele Grüße
Klaus

 1 2
 1 2
Lautstärkeregelung   Selen-Gleichrichter   Einweggleichrichter   Flachgleichrichtern   Netzbrummen   Papierwickelkondensator   welt-der-alten-radios   Massekontaktfehler   herrmann-gleichrichter   Gleichrichterdiode   NF-Vorstufenröhre   Kohleschichtwiderstand   Selenflachgleichrichter   gleichrichtersaeulen   Kostenvoranschlag   Netzgleichrichter   Koppelkondensator   Ausgangsübertrager   Koppelkondensators   Selengleichrichter