| Passwort vergessen?
Sie sind nicht angemeldet. |  Anmelden

Sprache auswählen:

Wumpus Gollum Forum von
Wumpus Welt der (alten) Radios
Sie sind nicht angemeldet.
 Anmelden

SABA Villingen 9
  •  
 1 2 3
 1 2 3
10.02.10 13:35
jimmy 

0-49 Punkte

10.02.10 13:35
jimmy 

0-49 Punkte

SABA Villingen 9

Ich: Fernsehtechniker seit 30 Jahren, aber kein Röhren - Freak!
Gerät: SABA Villingen 9. Fehler: Beim Einschalten alles o.k. Nach ca. 2min wird der Ton leiser und verschwindet ganz!
Die Versorgungsspannung sinkt dabei von 170V auf 130V.
Alle Röhren gewechselt,Netzteilelkos gewechselt,Gleichrichter gewechselt. Schaltbild hab ich!
Weis jemand Rat?
Jimmy

Noch gefällt der Beitrag keinem Nutzer.
!
!!! Fotos, Grafiken nur über die Upload-Option des Forums, KEINE FREMD-LINKS auf externe Fotos.    

!!! Keine Komplett-Schaltbilder, keine Fotos, keine Grafiken, auf denen Urheberrechte Anderer (auch WEB-Seiten oder Foren) liegen!
Solche Uploads werden wegen der Rechtslage kommentarlos gelöscht!

Keine Fotos, auf denen Personen erkennbar sind, ohne deren schriftliche Zustimmung.

Den Beitrag-Betreff bei Antworten auf Threads nicht verändern!
10.02.10 14:05
Wolle 

500 und mehr Punkte

10.02.10 14:05
Wolle 

500 und mehr Punkte

Re: SABA Villingen 9

Ich: unwissend seit vielen Jahren und Null Freak. Im Fall des Villingen 9 bitte den Koppelkondensator zur Endröhre E(C)L82 kontrollieren oder besser ersetzen. Als Folge eines Isolationsfehlers erhält das Gitter Anodenspannung vom Vorverstärker durchgereicht. Damit steigt der Anodenstrom im L- Teil und die Betriebsspannung sinkt ab.

Wolle

10.02.10 16:20
jimmy 

0-49 Punkte

10.02.10 16:20
jimmy 

0-49 Punkte

Re: SABA Villingen 9

Hi, super Tip. Ist absolut logisch! Ich konnte aufgrund der starken Änderung der Betriebsspannung leider nichts messtechnisch feststellen.Alle Arbeitspunkte der Vor - und Endstufe haben sich ja verändert! Frage: welchen Kondensator meinst Du ? ( siehe Schaltbild im Anhang )
Gruß Jimmy

10.02.10 16:38
Wolle 

500 und mehr Punkte

10.02.10 16:38
Wolle 

500 und mehr Punkte

Re: SABA Villingen 9

Hallo Jimmy.

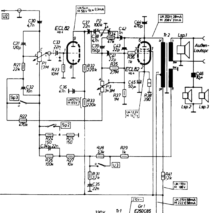
Der Koppelkondensator ist C37 (22 nF), der von der Anode des C- Systems zum Gitter des L- Systems über einen Widerstanf (2,7 MOhm) führt. Wenn dieser Kondensator leck ist, steigt die Kathodenspannung an der Penthode. Sollwert sind etwa 13 Volt, diese Spannung liegt dann höher und zeigt, daß der Anodenstrom zu hoch ist.

Mit vielen Grüßen.
Wolle

10.02.10 16:45
Klaus 

500 und mehr Punkte

10.02.10 16:45
Klaus 

500 und mehr Punkte

Re: SABA Villingen 9

Hallo Jimmy,

zwar sehen wir kein Schaltbild im Anhang, trotzdem sollte dir das Finden des Koppel-C nicht schwer fallen: Er verbindet die Anode der vorausgehenden Röhre mit dem Steuergitter der nachfolgenden und trennt die Anoden-Gleichspannung vom Gitter.
Nebenbei, komplette Schaltpläne sind hier aus urheberrechtlichen Gründen nicht erwünscht, lediglich die relevanten Ausschnitte können gezeigt werden.

Viele Grüße
Klaus


Nachtrag: Sorry, ich sehe gerade, dass sich mein Post mit Wolfgangs überschnitten hat.

Zuletzt bearbeitet am 10.02.10 16:52

11.02.10 08:51
jimmy 

0-49 Punkte

11.02.10 08:51
jimmy 

0-49 Punkte

Re: SABA Villingen 9

Vielen Dank für die Antworten! Habe den C37 ( 22nF ) ersetzt. Leider ohne Erfolg! Fehler ist immer noch vorhanden.
Aber ihr liegt mit eurer Diagnose richtig! Die Spannung amC37 steigt auf bis zu +26V zum Gitter der Pentode. Dann ist der Ton weg. R37 ( 1MOhm nach Masse ) ist o.k.
Was kommt noch in Frage ?
Jimmy

11.02.10 09:23
Pluspol 

500 und mehr Punkte

11.02.10 09:23
Pluspol 

500 und mehr Punkte

Re: SABA Villingen 9

Hallo Jimmi

Vielleicht solltest Du versuchen einen Schaltungsauszug der Endstufe, incl. der NF-Vorstufe Deines Radios ins Forum zu stellen.
Das ist erlaubt und könnte andere zu helfenden Ratschlägen weiter animieren.
Grundsätzlich solltest Du bei vorhandenem Schaltplan sämtliche Betriebsspannungen an den NF-Röhren überprüfen.
Daraus lassen sich dann überhaupt die Ursachen ableiten.
Viel Erfolg noch.

Freundliche Grüße von Dietmar

11.02.10 10:17
Wolle 

500 und mehr Punkte

11.02.10 10:17
Wolle 

500 und mehr Punkte

Re: SABA Villingen 9

Hallo Jimmy.

Wenn der Kondensator nicht die Ursache ist, bleiben nur noch ein Isolationsfehler auf der Leiterplatte oder in der Röhrenfassung. Die Röhre ECL82 kann ich ausschließen?



Mit vielen Grüßen.
Wolle

Datei-Anhänge
villingen_nf.png villingen_nf.png (567x)

Mime-Type: image/x-png, 39 kB

11.02.10 13:24
jimmy 

0-49 Punkte

11.02.10 13:24
jimmy 

0-49 Punkte

Re: SABA Villingen 9

An Pluspol & Wolle.
Schaltplanauszug ( incl.viel Schrott )in Post von Wolle! ECL 82 hatte ich noch orginalverpackt im Schrank, schließe ich als Fehler aus. Komisch: Der Tiefenregler ( Bass P2 ) reagiert nicht normal, kracht und verändert Lautstärke und Klirrfaktor ????
Soll ich die anderen Kondensatoren, WIMA, zum Teil gerissen auch wechseln? ( Rückkopplung, Klangregelung )
Jimmy

11.02.10 13:55
Wolle 

500 und mehr Punkte

11.02.10 13:55
Wolle 

500 und mehr Punkte

Re: SABA Villingen 9

Hallo Jimmy.

Woher soll über die anderen Kondensatoren im Klangregelnetzwerk Gleichspannung kommen? Das geht nur über C37. Was passiert mit der Gleichspannung (26 Volt laut Deiner Messung), wenn Du die ECL82 ziehst?

Viele Grüße.
Wolle

PS. Wie darf ich das verstehen? Schaltplanauszug ( incl.viel Schrott )in Post von Wolle!

 1 2 3
 1 2 3
Versorgungsspannung   Klangregelnetzwerk   Anoden-Gleichspannung   Schaltplanauszug   Betriebsspannungen   Schaltbildauszug   Kurzschluss-Norbert   Gleichspannung   Isolationsfehler   urheberrechtlichen   Fehlermöglichkeit   Bildzeitungsartige   Isolationsfehlers   Fehlererscheinung   Koppelkondensator   Villingen   Betriebsspannung   Fernsehtechniker   Freizeitreparatur   Schaltungsauszug