| Passwort vergessen?
Sie sind nicht angemeldet. |  Anmelden

Sprache auswählen:

Wumpus Gollum Forum von
Wumpus Welt der (alten) Radios
Sie sind nicht angemeldet.
 Anmelden

Nordmende Tannhäuser Chassis aus Isabella Truhe
  •  
 1
 1
18.04.10 18:44
Pendler2007 

500 und mehr Punkte

18.04.10 18:44
Pendler2007 

500 und mehr Punkte

Nordmende Tannhäuser Chassis aus Isabella Truhe

Hallo Forumsfreunde.

Ich bin gerade dabei eine Nordmende Truhe namens Isabella zu überholen.

Ein schönes Teil mit Dual Plattenwechsler

UKW und AM Fehler konnte ich beseitigen,nur die Gegentaktendstufe macht scheinbar noch Probleme.Und zwar ist der Klang sehr schwachbrünstig.Laut Werbeprospekt soll diese Endstufe "gewaltige" 12 Watt leisten können.Die Hochtonwiedergabe ist nun nach einer C-Kur hervorrragend,nur es kommt trotz des riesigen Basslautsprechers kaum Tiefton rüber.Da machen einige andere Radios in meiner Sammlung deutlich mehr "Bumms", obwohl die Lautsprecher viel kleiner sind.
Wie verhält sich eine Gegentaktendstufe eigentlich,wenn eine Röhre ausfällt?
Ich habe dies mal ausprobiert,um einen Röhrenfehler auszuschließen.Interessanterweise ändert sich sowohl die Lautstärke als auch die Wiedergabegüte überhaupt nicht,wenn nur eine EL 84 drinn steckt.Ist das normal?
Falls das normal sein sollte,werde ich nochmal meine Verdrahtung prüfen.Vielleicht hat sich beim Kondensatortausch ein Fehler eingeschlichen.

MfG,

Florian

Noch gefällt der Beitrag keinem Nutzer.
!
!!! Fotos, Grafiken nur über die Upload-Option des Forums, KEINE FREMD-LINKS auf externe Fotos.    

!!! Keine Komplett-Schaltbilder, keine Fotos, keine Grafiken, auf denen Urheberrechte Anderer (auch WEB-Seiten oder Foren) liegen!
Solche Uploads werden wegen der Rechtslage kommentarlos gelöscht!

Keine Fotos, auf denen Personen erkennbar sind, ohne deren schriftliche Zustimmung.

Den Beitrag-Betreff bei Antworten auf Threads nicht verändern!
18.04.10 19:33
Martin.M 

500 und mehr Punkte

18.04.10 19:33
Martin.M 

500 und mehr Punkte

Re: Nordmende Tannhäuser Chassis aus Isabella Truhe

hallo Florian,

1. Endröhren OK?
2. Kathodenelkos der Endröhren OK?
3. KoppelC zu klein gewählt ?

das wär die Checkliste.

nette Grüße
Martin

18.04.10 19:45
Pendler2007 

500 und mehr Punkte

18.04.10 19:45
Pendler2007 

500 und mehr Punkte

Re: Nordmende Tannhäuser Chassis aus Isabella Truhe

Hallo Martin.

Danke für Deine Antwort.

Endröhren sind ok,funktioniern im Eintaktbetrieb einwandfrei.

Die Kathodenelkos habe ich ganz vergessen zu prüfen ( Schande über mich ),werde ich nachholen.Danke
für den Hinweis.

Den Koppel Kondensator habe ich gewechselt,werde mir ihn aber nochmal genauer anschauen.Vielleicht habe ich mich
in der Kapazität geirrt.

Heute werde ich allerdings ncht mehr dazu kommen.Allen noch einen schönen wärmen Sonntagabend.

MfG,

Florian

24.04.10 13:04
Pendler2007 

500 und mehr Punkte

24.04.10 13:04
Pendler2007 

500 und mehr Punkte

Re: Nordmende Tannhäuser Chassis aus Isabella Truhe

Hallo Martin.

Habe endlich Zeit gefunden,an dem Gerätchen weiterzumachen.

Koppel C ist ok.

Ich fand noch einen Fehler im Klangregelteil,ein Kondensator hatte seine Kapazität stark erhöht.Nun ist zumindest bei
gedrückter Bass Taste ein Hauch von Tiefton zu hören.Aber ich denke,dass ist immer noch zu schwach.An einem anderen externen Lautsprecher war der Klang genauso schlecht.

Die Kathodenelkos habe ich vergeblich gesucht,und nicht entdecken können.Die Spannungen an den Kathoden betragen
6 Volt,das dürfte ok sein denke ich.

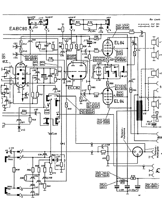
Ich habe mal einen Schaltplanausschnitt der Endstufe mit Phasenumkehrstufe, Klangregelteil und Vorstufe angehängt.Die Qualität ist nicht die beste,kann aber bei Bedarf auch das komplette Schaltbild zusenden.

Vielen Dank schonmal für eventuelle weitere Hinweise.

MfG,

Florian

Datei-Anhänge
Endstufe Tannhäuser Chassis.png Endstufe Tannhäuser Chassis.png (365x)

Mime-Type: image/png, 171 kB

24.04.10 13:22
Martin.M 

500 und mehr Punkte

24.04.10 13:22
Martin.M 

500 und mehr Punkte

Re: Nordmende Tannhäuser Chassis aus Isabella Truhe

hallo Florian,

4. Primärwicklungen des ATR messen, ( anode1 , anode2, jeweils gegen plus) beide Hälften müssen den gleichen Widerstand haben.

nette Grüße
Martin

Zuletzt bearbeitet am 24.04.10 13:22

24.04.10 13:56
Pluspol 

500 und mehr Punkte

24.04.10 13:56
Pluspol 

500 und mehr Punkte

Re: Nordmende Tannhäuser Chassis aus Isabella Truhe

Hallo Florian,

neben der von Martin empfohlenen Widerstandsmessung des Ausgangstrafos, solltest Du auch mal die EABC 80, als NF-Vorverstärker gegen eine gut funktionierende austauschen bzw. dort Kontrollmessungen vornehmen.
Den klassischen Kathodenelko allein gibt es bei Deinem Gerät nicht. Dafür ist eine R-L-C-Kombination vorhanden. Da ist noch eine Spule mit Mittelanzapfung im Katodenkreis. Wenn die Kathodenspannung den vorgegebenen Wert hat, müsste eigentlich der Fehler aus der Ansteuerung der Endröhren kommen.
Wie immer sind hier Geduld und Ausdauer die besten Ratgeber.
Ich wünsche Dir ein schönes Wochenende.

Freundliche Grüße von Dietmar

24.04.10 14:02
Martin.M 

500 und mehr Punkte

24.04.10 14:02
Martin.M 

500 und mehr Punkte

Re: Nordmende Tannhäuser Chassis aus Isabella Truhe

hallo nochmal.

Frage:

Bass weg auch bei TA und AM oder nur im UKW?

Martin

25.04.10 09:48
Pendler2007 

500 und mehr Punkte

25.04.10 09:48
Pendler2007 

500 und mehr Punkte

Re: Nordmende Tannhäuser Chassis aus Isabella Truhe

Guten Morgen alle zusammen.

Habe die Primärseite des ÜTs mal überprüft.Die Gleichstromwiderstände der beiden Wicklungen sind nahezu identisch,nur einige Ohm Abweichung,was ich erstmal nicht so kritisch sehe.

Die Bassarme Wiedergabe erstreckt sich über UKW,AM und einen über TA angeschlossenen CD Player.

Welche Funktion haben denn eigentlich die RC Kombis an den Anoden der EL84? DIese Kondensatoren habe ich noch nicht getauscht,das sie,optisch zumindest,wie aus dem Laden aussehen.

MfG,

Florian

25.04.10 10:33
Klaus 

500 und mehr Punkte

25.04.10 10:33
Klaus 

500 und mehr Punkte

Re: Nordmende Tannhäuser Chassis aus Isabella Truhe

Hallo Florian,

vermutlich sprichst du das sogen. Boucherot- oder Zobelglied an, das meist parallel zum AT liegt. Es hat mehrere Funktionen (Unterdrückung der Schwingneigung, Impedanzkorrektur), ausführlich erläutert im folgenden Beitrag:
http://www.wumpus-gollum-forum.de/forum/...en-2_231.html#5

Viele Grüße
Klaus

25.04.10 11:12
Pendler2007 

500 und mehr Punkte

25.04.10 11:12
Pendler2007 

500 und mehr Punkte

Re: Nordmende Tannhäuser Chassis aus Isabella Truhe

Hallo an alle.

@Klaus: Ja,das werden diese Glieder sein,danke für deinen Hinweis ;o)

Ich habe endlich den Fehler gefunden Ein Widerstand und ein Kondensator in der gehörrichtigen Lautsstärke Korrektur waren defekt.Nach dem Tausch der beiden Teile ist der Klang nun herrlich warm,gut bassbetont und brilliant in den Höhen

Allerdings mit einem Makel muss ich leben:der Abgriff am Lautstärkeregler setzt gelegentlich aus wenn man die Lautstärke verändert.Da fehlen dann wieder die Bässe Aber wenn man gefühlvoll regelt,macht sich das nicht bemerkbar.
Vielleicht krieg ich irgendwann nochmal ein Schrottchassis,aus dem ich so ein Poti gewinnen kann.

Ich bin jetzt sehr zufrieden mit dem Klang des Gerätes.Kraftvoll aber nicht unangenehm,ein tolles Teil.

Vielen Dank wieder mal für Eure Hilfe.So konnte ich zumindest die Endstufe als Fehlerquelle ausschließen.

So,nun werd ich das Teil noch zusammenbauen und dann nix wie in den Garten bei dem Super Wetter.

Also allen noch einen schönen Sonntag.

MfG,

Florian

 1
 1
Impedanzkorrektur   Primärwicklungen   Gegentaktendstufe   wumpus-gollum-forum   Lautstärkeregler   Basslautsprechers   Chassis   Nordmende   Kontrollmessungen   R-L-C-Kombination   NF-Vorverstärker   Tannhäuser   Interessanterweise   Isabella   Phasenumkehrstufe   Gleichstromwiderstände   Kondensatortausch   Schaltplanausschnitt   Hochtonwiedergabe   Widerstandsmessung