| Passwort vergessen?
Sie sind nicht angemeldet. |  Anmelden

Sprache auswählen:

Wumpus Gollum Forum von
Wumpus Welt der (alten) Radios
Sie sind nicht angemeldet.
 Anmelden

Mitzieheffekt bei der AM-Sendereinstellung (Braun 555UKW)
  •  
 1 2
 1 2
15.04.11 10:18
Volker 

500 und mehr Punkte

15.04.11 10:18
Volker 

500 und mehr Punkte

Mitzieheffekt bei der AM-Sendereinstellung (Braun 555UKW)

Hallo zusammen,

bei meinem Braun 555UKW habe ich auf AM (besonders auf Kurzwelle) einen merkwürdigen Effekt beim Einstellen der Sender festgestellt. Nähert man sich von unten der gesuchten Station, liegt der Sender weiter oben. Nähert man sich von der anderen Seite, liegt er weiter unten. Der Abstand zwischen diesen beiden Empfangsfrequenzen liegt bei etwa 10 bis 20 kHz. Dieser Mitzieheffekt ist schon etwas störend, wenn man auf Kurzwelle den Sender genau treffen möchte. Ich kann mir das nur so erklären, dass der Oszillator der ECH81-Mischstufe durch die Empfangsfrequenz oder dessen Oberwellen mitgezogen wird. Das Problem kann wohl bei allen Röhrenradios auftreten, die mit der ECH81 oder einer ähnlichen Röhre arbeiten. Entweder liegt es an der Röhre selbst oder es ist vielleicht irgendein defekter Kondensator im Spiel, wodurch Empfangsfrequenz und Oszillatorfrequenz nicht genügend entkoppelt sind, ist meine Vermutung. Falls jemand Erfahrung mit diesem Fehler hat, wäre ich dankbar. Mechanisches Spiel kann ich als Ursache ausschließen. Oder ist dieser Effekt vielleicht normal?

Hier mein Video zur Verdeutlichung des Effekts:



Viele Grüße Volker

Zuletzt bearbeitet am 15.04.11 10:56

Noch gefällt der Beitrag keinem Nutzer.
!
!!! Fotos, Grafiken nur über die Upload-Option des Forums, KEINE FREMD-LINKS auf externe Fotos.    

!!! Keine Komplett-Schaltbilder, keine Fotos, keine Grafiken, auf denen Urheberrechte Anderer (auch WEB-Seiten oder Foren) liegen!
Solche Uploads werden wegen der Rechtslage kommentarlos gelöscht!

Keine Fotos, auf denen Personen erkennbar sind, ohne deren schriftliche Zustimmung.

Den Beitrag-Betreff bei Antworten auf Threads nicht verändern!
15.04.11 16:09
ingodergute 

Moderator

15.04.11 16:09
ingodergute 

Moderator

Re: Mitzieheffekt bei der AM-Sendereinstellung (Braun 555UKW)

Hallo Volker,

ich habe einen solchen (elektrischen) Effekt noch nicht beobachtet und hätte auch keine Erklärung dafür. Stattdessen würde ich wirklich nochmal mechanische Ursachen untersuchen. Entweder an der Verbindung Drehko/Seilrad oder als Dehnung des Seils oder eine Befestigung des Drehkos bzw. bei induktiver Abstimmung ein auf dem Seil mit Spiel befestigter Spulenkern.
Oszilator- und Eingangskreis liegen um die ZF auseinander und diese Differenz ist wohl deutlich größer als 10% der Nutzfrequenz.

Eine mögliche Erklärung könnte man vielleicht noch darin suchen, dass durch die Feldstärkeänderung beim Abstimmen die Impedanz einer Stufe (Oszillator) verändert wird, aber das müsste dann ein einseitiger Effekt sein also keine beidseitige Hysterese.
Sehr merkwürdig...

Um das Nachziehen auszuschließen, könntest Du folgendes Experiment machen:
Klemme die Antenne ab. Suche eine Stelle auf der Skala, wo kein Sender zu hören ist - dann sollte es auch kein Mitziehen geben können. Suche nun mit einem zweiten Empfänger (z.B. Taschenradio) die Oszillatorfrequenz Deines Braun. Wenn nun beim Verstimmen am Braun immernoch die Hysterese zu beobachten ist, würde ich sehr wahrscheinlich von einem mechanischen Effekt ausgehen.

Gruß Ingo.



_______________________
Schwertfische zu Flugenten!

15.04.11 16:45
wumpus 

Administrator

15.04.11 16:45
wumpus 

Administrator

Re: Mitzieheffekt bei der AM-Sendereinstellung (Braun 555UKW)

Hallo zusammen,

es könnte auch sein, daß die Mischstufe selbst (ich meine nicht den Oszillator) oder die ZF-Stufe schwingt. Dann könnte es auch sein, dass die Mischstufe/Oszillator zu weich mit Betriebsgleichspannung versorgt sind, wenn z.B. ein Elko oder großeer nF-Kondensator in der Versorgungsleitung keine Kapazität mehr hat. Jedenfalls müssen alle Spannungen an der ECH stimmen. Du musst auch schauen, was mit der Regelspannung ist, stimmt die, regelt die, liegt da vielleicht eine positive Spannung drauf?


Gruß von Haus zu Haus Rainer (Forum-Betreiber)

Rettet den analogen deutschen AM / FM - Rundfunk!:
www.rettet-unsere-radios.de

Zuletzt bearbeitet am 15.04.11 16:46

15.04.11 23:53
roehrenfreak

nicht registriert

15.04.11 23:53
roehrenfreak

nicht registriert

Re: Mitzieheffekt bei der AM-Sendereinstellung (Braun 555UKW)

Hallo Volker,

nach dreimaligem Betrachten des Videoclips komme ich zu dem Ergebnis, dass es sich um einen mechanischen Fehler handeln könnte. Schwergängigkeit durch verharztes Fett besonders an der Drehko-Welle in Verbindung mit der Federspannung des Skalenseils führt gern zu einem "Nachziehen", wenn die mechanische Spannung knapp um das Losbrechmoment liegt. Vielleicht schaust Du zunächst dort einmal, ob da wirklich alles frei und leicht läuft.

Freundliche Grüsse,
Jürgen rf

Erzähle es mir – und ich werde es vergessen.
Zeige es mir – und ich werde mich erinnern.
Lass es mich tun - und ich werde es behalten.

(Konfuzius)

http://www.rettet-unsere-radios.de

Zuletzt bearbeitet am 15.04.11 23:57

16.04.11 17:57
Holzradio 

500 und mehr Punkte

16.04.11 17:57
Holzradio 

500 und mehr Punkte

Re: Mitzieheffekt bei der AM-Sendereinstellung (Braun 555UKW)

Hallo Volker,
da gibst du uns aber Rätsel auf. Immerhin schließt du ja mechanisches Spiel schon aus. Aber es sieht wirklich verdammt nach Mechanik aus.

Da der Oszillator 455 kHz über der Empfangsfrequenz schwingt, kann ich mir ein "Einrasten" des Oszillators auf Harmonische oder Subharmonische der Empfangsfrequenz nicht vorstellen. Außerdem hast du das besagte Verhalten über alle Frequenzen und alle AM-Bereiche gleichermaßen festgestellt.

Dass du den Effekt bei Kurzwelle besonders bemerkst liegt an dem geringen Abstand der Sender in Bezug zu Skala. Immerhin überstreicht der KW-Bereich viele MHz.

VG Björn

Es strahlen die Sender Bild, Ton und Wort elektromagnetisch an jeden Ort
-Kraftwerk-


Zuletzt bearbeitet am 16.04.11 18:01

16.04.11 20:28
Volker 

500 und mehr Punkte

16.04.11 20:28
Volker 

500 und mehr Punkte

Re: Mitzieheffekt bei der AM-Sendereinstellung (Braun 555UKW)

Hallo zusammen,

vielen Dank für Eure Antworten. Eigentlich ist der Effekt nur auf Kurzwelle zu bemerken. Da auf Kurzwelle ein Frequenzabschnitt von über 6 MHz überstrichen werden, würde sich dort mechanisches Spiel besonders bemerkbar machen. Ich muss das nochmal genau untersuchen. Das Skalenseil hatte ich vor sieben oder 8 Jahren selbst eingezogen. Bin mal gespannt. Dieses Radio ist wegen des guten Empfangs mein Lieblingempfänger geworden.

Damit vor allen Dinge junge Leute, die noch nie ein Röhrengerät erlebt haben, erfahren, wie das mit den Röhren war, habe ich mein Radio mal auf Video dokumentiert:



Dabei habe ich die Aufwärmephase im Sinne einer Dokumentation ungekürzt gezeigt. Das Radio hängt an einem Dipol für das 80m-Amateurfunkband, wobei die 30 m Koaxkabel als Zuleitung auch noch als Antenne dienen.

Viele Grüße Volker

"Das Radio hat keine Zukunft." (Lord Kelvin, Mathematiker und Physiker (1824-1907))

30.05.13 10:12
Volker 

500 und mehr Punkte

30.05.13 10:12
Volker 

500 und mehr Punkte

Re: Mitzieheffekt bei der AM-Sendereinstellung (Braun 555UKW)

Hallo zusammen,

neulich hatte ich das Radio wieder geöffnet. Die Mechanik als Ursache kann ich ausschließen. Die ECH81 wurde gewechselt und die Erscheinung, die besonders auf Kurzwelle auffällt und bei der Abstimmung stört, besteht weiterhin. Dann werde ich wohl alle Papierkondensatoren an der ECH81 und die für die ZF-Regelung austauschen. Die Widerstandswerte werden natürlich auch überprüft.

Ein Mitziehen der Frequenzen soll ja bei Oktoden (Pentagrid-Mischer) in gewissen Grenzen normal sein. Aber die ECH81 hat eine Heptode zum Mischen und eine Triode als Oszillator.

30.05.13 14:00
nobbyrad58 

500 und mehr Punkte

30.05.13 14:00
nobbyrad58 

500 und mehr Punkte

Re: Mitzieheffekt bei der AM-Sendereinstellung (Braun 555UKW)

Hallo Volker!

Auch Kondensatoren die nicht direkt bei KW extra geschaltet werden könnten dazu gehören. Als Kandidat käme der Verkürzungskondensator des Oszillatordehkos in Frage. Auch Kondensatoren die als gut bezeichnet werden können "böse" werden.

MFG Nobby

Zuletzt bearbeitet am 30.05.13 14:19

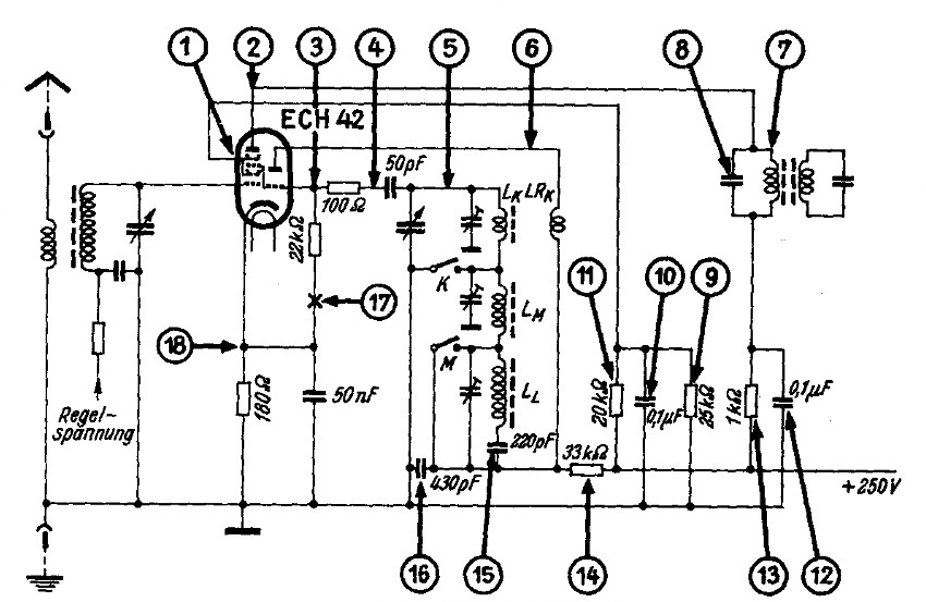
Datei-Anhänge
Misch u. Oszillatorstufe Schema.jpg Misch u. Oszillatorstufe Schema.jpg (290x)

Mime-Type: image/jpeg, 109 kB

30.05.13 16:41
Holzradio 

500 und mehr Punkte

30.05.13 16:41
Holzradio 

500 und mehr Punkte

Re: Mitzieheffekt bei der AM-Sendereinstellung (Braun 555UKW)

Hallo Volker, ich finde "merkwürdige Effekte" immer sehr spannend. Sie wecken meine natürliche Neugier. Soll heißen: ich nehme Beobachtungen gerade in meinem Hobby-Umfeld nicht nur als gegeben hin, sondern möchte möglichst auch gerne wissen was warum passiert. Zuerst habe ich deine Beobachtung gedanklich als vermutlichen Irrtum abgehakt, weil ich mir den Effekt elektrisch-physikalisch nicht vorstellen konnte. Du beteuerst aber wiederholt, dass hier keine Mechanischen Effekte greifen. So bin ich also gerne bereit, meine vorgefasste Meinung nochmals zu überdenken.

Wie hast du die Mechanik ausgeschlossen? Mechanik hört nicht an der Drehkowelle auf. Hast du den von Ingo am 15.04.2011, hier vorgeschlagenen Versuch mal nachvollzogen? (oh!...doch schon 2 Jahre her das...) In Ergänzung würde mich interessieren, ob die Oszillatorfrequenz springt, wenn das Antennensignal am Braun zu- und weggeschaltet wird. Messen kannst du dabei sicher auch gleich mal, ob der Arbeitspunkt der Oszillatortriode tatsächlich vom Antennensignal über Umwege indirekt beeinflusst wird. (Gleichspannungen sehr hochohmig auskoppeln...)

VG Björn

Es strahlen die Sender Bild, Ton und Wort elektromagnetisch an jeden Ort
-Kraftwerk-

30.05.13 17:02
Volker 

500 und mehr Punkte

30.05.13 17:02
Volker 

500 und mehr Punkte

Re: Mitzieheffekt bei der AM-Sendereinstellung (Braun 555UKW)

Hallo Björn,

die Mechanik habe ich genau beobachtet. Deshalb schließe ich eine eventuelle Elastizität des Skalenseils oder sonstiges Spiel aus. Verdreht man den Stationsknopf, verschwindet die Station recht plötzlich. Damit sie wieder kommt, muss man wesentlich weiter in die entgegengesetzte Richtung drehen. Das erinnert an eine - allerdings ungewollte - AFC.

 1 2
 1 2
Papierkondensatoren   elektrisch-physikalisch   größenordnungsmäßig   Oszillator-Frequenz   Empfangsfrequenz   80m-Amateurfunkband   Versorgungsleitung   Gleichspannungsquelle   rettet-unsere-radios   Oszillatorfrequenz   AM-Sendereinstellung   Mitzieheffekt   Empfangsfrequenzen   Federzug-Ausgleich   Oszillatorschwingkreis   Verkürzungskondensator   Schwundregelspannung   Betriebsgleichspannung   elektromagnetisch   Oszillator-Kreiskapazität