| Passwort vergessen?
Sie sind nicht angemeldet. |  Anmelden

Sprache auswählen:

Wumpus Gollum Forum von
Wumpus Welt der (alten) Radios
Sie sind nicht angemeldet.
 Anmelden

Philetta Spezial ist viel zu leise
  •  
 1
 1
27.05.11 22:45
NorbertWerner 

500 und mehr Punkte

27.05.11 22:45
NorbertWerner 

500 und mehr Punkte

Philetta Spezial ist viel zu leise

Hallo zusammen,

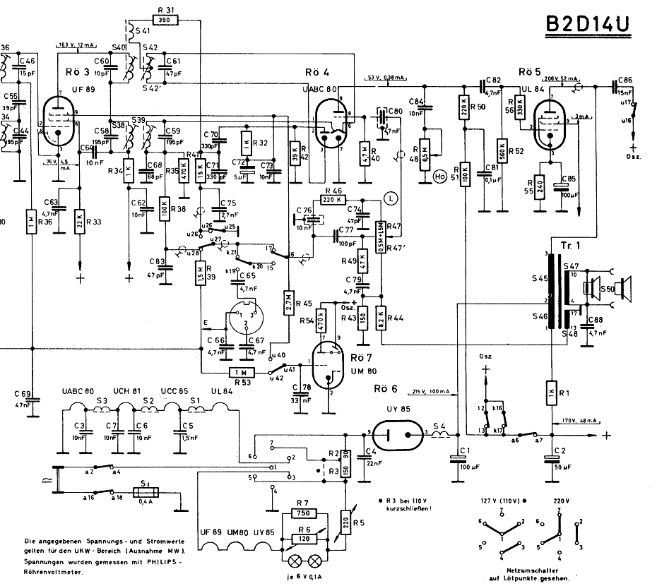
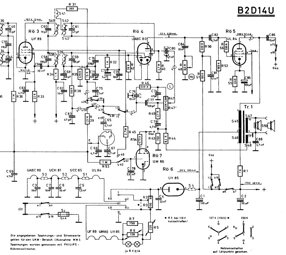
ich habe hier ein Problem mit einem Philips Philetta Spezial (Allströmer) Typ B2D14U. Nach dem einschalten war der Ton erst normal, aber nach kurzer Zeit wurde er extrem leise und leicht verzerrt. Erst dachte ich an schlechte Kontakte einer Röhre, oder Schalter, aber das magische Auge zeigt einen optimalen Empfang.
Ein abknacksen am G1 mit der Messpitze des Multimeters zeigt überhaupt keine Wirkung. Das erwartete starke Brummen blieb aus. Ich habe fast die Vermutung, das die UL84 taub ist.
Ich messe an der Anode 259V, an G2 211V, an der Kathode(+G3) 33V und an G1 0V. Ich habe zwar keinen Schaltplan, aber die Spannungen scheinen mir normal zu sein.
Vielleicht hat ja jemand von Euch eine Idee was der Grund für den sehr leisen Ton sein kann.

Gruss
Norbert

Noch gefällt der Beitrag keinem Nutzer.
!
!!! Fotos, Grafiken nur über die Upload-Option des Forums, KEINE FREMD-LINKS auf externe Fotos.    

!!! Keine Komplett-Schaltbilder, keine Fotos, keine Grafiken, auf denen Urheberrechte Anderer (auch WEB-Seiten oder Foren) liegen!
Solche Uploads werden wegen der Rechtslage kommentarlos gelöscht!

Keine Fotos, auf denen Personen erkennbar sind, ohne deren schriftliche Zustimmung.

Den Beitrag-Betreff bei Antworten auf Threads nicht verändern!
27.05.11 23:20
nobbyrad58 

500 und mehr Punkte

27.05.11 23:20
nobbyrad58 

500 und mehr Punkte

Re: Philetta Spezial ist viel zu leise

Hallo Norbert !

Das Katodenaggregat der UL84; den Widerstand und den Kondensator prüfen, den Gitterableitwiderstand der UL84 oder der Koppelkondensator zur UL 84. Mein Favorit ist der Katodenwiderstand muss aber nicht sein. 33V an der Katode sind eindeutig zu viel, und 259V an der Anode auch das spricht gegen einen zu hohen Anodenstrom durch einen def. Koppelkondensator. Das gleiche hatte ich auch schon mal gehabt mit den gleichen Symptomen.

MFG Nobby

28.05.11 00:26
NorbertWerner 

500 und mehr Punkte

28.05.11 00:26
NorbertWerner 

500 und mehr Punkte

Re: Philetta Spezial ist viel zu leise

Hallo Nobby,

danke für den Tip mit der Kathode. Es war wirklich der Kathodenwiderstand. Habe mal zum testen einen 150Ohm Widerstand eingebaut. Jetzt hat der Philetta wieder einen 'normalen' Ton.
Ehrlich gesagt, das Gerät hat mich gefoppt. Im Kathodenkreis sind hier zwei Kondensatoren. Der eine ist in einem Papprohr versteckt und der 'sichtbare' Elko (5uF/70V) hätte ja erst einen Durchbruch bei einer Spannung von >70V haben sollen. Ich hatte nur in dem Wirrwar nicht gesehen, dass der 5uF Elko nicht an Masse geht.
Manchmal ist es besser zu Messen, als zu denken.
Was mich jetzt noch interessieren würde ist der Wert des originalen Widerstandes. Es ist ein Drahtwiderstand und ich vermute er hat ca 1 Watt.

Gruss
Norbert

Zuletzt bearbeitet am 28.05.11 00:51

28.05.11 02:36
nobbyrad58 

500 und mehr Punkte

28.05.11 02:36
nobbyrad58 

500 und mehr Punkte

Re: Philetta Spezial ist viel zu leise

Hallo Norbert !

Lt. Datasheet : VB = 170V RK = 130 Ohm

VB = 200V RK = 215 Ohm
VB = Betriebsspannung

Max Katodenstrom 100 mA * - ug1 12,5V = 1,25W. Im Klartext würde ich 4W Gesamt Belastbarkeit nehmen wenn Platz, es verteilt sich die Wärme besser. Die Werte sind nicht ganz E12 gerecht. 130 Ohm = 120 +10 , bei 215 Ohm 220 . 2W Widerstände würden auch reichen, sind aber kleine heiße Dinger. Kleiner Nachtrag: Bei einem vergleichbaren NL Philips RK 220 Ohm VB 205V.

MFG Nobby

Zuletzt bearbeitet am 28.05.11 16:16

28.05.11 23:34
NorbertWerner 

500 und mehr Punkte

28.05.11 23:34
NorbertWerner 

500 und mehr Punkte

Re: Philetta Spezial ist viel zu leise

Hallo Nobby,

so wie ich das jetzt sehe habe ich den Widerstand von seiner Leistung her etwas schlecht gewählt. Der 150Ohm Widerstand hat nur 1/2W. Ich werde ihn gegegen einen Widerstand mit höherer Leistung austauschen. Ich habe da noch einen mit 150Ohm/5W. Ich werde gleich noch zur Sicherheit den Kathoden-Elko wechseln, denn der wird wahrscheinlich auch gelitten haben.
Ich habe da noch mal nachgemessen, mit 150 Ohm Kathodenwiderstand messe ich bei voller Lautstärke eine gemittelte Kathodenspannung von 11.1V. Folglich sollte der Widerstand >0.82W haben.
Leider ist dies mein einziger Philetta mit U-Rören, sonst hätte ich mal nachgeschaut welchen Wert der originale Widerstand hat.

Gruss
Norbert

28.05.11 23:55
nobbyrad58 

500 und mehr Punkte

28.05.11 23:55
nobbyrad58 

500 und mehr Punkte

Re: Philetta Spezial ist viel zu leise

Hallo Norbert !

Die 220 Ohm würde ich schon nehmen. Es gibt einige Original Datenblätter Online da ist dieser Wert angegeben. Eine ähnliche Philipsschaltung sieht da auch 220 Ohm vor. 2W reichen auch aus. Den Katodenelko zu tauschen ist richtig, das mach ich eigentlich immer von vornherein. Bei der Berechnung der Belastbarkeit bin ich vom max Katodenstrom ausgegangen. Zur Not kann man ja auch 2 Widerstände hintereinander schalten bis man den richtigen hat.

MFG Nobby

29.05.11 08:24
Wolle 

500 und mehr Punkte

29.05.11 08:24
Wolle 

500 und mehr Punkte

Re: Philetta Spezial ist viel zu leise

Hallo Norbert.

Original ist in diesem Gerät ein Kathodenwiderstand von 240 Ohm eingesetzt. Mit 220 Ohm würdest Du also richtig liegen.



Viel Erfolg.
Mit vielen Grüßen.
Wolle

Datei-Anhänge
b2d14u_nf_sch1.png b2d14u_nf_sch1.png (343x)

Mime-Type: image/x-png, 45 kB

29.05.11 23:24
NorbertWerner 

500 und mehr Punkte

29.05.11 23:24
NorbertWerner 

500 und mehr Punkte

Re: Philetta Spezial ist viel zu leise

Hallo Wolle und Nobby,

der Kathoden-Elko ist bei dem Garät in einer Papphalterung 'versteckt'. Als ich ihn ausgelötet hatte sah ich, dass er ausgelaufen war. Jetzt ist mir auch klar, warum ich noch einen verzerrten Ton hörte. Der originale 100µ Elko war nur für maximal 15V ausgelegt und wirkte bei der Überspannung von 33V als eine parallele RC-Kombination. Nobbys Tip, den Elko auszuwechseln, dem kann ich nur zustimmen. Mit dem neuen Elko hat der Philetta jetzt auch wieder einen schönen, satten Bass. Der alte Elko hat gerade noch mal 0.5µF.
@Wolle Danke für den Schaltplan. Als Widerstände habe ich jetzt 2x120Ohm in Reihe verwendet, somit komme ich auf den originalen Wert.

Gruss
Norbert

 1
 1
Koppelkondensator   wahrscheinlich   Gitterableitwiderstand   Belastbarkeit   Katodenaggregat   Philipsschaltung   Kondensatoren   vergleichbaren   Drahtwiderstand   Widerstand   Norbert   Kathoden-Elko   Philetta   Katodenwiderstand   hintereinander   RC-Kombination   Spezial   Betriebsspannung   Kathodenwiderstand   Kathodenspannung