| Passwort vergessen?
Sie sind nicht angemeldet. |  Anmelden

Sprache auswählen:

Wumpus Gollum Forum von
Wumpus Welt der (alten) Radios
Sie sind nicht angemeldet.
 Anmelden

Grundig 365 GW - Allstromgerät Koppelkondensatoren
  •  
 1
 1
03.01.13 22:00
olli031971 

500 und mehr Punkte

03.01.13 22:00
olli031971 

500 und mehr Punkte

Grundig 365 GW - Allstromgerät Koppelkondensatoren

Hallo,

ich bin momentan beim Grundig 365GW noch mit Messungen beschäftigt - siehe auch den anderen Thread zu dem Gerät.
Da dieses Gerät ein Allströmer ohne Netztrennung ist, hat es einige Koppelkondensatoren, um eine Trennung zwischen Gerätemasse und den Anschlussbuchsen herzustellen.
Es gibt hier folgende Buchsen: TA; Lautsprecher; Antenne; Erde; UKW-Dipol

Der TA-Anschluss
hat einen 5nF Koppelkondensator vom mittleren Pin nach Masse. Da ich den nicht nutzen möchte, werde ich ihn in der Rückwand abdecken. Der alte Kondensator kann im Gerät verbleiben.


Der Lautsprecheranschluss
hat keinen Koppelkondensator. Ein Pin ist direkt mit Masse verbunden. Da ich den nicht nutzen möchte, werde ich ihn in der Rückwand abdecken.

Der Antennenanschluss
ist über einen Koppelkondensator 1nF mit dem ZF Sperrkreis verbunden. Da dieser Sperrkreis einseitig an Masse liegt, muss der Koppelkondensator im dümmsten Fall die Netzspannung von der Antenne fern halten. Abdecken geht nicht, also muss ggf. Ersatz her.

Der Erdanschluss
ist mit einem 5nF Koppelkondensator mit Masse verbunden.

UKW-Dipol
ist einseitig mit dem Erdanschluss verbunden - siehe oben.

Ich habe mal interessehalber die Kondensatoren gemessen. Die Kapazität bei allen ungefähr um 80..90% erhöht. Der Isolationswiderstand ist allerdings bei allen Koppelkondensatoren > 5MOhm. Gemessen habe ich den Isolationswiderstand mit meinem Isolavi B bei einer Spannung die > 500 VDC liegt.

Jetzt die Frage:

- Würdet ihr die Koppelkondensatoren tauschen ? Die Isolation ist eigentlich noch brauchbar - Der Ableitstrom ist allerdings durch die höhere Kapazität deutlich erhöht.

- Die Y-Kondensatoren die ich hier als Ersatz einsetzen würde hätten 4700 pF und haben die entsprechende VDE-Kennzeichnung und Prüfspannung bis 250 VAC. Was mache ich am Besten beim Antenneneingang ?. 1000 pF gegen 4700 pF ersetzen ?.

Gruß
Oliver

regency gefällt der Beitrag.
!
!!! Fotos, Grafiken nur über die Upload-Option des Forums, KEINE FREMD-LINKS auf externe Fotos.    

!!! Keine Komplett-Schaltbilder, keine Fotos, keine Grafiken, auf denen Urheberrechte Anderer (auch WEB-Seiten oder Foren) liegen!
Solche Uploads werden wegen der Rechtslage kommentarlos gelöscht!

Keine Fotos, auf denen Personen erkennbar sind, ohne deren schriftliche Zustimmung.

Den Beitrag-Betreff bei Antworten auf Threads nicht verändern!
03.01.13 23:24
ingodergute 

Moderator

03.01.13 23:24
ingodergute 

Moderator

Re: Grundig 365 GW - Allstromgerät Koppelkondensatoren

Hallo Oliver,

wieso lässt Du die originalen Kondensatoren nicht drin, wenn sie MINDESTENS ihre Kapazität noch haben und schaltest ihnen moderne Y-Kondensatoren in Reihe. Dann sind sowohl Funktion als auch Sicherheit gegeben und der Originalzustand schnell wiederherstellbar.

Viele Grüße

Ingo.

04.01.13 08:00
puntomane 

500 und mehr Punkte

04.01.13 08:00
puntomane 

500 und mehr Punkte

Re: Grundig 365 GW - Allstromgerät Koppelkondensatoren

Hallo Oliver,
auf alle Fälle würde ich die Y-C`s nehmen, diese sind von ihrer Bauart zumindest Durchschlagsfest, ein gewisser Ableitstrom wird bei Phasenbelasteter Masse trotzdem fließen.

M.f.G.
harry

04.01.13 14:50
nobbyrad58 

500 und mehr Punkte

04.01.13 14:50
nobbyrad58 

500 und mehr Punkte

Re: Grundig 365 GW - Allstromgerät Koppelkondensatoren

Hallo Oliver!

Noch einfacher als verschließen der Buchsen wäre ein Ablöten der Bauteile an der Buchse. Isolierschlauch drüber, fertig. Geht natürlich nur wenn die Anschlüsse der Buchsen nicht noch als Lötstützpunkte verwendet werden.

MFG Nobby

04.01.13 22:53
olli031971 

500 und mehr Punkte

04.01.13 22:53
olli031971 

500 und mehr Punkte

Re: Grundig 365 GW - Allstromgerät Koppelkondensatoren

Hallo allerseits,

die Kondensatoren zeigen wie üblich eine deutlich erhöhte Kapazität. Allerdings sind sie damals wohl vom Max sehr gut dimensioniert worden (Nennspannung ist mit 500 VAC angegeben). Daher ist die Isolation eigentlich noch brauchbar.
Ich habe aber zwischenzeitlich die benötigten Werte (4700 pF und 1000 pF) als Y-Kondensator gefunden. Somit steht einem Tausch nichts mehr entgegen.
Zur Erläuterung hier mal noch einige Ausschnitte des Schaltbildes:

Einspeisung und Netzteil:
Hier sieht man, dass ein Pol der Netzzuleitung galvanisch mit dem Chassis verbunden ist (rot markiert). Somit wird mit einer Chance von 50% das Chassis 230V AC gegen Erde führen. Wohl dem, der einen FI-Schalter sein eigen nennt .



TA-Anschluss:
Der TA-Anschluss wird nicht benötigt. Da an den Pins teilweise mehrere Bauteile angelötet sind, ich diesen Anschluss nie verwenden werde und ich die orginalen Bauteile möglichst belassen möchte, werde ich die Anschlüsse einfach abdecken.


Lautsprecheranschluss:
Der Lautsprecheranschluss steht direkt mit dem Chassis in Verbindung. Somit fällt auch hier die Benutzung flach. Auch der Anschluss wird einfach abgedeckt.


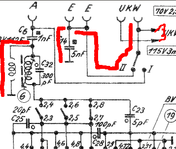
Antennen und Erdanschlüsse:
Sie sind nur durch die Koppelkondensatoren vom Chassis getrennt. Auch hier zeigt die rote Markierung die Gefahr an:

Die beiden Anschlüsse des UKW Dipols sind im UKW-Tuner miteinander galvanisch verbunden. Also steht der UKW-Dipol im Fehlerfall mit dem Chassis in Verbindung. Da das Gehäuse keinen Dipol hat, muss ein Dipol außerhalb des Gerätes angeschlossen werden, was die Sache noch kribbeliger macht.
Da diese Anschlüsse für den Betrieb des Gerätes benötigt werden, müssen die Koppelkondensatoren C14 und C6 durch Y-Typen in der entsprechenden Kapazität ersetzt oder unterstützt werden (Ich möchte hier Wima MP3 Y2 verwenden - die gibt es mit 4700 pF und 1000 pF). Um möglichst wenig zu löten, werde ich mal versuchen, die neuen Kondensatoren in Reihe zu den alten einzubauen. Dann muss nur eine Lötstelle geändert werden.

Sobald die Teile hier sind, werde ich weiter berichten.

Gruß
Oliver

Zuletzt bearbeitet am 04.01.13 23:16

Datei-Anhänge
Bildschirmfoto vom 2013-01-04 22:39:42.png Bildschirmfoto vom 2013-01-04 22:39:42.png (249x)

Mime-Type: image/png, 175 kB

Bildschirmfoto vom 2013-01-04 22:36:29.png Bildschirmfoto vom 2013-01-04 22:36:29.png (248x)

Mime-Type: image/png, 63 kB

Bildschirmfoto vom 2013-01-04 22:37:02.png Bildschirmfoto vom 2013-01-04 22:37:02.png (242x)

Mime-Type: image/png, 42 kB

Bildschirmfoto vom 2013-01-04 22:37:24.png Bildschirmfoto vom 2013-01-04 22:37:24.png (240x)

Mime-Type: image/png, 36 kB

24.01.13 21:02
olli031971 

500 und mehr Punkte

24.01.13 21:02
olli031971 

500 und mehr Punkte

Re: Grundig 365 GW - Allstromgerät Koppelkondensatoren

Hallo,

zum Abschluss habe ich das Ganze mal als PDF zusammen gefasst (siehe Anhang).

Gruß
Oliver

Datei-Anhänge
Berührungsschutz bei Allströmern.pdf Berührungsschutz bei Allströmern.pdf (406x)

Mime-Type: application/pdf, 554 kB

24.01.13 23:46
nobbyrad58 

500 und mehr Punkte

24.01.13 23:46
nobbyrad58 

500 und mehr Punkte

Re: Grundig 365 GW - Allstromgerät Koppelkondensatoren

Hallo Zusammen!

Der Vollständigkeit halber es gab auf Geräte mit 110 - 220 V Gleich.- oder Wechselstromnetze und BATTERIEN. Also Allstromgeräte wie oben mit Batterie "Fallback". Also auch Achtung bei Batterieröhren-Radios mit Netzteil für Heizung und Anode.

MFG Nobby

 1
 1
Koppelkondensatoren   Kondensatoren   Antennenanschluss   Antenneneingang   Phasenbelasteter   VDE-Kennzeichnung   Durchschlagsfest   Wechselstromnetze   Isolierschlauch   Vollständigkeit   Anschlussbuchsen   zwischenzeitlich   Y-Kondensatoren   Koppelkondensator   Batterieröhren-Radios   Lautsprecheranschluss   Allstromgerät   Isolationswiderstand   Originalzustand   wiederherstellbar