| Passwort vergessen?
Sie sind nicht angemeldet. |  Anmelden

Sprache auswählen:

Wumpus Gollum Forum von
Wumpus Welt der (alten) Radios
Sie sind nicht angemeldet.
 Anmelden

Philips Saturn 51
  •  
 1 2
 1 2
11.05.13 20:10
nobbyrad58 

500 und mehr Punkte

11.05.13 20:10
nobbyrad58 

500 und mehr Punkte

Philips Saturn 51

Hallo Zusammen!

Vor einiger Zeit habe ich das Chassis eine Philips Saturn 51 "Chemisch gereinigt" . Jetzt habe ich die Betriebsfähigkeit grundsätzlich wieder hergestellt. Auf MW dudelt der Ortssender WDR 2 erstmal ein paar Stunden, mit Aufsicht.
Auf UKW ist nicht viel los, aber das kommt später. Da ist noch viel zu tun.



MFG Nobby

Datei-Anhänge
Philips Saturn 51 Chassis.jpg Philips Saturn 51 Chassis.jpg (318x)

Mime-Type: image/jpeg, 296 kB

Volker gefällt der Beitrag.
!
!!! Fotos, Grafiken nur über die Upload-Option des Forums, KEINE FREMD-LINKS auf externe Fotos.    

!!! Keine Komplett-Schaltbilder, keine Fotos, keine Grafiken, auf denen Urheberrechte Anderer (auch WEB-Seiten oder Foren) liegen!
Solche Uploads werden wegen der Rechtslage kommentarlos gelöscht!

Keine Fotos, auf denen Personen erkennbar sind, ohne deren schriftliche Zustimmung.

Den Beitrag-Betreff bei Antworten auf Threads nicht verändern!
20.05.13 00:10
nobbyrad58 

500 und mehr Punkte

20.05.13 00:10
nobbyrad58 

500 und mehr Punkte

Re: Philips Saturn 51

Hallo Zusammen!

Hab ein bisschen weitergearbeitet am Philips Saturn. Netzspannung auf 245 V gestellt. Die Anodenbetriebspannung stimmt nun, die Heizspannung hart an der - 5% Hürde. Die neuen Kondensatoren machen es möglich. EM34 fast völlig verbraucht. Auf UKW das Gerät so gut wie möglich abgeglichen, es ist für seine Baujahr gut auf UKW. Die Schwierigkeit war max. Empfindlichkeit und minimale Verzerrungen hinzubekommen. Der Diskriminator ist ein Phasendiskriminator wobei ich mir nicht sicher bin ob dort eine Schaltung mit Begrenzerdiode, es wäre die linke Diode der EBF80 die als solche verwendet wird ist. Die Begrenzung könnte auch bei der zweiten EF 42 die als FM-ZF Verstärker dient mit verwirklicht sein.
MW und KW O.K. soweit LW etwas schwach, aber auch nur ein kurze Antenne von 1,50 m verwendet
Der Rest sind Arbeiten am Gehäuse und noch ein paar Kleinigkeiten. Ach so, bei dem Lehrbuchscan ist die Begrenzerdiode nicht dabei, es gibt auch Schaltungen ohne.

MFG Nobby

Datei-Anhänge
Saturn 51 BD 612 Diskriminator .jpg Saturn 51 BD 612 Diskriminator .jpg (363x)

Mime-Type: image/jpeg, 111 kB

Phasendiskriminator UKW.jpg Phasendiskriminator UKW.jpg (376x)

Mime-Type: image/jpeg, 77 kB

20.05.13 07:44
wumpus 

Administrator

20.05.13 07:44
wumpus 

Administrator

Re: Philips Saturn 51

Hallo Nobby,

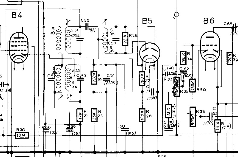
der Schaltbildauszug zeigt nicht die Wege, den der Gleichrichterzweig bei C51 weitergehen, zwei Leitungen führen nach unten weg, wohin? Allerdings ist die Diode am UKW-ZF-Anoden-Kreis der letzten ZF-Stufe schon ein Hinweis auf eine Begrenzerschaltung...



Gruß von Haus zu Haus
Rainer (Forumbetreiber)

20.05.13 08:51
roehrenfreak

nicht registriert

20.05.13 08:51
roehrenfreak

nicht registriert

Re: Philips Saturn 51

Moin Rainer,

dieses Radio hört auch auf den Namen "BD612A". Die linke der beiden von Dir angesprochenen Leitungen führt die Regelspannung zum Fußpunkt des ersten UKW-ZF-Filters, von dort zur Röhre B2, EF42 Steuergitter. Die zweite Leitung führt über einen 5,6M-Widerstand zum Magischen Auge. Die "linke" Diodenstrecke der Röhre B4 (EBF80) arbeitet hier also als Richtspannungsdiode. Ob und mit welcher Wirksamkeit diese Schaltung eine Signalbegrenzung macht... - hmm - aufgrund der Hochohmigkeit denke ich eher weniger.

Was im Schaltbild jedoch auffällt, ist die sehr niedrige Schirmgitterspannung der ersten ZF-Röhre mit nur 35 Volt und die im UKW-Betrieb von 75 auf 65 Volt herabgesetzte Ug2 der EBF80. Dies führt zur Begrenzung.

Frühe UKW-Geräte mit Riegger-Demodulator wie hier benötigten wegen der notwendigen Begrenzerstufe immer eine ZF-Stufe mehr, als spätere Empfänger mit Ratiodetektor.

20.05.13 14:29
nobbyrad58 

500 und mehr Punkte

20.05.13 14:29
nobbyrad58 

500 und mehr Punkte

Re: Philips Saturn 51

Hallo Zusammen!

Danke für die Erklärung, das Schaltbild ist leder nicht das Beste. Jetzt kommen erstmal die Gehäusearbeiten dran.

MFG Nobby

20.05.13 14:32
roehrenfreak

nicht registriert

20.05.13 14:32
roehrenfreak

nicht registriert

Re: Philips Saturn 51

nobbyrad58:
Hallo Zusammen!

Danke für die Erklärung, das Schaltbild ist leder nicht das Beste. Jetzt kommen erstmal die Gehäusearbeiten dran.

MFG Nobby

Hast Du auch diesen Plan mit seltsamen, stellenweisen "Versätzen"? - Tröste Dich, ich auch!
Man kommt aber soweit damit klar.

22.05.13 23:32
nobbyrad58 

500 und mehr Punkte

22.05.13 23:32
nobbyrad58 

500 und mehr Punkte

Re: Philips Saturn 51

Hallo Zusammen!

So langsam geht es weiter. Das Gehäuse mit Aceton abgelackt, es war nicht mehr schön nach einer Reinigung. Etwas angeschliffen und Beize in etwa die alten Farbtöne wiederhergestellt. Dann mit Wachlasur gestrichen oder genauer mit einer kleinen weichen Rolle diese aufgetragen. Ergibt allerdings keinen Hochglanz. Nun kommt die Herausforderung, der richtige Einbau aller Teile des Chassis, bei diesen alten Philips eine Herausforderung. Das kann ein paar Stunden dauern.

MFG Nobby

Datei-Anhänge
Philips Saturn Lerrgehäuse.jpg Philips Saturn Lerrgehäuse.jpg (332x)

Mime-Type: image/jpeg, 211 kB

30.05.13 18:13
nobbyrad58 

500 und mehr Punkte

30.05.13 18:13
nobbyrad58 

500 und mehr Punkte

Re: Philips Saturn 51

Hallo Zusammen!

So langsam geht es weiter. Jetzt habe ich Skala, Schallwand und ein paar Kleinigkeiten in das Leergehäuse eingebaut. Nicht so einfach, wer die alten Philips kennt weis was ich meine. Hat auch ein paar Stunden gedauert.

MFG Nobby

Datei-Anhänge
Philips Saturn 51 Gehäuse mit Schallwand u. Skala.jpg Philips Saturn 51 Gehäuse mit Schallwand u. Skala.jpg (361x)

Mime-Type: image/jpeg, 276 kB

01.06.13 19:48
nobbyrad58 

500 und mehr Punkte

01.06.13 19:48
nobbyrad58 

500 und mehr Punkte

Re: Philips Saturn 51

Hallo Zusammen!

Heute fast alles wieder zusammengebaut. Das Loch oben rechts muss noch "gestopft" werden Die alte EM 34 war völlig verbraucht.
Der Zusammenbau hat auch 5 Std. gedauert, ist eben alles ein bisschen anders bei Philips.
Mit dem Mag. Auge da muss ich mal schauen

MFG Nobby

Datei-Anhänge
Philips Saturn 51 fast fertig.jpg Philips Saturn 51 fast fertig.jpg (395x)

Mime-Type: image/jpeg, 266 kB

04.07.13 14:15
Volker 

500 und mehr Punkte

04.07.13 14:15
Volker 

500 und mehr Punkte

Re: Philips Saturn 51

Hallo Nobby,

Gratulation zu dem schönen Radio. Es muss wohl eines der ersten deutschen UKW-Radios sein. Das Design erinnert noch an die 40er Jahre. Das Radio wurde aber 1951 - 1952 gebaut. Rimlockröhren kamen zum Einsatz. Ein wirklich schönes und interessantes Gerät, um das ich dich beneide.

Das habe ich zur Geschichte des UKW-Rundfunks in Deutschland gefunden: http://de.wikipedia.org/wiki/UKW-Rundfunk#Geschichte Demnach wurde der UKW-Rundfunk 1951 oder 1952 auf breiter Basis eingeführt. 1949 gab es bereits den ersten UKW-Rundfunksender Deutschlands. Nach dem 2. Weltkrieg wurde Deutschland bei der Frequenzzuteilung auf Langwelle und Mittelwelle benachteiligt, weshalb der UKW-Rundfunk frühzeitig vorangetrieben wurde. In Schweden fehlte dieser Druck und UKW wurde erst 1956 in den Ballungsräumen eingeführt. Vorher baute man den Drahtfunk noch fleißig aus.

Zuletzt bearbeitet am 04.07.13 14:17

 1 2
 1 2
Richtspannungsdiode   UKW-ZF-Anoden-Kreis   Kosteninvestition   Schaltungsmodifikation   vor-Neid-rot-werd   elektronikbasteln   Sender-Skalenseil   Otto-Normal-Radio   Frequenzzuteilung   wiederhergestellt   Riegger-Demodulator   UKW-Rundfunksender   Schirmgitterspannung   Wellenbereichsanzeige   Hochglanzlackierung   Philips   Begrenzerschaltung   Gleichrichterzweig   Anodenbetriebspannung   Phasendiskriminator