| Passwort vergessen?
Sie sind nicht angemeldet. |  Anmelden

Sprache auswählen:

Wumpus Gollum Forum von
Wumpus Welt der (alten) Radios
Sie sind nicht angemeldet.
 Anmelden

Reparatur Netzschalter
  •  
 1
 1
11.05.14 13:15
ThomasW

nicht registriert

11.05.14 13:15
ThomasW

nicht registriert

Reparatur Netzschalter

Guten Tag,

ich habe gestern ein altes Stern Radio geschenkt bekommen, das möchte ich reparieren.
Das Gerät ist verbastelt, der Netzschalter (das Gerät hat 2 getrennte Ein/Aus-Schalter) ist defekt.
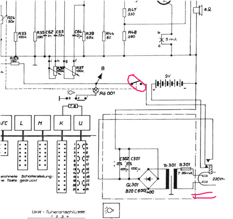
Hier das Schaltbild.



Die Primärseite wird normalerweise über einen Schalter im Lautstärkepotentiometer geschaltet. Dieser Schalter ist leider kaputt und
Ersatz nicht beschaffbar. Der Vorbesitzer hat die beiden Leitungen einfach zusammengelötet und isoliert.

Das Gerät wird über den 2. werksseitigen Schalter normal ein/aus geschaltet.

Ist dieses Vorgehen (brücken des Schalters auf der Primärseite) so akzeptabel?
In einem ähnlichen Gerät (mit Si-Gleichrichter) wird die Primärseite auch nicht zusätzlich geschaltet. Hier der Schaltplan.


Mein Gerät von 1974 hat noch einen original Selengleichrichter auf der Sekundärseite. Muss hier unbedingt die Primärseite bei
nichtbenutzung getrennt werden?

MfG
Thomas

Datei-Anhänge
a.jpg a.jpg (323x)

Mime-Type: image/jpeg, 76 kB

b.jpg b.jpg (336x)

Mime-Type: image/jpeg, 176 kB

Noch gefällt der Beitrag keinem Nutzer.
!
!!! Fotos, Grafiken nur über die Upload-Option des Forums, KEINE FREMD-LINKS auf externe Fotos.    

!!! Keine Komplett-Schaltbilder, keine Fotos, keine Grafiken, auf denen Urheberrechte Anderer (auch WEB-Seiten oder Foren) liegen!
Solche Uploads werden wegen der Rechtslage kommentarlos gelöscht!

Keine Fotos, auf denen Personen erkennbar sind, ohne deren schriftliche Zustimmung.

Den Beitrag-Betreff bei Antworten auf Threads nicht verändern!
11.05.14 14:42
puntomane 

500 und mehr Punkte

11.05.14 14:42
puntomane 

500 und mehr Punkte

Re: Reparatur Netzschalter

Hallo Thomas,
die Abschaltung der Primärseite ist auf alle Fälle die Sicherere und Stromsparende Art, das Überbrücken des Netzschalters bei seinem Defekt, ist eine Notlösung und kann nur zugestimmt werden, wenn die gleiche Art der Netztrennung (Ein,- oder Zwei Polig) per Schnurschalter ausgeführt wird.

11.05.14 15:54
ThomasW

nicht registriert

11.05.14 15:54
ThomasW

nicht registriert

Re: Reparatur Netzschalter

Vielen Dank,

einen Schnurschalter gibt es nicht. Das neuere Gerät (Stern Automatik N) in Schaltplan 2 wurde auch ab Werk ohne Netzleitung und Schnurschalter geliefert. Warum konnte man das vertreten? Noch neuere Geräte ( Automatik 1421 ) haben wieder eine Netztrennung, aber nur ein-Phasig. Gibt es einen Grund für eine Trennung von beiden Leitern?
Ich bin über die vielen Varianten verwundert!

MfG
Thomas

Zuletzt bearbeitet am 11.05.14 15:55

11.05.14 16:26
puntomane 

500 und mehr Punkte

11.05.14 16:26
puntomane 

500 und mehr Punkte

Re: Reparatur Netzschalter

Hallo Thomas,
@....einen Schnurschalter gibt es nicht
natürlich nicht beim Metzger . Der Fachhandel hat Sie noch, im Web gibts genug davon, verstehe deine Zeilen nicht ???

Wenn du ein Netzspannungsbetriebenes sicheres und Stromsparendes Gerät haben möchtest, dann kommst du ohne Netztrennung nicht weit. Für die Industrie kostet jedes Bauteil das den Strom unterbricht, mehr oder weniger Profit, eine Stromeinsparung beim Kunden juckt die nicht die Bohne. Schaue dir mal die Geräte der letzten 20 Jahre an, ein Großteil hat keinen Netzschalter mehr. Bei CPU gesteuerten Geräten ist das etwas anderes, die benötigen bei billigen Produkten, die ständige Netzspannung zum Erhalt ihrer programmierten Werte.
Die Trennung beider Leiter dient nur der höheren Sicherheit.

11.05.14 16:54
pfserv 

50-99 Punkte

11.05.14 16:54
pfserv 

50-99 Punkte

Re: Reparatur Netzschalter

hallo,
wenn Du den Gerätetyp nennst und vielleicht ein Foto vom Schalter dazu tust, können wir im Fundus nach vielleicht was passendem suchen.
Peter

12.05.14 10:18
Ronn 

500 und mehr Punkte

12.05.14 10:18
Ronn 

500 und mehr Punkte

Re: Reparatur Netzschalter

Moin moin,

es gab viele Stern Radios die hatten eine Netztrennung, dann gab es welche die hingen immer am Netz (Elite 2000, alle Automatic N).
Nicht zu vergessen: In den Serviceunterlagen stand auch immer "Änderungen vorbehalten". Ich denke da spielte auch die Verfügbarkeit von Bauteilen eine große Rolle! Teilweise gibt es selbst in einer Geräteserie unterschiedliche Ausführungen. Vielleicht wollte man bei Stern Radio Berlin auch "modern" wirken und sich der in die Mode kommenden "Standby-Schaltung" annähren. duckundweg

73 + 55
Ron

Zuletzt bearbeitet am 12.05.14 10:19

12.05.14 16:22
ingodergute 

Moderator

12.05.14 16:22
ingodergute 

Moderator

Re: Reparatur Netzschalter

Hallo,

die permanente Netzversorgung des Trafos hat auch Sicherheitsgründe. Das Verlegen netzspannungsführender Leitungen durch das Gerät verlangt vom Hersteller Isloation an vielen Stellen. Das spart sich der Hersteller gern. Wird ein Netzteil/Trafo verwendet, an dem nur das Kabel/die Buchse für die Netzzuführung hängt und wird dies komplett zugekauft, braucht sich der Gerätehersteller um die Berührungssicherheit wenig zu kümmern. Das macht auch den Einsatz von Steckernetzteilen für Hersteller so verlockend.
Das Verlegen eines Netzkabels durch ein Kofferradio bis zum Poti ist für den Hersteller angesichts der Tatsache, dass die Geräte vom Service repariert wurden, mit einem Risiko verbunden.

Viele Grüße

Ingo.

 1
 1
zusammengelötet   Netzspannungsbetriebenes   Primärseite   Netztrennung   unterschiedliche   Reparatur   Lautstärkepotentiometer   Gerätehersteller   Serviceunterlagen   Schnurschalter   nichtbenutzung   netzspannungsführender   Standby-Schaltung   Berührungssicherheit   Selengleichrichter   Si-Gleichrichter   Netzschalter   Steckernetzteilen   Sicherheitsgründe   Stromeinsparung