| Passwort vergessen?
Sie sind nicht angemeldet. |  Anmelden

Sprache auswählen:

Wumpus Gollum Forum von
Wumpus Welt der (alten) Radios
Sie sind nicht angemeldet.
 Anmelden

Tecsun PL-390 mit fehlerhafter NF-Endstufe
  •  
 1
 1
17.03.19 17:10
WalterBar 

500 und mehr Punkte

17.03.19 17:10
WalterBar 

500 und mehr Punkte

Tecsun PL-390 mit fehlerhafter NF-Endstufe

Hallo zusammen,

zugegeben, ich habe gegenüber chninesischen Radios aus diesem Jahrzehnt gehörige Qualitätsvorbehalte. Diese bestätigen sich immer wieder in z.B. miserabler Kontaktgabe der Inkrementgeber oder Haltbarkeit von Elkos, die manchmal nur mit Mühe, die 2-jährige Gewährleistungsfrist überstehen. Ich spreche dann gerne von "modernem Leasing", und es kommt der Wunsch bezüglich Nachhaltigkeit auf.

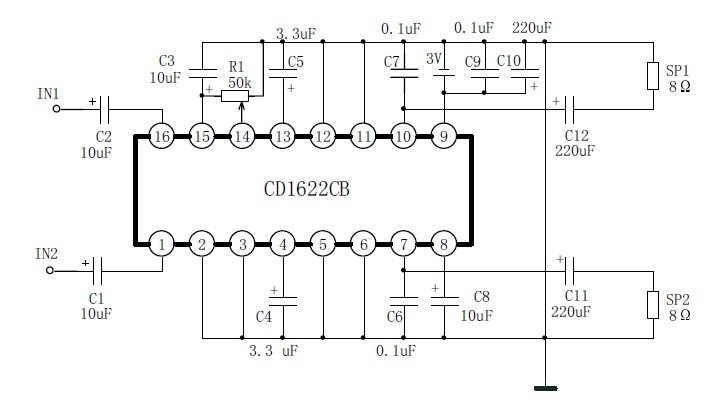
Heute hatte ich einen PL-390 auf dem Tisch. Kurz nach dem Einschalten verschwand die Audio, wobei sie immer leiser wurde. Später kam die Audio verzerrt wieder. Es zeigte sich eine erhöhte Stromaufnahme von 300mA (normalerweise < 10mA) und das NF-IC des Typs CD1622CB von HuaJing wurde heiss. An dieser Stelle stellt sich immer schnell die Entsorgungsfrage, aber das IC ist aus Fernost für etwas über einem Euro erhältlich.

Vor Aufgabe einer Bestellung mit einer Lieferzeit von mindestens 5 Wochen kam ich auf die Idee, die Lautsprecher abzulöten. Hierbei normalisierte sich die Stromaufnahme und die Audio war in einem angeschlossenen Kopfhörer laut und verzerrungsfrei zu hören. Nach einer weiteren Demontage der Platine (es sind nur sämtliche sichtbaren Schrauben zu lösen) war der Zugang zu den beiden 220µF Koppel-Elkos zu den Lautsprechern möglich. Nach Austausch dieser Elkos lief das Gerät wieder einwandfrei.

Letzte Woche testete ich einen "Minion Mini DC-3001" Amateurfunktransceiver aus der Ukraine. Diesen gibt es überhaupt erst ein knappes Jahr, und mir ist in diesem Gerät ein Abblock-Tantal-Elko 16V/33µF an einer 12V-Versorgungsspannung unter starker Hitzeentwicklung abgeraucht. Aber das ist eine andere Geschichte und eventuell einen Bericht im nächsten Monat Wert.









Gruss
Walter


Wumpus hat übrigens auch schon "Tecsun" im Online "Museum"

Zuletzt bearbeitet am 18.03.19 10:26

Datei-Anhänge
Tecsun PL-390 Front.jpg Tecsun PL-390 Front.jpg (320x)

Mime-Type: image/jpeg, 213 kB

Tecsun PL-390 geöffnet.jpg Tecsun PL-390 geöffnet.jpg (316x)

Mime-Type: image/jpeg, 326 kB

CD1622CB.jpg CD1622CB.jpg (316x)

Mime-Type: image/jpeg, 56 kB

Tecsun PL-390 Rückseite.jpg Tecsun PL-390 Rückseite.jpg (336x)

Mime-Type: image/jpeg, 157 kB

RWA, apollo, wumpus und Airwaves gefällt der Beitrag.
!
!!! Fotos, Grafiken nur über die Upload-Option des Forums, KEINE FREMD-LINKS auf externe Fotos.    

!!! Keine Komplett-Schaltbilder, keine Fotos, keine Grafiken, auf denen Urheberrechte Anderer (auch WEB-Seiten oder Foren) liegen!
Solche Uploads werden wegen der Rechtslage kommentarlos gelöscht!

Keine Fotos, auf denen Personen erkennbar sind, ohne deren schriftliche Zustimmung.

Den Beitrag-Betreff bei Antworten auf Threads nicht verändern!
18.03.19 09:10
wumpus 

Administrator

18.03.19 09:10
wumpus 

Administrator

Re: Tecsun PL-390 mit fehlerhafter NF-Endstufe

Hallo Walter,


wenn ich das richtig verstehe, trat also ein hoher Leckstrom durch die Elkos auf?

Grüße von Haus zu Haus
Rainer, DC7BJ (Forumbetreiber)

Welt der alten Radios:
http://www.welt-der-alten-radios.de

Wumpus-Gollum-Forum:
http://www.wumpus-gollum-forum.de/forum

Virtuelle Voxhaus-Gedenktafel:
http://www.voxhaus-gedenktafel.de

Wumpus bei youtube:
https://www.youtube.com/user/MyWumpus

18.03.19 10:25
WalterBar 

500 und mehr Punkte

18.03.19 10:25
WalterBar 

500 und mehr Punkte

Re: Tecsun PL-390 mit fehlerhafter NF-Endstufe

Hallo Rainer,

ja, die Koppel-Elkos zu den Lautsprechern waren beide sehr niederohmig geworden. Am IC-Ausgang liegt fast die ganze Betriebsspannung von 3V an. Was ich nicht verstehe ist, dass es beide Elkos erwischt hat. Der baugleiche Abblock-Elko war noch in Ordnung. Die Elkos haben einen Durchmesser von 5mm, Bauhöhe 7mm, Spannung 10V und Temperatur 105°C. Scheinbar sind die Typen allergisch gegen NF. Ich habe 25V-Typen eingesetzt, die ich natürlich liegend plazieren musste. Das NF-IC ist mit 2x 115mW NF-Output angegeben. Die Lautsprecher sind 0,2W-Typen.










Gruss
Walter

Zuletzt bearbeitet am 18.03.19 10:35

Datei-Anhänge
Tecsun PL-390 innen.jpg Tecsun PL-390 innen.jpg (327x)

Mime-Type: image/jpeg, 175 kB

Tecsun PL-390 Display hochgeklappt.jpg Tecsun PL-390 Display hochgeklappt.jpg (347x)

Mime-Type: image/jpeg, 134 kB

Tecsun PL-390 ersetzte Elkos liegend.jpg Tecsun PL-390 ersetzte Elkos liegend.jpg (318x)

Mime-Type: image/jpeg, 334 kB

Tecsun PL-390 die Übeltäter.jpg Tecsun PL-390 die Übeltäter.jpg (322x)

Mime-Type: image/jpeg, 64 kB

18.03.19 11:54
RWA 

50-99 Punkte

18.03.19 11:54
RWA 

50-99 Punkte

Re: Tecsun PL-390 mit fehlerhafter NF-Endstufe

Hallo Walter,

die Ursache des Ausfalls liegt am zu geringen zulässigen ripple current (überlagerter Wechselstrom) des Kondensators, was schon aus der sehr kleinen Bauform abgeleitet werden kann. Überschlagsmäßig berechnet fließt hier ein Wechselstrom von effektiv bis zu 40 mA durch den Lautsprecher. Ein Kondensator für den hier vorliegenden Anwendungszweck kostet ca. 0,20 € (Einzelstückpreis), der defekte dürfte ca. 0,01 € kosten. Der geeignete hat dann bei 120 Hz einen maximal zulässigen Wechselstrom von mehr als 300 mA, z.B. bei Reichelt mit der Bestellnummer RUBY 25YXH220MT.

Freundliche Grüße
Roland

18.03.19 13:48
WalterBar 

500 und mehr Punkte

18.03.19 13:48
WalterBar 

500 und mehr Punkte

Re: Tecsun PL-390 mit fehlerhafter NF-Endstufe

Hallo Roland,

danke für die Info. Dynamische Prozesse lassen sich nur schwer berechnen. Aber dass es nicht an der Spannungsfestigkeit gelegen haben kann, konnte ich schnell überschlagen. Ich habe einfach nach der grössten Bauform gegriffen, die ich noch habe unterbringen können. Einen ähnlichen Fehler hatte ich schon in einem Sangean WFR-28D. Hier hat sich der Elko (Monogerät) aber nach einer Stunde Betrieb wieder erholt. Insgesamt scheint die Nutzungshäufigkeit auch eine Rolle zu spielen.

Gruss
Walter

 1
 1
NF-Endstufe   Entsorgungsfrage   Abblock-Tantal-Elko   Spannungsfestigkeit   12V-Versorgungsspannung   Qualitätsvorbehalte   verzerrungsfrei   fehlerhafter   Voxhaus-Gedenktafel   Amateurfunktransceiver   welt-der-alten-radios   Hitzeentwicklung   Einzelstückpreis   Nutzungshäufigkeit   Betriebsspannung   Anwendungszweck   Überschlagsmäßig   angeschlossenen   Gewährleistungsfrist   Wumpus-Gollum-Forum