| Passwort vergessen?
Sie sind nicht angemeldet. |  Anmelden

Sprache auswählen:

Wumpus Gollum Forum von
Wumpus Welt der (alten) Radios
Sie sind nicht angemeldet.
 Anmelden

Ein Oszilloscope Marke "Eigenbau"
  •  
 1 2 3 4 5
 1 2 3 4 5
03.05.09 22:03
Martin.M 

500 und mehr Punkte

03.05.09 22:03
Martin.M 

500 und mehr Punkte

Re: Ein Oszilloscope Marke "Eigenbau"

hallo alle,

hallo Rainer, mag sein ich war ein par Tage nach dir dran, aber auch so um diese Zeit,
ein Hameg HM207 Bausatz. Das alte Gerätchen lebt noch, ich mach demnächst mal ein par Bilderchen davon.

nette Grüße
Martin

!
!!! Fotos, Grafiken nur über die Upload-Option des Forums, KEINE FREMD-LINKS auf externe Fotos.    

!!! Keine Komplett-Schaltbilder, keine Fotos, keine Grafiken, auf denen Urheberrechte Anderer (auch WEB-Seiten oder Foren) liegen!
Solche Uploads werden wegen der Rechtslage kommentarlos gelöscht!

Keine Fotos, auf denen Personen erkennbar sind, ohne deren schriftliche Zustimmung.

Den Beitrag-Betreff bei Antworten auf Threads nicht verändern!
04.05.09 06:38
wumpus 

Administrator

04.05.09 06:38
wumpus 

Administrator

Re: Ein Oszilloscope Marke "Eigenbau"

Martin.M:
hallo alle,

hallo Rainer, mag sein ich war ein par Tage nach dir dran, aber auch so um diese Zeit,
ein Hameg HM207 Bausatz. Das alte Gerätchen lebt noch, ich mach demnächst mal ein par Bilderchen davon.

nette Grüße
Martin

Hallo Martin,

fein, mach das. Ich mochte meinen Hameg doch sehr, trotz der geringen Bandbreite.

Mit freundlichen Grüssen Rainer

Möge die Welle mit uns sein.

12.08.11 06:28
wumpus 

Administrator

12.08.11 06:28
wumpus 

Administrator

Re: Ein Oszilloscope Marke "Eigenbau"

wumpus:
Hallo Jürgen,
das ist Dir gut gelungen. Dabei fällt mir mein erster Oszi-Versuch ein: Ich glaube es war der Hameg Bausatz 107. Den gab es mit Anzeigeröhre (DG-7)und ohne. Ich glaubte schlau zu sein und kaufte bei Radio-Arlt in Berlin den ohne Röhre. Weil: Bei Conrad wurde eine viel billigere Röhre dafür angeboten. Allerdings hatte die glaube ich eine leicht andere Bezeichnung DG-7? .

Der Aufbau klappte prima. Ich nahm das Gerät in Betrieb. SCHRECK ! PANIK !

Die billige Röhre war eine Zweischichtenröhre mit zwei Leuchtfarben. Die eine Farbe reagierte verzögerungsfrei, die andere mit starker Nachleuchtdauer !!! OH MANN !

Ich habe mich dann aber an diese "Multi-Media-Show" gewöhnt.


Mit freundlichen Grüssen Rainer

Möge die Welle mit uns sein.



Hallo zusammen,
ich wollte nochmal auf diese teilnachleuchtende Schicht zurückkommen. Kennt jemand den Namen dieser Röhre, die (leider) nutzbar war wie die DG-7 ?


Gruß von Haus zu Haus Rainer (Forum-Betreiber)

Rettet den analogen deutschen AM / FM - Rundfunk!:
www.rettet-unsere-radios.de

Zuletzt bearbeitet am 12.08.11 06:29

12.08.11 08:12
DL7RR 

500 und mehr Punkte

12.08.11 08:12
DL7RR 

500 und mehr Punkte

Re: Ein Oszilloscope Marke "Eigenbau"

DG-7-10 Reiner





Liebe Grüße Bernhard



Die Antenne ist der beste HF-Verstärker!!!

22.04.12 15:14
klaus65555 

500 und mehr Punkte

22.04.12 15:14
klaus65555 

500 und mehr Punkte

Re: Ein Oszilloscope Marke "Eigenbau"

Moin,
ich bin jetzt noch mal in diesen "Faden" reingeschlittert.
Wenn Deine Röhre eine blaue Kurzzeit- und eine gelb(grüne) Langzeitphosphoreszenz zeigte, wird es sich um eine Röhre mit der Bezeichnung DPxxx gehandelt haben.
Gruß
Klaus

22.04.12 21:56
Matt 

500 und mehr Punkte

22.04.12 21:56
Matt 

500 und mehr Punkte

Re: Ein Oszilloscope Marke "Eigenbau"

hallo

Ja, es stimmt mit DPxxx-Eigenschaft
DGxxx ist "normale" CRT

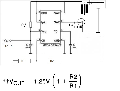
Ich besitze DP10-14, grün, mit grüngelbliche Nachleuchten und DB10-14 mit weißblaue Phosphor.

Gerade baue ich eines Scope mit DB10-14.
Hochspannung wird per MC34063A und HV-Überträger erzeugt.

Falls ihr an diese Schaltung interressiert, dann kann ich ihm sauber zeichnen und hier posten.

Grüss
Matt

Zuletzt bearbeitet am 22.04.12 21:57

23.04.12 08:45
klaus65555 

500 und mehr Punkte

23.04.12 08:45
klaus65555 

500 und mehr Punkte

Re: Ein Oszilloscope Marke "Eigenbau"

Moin Matt,
ja die Schaltung würde mich sehr interessieren.
Freue mich schon drauf.

Gruß
Klaus

23.04.12 17:45
Matt 

500 und mehr Punkte

23.04.12 17:45
Matt 

500 und mehr Punkte

Re: Ein Oszilloscope Marke "Eigenbau"

klaus65555:
Moin Matt,
ja die Schaltung würde mich sehr interessieren.
Freue mich schon drauf.

Gruß
Klaus

hallo


Hier.

Aber nicht 100% feritg.
Varistor oder Überspannungsableiter zwichen Drain und Source anschließen, damit FET nicht beim Überlast absterben.

damit kann man paar mA aus 1kV rausnehmen.
Überträger soll mindenst 20 fach Übersetzung beträgen.
Sekundäre hat nur 20Wdg und Primär hat 400 Wdg.
Dazu HV-Isolierend.

Grüss
Matt

Zuletzt bearbeitet am 23.04.12 17:45

Datei-Anhänge
MC34063E-circuits.jpg MC34063E-circuits.jpg (425x)

Mime-Type: image/jpeg, 32 kB

23.04.12 23:10
klaus65555 

500 und mehr Punkte

23.04.12 23:10
klaus65555 

500 und mehr Punkte

Re: Ein Oszilloscope Marke "Eigenbau"

Danke Dir Matt

Gruß
Klaus

24.04.12 01:39
Martin.M 

500 und mehr Punkte

24.04.12 01:39
Martin.M 

500 und mehr Punkte

Re: Ein Oszilloscope Marke "Eigenbau"

Matt:
Aber nicht 100% feritg.
Varistor oder Überspannungsableiter zwichen Drain und Source anschließen, damit FET nicht beim Überlast absterben.

damit kann man paar mA aus 1kV rausnehmen.
Überträger soll mindenst 20 fach Übersetzung beträgen.
Sekundäre hat nur 20Wdg und Primär hat 400 Wdg.
Dazu HV-Isolierend.

Grüss
Matt


hallo Matt,
ist es nich umgekehrt, also primär 20 und sekundär 400 Wdg.?
Sonst wäre es eine Untersetzung.

nette Grüße
Martin

 1 2 3 4 5
 1 2 3 4 5
Jürgen   Eingangsspannungsbereich   Hochspannungserzeugung   Beschleunigungsspannung   Überspannungsableiter   Grüße   Lötpunktrasterplatten   Freundliche   Zweistrahler-50MHz-Russen   Langzeitphosphoreszenz   verschrottungsträchtigen   Kontrastfilterscheibe   Brückengleichrichtern   Triggerempfindlichkeit   Bandbreiteneinschränkung   Oszilloscope   Messgeräte-Hersteller   Servicefreundlichkeit   Bauelementeverfügbarkeit   Eigenbau