| Passwort vergessen?
Sie sind nicht angemeldet. |  Anmelden

Sprache auswählen:

Wumpus Gollum Forum von
Wumpus Welt der (alten) Radios
Sie sind nicht angemeldet.
 Anmelden

Ein Oszilloscope Marke "Eigenbau"
  •  
 1 2 3 4 5
 1 2 3 4 5
24.04.12 05:14
Matt 

500 und mehr Punkte

24.04.12 05:14
Matt 

500 und mehr Punkte

Re: Ein Oszilloscope Marke "Eigenbau"

Hallo


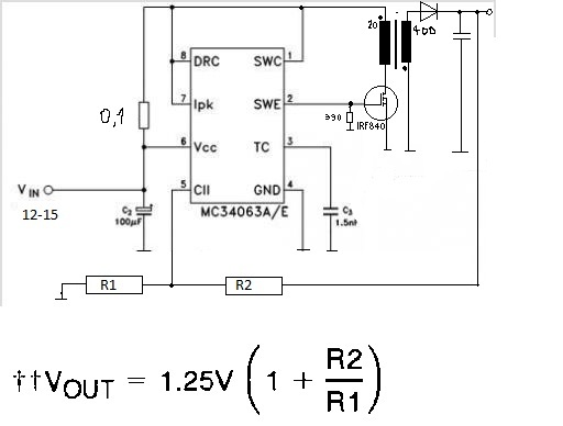
FET schaltet 20Wdg an, Energie wird von 400wdg entnohmen.
Naja gestern war ich zu beschäftigt :-D, Also Danke :-)
Zeichnung hat kleine Fehler: vergessene Polarität von Spule.


Grüss
Matt

Zuletzt bearbeitet am 24.04.12 06:02

Datei-Anhänge
MC34063E-circuits.jpg MC34063E-circuits.jpg (369x)

Mime-Type: image/jpeg, 32 kB

!
!!! Fotos, Grafiken nur über die Upload-Option des Forums, KEINE FREMD-LINKS auf externe Fotos.    

!!! Keine Komplett-Schaltbilder, keine Fotos, keine Grafiken, auf denen Urheberrechte Anderer (auch WEB-Seiten oder Foren) liegen!
Solche Uploads werden wegen der Rechtslage kommentarlos gelöscht!

Keine Fotos, auf denen Personen erkennbar sind, ohne deren schriftliche Zustimmung.

Den Beitrag-Betreff bei Antworten auf Threads nicht verändern!
 1 2 3 4 5
 1 2 3 4 5
Bandbreiteneinschränkung   Hochspannungserzeugung   Jürgen   Freundliche   Messgeräte-Hersteller   Zweistrahler-50MHz-Russen   Grüße   Beschleunigungsspannung   Langzeitphosphoreszenz   Bauelementeverfügbarkeit   Überspannungsableiter   Oszilloscope   verschrottungsträchtigen   Servicefreundlichkeit   Triggerempfindlichkeit   Eigenbau   Eingangsspannungsbereich   Brückengleichrichtern   Kontrastfilterscheibe   Lötpunktrasterplatten