| Passwort vergessen?
Sie sind nicht angemeldet. |  Anmelden

Sprache auswählen:

Wumpus Gollum Forum von
Wumpus Welt der (alten) Radios
Sie sind nicht angemeldet.
 Anmelden

Mini4 peinliche Frage
  •  
 1 2
 1 2
07.10.12 01:54
VolkerK 

0-49 Punkte

07.10.12 01:54
VolkerK 

0-49 Punkte

Mini4 peinliche Frage

Hallole,
ich habe eine etwas peinliche Frage...
Vor ein paar Wochen habe ich ein Mini4 Oszi aus Polen bekommen und es hat keine Schrauben am Gehaeuse !!!
Ich muss zugeben ich habe keine Ahnung wie ich die Innereien aus dem Gehaeuse bekommen kann.
Hat jemand schon mal an solch einem Oszi gearbeitet und kann mich so richtig dumm aussehen lassen
Anbei ein Bild von dem "Jungfernguertel"...
Schonmal Danke fuer jegliche Hilfe,
Volker

Noch gefällt der Beitrag keinem Nutzer.
!
!!! Fotos, Grafiken nur über die Upload-Option des Forums, KEINE FREMD-LINKS auf externe Fotos.    

!!! Keine Komplett-Schaltbilder, keine Fotos, keine Grafiken, auf denen Urheberrechte Anderer (auch WEB-Seiten oder Foren) liegen!
Solche Uploads werden wegen der Rechtslage kommentarlos gelöscht!

Keine Fotos, auf denen Personen erkennbar sind, ohne deren schriftliche Zustimmung.

Den Beitrag-Betreff bei Antworten auf Threads nicht verändern!
07.10.12 01:56
VolkerK 

0-49 Punkte

07.10.12 01:56
VolkerK 

0-49 Punkte

Re: Mini4 peinliche Frage

Ooops, der Anhang mit dem Bild hat es nicht geschafft, hier ist das gute Stueck...

Datei-Anhänge
IMGA0614sm.jpg IMGA0614sm.jpg (322x)

Mime-Type: image/jpeg, 64 kB

07.10.12 06:59
wumpus 

Administrator

07.10.12 06:59
wumpus 

Administrator

Re: Mini4 peinliche Frage

Hallo VolkerK,


kann es sein. dass in den Gummifüßen die Gehäuseschrauben sitzen?


Gruß von Haus zu Haus
Rainer (Forumbetreiber)

07.10.12 07:58
roehrenfreak

nicht registriert

07.10.12 07:58
roehrenfreak

nicht registriert

Re: Mini4 peinliche Frage

Moin Volker,

zunächst einmal Willkommen im Forum! Das von Dir vorgestellte Oszilloskop ist ja schon irgendwie goldig...

Es gibt Geräte, deren Innenleben sich nach Lösen ein, zweier Schrauben an der Rückseite nach vorn herausziehen lässt. Mir sind schon Schrauben untergekommen, die als solche fast nicht zu erkennen waren, da man sie bei der Herstellung mit Sicherungslack oder -paste "zugekleistert" hatte. Damit sich um die Schraube kein "Kleisterhof" ausbildet, wurde gern ein Metallhütchen verwendet, in dem der Schraubenkopf versenkt war.

08.10.12 17:58
VolkerK 

0-49 Punkte

08.10.12 17:58
VolkerK 

0-49 Punkte

Re: Mini4 peinliche Frage

Servus,
Danke fuer die Hilfe. Es stellte sich heraus, dass das Chassis einfach SEHR gut ins Gehaeuse passt und ich musste nur ein "bisschen" Gewalt anwenden um das Chassis vom Gehaeuse zu trennen. Hinten am Gehaeuse ist eine Schraube vorgesehen um das Chassis festzuhalten. Die Schraube ist aber nur M2 und hatte gefehlt. Ich dachte es ist fuer eine Schutleiterklemme.
Also, jetzt ist das gute Stueck sauber, mit ordentlicher M2 Schraube und neuem Netzkabel.
Bilder vom Innenleben...
Gruesse,
Volker

Datei-Anhänge
IMGA0775sm.jpg IMGA0775sm.jpg (380x)

Mime-Type: image/jpeg, 109 kB

IMGA0778sm.jpg IMGA0778sm.jpg (366x)

Mime-Type: image/jpeg, 128 kB

18.10.12 23:44
Martin.M 

500 und mehr Punkte

18.10.12 23:44
Martin.M 

500 und mehr Punkte

Re: Mini4 peinliche Frage

Vielen Dank für den tollen Beitrag.
Das ist mal ein richtig interessantes Gerätchen,
ich hoffe es gibt noch weiteres darüber zu berichten


nette Grüße
Martin

Zuletzt bearbeitet am 18.10.12 23:44

19.10.12 00:26
VolkerK 

0-49 Punkte

19.10.12 00:26
VolkerK 

0-49 Punkte

Re: Mini4 peinliche Frage

Hallo Martin,
bei dem Mini4 hat sich rausgestellt, dass die Gleichrichterroehre defekt ist, eine EY51. Die ist nicht so einfach hier in USA zu kriegen. Also erstmal kommt das gute Stueck in die Warteschleife.
Als naechstes habe ich mir ein Tek 516 vorgenommen. Ich habe einige Deiner Beitraege gelesen und bemerkt, dass Du ein Tek Experte bist Bei meinem 516 ist der HV Trafo defekt und ein Ersatz ist sehr schwer zu bekommen. Aber ich koennte einen HV Trafo von einem 585 kriegen. Denkst Du das wuerde funktionieren? Wenn ich die Schaltplaene vergleiche, so scheint es der 585 Trafo ist derselbe nur mit der Versorgung fuer 5x 5642 anstatt der 3x 5642 fuer das 516.
Hast Du zufaellig Erfahrung mit sowas?
Sorry, wenn ich das Thema aendere und persoenlich werde. Wenn noetig kann ich einen neuen Thread aufmachen.

Uebrigens, ich habe eine umfangreiche Oszi Sammlung, alle vor 1975, also mit Roehren. Meiste sind Deutsch und US, aber auch einzelne Polnische und Englische. Falls jemand Hilfe braucht.... nur melden.

Cheers,
Volker

19.10.12 00:35
Martin.M 

500 und mehr Punkte

19.10.12 00:35
Martin.M 

500 und mehr Punkte

Re: Mini4 peinliche Frage

hallo Volker,

schick mir eine pm mit der Anschrift, ich hab eine frische EY51 (Einlötröhre) für dich da.
Zu dem HV Trafo: Das muß ich erstmal studieren. Es kommt da auf mehrere Dinge an, zB auch welche Röhre den antreibt.


nette Grüße
Martin

19.10.12 06:11
Matt 

500 und mehr Punkte

19.10.12 06:11
Matt 

500 und mehr Punkte

Re: Mini4 peinliche Frage

Hallo

585 und 516 HV-Teil ist ganz anders

585 HV liefert, gesamt 10kV, während 516 4kV.
Dazu ist Verhältnisse von negative und Postive Spannung nicht gleich (das ist am wichtigsten)

Pertinax-Platte verschmort? (Kriechstrecke?)
Bisher 2mal erleben und geretten (536 und 531´s Trafo)
____________________________________________

EY51, könnte ja provoisch durch halbleiter-Diode ersetzen, bis der wieder da.


Achja, willkommen :-)

Grüss
Matt

19.10.12 14:18
VolkerK 

0-49 Punkte

19.10.12 14:18
VolkerK 

0-49 Punkte

Re: Mini4 peinliche Frage

Hallo Matt,
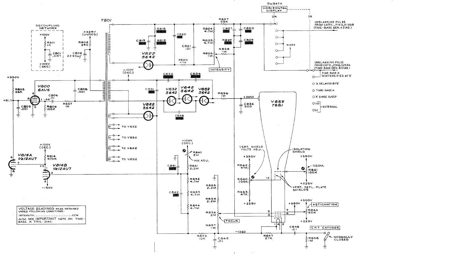
Danke fuer die Hilfe. Ich weiss, dass die Spannungsversorgungen anders sind. Aber der Trafo ist soweit ich sehe derselbe. Nur beim 585 ist eine Spannungsvervierfachung nachgeschaltet, die beim 516 nicht benoetigt wird. Deshalb muss der 585 Trafo 5mal eine 5642 Gleichrichterroehre versorgen, beim 516 sind nur 3mal eine 5642 verwendet. Abgesehen von der Anzahl der 5642 Versorgungen, ist der Trafo derselbe. Ich hoffe ich bin richtig und nicht versunken im Wunschdenken
Der Hartley Oszillator an der Primaerseite des Trafos ist so ziemlich identisch.
Schaltbilder anbei...
Cheers,
Volker

Datei-Anhänge
Tek 516 HV Sch01.jpg Tek 516 HV Sch01.jpg (360x)

Mime-Type: image/jpeg, 109 kB

Tek 585 HV Sch01.jpg Tek 585 HV Sch01.jpg (341x)

Mime-Type: image/jpeg, 149 kB

 1 2
 1 2
Jungfernguertel   Verhältnisse   Metallhütchen   Spannungsversorgungen   Gehäuseschrauben   Schraubenkopf   Pertinax-Platte   Warteschleife   halbleiter-Diode   nachgeschaltet   funktionieren   primärseitig   Gleichrichterroehre   Spannungsvervierfachung   peinliche   Forumbetreiber   sicherstelllen   sekundärseitig   Sicherungslack   Schutleiterklemme