| Passwort vergessen?
Sie sind nicht angemeldet. |  Anmelden

Sprache auswählen:

Wumpus Gollum Forum von
Wumpus Welt der (alten) Radios
Sie sind nicht angemeldet.
 Anmelden

Tek, 310A (2)
  •  
 1 2
 1 2
30.12.11 17:27
Martin.M 

500 und mehr Punkte

30.12.11 17:27
Martin.M 

500 und mehr Punkte

Tek, 310A (2)

hallo alle,

heute hat sich ein Tek310A auf die Reise hierher gemacht,
zwecks Reparatur. Er gehört einem Kolege aus dem Nachbarforum.

Es geht somit grad wieder von vorne los, diesmal wird das eine sehr interessante Baustelle,
in der Fehlerbeschreibung war die Rede von einem pulsierenden Klötzchen auf dem Schirm.

Das somit als Nr.1/2012, pulsierendes Klötzchen auf Tek 310A

weiteres kommt hier in Kürze.

nette Grüße
Martin

Wolle, apollo und roehrenfreak gefällt der Beitrag.
!
!!! Fotos, Grafiken nur über die Upload-Option des Forums, KEINE FREMD-LINKS auf externe Fotos.    

!!! Keine Komplett-Schaltbilder, keine Fotos, keine Grafiken, auf denen Urheberrechte Anderer (auch WEB-Seiten oder Foren) liegen!
Solche Uploads werden wegen der Rechtslage kommentarlos gelöscht!

Keine Fotos, auf denen Personen erkennbar sind, ohne deren schriftliche Zustimmung.

Den Beitrag-Betreff bei Antworten auf Threads nicht verändern!
30.12.11 17:46
Wolle 

500 und mehr Punkte

30.12.11 17:46
Wolle 

500 und mehr Punkte

Re: Tek, 310A (2)

Hallo Martin.

Da freue ich mich auf weitere Berichte. Ich wünsche Dir und allen Forumsfreunden einen guten Start in das Jahr 2012.

Mit lieben Grüßen.
Wolfgang

30.12.11 21:03
roehrenfreak

nicht registriert

30.12.11 21:03
roehrenfreak

nicht registriert

Re: Tek, 310A (2)

Hallo Martin,

auch hier sitzt einer, der wieder gespannt auf einen detaillierten Bericht wartet....

Guten Rutsch ins Neue Jahr!

Freundliche Grüsse,
Jürgen rf

Die Natur als Vorbild hat sich seit Millionen von Jahren bewährt und ist analog - sonst gäbe es schliesslich keine Dämmerung!
http://www.rettet-unsere-radios.de

31.12.11 00:48
Martin.M 

500 und mehr Punkte

31.12.11 00:48
Martin.M 

500 und mehr Punkte

Re: Tek, 310A (2)

hallo Freunde,

auch bei diesem Tek hab ich einen konkreten Verdacht, dazu nehm ich mal ein Bild von meinem:



Bei allen warmen Tekscopes wird eine negative Spannung von -150V sorgsam stabilisiert, diese wird im Gerät überall benötigt.
Gleichzeitig ist sie aber auch die Referenz des Netzteils für alle anderen Spannungen die es zur Verfügung stellt, d.h. stimmt sie nicht, dann stimmt garnichts mehr in der Versorgung. Folgeschäden kann man dann auch nichtmehr ausschließen, weil dann fast immer Überspannung vorliegt, ausgenommen Heizungen (und bei den Einschubgeräten kann es sogar Heizungen treffen, manche Einschübe heizen mit Serienschaltung an 100V= stabilisiert..)

Im Foto seht ihr direkt neben dem unteren Elko eine Gas-Stabi-Röhre, sie leuchtet fleißig. Die ist die Referenz für alles...

Somit mein Verdacht konkret: defekte 5651 Gas Stabi, was man dann zu sehen bekommt ist willkührlich.
Dieser Fehler ist gut reparierbar.

nette Grüße
Martin

Zuletzt bearbeitet am 31.12.11 00:54

31.12.11 15:32
Martin.M 

500 und mehr Punkte

31.12.11 15:32
Martin.M 

500 und mehr Punkte

Re: Tek, 310A (2)

hallo alle,

der kleine Tek ist eben angekommen,
so neugierig wie ich bin, schaun wir mal !

Das pulsierende Klötzchen, da ist es !
ca 1Hz, es reagiert weder auf Helligkeitspoti noch auf Kontrast.



Ich konnte beobachten daß ein gewisses blaues Leuchten in der Endröhre des Hochspannungstrafos sowie in einer der beiden Hochspannungsgleichrichterröhren genau diesem Takt folgt ... selbiger stammt nicht von der Timebase !



Die Gasglimmröhre leuchtet normal.



auch sonst keine Auffälligkeiten.

So, das war die Besichtigung, wie üblich wird nun zu allererst gemessen: Alle Versorgungen.
dann schaun wir mal weiter.

nette Grüße
Martin

Zuletzt bearbeitet am 31.12.11 15:35

Datei-Anhänge
1-310A-2 007.jpg 1-310A-2 007.jpg (331x)

Mime-Type: image/jpeg, 82 kB

1-310A-2 006.jpg 1-310A-2 006.jpg (337x)

Mime-Type: image/jpeg, 101 kB

1-310A-2 008.jpg 1-310A-2 008.jpg (332x)

Mime-Type: image/jpeg, 106 kB

31.12.11 16:16
Martin.M 

500 und mehr Punkte

31.12.11 16:16
Martin.M 

500 und mehr Punkte

Re: Tek, 310A (2)

+100v OK
+300v OK
- 150v OK

*** die Versorgung ist gut ! Damit können Überspannungsschäden schon ausgeschlossen werden.
Auch wenn sich mein Anfangsverdacht hier nicht bestätigt hat, ich finds prima. ***

weiter: HV Test für Soll = -1675V an der oberen der beiden Einlötröhrchen 5642.

nette Grüße
Martin

Zuletzt bearbeitet am 31.12.11 16:20

31.12.11 20:45
Martin.M 

500 und mehr Punkte

31.12.11 20:45
Martin.M 

500 und mehr Punkte

Re: Tek, 310A (2)

hallo alle,

an beiden HV Gleichrichterröhrn wurde viel zu niedrige Spannung gemessen.
Austausch der HV Endstufe und der Steuerröhre brachte keine Änderung.

Somit gehts nun in die altbekannte Geschichte:
HV Kondensatoren, evtl. Gleichrichterröhren...

desweiteren sind ein par Elkos im Gerät die einen sehr betagten Eindruck machen, das sind axiale mit Pappgehäuse.
Austausch davon = wahrscheinlich.

nette Grüße
Martin

Zuletzt bearbeitet am 31.12.11 20:45

01.01.12 15:30
Martin.M 

500 und mehr Punkte

01.01.12 15:30
Martin.M 

500 und mehr Punkte

Re: Tek, 310A (2)

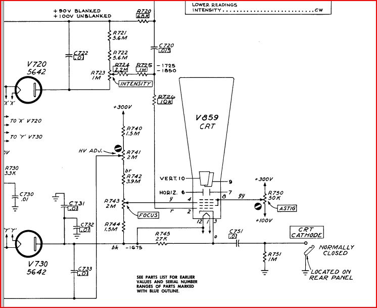
hallo alle,

(( Hinweis: die hier beschriebene Reparatur findet in der Hochspannungsaufbereitung des Gerätes statt, sie erfordert hochvolttaugliches DVM und hochisolierte Messkabel. Wer in dieser Ecke eines Oszis arbeitet soll bitte strengstens au elektrische Sicherheit achten, Spannungen bis über 2000V= sind dort unterwegs! ))


nachdem auch der Austausch dieser Sachen keine Besserung zeigte hab ich am Gitter der HV Regeltriode das Voltmeter angesetzt und dann den Regler HV ADJ gedreht. Dabei zeigte das DVM einen sprunghaften Wechsel von wenigen nach minus 155V.

Der Trimmpoti HV ADJ 2MOhm = R741 wurde dann direkt geprüft und anschließend für tot befunden ...



d.h. ich hab einen Fehler erwischt

nun gehts an den Einbau eines Ersatztrimmers, leider hab ich nur einen 1M da, deswegen erhöh ich R740 von 1,5 auf 2,2MOhm.
dann schaun wir mal weiter...


nette Grüße
Martin

Zuletzt bearbeitet am 01.01.12 16:58

Datei-Anhänge
310A-2-appl1.JPG 310A-2-appl1.JPG (352x)

Mime-Type: image/jpeg, 72 kB

01.01.12 17:08
Martin.M 

500 und mehr Punkte

01.01.12 17:08
Martin.M 

500 und mehr Punkte

Re: Tek, 310A (2)

hallo alle,

aktueller Stand jetzt:

Der kleine Tek lebt wieder, das sieht schon sehr erfreulich aus.
Allerdings hat er noch einen kleinen Ripple auf der Amplitude, jetzt wird mit einem Tek 556 nach auffälligen Schwingungen gesucht.
Vermutlich ist noch irgendwo ein Gammelkondensator am Werk.

nette Grüße
Martin

01.01.12 17:19
Pendler2007 

500 und mehr Punkte

01.01.12 17:19
Pendler2007 

500 und mehr Punkte

Re: Tek, 310A (2)

Hallo Martin.

Glückwunsch zum ersten Reparaturerfolg.

Ich bewundere Deine Gelassenheit beim Umgang mit den hohen Spannungen.

Ich habe von einem Forumskollegen und guten Freund (RF) mal eine HV Messspitze vermacht bekommen,die ich bisher
aus Unsicherheit noch nie angewendet habe.
Kann mich noch gut an meinen ersten unangenehmen Kontakt mit einer nicht entladenenen FS Bildröhre während meiner
Ausbildung erinnern. Das hat wohl ein leichtes Trauma hinterlassen

MfG,

Florian

 1 2
 1 2
Helligkeitspoti   Hochspannungsgleichrichterröhren   Farbfernsehgurke   Gleichrichterröhrn   Hochspannungstrafos   Berührungsschutzes   Überspannungsschäden   Anfangsverdacht   rettet-unsere-radios   Hochspannungsaufbereitung   Scheibenkondensatoren   Gleichrichterröhren   Reparaturerfolg   Fehlerbeschreibung   hochvolttaugliches   Gas-Stabi-Röhre   Gammelkondensator   Einschubgeräten   bearbeitet   Teilerwiderstand