| Passwort vergessen?
Sie sind nicht angemeldet. |  Anmelden

Sprache auswählen:

Wumpus Gollum Forum von
Wumpus Welt der (alten) Radios
Sie sind nicht angemeldet.
 Anmelden

Kopfhörervergleich
  •  
 1 .. 3 4 5 6 7
 1 .. 3 4 5 6 7
20.02.22 00:46
MB-RADIO 

500 und mehr Punkte

20.02.22 00:46
MB-RADIO 

500 und mehr Punkte

Re: Kopfhörervergleich

Hallo Hajo,

nun Die in meinem Allter mit Radiointeresse haben wohl Alle die gleich Laufbahn gehabt. Nach dem ersten Radio mit den teueren Germaniumtransistoren deren Beine nach mehreren Projekten abbrachen, wurden halt immer wieder in neuen Schaltungen verwendet, war der Schuttplatz mein Revier. Nun Transistoren gab es da keine zu finden, aber öfters Röhrenradios, die ich dann geschlachtet habe. Damit begann dann meine Röhrenzeit bis zur Lehre . Dann konnte ich mir bessere Transistoren kaufen, als die teueren OCs aus dem ortsansässigen Laden und danach die Basltertypen für 20 Pfennige aus glaube dem Funkamateur Dresden.
Viele Schaltungen scheiterten an den schlechten Transistoren und nochmehr an der Unwissenheit - das wirst Du wohl auch kennen.
Na gut , genug gelabert, aber ich lerne immer noch , wie im Moment an meinen Jupiter Tonbandgeräten - da bin ich nach einigen Rückschlägen auf der Zielgeraden - demnächst mehr in meiner Beitragsserie.

Viele Grüße
Bernd

Zwei Dinge sind unendlich, das Universum und die menschliche Dummheit, aber bei dem Universum bin nich mir noch nicht ganz sicher. (Albert Einstein)

!
!!! Fotos, Grafiken nur über die Upload-Option des Forums, KEINE FREMD-LINKS auf externe Fotos.    

!!! Keine Komplett-Schaltbilder, keine Fotos, keine Grafiken, auf denen Urheberrechte Anderer (auch WEB-Seiten oder Foren) liegen!
Solche Uploads werden wegen der Rechtslage kommentarlos gelöscht!

Keine Fotos, auf denen Personen erkennbar sind, ohne deren schriftliche Zustimmung.

Den Beitrag-Betreff bei Antworten auf Threads nicht verändern!
21.02.22 00:36
Hajo 

500 und mehr Punkte

21.02.22 00:36
Hajo 

500 und mehr Punkte

Re: Kopfhörervergleich

MB-RADIO:
Viele Schaltungen scheiterten an den schlechten Transistoren und nochmehr an der Unwissenheit - das wirst Du wohl auch kennen.
Na gut , genug gelabert, aber ich lerne immer noch , wie im Moment an meinen Jupiter Tonbandgeräten

Hallo Bernd

Und ob ich das kenne, nur zu gut kenne ich das und Lernen ist ja der einzige Ausweg, den wir ein Leben lang gehen, nicht war?
Du hast Recht, genug gelabert und darum würde ich diesen Faden gerne abschließen, er hat seinen Zweck erfüllt.

Gruß in die Runde
Hajo

06.02.25 11:57
WalterBar 

500 und mehr Punkte

06.02.25 11:57
WalterBar 

500 und mehr Punkte

Re: Kopfhörervergleich

Hallo zusammen,

für Detektorversuche waren bei mir neben den erwähnten RAL Kapseln
die nicht mehr erhältlichen Kleinhörer von Sennheiser PX100 und PX200
mit einer Schalldruckempfindlichkeit von 114dB (mW) besonders geeignet.

Leider gehen Kopfhörer auch bei pfleglicher Behandlung irgendwann kaputt.

Ich habe lange nach einen brauchbaren Ersatz gesucht und wurde nicht
fündig. Als letzte Woche die "tiefe Suche" aus China von sich reden machte,
habe ich die Frage an diese KI gerichtet, die mir umgehend folgende Reihung
präsentierte:

1. Sennheiser HD 25
Sensitivity: 120 dB
Impedance: 70 ohms

2. Audio-Technica ATH-M50x
Sensitivity: 99 dB
Impedance: 38 ohms

3. Beyerdynamic DT 240 Pro
Sensitivity: 104 dB
Impedance: 34 ohms

4. Grado SR80e
Sensitivity: 99.8 dB
Impedance: 32 ohms

5. Sennheiser HD 559
Sensitivity: 110 dB
Impedance: 50 ohms

6. AKG K371
Sensitivity: 114 dB
Impedance: 32 ohms

7. Sony MDR-7506
Sensitivity: 106 dB
Impedance: 63 ohms

Die einzelnen Hörer wurde mit weiterem Text kommentiert, den ich an
dieser Stelle aber nicht wiedergeben will. Ich warf der KI dann vor, sie
würde Äpfel mit Birnen vergleichen und übersehen, dass einige dB-Werte
sich auf mW und andere auf 1V rms beziehen würden. Daraufhin wurde
mir eine Umrechnungsformel übermittelt, die nach meiner Ansicht aber
einen Vorzeichenfehler enthielt. So wurde der HD25 mit absurden
131,55 dB/mW berechnet. Nach meinem Einwand errechnete die KI dann
108,45 dB/mW, dem ich zustimmen konnte. 1V an 70 Ohm
ergeben 14,3 mW entsprechend 11,55 dBm, um die der Sennheiser Wert
reduziert werden muss. Die KI gab zu, der HD25 wäre dann unempfindlicher
und leiser als der PIX100.

Ich habe mir den Sennheiser HD-25 Light dann besorgt. Er soll nur für
das "professional Monitoring" benutzt und nicht an Consumergeräten
angeschlossen werden, damit er nicht überlastet wird.

Dieser Kopfhörer bringt in der Tat die englische Langwelle aus 658 km
Entfernung lautstark zu Gehör, genauso gut oder einen Tick besser
als RAL oder PIX100/200, die auf dem Gebrauchtmarkt inzwischen
deutlich teurer gehandelt werden.

Es geht also nichts über den praktischen Versuch. Ich habe die beiden
Hörer wie üblich in Reihe geschaltet und damit wohl eine bessere
Anpassung an den Trafo getroffen als zuvor.

Gruss
Walter

Nachtrag:

Auf die Lieferung eines Inear-Kopfhörers, der exakt mit 114dB/mW
angegeben ist und aus China kommt, warte ich noch. Die Angaben
sind aber nicht unbedingt vertrauenswürdig. Für den zehnfachen
Preis und einem 4-fach-Dipswitch lässt sich hier die Lautstärke in
Stufen bis auf 105dB/mW reduzieren.

Der Vergleich mit Druckkammerlautsprechern ist schon sehr witzig -
nebelverdächtig! Diese Schalldruckpegel dienen analog zum Intercept-
Punkt IP von Empfängern (Kennwert zur Grosssignalfestigkeit: Eingangs-
leistung in dBm = Schnittpunkt mit den IM-Produkten 3.Ordnung) nur für
Vergleichszwecke und sind keine praktisch betriebene Arbeitspunkte.
Der Wechsel von dBm auf V-rms als Bezugsgrösse soll die Werte
werbewirksam nach oben treiben.
basteljero ist also nicht der einzige Nebelwerfer.

Zuletzt bearbeitet am 13.02.25 10:54

06.02.25 15:06
basteljero 

500 und mehr Punkte

06.02.25 15:06
basteljero 

500 und mehr Punkte

Re: Kopfhörervergleich

Hallo,
Bei den Kopfhörervergleichen gibt es noch einen Fallstick:
Die Gesetzeslage, die verhindern soll, dass durch die Produkte Gehörschäden entstehen.
So gab das Datenblatt eines "in ear-Hörers" (HED4408) eine Empfindlichkeit von 117 dB/mW an.

Das mag auf die eingebauten Kapseln wohl zutreffen, jedoch waren Vorwiderstände verbaut, wie
ein Zerlegen des Hörers zeigte.
https://www.wumpus-gollum-forum.de/forum...&thread=158

Die bisher besten Ergebnisse (im Punkt "Lautstärke") war aber der Einsatz eines Druckkammer-Treibers,
nach dieser Web-Seite:
https://www.crystal-radio.eu/endriver.htm
https://www.crystal-radio.eu/luidsprekertest.htm

Auch mit dem unverzichtbrem Anpassungs-Übertrager konnte die deutliche Überlegenheit des
Treibers gegenüber dem auch hier vorhandenen 2x2000 Ohm "Omega"-Hörern größenmäßig
voll bestätigt werden.
Das liegt wohl daran, dass so ein Treiber einen brutal starken Magneten besitzt, in Verbindung
mit einer großen und schmalen Spule in einem Luftspalt, der in verkleinertem Maßstab in einem
Kopfhörer wohl kaum umzusetzen ist.

Ein Versuch lohnt in jedem Fall, denn man kommt in Bereiche, wo sich selbst bei Schottky-Dioden
Unterschiede deutlich zeigen.
So benötigt die SD101 eine geringe Vorspannung, um in etwa gleiche Lautstärke zu erzielen wie
die BAT15.
Dioden für Detektor hier in einem eigenständigem Beitrag, um etwas "Struktur" zu haben.
https://www.wumpus-gollum-forum.de/forum...&thread=162

Mein bisheriges Fazit:
Letztendlich kommt man um den Selbstbau nicht herum, wenn man einen besonders empfindlichen
Hörer haben will, so wie in diesem Beispiel hier:
https://www.wumpus-gollum-forum.de/forum...&thread=124

Gruß
Jens

10.02.25 00:45
Hajo 

500 und mehr Punkte

10.02.25 00:45
Hajo 

500 und mehr Punkte

Re: Kopfhörervergleich

WalterBar:
Ich habe mir den Sennheiser HD-25 Light dann besorgt....
Dieser Kopfhörer bringt in der Tat die englische Langwelle aus 658 km Entfernung lautstark zu Gehör, genauso gut oder einen Tick besser als RAL oder PIX100/200, die auf dem Gebrauchtmarkt inzwischen deutlich teurer gehandelt werden.

Es geht also nichts über den praktischen Versuch. Ich habe die beiden Hörer wie üblich in Reihe geschaltet und damit wohl eine bessere Anpassung an den Trafo getroffen als zuvor.

Auf die Lieferung eines Inear-Kopfhörers, der exakt mit 114dB/mW angegeben ist und aus China kommt, warte ich noch.
Hallo Walter

Demnach könnte der Sennheiser bei exakter Anpassung vielleicht sogar besser sein, als die Racal Kapseln.
Leider findet man im offiziellen Datenblatt keine Angaben zur Grenzempfindlichkeit. Wäre interessant zu erfahren, woher die KI diese Daten hat. Soviel ich herausgefunden habe, sind die Systeme der Light Ausführung nicht identisch mit denen der "Normalausführung", vielleicht ist der noch empfindlicher.
Bin auf den Test mit den chinesischen Hörern gespannt.

Gruß in die Runde
Hajo

Zuletzt bearbeitet am 10.02.25 00:49

10.02.25 08:17
WalterBar 

500 und mehr Punkte

10.02.25 08:17
WalterBar 

500 und mehr Punkte

Re: Kopfhörervergleich

Hallo Hajo,

basierend auf dem PIX100 (2x32 Ohm) habe ich seinerzeit durch Auswahl verschiedener 1W-Printnetztrafos
(4-6-12-15-30V) den lautesten ausgewählt. Mit 2x70 Ohm sind die Verhältnisse überschaubar anders.
Die chinesische KI gibt übrigens für den HD25 light ebenfalls 120 dB SPL (1 kHz, 1 Vrms) an.
Sie sagt auch, dass das Sennheiser Verbot der Nutzung in mobilen Consumer-Abspielgeräten bei
moderater Lautstärke ignoriert werden kann, was ja eigentlich selbstverständlich ist.

Mir ist auch aufgefallen, dass die Basswiedergabe des Droitwich Senders deutlicher als beim PIX100
(der allerdings nur noch mit einer Kapsel funktioniert) ausgefallen ist. Hier schwächeln insbesondere
die Racal Kapseln.

Über den chinesischen Inear-Hörer werde ich berichten. Er kommt hoffentlich vor der LW-Abschaltung.
Allerdings habe ich ja noch drei NDBs mit stabilen Pegeln zum Vergleich.

Gruss
Walter

https://www.wumpus-gollum-forum.de/forum...d=37&page=1

@basteljero: ... interessiert hier in diesem Zusammenhang nicht wirklich ...

Zuletzt bearbeitet am 10.02.25 13:43

10.02.25 12:26
basteljero 

500 und mehr Punkte

10.02.25 12:26
basteljero 

500 und mehr Punkte

Re: Kopfhörervergleich

Moin,
Walter schrieb:

Zitieren:
Der Vergleich mit Druckkammerlautsprechern ist schon sehr witzig -
nebelverdächtig.

... so tönt es, wie gehabt, aus dem Nebel.


Richtig ist aber, das allein der praktische Vergleich Aufschluß über die Empfindlichkeit geben
kann.

Und zwar mit optimaler Anpassung.
Natürlich nicht über schrottigem 1W-Print-Trafo (da hört man hier so gut wie nichts),
sondern über verlustarmen Übertrager und entsprechender Primär-Impedanz.

Daneben muß man sich fragen:
Die modernen dynamischen Hörer sind alle nach dem gleichen Prinzip aufgebaut, Klangqualität
spielt die entscheidende Rolle, da ja immer ein Verstärker eingesetzt wird.
So ist ja die Spule so konstruiert, dass sie auch bei recht hohen Pegeln immer im Feld bleibt.

Die historischen Hörer (so etwa der "Omega") dagegen haben miserable Klangqualität,
waren aber wegen ihrer recht hohen Empfindlichkeit und Bevorzugung im 1000 Hz-Bereich hervorragend
für Detektorempfang geeignet.

Da kommt der Druckkammer-Treiber nicht nur am nächsten, sondern wegen der massiven Feldstärke im
Luftspalt ist er wesentlich lauter.
In seiner eigentlichen Anwendung soll am Trichter soll er so richtig Lärm machen und sprachverständlich sein,
nichts anderes.
Analog zu den hart aufgehängten Lautsprechern aus dem Musiker-Bereich, die erheblich mehr Druck machen
als der Hifi-Kram.

Hoher Wirkungsgrad war zu also zu erwarten.
Fraglich war nur, ob durch das "Stetophon"-Prinzip (analog zum Stehoskop des Arztes)
eine wesentliche Lautstärke-Reduzierung erfolgt, weil man sich ja wohl kaum einen
10kg-Kopfhörer mit zwei Treibereinheiten (womöglich noch im Motorrad-Helm montiert) auf dem Schädel
haben möchte...


Man hat die Wahl:
Enweder möchte man von den praktischen Ergebnissen anderer profitieren oder eben nicht.
Ich wollte, hier die von Dick Kleijer ermittelte Grenzempfindlichkeit des "Omega"-Hörers,
der bei mir jetzt durch den Treiber obsolet wurde:
2x 2000 Ohm Kopfhörer Omega: 0,033 pW
Treibereinheit Adastra Modell: 952-207: 0,0078 pW
Daten: https://www.crystal-radio.eu/luidsprekertest.htm

Ein Leistungsbedarf von etwa 1/4 ergibt sich auch bei dem Stetophon mit Monachor-Treiber.
Da wegen der besseren Gleichrichtung der Detektor-Diode der Einsatz eines Vorübertrager auch beim
"Omega"-Hörer Verbesserung bringt, brauchen dessen Verluste nicht beim Vergleich berücksichtigt zu werden.

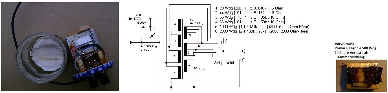
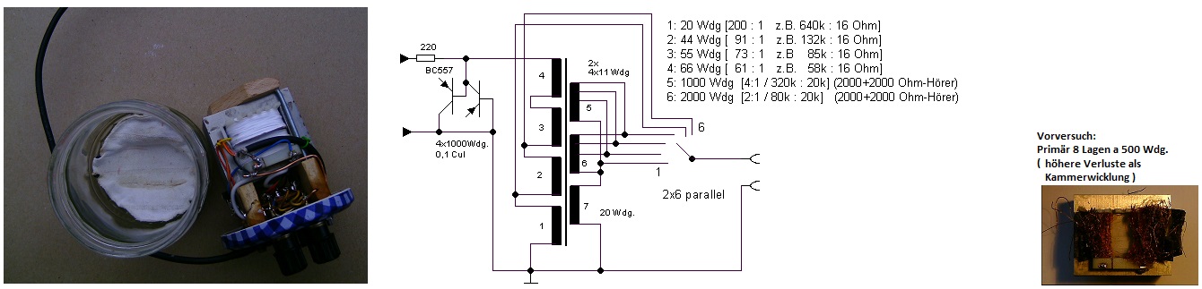
Mein Übertrager sieht derzeit so aus und ist wie üblich als Mehrkammer-System gewickelt:

(Lagenweise Wickeltechnik zeigte auch hier hohe Verluste)
Weiteres hier:
https://www.wumpus-gollum-forum.de/forum...mp;thread=158#6

Gruß
Jens

Zuletzt bearbeitet am 10.02.25 15:19

Datei-Anhänge
Omnitronic-Übertrager für Sprachbereich mit Umschalter_2024-10-27.jpg Omnitronic-Übertrager für Sprachbereich mit Umschalter_2024-10-27.jpg (123x)

Mime-Type: image/jpeg, 142 kB

10.02.25 23:59
basteljero 

500 und mehr Punkte

10.02.25 23:59
basteljero 

500 und mehr Punkte

Re: Kopfhörervergleich

Hallo nochmal,
@Walter

Zitieren:
Auf die Lieferung eines Inear-Kopfhörers, der exakt mit 114dB/mW
angegeben ist und aus China kommt, warte ich noch. Die Angaben
sind aber nicht unbedingt vertrauenswürdig.

Dann kann man ja auch mal zum Vergleich den Monachor ES220 testen, der
ist mit 125dB/mW im Datenblatt angegeben und liegt unter 15 EURO/Ohr.
https://www.monacor.de/produkte/beschall...fhoerer/es-220/

Volker hatte vor kurzem einen Hinweis auf ein Umrechnungsprogramm gegeben,
(https://www.wumpus-gollum-forum.de/forum...7&thread=12)

Für den Monachor ES220 mit angegebenen 8 Ohm ergibt sich dann für 1mW Leistung eine Spannung von
0,09V= 90mV
Legt man die 1Vrms zugrunde, die am Senneheiser HD25 125dB max. Schalldruck bei 70 Ohm erzeugen
(so lese ich das Datenblatt) ergibt sich eine Leistung am Monachor von 130mW, das wäre ein Zuwachs von mehr als
20dB und absolut gehörschädigend.
https://de.wikipedia.org/wiki/Leistungspegel
Da werden beim Monachor wohl noch Widerstände vor den Kapsel verbaut sein.

Zum Vergleich:
Das selbstgebaute Druckkammertreiber-Stethophon hat 16 Ohm, der Übertrager ist durch die Gehörschutz-
Dioden primär auf +/- 0,7 V begrenzt.
Vorgestellt hier:
https://www.wumpus-gollum-forum.de/forum...&thread=158

Mit einer Übersetzung von mindestens 60:1 ergeben sich dann max. 12mV am Treiber.
Das ist unangenehm laut.
Sollte die extrahierte Kapsel aus so einem In-Ear-Hörer wirklich den angegebenen
Schalldruck machen und verlustarm plaziert werden, muss sie ebenfalls unbedingt mit Begrenzung
versehen werden.

https://www.geers.de/hoeren-ohrengesundh...taerke-dezibel/

Messungen:
Der Druckkammer-Treiber zeigte in der Praxis erheblich bessere Empfindlichkeit, er wurde noch etwas verbessert
(größerer Querschnitt der Schläuche) und folgende Schaltung aufgebaut:

Ein Vorteiler ermöglicht bessere Messung der sehr kleinen Signale(Oszilloskop), der 100kOhm-Vorwiderstand
simuliert die Detektor-Diode und es lassen sich ohne Hörer die Verluste des Übertragers grob abschätzen.

Bei größter Lautstärke liegt in etwa Leistungsanpassung vor, so dass mit 1/10 der Effektivspannung und 100 kOhm
Hörer-Innenwiderstand gerechnet wurde.

Die Signalspannung wurde gerade so groß gewählt, dass die Zeichen der Morsetaste gut hörbar waren.

Die erheblich größere Empfindlichkeit des Druckkammer-Treibers erklärt die schönen Ergebnisse mit den verschiedenen
Detektoren in der Praxis (SAQ und MW) mit dem KU916t.
Passen auch ganz gut zu den Angaben von 0,2pW bis 0,6pW Empfindlichkeitsangaben für die "Sound powered"
-Armaturen, wie sie Bertold Bosch benutzt hat.

Das würde in diesem Aufbau etwa 10mVpp am Generator bedeuten, der Ton ist mit dem Treiber unter
Anstrengung gerade noch so zu hören, Morsezeichen könnten nicht erkannt werden.

Gruß
Jens

Zuletzt bearbeitet am 16.02.25 15:30

Datei-Anhänge
Test_diverse_Hörer_2025-02-11.jpg Test_diverse_Hörer_2025-02-11.jpg (155x)

Mime-Type: image/jpeg, 285 kB

14.02.25 13:33
WalterBar 

500 und mehr Punkte

14.02.25 13:33
WalterBar 

500 und mehr Punkte

Re: Kopfhörervergleich

Hallo Hajo,

bei meinem heutigen Detektortest auf Langwelle gab es in puncto
Lautstärke folgende Reihung

1. RACAL-Kapseln
2. Sennheiser HD-25 light
3. Sennheiser PIX100
4. TRN-MT3

In puncto Tragebequemlichkeit sieht das so aus:

1. Sennheiser HD-25 light
2. Sennheiser PIX100
3. TRN-MT3
4. RACAL-Kapseln

Draussen würde ich die Ohrhörer und drinnen also den HD25 bevorzugen.

Die Impedanz des Chinesen wird mit 28 Ohm angegeben. Das ist in meinen Augen
grenzwertig wenig. Insofern überlasse ich das Testen des Monacorvorschlags
(8 Ohm!) anderen. Schliesslich gibt es noch andere Nutzungen als Detektorempfänger.




Gruss
Walter

Nachtrag:

Die Lautstärkeunterschiede sind sehr klein, nur die RACAL-Kapseln ragen etwas raus -
es gibt also keinen Grund, diese Kapseln in Rente zu schicken!

Nachtrag vom 19.02.2025:

Der Monacor ES-220 ist sein Geld nicht wert, Spielkram für Kinderohren und leise
obendrein. BBC war leise hörbar, aber nicht zu verstehen.



Zuletzt bearbeitet am 19.02.25 13:46

Datei-Anhänge
TRN_MT3.jpg TRN_MT3.jpg (137x)

Mime-Type: image/jpeg, 108 kB

Monacor_ES-220.jpg Monacor_ES-220.jpg (129x)

Mime-Type: image/jpeg, 286 kB

15.02.25 02:35
Hajo 

500 und mehr Punkte

15.02.25 02:35
Hajo 

500 und mehr Punkte

Re: Kopfhörervergleich

Hallo Walter

Vielen Dank für den Testbericht
Daß sich die Racals als die Empfindlichsten erwiesen haben, freut mich, daß sie die Unbequemsten sind, ist gut nachvollziehbar.
Um ihre Empfindlichkeit gut auszunutzen, müssen sie nahe an's Ohr und also läuft es auf Ohrenzwicken hinaus.
Aber was nimmt man nicht alles für einen empfindlichen Kopfhörer auf sich - hi.
Ohrstöpsel scheiden bei mir ohnehin aus, ich bekomme davon Probleme mit dem Innenohr. Insofern bedauere ich nicht, daß sie so abgeschnitten haben.

Herzlichen Gruß und Danke
Hajo

Zuletzt bearbeitet am 15.02.25 02:39

 1 .. 3 4 5 6 7
 1 .. 3 4 5 6 7
menschliche   Kapseln   Vielleicht   Empfindlichkeitssteigerung   Druckkammertreiber-Stethophon   Zuletzt   Gleichstromgesamtwiderstand   interessant   Grenzempfindlichkeitsdifferenzen   bearbeitet   Schalldruckempfindlichkeit   Kopfhörervergleich   Seketärinnen-Wechselsprechanlagen   Vergleich   Grenzempfindlichkeit   Empfindlichkeit   allerdings   Schwingkreisresonanzwiderstand   Festfreqenzsinusgenerator   Universum