| Passwort vergessen?
Sie sind nicht angemeldet. |  Anmelden

Sprache auswählen:

Wumpus Gollum Forum von
Wumpus Welt der (alten) Radios
Sie sind nicht angemeldet.
 Anmelden

Frage zum Detektor Bausatz
  •  
 1
 1
10.07.14 11:03
technikfreund 

500 und mehr Punkte

10.07.14 11:03
technikfreund 

500 und mehr Punkte

Frage zum Detektor Bausatz

Hallo Zusammen!

Ich bin gerade mit jungen Radiobastlern
Detektorradios am bauen.

Und zwar verwende ich zwei Bausätze von Opitec.

Den Bausatz habe ich ein wenig umgebaut, da er mit einem Verstärker betrieben werden
sollte, ich wollte jedoch einen klassischen Detektor, der ohne eine Batterie funktioniert.

Bei dem Bausatz wird der beigefügte Spulendraht komplett auf die Spule aufgewickelt (Kunstoffrohr),
in dieses Rohr wird ein weiteres Rohr mit einem eingeklebten Ferritstab zur Abstimmung eingeschoben.

Der Ortssender, der mit 7,5 Kw ERP sendet und ca. 35Km entfernt ist, wird gut empfangen.

Der zweite Bausatz ist genauso aufgebaut, jedoch war hier der beigefügte Spulendraht länger,
während beim ersten ca. 3/4 des Kunstoffrohres bewickelt werden konnten, ist hier fast das ganze
Rohr mit Draht vollgewickelt.

Den Ortssender kann ich mit dem zweiten Detektor nur gaaanz leise empfangen, nun ist meine Frage, ob die Spule
zu lang ist und ob ich diese abwicklen soll.

Da der Lackdraht sehr dünn ist, habe ich nicht so viele Versuche und auch sonst keine weiteren Bauteile zur Hand.

Sonst baue ich meine Detektoren immer mit Drehko und Spule auf.

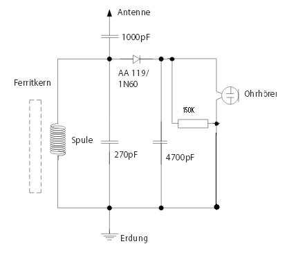
Anbei der umgebaute Schaltplan.


Viele Grüße Technikfreund.

Zuletzt bearbeitet am 10.07.14 11:05

Datei-Anhänge
Detektor Ferritkern.JPG Detektor Ferritkern.JPG (459x)

Mime-Type: image/jpeg, 12 kB

SteffX gefällt der Beitrag.
!
!!! Fotos, Grafiken nur über die Upload-Option des Forums, KEINE FREMD-LINKS auf externe Fotos.    

!!! Keine Komplett-Schaltbilder, keine Fotos, keine Grafiken, auf denen Urheberrechte Anderer (auch WEB-Seiten oder Foren) liegen!
Solche Uploads werden wegen der Rechtslage kommentarlos gelöscht!

Keine Fotos, auf denen Personen erkennbar sind, ohne deren schriftliche Zustimmung.

Den Beitrag-Betreff bei Antworten auf Threads nicht verändern!
10.07.14 11:43
Frank

nicht registriert

10.07.14 11:43
Frank

nicht registriert

Re: Frage zum Detektor Bausatz

Hallo Technikfreund

technikfreund:
Bei dem Bausatz wird der beigefügte Spulendraht komplett auf die Spule aufgewickelt (Kunstoffrohr),
Das ist etwas ungewöhnlich für eine Beschreibung, normal gibt man da mindestens die Anzahl der Windungen an, wenn man reproduzierbare Ergebnisse haben will. Die Abstimmung nur mit dem Ferritstab ist auch nicht grade optimal, du kannst Glück haben daß dein Sender zufällig im günstigen Bereich sendet, kann aber auch sein er ist außerhalb dessen was du mit dem Ferritstab einstellen kannst.
Zitieren:
Sonst baue ich meine Detektoren immer mit Drehko und Spule auf.
Was hält dich davon ab das dieses mal nicht auch zu machen? Wenn ihr genug Zeit habt kann man auch einen abstimmbaren Kondensator bauen.

Gruß Frank

10.07.14 12:54
Pluspol 

500 und mehr Punkte

10.07.14 12:54
Pluspol 

500 und mehr Punkte

Re: Frage zum Detektor Bausatz

Hallo Technikfreund

Das erste wichtige Ziel ist erreicht, Ihr empfangt einen Sender.
Darauf aufbauend sollte der Lackdraht der Spule durch HF-Litze ersetzt werden und statt dem 270pF-Festkondensator ein 330pF bis 500 pF Luftdrehko benutzt werden.
Das Rohr mit dem Ferritkern kann, muss aber nicht zusätzlich verwendet werden, es sei das Frequenzband noch mehr in Richtung niedriger Freqenzen zu verschieben. Sollte kein Luftdrehko verfügbar sein, dann macht es auch ein Foliendrehko aus einem zerlegten Transistorradio. Wegen der relativ kleineren Endkapazitäten müssten die beiden Drehko-AM-Systeme parallel geschaltet werden. Mit der besseren Spulengüte und des vergrößerten Abstimmbereiches wird der Empfang weiterer Sender möglich, evtl. erst abends.

Freundliche Grüße von Dietmar

Zuletzt bearbeitet am 10.07.14 12:56

10.07.14 22:35
Mani

nicht registriert

10.07.14 22:35
Mani

nicht registriert

Re: Frage zum Detektor Bausatz

Hallo, schönen Abend!

Manche Anleitungen sind oft so, daß eine gewisse Länge Draht um einen Durchmesser
gewickelt eine Windungszahl ergibt, das sind meiner Meinung nach keine guten Beschreibungen.

Schon gar nicht, wenn im Schaltplan keine Angabe erfolgt.

Vielleicht sind solche Anleitungen bewusst einfach gehalten worden, obwohl doch eine
Angabe der Windungszahlen ein gewisses Bild ergibt, auch für Anfänger wie mich...

Gruß

Mani

11.07.14 08:13
wumpus 

Administrator

11.07.14 08:13
wumpus 

Administrator

Re: Frage zum Detektor Bausatz

Hallo Technikfreund,


eine Schaltung ohne Drehkondensator würde ich selbst nicht nutzen wollen, da dann die Abstimmung immer ein gewisses Problem darstellt. Heute ist eigentlich immer der Grund für das Fehlen des Drehkos im Beschaffungsmangel zu sehen. Drehko-lose Schaltungen leiden oft an schlechtem Delta (zu geringer Frequenzvarianz) der Empfangsfrequenz.

Wenn aber die Schaltung weiter genutzt werden soll, ist über eine weitere zuschaltbare Festkapazität nachzudenken, die den Frequenzbereich besser steuern könnte.

Auf welcher Frequenz arbeitet Dein Ortssender?




Gruß von Haus zu Haus
Rainer (Forumbetreiber)

09.04.15 20:03
SteffX 

100-249 Punkte

09.04.15 20:03
SteffX 

100-249 Punkte

Re: Frage zum Detektor Bausatz

technikfreund:
Hallo Zusammen!

Ich bin gerade mit jungen Radiobastlern
Detektorradios am bauen.

Und zwar verwende ich zwei Bausätze von Opitec.

Den Bausatz habe ich ein wenig umgebaut, da er mit einem Verstärker betrieben werden
sollte, ich wollte jedoch einen klassischen Detektor, der ohne eine Batterie funktioniert.

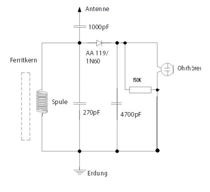
Bei dem Bausatz wird der beigefügte Spulendraht komplett auf die Spule aufgewickelt (Kunstoffrohr),
in dieses Rohr wird ein weiteres Rohr mit einem eingeklebten Ferritstab zur Abstimmung eingeschoben.

Der Ortssender, der mit 7,5 Kw ERP sendet und ca. 35Km entfernt ist, wird gut empfangen.

Der zweite Bausatz ist genauso aufgebaut, jedoch war hier der beigefügte Spulendraht länger,
während beim ersten ca. 3/4 des Kunstoffrohres bewickelt werden konnten, ist hier fast das ganze
Rohr mit Draht vollgewickelt.

Den Ortssender kann ich mit dem zweiten Detektor nur gaaanz leise empfangen, nun ist meine Frage, ob die Spule
zu lang ist und ob ich diese abwicklen soll.

Da der Lackdraht sehr dünn ist, habe ich nicht so viele Versuche und auch sonst keine weiteren Bauteile zur Hand.

Sonst baue ich meine Detektoren immer mit Drehko und Spule auf.

Anbei der umgebaute Schaltplan.


Viele Grüße Technikfreund.


Hallo,

es müssen 70 Windungen auf 20 mm Rohraußendurchmesser sein. Zusammen mit dem AL von ca. 71 des Ferritstabes
(nimm einen Ordentlichen, der im Bausatz enthaltene Mini Ferritstab ist 3 cm lang und 6mm im Durchmesser, der AL Wert ist geringer)
müsstest du auf ca. 350µH Induktivität kommen. Mit 270pF Festkondensator bist du bei einer Frequenz von ca. 517 kHz.
Bei einem Drehkondensator sollte der MW-Bereich zu überstreichen sein.

Der im Bausatz verwendete Kupferlackdraht hat 0.3 mm Durchmesser.


Gruß
Steffan

 1
 1
Abstimmbereiches   Kupferlackdraht   Transistorradio   Rohraußendurchmesser   Bausatz   reproduzierbare   Drehkondensator   Frequenzvarianz   Detektor   Detektorradios   Kunstoffrohres   Beschaffungsmangel   Empfangsfrequenz   270pF-Festkondensator   Frequenzbereich   Festkondensator   Technikfreund   aufgewickelt   Drehko-AM-Systeme   Spulendraht