| Passwort vergessen?
Sie sind nicht angemeldet. |  Anmelden

Sprache auswählen:

Wumpus Gollum Forum von
Wumpus Welt der (alten) Radios
Sie sind nicht angemeldet.
 Anmelden

Experimente mit den einfachsten Schaltungen
  •  
 1
 1
27.03.26 17:37
Alex 

100-249 Punkte

27.03.26 17:37
Alex 

100-249 Punkte

Experimente mit den einfachsten Schaltungen

Hallo zusammen,

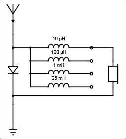
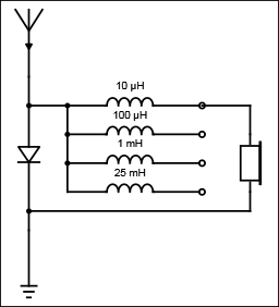
Mit den einfachsten Schaltungen lässt sich die eigene Empfangssituation ohne besonderen Aufwand untersuchen. Die gängige Meinung besagt zwar, dass solche nicht abstimmbaren Detektoren nur in der Nähe von starken Ortssendern gut funktionieren würden aber das habe ich anders erlebt. Als Antenne dient ein ca. 5 Meter langes Kabel welches einfach aus dem Fenster geworfen wird und die Erdung ist die Heizung. Als Diode habe ich entweder 1SS106 (Schottky) oder eine alte russische Germaniumdiode D311 verwendet. Diese beiden sind sich hinsichtlich der Flussspannung recht ähnlich 0.17 V bei der D311 und 0.16 V bei der 1SS106. Die Flussspannung ist zwar nicht unbedingt das Entscheidende aber zumindest ein gutes Indiz.



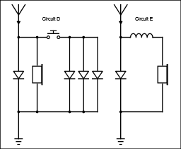
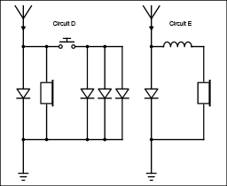
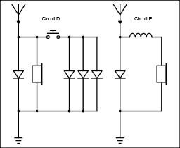
Schaltung A funktionierte schon mal sehr gut und ist geringfügig empfindlicher als Schaltung B mit zwei Dioden.Tagsüber wenn die Radiosignale noch schwach sind hört man hauptsächlich den häuslichen Störnebel: Netzbrummen, Smartphones , Kühlschrank , Lichtschalter aber auch herannahende Gewitter. Nachmittags tauchen dann die ersten Sender auf (Kurzwelle) und im Laufe des Abends wird es unter Berücksichtigung der Jahreszeit richtig schön laut. Interessant fand ich die Feststellung dass bei starken Signalen die Erdung nicht mehr unbedingt hilfreich war und es ohne diese sogar lauter wurde. Während des Übergangs von Tag zu Nacht ist das Fading noch sehr stark aber zu späterer Stunde wurde es zunehmend stabiler sodass ganze Sendungen bequem gehört werden können. Schaltung C funktionierte auch aber leider deutlich leiser.

Als Hörer verwende ich eine "Balanced Armature" Kapsel da der Kristallohrhörer mit den obigen Schaltungen nicht funktionierte (Schaltung C habe ich mit dem Ohrhörer nicht versucht). Typischerweise waren Rumänien,Türkei,England und China am lautesten.

Weitere Versuche:



Jetzt wollte wissen ob durch Parallelschalten mehrerer Dioden das ganze gesteigert werden kann. Mit dieser Maßnahme konnte ein schwaches leises Signal von "Nicht Lesbar" in den lesbaren Bereich gehebelt werden da sich offenbar ein günstigerer Arbeitspunkt ergab. Allerdings war die Freude darüber nur von kurzer Dauer denn bereits eine halbe Stunde später war das Signal bereits so stark dass ich keinen hörbaren Unterschied mehr feststellen konnte.

Schaltung E (Der Klassiker mit HF Drossel) hat eine ausgezeichnete Performance. Es wird markant lauter und eine weitere gute Nachricht ist dass der Ohrhörer nun auch wieder funktioniert.



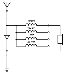
Ich habe dann noch mit unterschiedlichen Induktivitäten experimentiert konnte jedoch keine besonderen Unterschiede feststellen.

Während der Experimente ist mir immer wieder aufgefallen dass je nach dem was ich mit dem Antennenkabel anstelle ab und zu die lokale UKW Station höre wenn auch nur leise mit Verzerrungen. Deshalb ein weiterer Versuch mit Teleskopantenne:



Man muss die beste Lage im Raum finden (Höchste Lautstärke bei geringsten Verzerrungen). Wichtig ist nicht fest zu koppeln sondern einfach ein paar Windungen um die Teleskopantenne zu wickeln und auch das direkte Berühren der Antenne mit der Hand sollte man vermeiden.



Die Feinabstimmung kann über die Länge der Teleskopantenne geregelt werden. In meinen Experimenten hatte ich noch einen abstimmbaren UKW Detektor als Referenz zur Hand. Im Ergebnis kam ich mit dieser einfachen Variante schon recht nahe an die Lautstärke des Referenzgerätes heran.


Viele Grüße
Alex

Man weiß nie, ob etwas funktioniert, bevor man es nicht ausprobiert (Professor Elihu Prudence)

Datei-Anhänge
simple1.png simple1.png (19x)

Mime-Type: image/png, 7 kB

simple2.png simple2.png (22x)

Mime-Type: image/png, 6 kB

simple3.png simple3.png (22x)

Mime-Type: image/png, 8 kB

simple4.png simple4.png (15x)

Mime-Type: image/png, 6 kB

teleskop.png teleskop.png (17x)

Mime-Type: image/png, 113 kB

Axel, Hajo, regency, Martin.M, apollo, joeberesf, Roehren-Lutz und wumpus gefällt der Beitrag.
!
!!! Fotos, Grafiken nur über die Upload-Option des Forums, KEINE FREMD-LINKS auf externe Fotos.    

!!! Keine Komplett-Schaltbilder, keine Fotos, keine Grafiken, auf denen Urheberrechte Anderer (auch WEB-Seiten oder Foren) liegen!
Solche Uploads werden wegen der Rechtslage kommentarlos gelöscht!

Keine Fotos, auf denen Personen erkennbar sind, ohne deren schriftliche Zustimmung.

Den Beitrag-Betreff bei Antworten auf Threads nicht verändern!
29.03.26 14:33
basteljero 

500 und mehr Punkte

29.03.26 14:33
basteljero 

500 und mehr Punkte

Re: Experimente mit den einfachsten Schaltungen

Hallo Alex,

Zitieren:
dass solche nicht abstimmbaren Detektoren nur in der Nähe von starken Ortssendern gut funktionieren würden

... kann ich voll bestätigen. Ist aber wohl an die 50 Jahre her.
Sender: "Billwerder-Morfleet" (Hamburg) irgendwo im MW-Bereich bei 900 kHz und trotz massivem Pegel
im Hörer nur leise. 8in 16 km Entfernung)
Besser wurden die Verhältnisse nach dem Taschengeld-zehrenden Besuch der örtlichen
Radio-Apotheke (Hartpapier-Drehko, besserer Kristallhörer) und der Stadtbibliothek.


"Abstimmung" und "Resonanz" waren die Zauberwörter, steigt man weiter in die Detektor-Technik ein,
kommen noch "Anpassung" und "Verlustarmut" (low-loss-Philosophie) hinzu.

"Detektorbau ist eine Wissenschaft" schreibt Mende.
h t t p s://www.jogis-roehrenbude.de/Detektor/Mende.htm

Hier könnte man ansetzen und mit einem AM-Messender austesten, ob wirklich "aperiodischer"
Empfang vorliegt, oder ob der KW-Aufbau insgesamt doch Resonanz zeigt, was meine Vermutung
ist.
(Bild 33 im Mende-Artikel : "Messung der Eigenwelle einer Antenne")
Denn im ersten Fall hätte man vermutlich ein völliges Durcheinander verschiedenster KW-Stationen.
Wie bei einem Gitarren-Verstäker, wo die Masse-Leitung zur Gitarre eine Unterbrechung hat.
---
Ergänzung:
Da sich der Mende-Artikal auffallend eng an "Über die Ausbreitung und den Empfang elektrischer Wellen"
von Rüdenberg hält, habe ich nun mal dort nachgelesen (Das Buch ist in einer polnischen online-Bibliothek
einsehbar.)

"Fundamentalsatz des Detektorbaus" könnte man sagen, ohne Resonanzbedingun kommt man beim Detektor
nicht besonders weit.
NT.
Experiment (Def.)
"methodisch angelegte Untersuchung zur Überprüfung von Hypothesen durch kontrollierte Beobachtung"

Gruß
Jens

Zuletzt bearbeitet am 16.04.26 12:51

Datei-Anhänge
Rüdenberg-Zitat Resonanz_1926.jpg Rüdenberg-Zitat Resonanz_1926.jpg (11x)

Mime-Type: image/jpeg, 186 kB

14.04.26 20:51
Roehren-Lutz 

100-249 Punkte

14.04.26 20:51
Roehren-Lutz 

100-249 Punkte

Re: Experimente mit den einfachsten Schaltungen

Hallo Alex, hallo in die Bastler Runde.
Solche Versuche mit minimalistischem Aufwand finde ich immer spannend.

Werde Deine Versuche mal als Grundlage nehmen und mit meiner Loop (99 cm Durchmesser) probieren.
Mal schauen, was dabei rauskommt.
Aber auch eine Loop hat eine Kapazität. Womit wir dann wieder bei einem Schwingkreis wären.

Viele Grüße
Lutz

15.04.26 13:28
Alex 

100-249 Punkte

15.04.26 13:28
Alex 

100-249 Punkte

Re: Experimente mit den einfachsten Schaltungen

Hallo Lutz,

Deine Ergebnisse könnten sehr interessant sein gerade im Hinblick auf Detektor-Empfang. So eine Loop ist von der Handhabung wesentlich einfacher und funktioniert vielleicht auch "Indoor".

Viele Grüße
Alex

Man weiß nie, ob etwas funktioniert, bevor man es nicht ausprobiert (Professor Elihu Prudence)

15.04.26 21:40
Roehren-Lutz 

100-249 Punkte

15.04.26 21:40
Roehren-Lutz 

100-249 Punkte

Re: Experimente mit den einfachsten Schaltungen

Hallo Alex,

meine Versuche waren enttäuschend.
Allerdings besteht meine Loop aus nym, 3-adriges Verlegekabel.
Ein Leiter als Ring für die die Loop, die beiden anderen Leiter nicht verschaltet.
Mit Dreh-Ko ist guter Detektorempfänger möglich.
Ohne dem Dreh-Ko kann sich an den Ende der Loop vermutl. Nur eine geringe Spannung aufbauen.

Was ich gut empfangen habe, waren, wie bei Dir, wunderbare Störnebel.
Das wird bei mir vermutl. kapazitiv über die offenen Leiter eingeschleust.
Ein Rundfunksender ließ sich gerade so erahnen.

Dioden habe ich probiert: 1N60, Aa143 und ein unbekannte Germaniumdiode.
Insofern war der Unterschied recht gering.

Habe allerdings auch nur ein Piezohörer. Mal mit Poti, mal mit 10mH Drossel geschaltet.
Auch nur hier geringe Unterschiede von der gefühlten Lautstärke des Störnebels.

Viele Grüße
Lutz

16.04.26 07:44
Reflex-Kalle 

500 und mehr Punkte

16.04.26 07:44
Reflex-Kalle 

500 und mehr Punkte

Re: Experimente mit den einfachsten Schaltungen

Eine mit Parallelkondensator/Drehko auf Empfangsfrequenz abgestimmte Loop-Antenne ist wie ein Parallelschwingkreis zu betrachten und liefert hochohmig eine Spannung. Ohne Kondensator zur Abstimmung verhält sich eine Loop wie eine sehr niederohmige Stromquelle und die ist dann für Detektorempfang vollkommen ungeeignet.

Gruß

(Reflex-)Kalle

 1
 1
Resonanzbedingun   Teleskopantenne   Detektorempfänger   Referenzgerätes   einfachsten   unterschiedlichen   Empfangssituation   low-loss-Philosophie   Hartpapier-Drehko   online-Bibliothek   Taschengeld-zehrenden   Parallelkondensator   Experimente   Schaltungen   Berücksichtigung   Kristallohrhörer   Gitarren-Verstäker   Billwerder-Morfleet   jogis-roehrenbude   Parallelschwingkreis