| Passwort vergessen?
Sie sind nicht angemeldet. |  Anmelden

Sprache auswählen:

Wumpus Gollum Forum von
Wumpus Welt der (alten) Radios
Sie sind nicht angemeldet.
 Anmelden

100 Jahre SAQ
 1 2
 1 2
02.06.24 13:56
Hajo 

500 und mehr Punkte

02.06.24 13:56
Hajo 

500 und mehr Punkte

100 Jahre SAQ

Am 30.6. 24 100 Jahre SAQ - Jubiläumssendung:

** SAQ celebrates 100 years
on Alexanderson Day, June 30th, 2024.
------------------------------------------------------------

Historical image with the two Alexanderson Alternators at Grimeton Radio Station, Sweden.

The Alexander Association welcomes all visitors to the Alexanderson Day, Sunday, June 30th, 2024, 09:30-16:00.
Together with the World Heritage Grimeton Radio Station, we will offer many activities, for the whole family, during the day.
The unique Alexanderson alternator from 1924, with the call sign SAQ, is scheduled for two transmissions over the antenna on VLF 17.2 kHz CW.
Almost a hundred years ago, on December 1st, 1924, the long wave transmitter at Grimeton Radio Station, with the call sign SAQ, was put into commercial operation, with transmissions across the Atlantic ocean, to the receiving station in Riverhead and with the replying transmitter station in Rocky Point, both on Long Island, NY, USA. While all the other transmitting and receiving stations in the RCA network since long are gone, SAQ has been preserved as a World Heritage Site and, amazingly, SAQ is still operational. The design and manufacturing of such a robust a reliable radio transmitter was a monumental achievement by the Swedish-born inventor Ernst F.W. Alexanderson.
Thank you Ernst!

Gruß in die Runde
Hajo

!
!!! Fotos, Grafiken nur über die Upload-Option des Forums, KEINE FREMD-LINKS auf externe Fotos.    

!!! Keine Komplett-Schaltbilder, keine Fotos, keine Grafiken, auf denen Urheberrechte Anderer (auch WEB-Seiten oder Foren) liegen!
Solche Uploads werden wegen der Rechtslage kommentarlos gelöscht!

Keine Fotos, auf denen Personen erkennbar sind, ohne deren schriftliche Zustimmung.

Den Beitrag-Betreff bei Antworten auf Threads nicht verändern!
02.06.24 15:21
basteljero 

500 und mehr Punkte

02.06.24 15:21
basteljero 

500 und mehr Punkte

Re: 100 Jahre SAQ

Hallo,
Zu dem Jubiläum meinen SAQ-Detektor nochmal neu aufgebaut und den obligatorischen Überlagerer
auch zur NF-Verstärkung verwendet, um den Antennen-Aufwand in erträglichen Grenzen zu halten.
.
Als Detektor-Diode kommt u.a. eine Selen-Gleichrichter-Platte zum Einsatz, analog zu den Kupferoxydul-
Gleichrichtern (Sirutor).
https://www.wumpus-gollum-forum.de/forum...mp;thread=154#2

Gruß
Jens

Zuletzt bearbeitet am 02.06.24 15:23

02.06.24 19:19
Axel 

500 und mehr Punkte

02.06.24 19:19
Axel 

500 und mehr Punkte

Re: 100 Jahre SAQ

Hallo Hajo,

Vielen Dank für die Info hier im Forum!
Die Mail hatte ich heute auch im Postfach, ich freue mich schon auf die Übertagung.


Viele Grüße,
Axel

.........................................................................................................................
.
Da will man endlich mal in Ruhe die Werkstatt aufräumen und was passiert?
...Man hat keine Lust.


.

03.06.24 12:35
Audionis 

250-499 Punkte

03.06.24 12:35
Audionis 

250-499 Punkte

Re: 100 Jahre SAQ

Damit niemand etwas versäumt

Test Transmissions, preliminary on June 28th between 13:00 – 16:00 CEST.

Alexanderson Day June 30th, 2024, program & transmission schedule:

10:20 CEST (08:20 UTC) Live YouTube broadcast begins.

10:30 CEST (08:30 UTC) Start-up of the Alternator.

11:00 CEST (09:00 UTC) Transmission of a message.


11:15 CEST Guided antenna walk (Swedish).

11:45 CEST Guided technical tour (Swedish & English).

12:30 CEST Varberg Navy Singers (Swedish & English).

13:20 CEST (11:20 UTC) Live YouTube broadcast begins.

13:30 CEST (11:30 UTC) Start-up of the Alternator.

14:00 CEST (12:00 UTC) Transmission of a message.


14:15 CEST Guided antenna walk (English).

14:45 CEST Guided technical tour (Swedish & English).


Beste Grüße
Chris
vy 73 de OE3HBW

30.06.24 13:04
Axel 

500 und mehr Punkte

30.06.24 13:04
Axel 

500 und mehr Punkte

Re: 100 Jahre SAQ

Hallo liebe SAQ Freunde,

Bei mir in Wittenburg, Mecklenburg Vorpommern (JO53MM, ca. 500 Km Luftlinie von Grimmeton), wieder sehr gutes Signal.
Die erste Aussendung konnte einwandfrei empfangen werden.
Am Start zur Jubiläumssendung 100 Jahre SAQ, waren diesmal drei Geräte (von links nach rechts):

Mein selektiven Pegelmesser „Wandel und Goltermann SPM–3“ an 15 Meter Draht,
Mein russischer Kurzwellenempfänger "P-326",
Und mein Tecsun PL660.
Die beiden letzgenannten wechselweise mit Up-Konverter (3 MHz Ausgabe) und der MiniWipe als Antenne.



Der W&G wieder mit gewohnt klarem Ton, mit ihm wurde die Sendung auf dem MP-3 Player aufgezeichnet und wird später mit dem Programm "fldigi" dekodiert.

Mit dem Tecsun PL660 wurde live mit einem Handyprogramm dekodiert, das klappte diesmal ganz gut, mit nur wenigen Aussetzern.
So sieht das aus:



Mal schauen, wie gleich die zweite Aussendung wird, da darf dann der P-326 live dekodieren.


Viele Grüße,
Axel








.........................................................................................................................
.
Da will man endlich mal in Ruhe die Werkstatt aufräumen und was passiert?
...Man hat keine Lust.


.

Zuletzt bearbeitet am 30.06.24 15:04

Datei-Anhänge
mini-SAQ 6.24.jpg mini-SAQ 6.24.jpg (186x)

Mime-Type: image/jpeg, 240 kB

SAQ.jpg SAQ.jpg (180x)

Mime-Type: image/jpeg, 1.446 kB

30.06.24 15:39
WoHo 

500 und mehr Punkte

30.06.24 15:39
WoHo 

500 und mehr Punkte

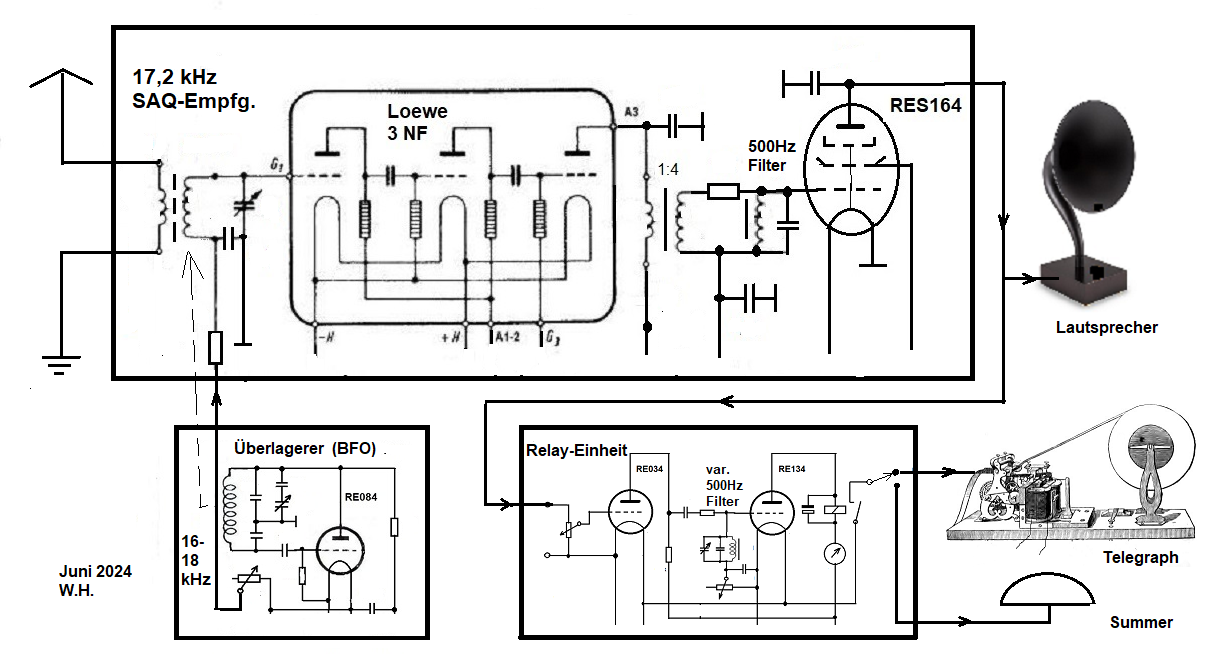
SAQ-Empfang, jetzt aber mit Röhren aus den 20ern....



Weil der Alexanderson-Generator damals 1924 in Betrieb genommen wurde -und ab und zu aus Nostalgie reaktiviert wird-, kam bei mir der Gedanke auf: Wie könnte ein zeitgemäßer Empfänger ausgesehen haben?
Glücklicherweise sind entsprechende Röhren (und andere Bauteile) noch in Bastlerhand. Herzstück ist die Loewe 3NF (= 3 Trioden). Weiterhin kommen noch folgende Typen zum Einsatz: RE084, RE034, RE134 und die RES164. Alle ebenfalls aus den 20er Jahren.....



Es wird die 3NF als Anodengleichrichter ohne Rückkopplung(!) eingesetzt, d.h. die 1.Triode bekommt eine regulierbare neg. Gittervorspannung zugeführt. Es fließt kein Gitterstrom, somit wird der einzige Selektionskreis auf 17,2 kHz nicht zusätzlich belastet!
Da aber die Aussendungen von SAQ in CW geschehen, ist zur Hörbarmachung derselben ein Fremdüberlagerer erforderlich, welcher entweder 500Hz oberhalb, oder 500Hz unterhalb von 17,2 kHz abzustimmen ist! Als getrennte Einheit mit einstufigem Oszillator RE084 wird die erzeugte Frequenz, genau dosiert, auf die Gitterspule induktiv(!) eingekoppelt. Zur Information, die riesigen Spulen haben ein rel. großes Streufeld!
System 2 und 3 verstärken die gewonnene NF. Der altmodische Hornlautsprecher wird mit der zusätzlichen Endröhre RES164 angesteuert, an deren Gitter sehen wir einen Parallelresonanzkreis, welcher Frequenzen außerhalb von 500Hz abschwächt.

Eigentlich könnte man damit zufrieden sein, aber noch realistischer ist die Aufzeichnung der empfangenen Signale. Gemeint ist ein richtiger Telegraph, wo die Punkte und Striche auf laufendem Papier erscheinen. So ein antikes Stück suche ich immer noch! Bin bereit, dafür tief in die Tasche zu greifen.... x)



Gut, sowas muss natürlich angesteuert werden, mit einem Telegraphenrelay, wie damals.
Die Besonderheit davon: Der bewegliche Anker darf keine große Masse haben und die Kontaktabstände sollten ganz gering sein.
In einer dritten Einheit wird zunächst die NF von 500Hz mit der RE034 verstärkt (einstellbar) und durchläuft ein weiteres (abstimmbares) NF-Filter. Das erwähnte Relay liegt im Anodenkreis der RE134, dessen Kontakt den Elektromagnet im Telegraphen anziehen lässt.

Nun wissen wir, der Empfang über einen größeren Abstand zu Schweden ist mal gut, mal schlecht.
Die Leute aus den nördlichen Bundesländern haben es da bekanntlich viel besser …..
Zur guten Funktion wird deswegen die Ansprechschwelle mit Hilfe einer variabelen Gittervorspannung den schwankenden Empfangsverhältnissen bestmöglich angeglichen.

x) Wie ich schon schrieb, im Moment besitze ich keinen alten Morseschreiber.
Bis dahin, nutze ich den Arbeitskontakt zur Ansteuerung eines „Summers“, welcher einen gut hörbaren Ton im Rhythmus der Morsezeichen von sich gibt.
Vorteile: Laut und keine Geräusche zwischen den Zeichen. Nachteile: Manchmal werden durch atmosphäriche Störungen Zeichen hinzugefügt, oder durch Fading unterschlagen. Das war heute morgen leider auch der Fall, wie das Video zeigt:

https://www.youtube.com/watch?v=d0791r2SWbM

Gruß aus NL, Wolfgang

Datei-Anhänge
IMG_2812-800.jpg IMG_2812-800.jpg (169x)

Mime-Type: image/jpeg, 281 kB

saq -vintage rec -BLOCK.png saq -vintage rec -BLOCK.png (177x)

Mime-Type: image/png, 278 kB

saq-grimeton operator.jpg saq-grimeton operator.jpg (167x)

Mime-Type: image/jpeg, 159 kB

30.06.24 16:04
WalterBar 

500 und mehr Punkte

30.06.24 16:04
WalterBar 

500 und mehr Punkte

Re: 100 Jahre SAQ

Hallo Wolfgang,

dein Aufbau gefällt mir gut. Das Signal war heute bei mir zwar lesbar allerdings
bei sehr geringem Störabstand. Im SAQ-Video wurde die Verstimmung der Antenne
durch Regen beklagt. Vermutlich war der Antennenstrom zum Variometer auch
niedriger als sonst. Der heutige Operator machte auch Fehler und manchmal zu
kurze Zeichenabstände. Der SAQ-eigene Dekoder hatte damit auch seine Probleme.

Gruss
Walter

Zuletzt bearbeitet am 30.06.24 16:22

30.06.24 20:46
regency 

500 und mehr Punkte

30.06.24 20:46
regency 

500 und mehr Punkte

Re: 100 Jahre SAQ

Hallo Wolfgang,
Konzept, Aufbau und Ergebnis sind aus meiner Sicht sehr, sehr gut. Hoffentlich findetsich noch ein Telegraph-Besitzer, das wäre prima.
VG
Jan (regency)

01.07.24 17:16
Hajo 

500 und mehr Punkte

01.07.24 17:16
Hajo 

500 und mehr Punkte

Re: 100 Jahre SAQ

Bei uns hat es gestern geschüttet, wie aus Eimern. Mein Garten QTH war unbenutzbar. SAQ ist sozusagen in's Wasser gefallen.

WoHo:
Eigentlich könnte man damit zufrieden sein, aber noch realistischer ist die Aufzeichnung der empfangenen Signale. Gemeint ist ein richtiger Telegraph, wo die Punkte und Striche auf laufendem Papier erscheinen. So ein antikes Stück suche ich immer noch!
Wolfgang - Dein Aufbau ist mal wieder eine Augenweide, ich bin beeindruckt.
Geht es bei dem Schreibtelegraphen auch um die Optik oder ist die Funktion wichtiger?
Rein funktional ließe sich ja vielleicht was machen.

Gruß in die Runde
Hajo

01.07.24 17:42
WoHo 

500 und mehr Punkte

01.07.24 17:42
WoHo 

500 und mehr Punkte

Re: 100 Jahre SAQ

Zitieren:
Geht es bei dem Schreibtelegraphen auch um die Optik oder ist die Funktion wichtiger?

Hallo Hajo,
eigentlich beides....

Alex hat mich bereits auf ein ebay Angebot aufmerksam gemacht, das Gerät steht aber in Österreich und bis das hier in den Niederlanden kommt, müsste ich ca. 700 Euro bezahlen. Mir zu vieeeeel,,,,,,

Was die gestrige Aussendung betrifft, auch auf dem Twente WebSDR waren die Signale schwächer wie sonst. Und am Mittag noch schwächer....

Walter gab bereits eine Erklärung, dass in Grimeton das Wetter ebenfalls sehr schlecht war.
Hier eine Bestätigung der Blitzaktivität gestern kurz vor der Aussendung:



Gruß aus NL, Wolfgang

Datei-Anhänge
saq blitze.jpg saq blitze.jpg (174x)

Mime-Type: image/jpeg, 166 kB

 1 2
 1 2
Kurzwellenempfänger   Gittervorspannung   Parallelresonanzkreis   Alexanderson-Generator   Empfangsverhältnissen   Selen-Gleichrichter-Platte   Anodengleichrichter   Testübertragungen   Drachenexperimenten   Glimmlampen-Kippgenerator   Eigenbau-Mini-Whip   Stethophon-Kopfhörer   wumpus-gollum-forum   Cohiradia-LW-Spektrum   saq-to-air-on-dec-1st-anniversary   Schreibtelegraphen   Sehnenscheiden-Entzündung   Heterodyne-Überlagerer   beaker-get-electri   Auslöschungserscheinungen