| Passwort vergessen?
Sie sind nicht angemeldet. |  Anmelden

Sprache auswählen:

Wumpus Gollum Forum von
Wumpus Welt der (alten) Radios
Sie sind nicht angemeldet.
 Anmelden

Ich bräuchte mal Hilfe
  •  
 1 2
 1 2
29.07.20 16:27
Wellenreiter

nicht registriert

29.07.20 16:27
Wellenreiter

nicht registriert

Ich bräuchte mal Hilfe

Ich habe das untenstehende Radio ( siehe Bilder) im E-Bay ersteigert.
Leider kam nach dem einlegen von drei neue Batterien und einschalten kein Ton aus dem Lautsprecher.
Nach dem entfernen der Rückwand stellte ich fest das das Minuskabel nirgentwo angelötet ist.
Da ich aber kein Elektronik Fachmann bin möchte ich nicht riskieren etwas falsch zu machen .
Nun meine Frage,wo muß ich dieses minus Kabel anbringen.
Muß ich da die Platine ausbauen ?
Ich bin für jeden Tip dankbar.

Viele Grüße an alle und im voraus schon mal Danke und bleibts alle Gesund

Kurt Minet

Datei-Anhänge
IMG_3950.JPG IMG_3950.JPG (495x)

Mime-Type: image/jpeg, 88 kB

IMG_3951.JPG IMG_3951.JPG (509x)

Mime-Type: image/jpeg, 79 kB

Noch gefällt der Beitrag keinem Nutzer.
!
!!! Fotos, Grafiken nur über die Upload-Option des Forums, KEINE FREMD-LINKS auf externe Fotos.    

!!! Keine Komplett-Schaltbilder, keine Fotos, keine Grafiken, auf denen Urheberrechte Anderer (auch WEB-Seiten oder Foren) liegen!
Solche Uploads werden wegen der Rechtslage kommentarlos gelöscht!

Keine Fotos, auf denen Personen erkennbar sind, ohne deren schriftliche Zustimmung.

Den Beitrag-Betreff bei Antworten auf Threads nicht verändern!
29.07.20 16:40
WalterBar 

500 und mehr Punkte

29.07.20 16:40
WalterBar 

500 und mehr Punkte

Re: Ich bräuchte mal Hilfe

Hallo Kurt,

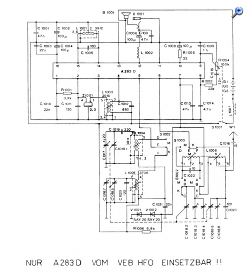
der Pluspol der Batterie geht an die Drossel L1007 bzw. Schalter, Minus zum Lautsprecher:



Gruss
Walter

Zuletzt bearbeitet am 30.07.20 07:25

Datei-Anhänge
G1020.jpg G1020.jpg (441x)

Mime-Type: image/jpeg, 136 kB

29.07.20 22:25
apollo 

Administrator

29.07.20 22:25
apollo 

Administrator

Re: Ich bräuchte mal Hilfe

WalterBar:
Hallo Kurt,
der Minuspol der Batterie geht an die Drossel L1007 bzw. Schalter:
Hallo zusammen,
war denn in der DDR der lange Strich vom Batterie-Schaltzeichen Minus? Wenn nicht, dann wäre doch der Minusdraht zum Lautsprecher zu führen. Hier den Lötpunkt, welcher zur Minusseite der Kopfhörerbuchse geht.
Das würde auch von der Länge passen.
(Siehe auch den Minusstrich unter Kondensator C 1014)
Grüße Alfred

Nachtrag: http://chimie.lgk.lu/Common_c_files/c_8_...is/infobatt.htm

29.07.20 22:37
NorbertWerner 

500 und mehr Punkte

29.07.20 22:37
NorbertWerner 

500 und mehr Punkte

Re: Ich bräuchte mal Hilfe

Hallo Walter,

dem Datenblatt nach ist der Pin13 des IC's die Versorgungsspannung(+) und Pin11 ist (-).

--> https://www.web-bcs.com/pdf/RF/A2/A283D.pdf


Gruss
Norbert

30.07.20 07:27
WalterBar 

500 und mehr Punkte

30.07.20 07:27
WalterBar 

500 und mehr Punkte

Re: Ich bräuchte mal Hilfe

Hallo Norbert,

danke für die Korrektur.

Gruss
Walter

30.07.20 07:40
laurel1 

500 und mehr Punkte

30.07.20 07:40
laurel1 

500 und mehr Punkte

Re: Ich bräuchte mal Hilfe

Moin Kurt,

das hatten wir schon mal, ich füge mal ein Bild mit ein wo der Masseanschluß hingehört.



Beste Grüße

Peter

Datei-Anhänge
P1090857-4.JPG P1090857-4.JPG (430x)

Mime-Type: image/jpeg, 166 kB

30.07.20 08:22
apollo 

Administrator

30.07.20 08:22
apollo 

Administrator

Re: Ich bräuchte mal Hilfe

Hallo Peter,
danke für die Darstellung meiner These.
Netten Gruß

30.07.20 10:15
Wellenreiter

nicht registriert

30.07.20 10:15
Wellenreiter

nicht registriert

Re: Ich bräuchte mal Hilfe

Hallo und vielen Dank an alle die mir geschrieben haben und mir mit einem guten Ratschlag geholfen haben.

Viele Grüße alles gute und bleibts Gesund

Kurt Minet

30.07.20 22:32
Wellenreiter

nicht registriert

30.07.20 22:32
Wellenreiter

nicht registriert

Re: Ich bräuchte mal Hilfe

Hallo,

Ich habe das Minus Kabel an den angegebene Punkt angelötet.
Beim Einschalten des Radios stieg auf einmal bei dem Elko rechts neben dem poti zur Lautstärke einstellen der Rauch auf.
Und seither schweigt das Radio.
Ist wahrscheinlich ein Fall für die Tonne.
Kann mir jemand einen Tip geben wo ich nochmal so ein Radio kaufen kann.
Grüße an alle
Kurt

31.07.20 08:20
laurel1 

500 und mehr Punkte

31.07.20 08:20
laurel1 

500 und mehr Punkte

Re: Ich bräuchte mal Hilfe

Moin Kurt,

das ist ärgerlich. Beim bekannten Auktionshaus mit dem E am Anfang sind gerade zwei Stück im Angebot.
Wenn Du magst, kannst Du mir das Radio aber auch mal zuschicken, ich schaue dann mal.

Beste Grüße
Peter

 1 2
 1 2
Kopfhörerbuchse   Auktionshaus   angelötet   Versorgungsspannung   geschrieben   Grüße   bearbeitet   untenstehende   durchschlagen   Lautstärke   Masseanschluß   einschalten   Lautsprecher   Batterie-Schaltzeichen   Kurzschluss   Minusstrich   Kondensator   Darstellung   wahrscheinlich   bräuchte