| Passwort vergessen?
Sie sind nicht angemeldet. |  Anmelden

Sprache auswählen:

Wumpus Gollum Forum von
Wumpus Welt der (alten) Radios
Sie sind nicht angemeldet.
 Anmelden

Kassettendeck läuft an und bleibt stehen
  •  
 1 2
 1 2
23.03.17 15:17
Gilbert 

100-249 Punkte

23.03.17 15:17
Gilbert 

100-249 Punkte

Kassettendeck läuft an und bleibt stehen

Ich habe ein Technics Kassettendeck SRCA01 als Teil einer Kompaktanlage SECA01.

Das Deck hat in vorwärts-Richtung mit einigen Bändern gearbeitet, in Rückwärts-Richtung ist es in Störung gegangen. Ich habe den reichlich ausgeleierten Treibriemen erneuert. Jetzt läuft das Band in alle Richtungen sauber an, Abspielen hört sich in beiden Richtungen sauber an, jedoch stoppt es beim Abspielen und beim schnellen Spulen nach ca. 1 Sek. Es scheint so, als würde die Motorelektronik nicht erkennen, dass das Band sauber läuft (optisch macht es das aber).

Wo soll ich am Besten mit der Suche beginnen? Tips wären hilfreich, da die Laufwerkseinheit mit den Motoren immer von der Grundplatine abgelötet werden muss. Möchte ich naturgemäß nicht zu oft machen, da die Lötstellen dadurch nicht gerade besser werden.

Service-Handbuch und Werkstatt vorhanden.

Viele Grüße
Gilbert

Noch gefällt der Beitrag keinem Nutzer.
!
!!! Fotos, Grafiken nur über die Upload-Option des Forums, KEINE FREMD-LINKS auf externe Fotos.    

!!! Keine Komplett-Schaltbilder, keine Fotos, keine Grafiken, auf denen Urheberrechte Anderer (auch WEB-Seiten oder Foren) liegen!
Solche Uploads werden wegen der Rechtslage kommentarlos gelöscht!

Keine Fotos, auf denen Personen erkennbar sind, ohne deren schriftliche Zustimmung.

Den Beitrag-Betreff bei Antworten auf Threads nicht verändern!
23.03.17 19:24
Wolle4tubes 

100-249 Punkte

23.03.17 19:24
Wolle4tubes 

100-249 Punkte

Re: Kassettendeck läuft an und bleibt stehen

Hallo Gilbert,

Kuck mal nach ob der Band Zähler mitläuft, wenn nicht, dann stoppt die Wiedergabe nach etwa eine Sekunde. Der Zähler hat einen Sensor der prüft ob das Band läuft oder nicht. Schau nach ob der Riemen nicht ausgeleiert ist oder nicht anliegt.

MfG
Wolle

24.03.17 16:02
Gilbert 

100-249 Punkte

24.03.17 16:02
Gilbert 

100-249 Punkte

Re: Kassettendeck läuft an und bleibt stehen

Hallo Wolle,

der Riemen ist neu und sitzt gut. Hab das Laufwerk nochmals komplett zerlegt und zusammengesetzt. Nach Serviceanleitung ist dabei auch nichts Besonderes zu beachten. Wenn die Funktionsschalter gedrückt gehalten werden, transportiert das Band korrekt in beide Richtungen, die Wiedergabe ist ebenfalls ok. Der Bandzähler läuft dabei allerdings nicht mit. An den Spulenachsen sitzen unten im Laufwerksinneren Stroboskopscheiben. Ich nehme an, dass dort optoelektronisch kontrolliert wird, ob die Spulen drehen. Das läuft aber auch alles mit. Bin daher im Moment etwas ratlos.

Viele Grüße
Gilbert

26.03.17 01:05
Wolle4tubes 

100-249 Punkte

26.03.17 01:05
Wolle4tubes 

100-249 Punkte

Re: Kassettendeck läuft an und bleibt stehen

Hallo Gilbert,

Genau da liegt der Hund begraben! Wenn der Bandzähler nicht mitläuft, geht der Prozessor, der das Laufwerk steuert, davon aus, dass Bandsalat droht und schaltet das Laufwerk auf stopp. Das gleiche auch beim schnellspulen in beider Richtungen. Schau nach ob von den Optischen Sensoren Impulse kommen. Ist der Zähler elektronisch, dann über die Stroboskopscheiben an der unterseite der Wickelteller die von einen Lichtschranken abgetastet werden. Prüfe ob Sensoren funktionieren.

Nachtrag;

Ich habe in das Service Manual mal nachgeschaut;
Diese Sensoren IC971 und IC972 sind Infrarot Lichtschranken und befinden sich auf eine Platine die am Laufwerk befestigt ist. Schau mal nach ob die Stecker richtig sitzen oder keine Drähte abgerissen sind. Auch die Stecker auf der Hauptplatine sollten richtig sitzen.

Viele Grüße
Wolle

Zuletzt bearbeitet am 26.03.17 01:58

26.03.17 19:24
Gilbert 

100-249 Punkte

26.03.17 19:24
Gilbert 

100-249 Punkte

Re: Kassettendeck läuft an und bleibt stehen

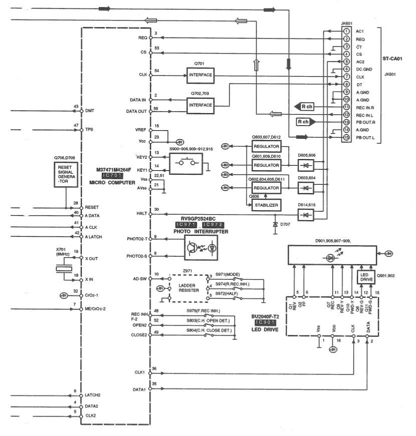
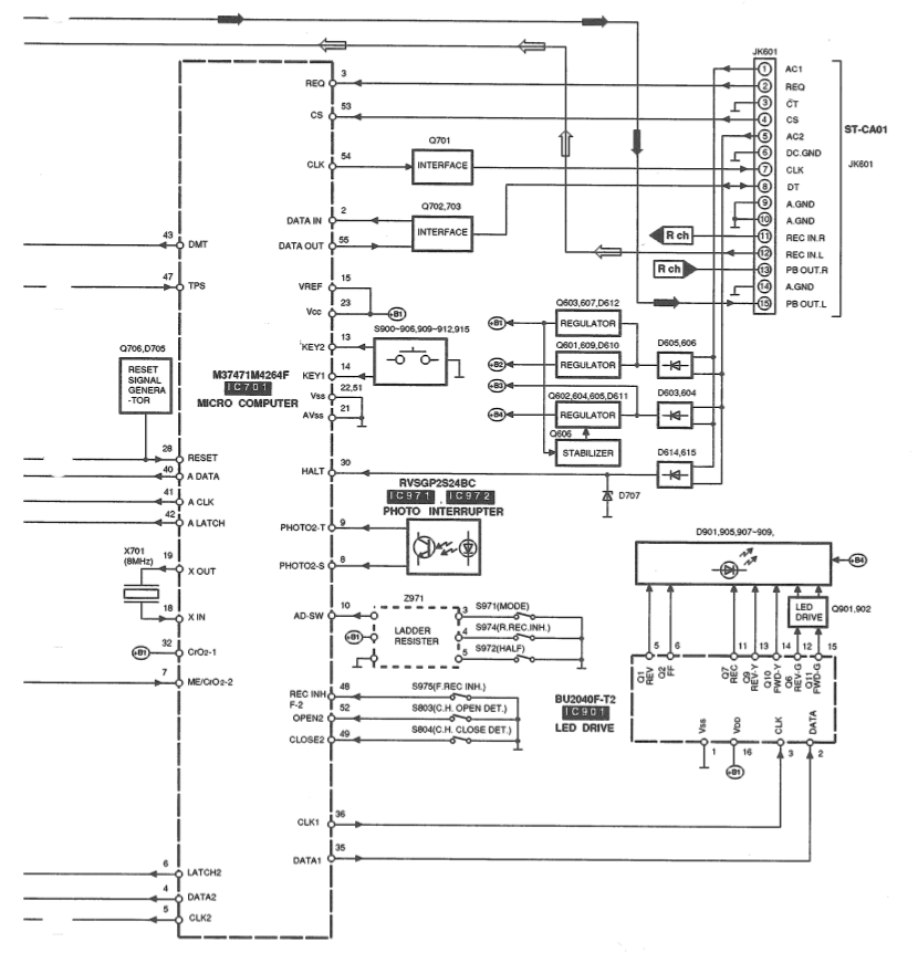
Das hier:



müsste die Kontroll-Elektronik sein. Die Photodetektoren hängen an den Stroboskopscheiben, die sich auch drehen. Am Stecker auf PIN 6 ist beim Lauf ein Signal mit dem Oscar zu beobachten, auf PIN 9 tit sich nichts. An der Platine ist nichts weiter zu sehen (ist ohnehin schon mühsam, da man das ganze Teil auseinander schrauben muss, um überhaupt dran zu kommen. Um auf der Platine im Betrieb Signale zu messen, müsste man mit angelöteten Litzen nach draußen gehen).

Die Signale gehen auf 2 PINs des Microcontrollers:



Ich überlege, ob ich nicht einfach eine Brücke von 6 -> 9 legen soll.

Viele Grüße
Gilbert


Ups, habe gerade erst deinen Nachtrag gesehen. Also von den Ausgängen der ICs bis zum Stecker ist alles ok (die 39 k sind gut zu messen). Die anderen PINs messe ich zur Sicherheit morgen noch mal durch.

Zuletzt bearbeitet am 26.03.17 19:31

Datei-Anhänge
Bildschirmfoto vom 2017-03-26 19-02-36.png Bildschirmfoto vom 2017-03-26 19-02-36.png (418x)

Mime-Type: image/png, 88 kB

Bildschirmfoto vom 2017-03-26 19-05-50.png Bildschirmfoto vom 2017-03-26 19-05-50.png (403x)

Mime-Type: image/png, 96 kB

27.03.17 01:03
Wolle4tubes 

100-249 Punkte

27.03.17 01:03
Wolle4tubes 

100-249 Punkte

Re: Kassettendeck läuft an und bleibt stehen

Hallo Gilbert,

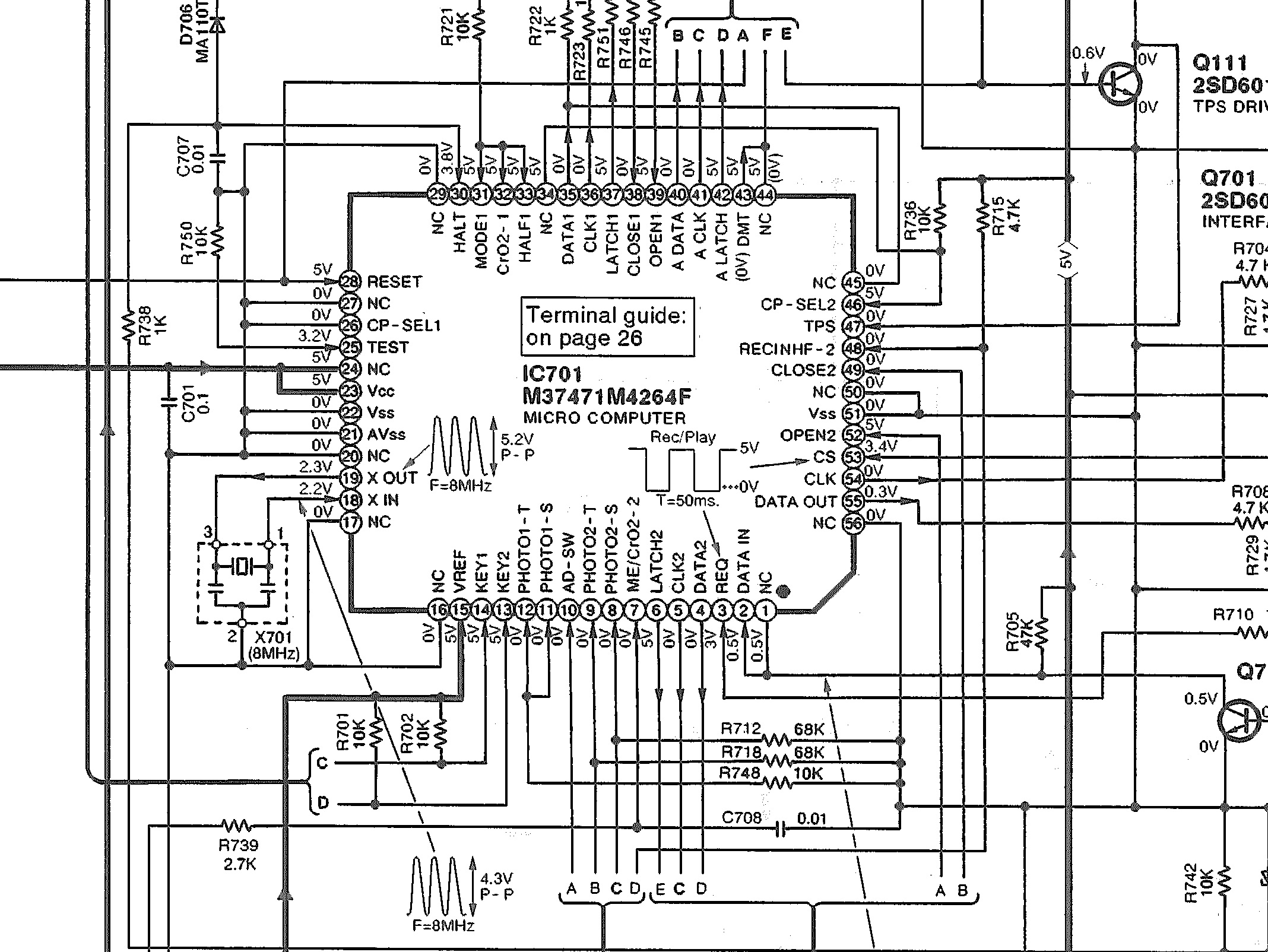
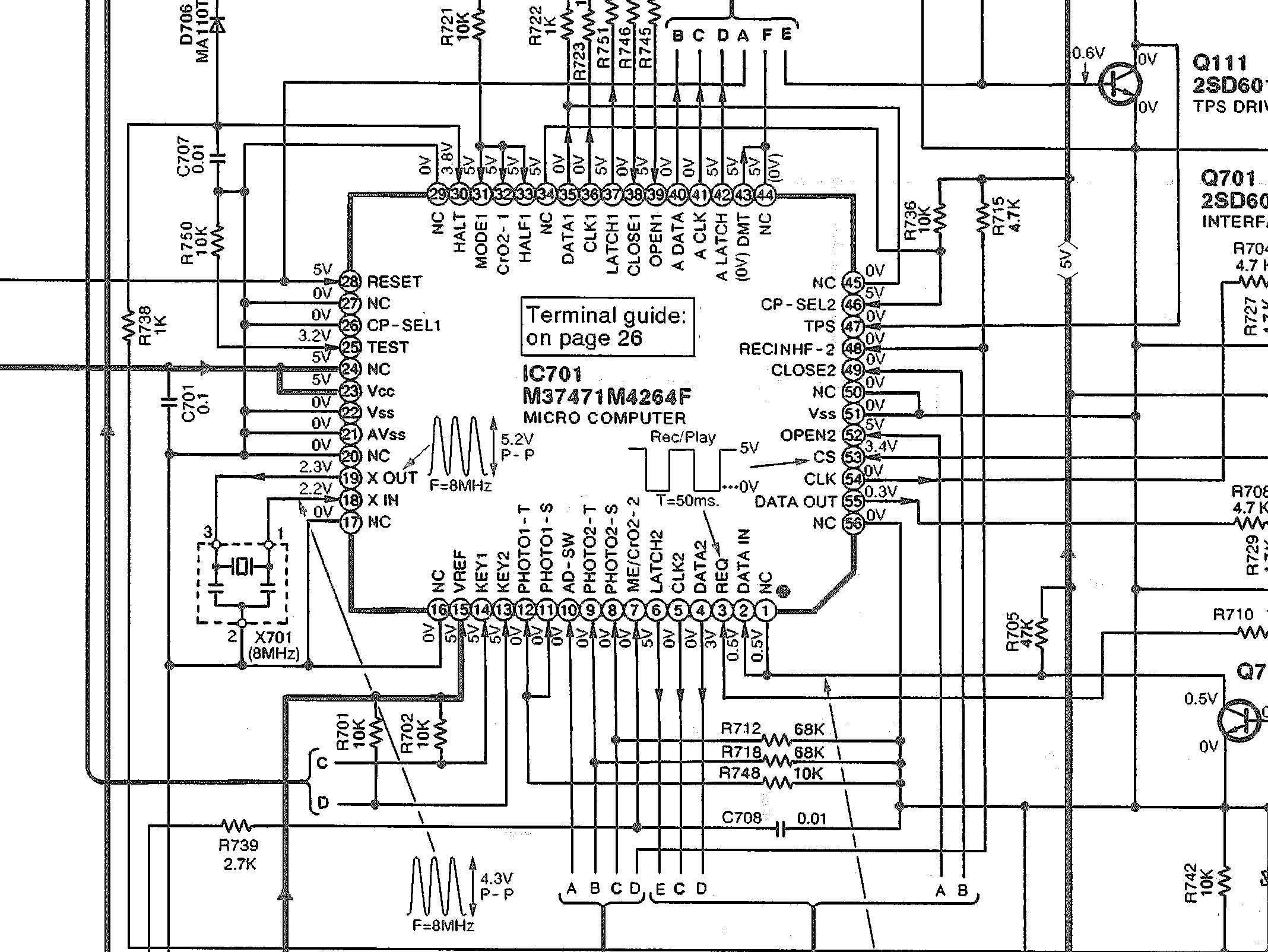
Hier mal ein anderes Bild vom Mikrokontroller:



Am Mikrokontroller sind es die Pin's 8 und 9, sie sollten Gleichspannungmäsig auf logisch Null stehen und mit dem Oskar prüfen ob die Signale von beiden Sensoren ankommen.

Schau auch mal nach ob die Lichtschranke nicht verschmutzt ist und ggF mit Isopropanol reinigen. Unsichtbare verschmutzung sollcher Teile hat mich mal zum Weißglut gebracht als ich dann später doch mal auf die Idee kam diese zu reinigen und dann feststellte dass die Sache wieder funktionierte!

Gruß

Wolle

Datei-Anhänge
Microcontoller.jpg Microcontoller.jpg (434x)

Mime-Type: image/jpeg, 904 kB

27.03.17 12:01
Gilbert 

100-249 Punkte

27.03.17 12:01
Gilbert 

100-249 Punkte

Re: Kassettendeck läuft an und bleibt stehen

Das sind die Signale, die im Moment an den PIN 6 (Kanal 2) und 9 (Kanal 1) an der Steckerleiste zwischen Laufwerk und Platine ankommen (gemessen gegen PIN 4 = GND, habe erst noch mal gemessen, aber nicht auseinander gebaut).



Die Signale gehen auch zu den PIN 8/9 des C durch.

Was meinst du? Doch Schmutzeffekt? Ich hatte sie zwar schon mal geputzt, aber vllt nicht gründlich genug. Kanal 2 sieht ja einige Sektoren der Stroboscheibe deutlich besser als andere.

Viele Grüße
Gilbert

Datei-Anhänge
MAP001.jpg MAP001.jpg (416x)

Mime-Type: image/jpeg, 35 kB

27.03.17 14:51
Wolle4tubes 

100-249 Punkte

27.03.17 14:51
Wolle4tubes 

100-249 Punkte

Re: Kassettendeck läuft an und bleibt stehen

Hallo Gilbert,

Was ich auf deinen Oskar siehe ist:

Auf Kanal 1 weniger als 1 Vpp und an Kanal 2 sind es knapp +/- 6 Vpp, also ein krasser Unterschied!! Messe doch mal an Pin9 Im Vergleich zu Pin6 ob nicht einen Feinschluß vorliegt auf der Kontroll-Elektronik am Laufwerk. IC972 (Der betroffene Sensor) musste im vergleich mit IC971 den gleichen Pegel heraus geben. Messe auch mal am C ob nicht eines der Widerstände unterbrochen ist. Es betrifft R712 oder R718, beide haben 68K.

Viele Grüße

Wolle

27.03.17 16:31
Wolle 

500 und mehr Punkte

27.03.17 16:31
Wolle 

500 und mehr Punkte

Re: Kassettendeck läuft an und bleibt stehen

Hallo Wolle.

Eine Möglichkeit für den Fehler ist eine schwach gewordene IR- Diode an einem der beiden Reflexkoppler. Beide Dioden sind in Reihe geschaltet und werden über einen Widerstand (220 Ohm) mit Strom versorgt. Diesen Widerstand kann man durch Parallelschaltung eines gleich großen Widerstandes halbieren, um den Strom durch die Dioden zu erhöhen.
Im Ergebnis muss dann das Signal am Oszilloskop größer werden.

Mit vielen Grüßen.
Wolle.

Die sechs Phasen der Planung: Begeisterung, Verwirrung, Ernüchterung, Suche nach den Schuldigen, Bestrafung der Unschuldigen, Auszeichnung der Nichtbeteiligten.

27.03.17 23:54
Dietmar-Klaus 

100-249 Punkte

27.03.17 23:54
Dietmar-Klaus 

100-249 Punkte

Re: Kassettendeck läuft an und bleibt stehen

Hallo

Ich kenne es, in etwa, aus der Videorecorder Reparatur .
Eigendlich müßte da ein fast sauberes Rechteckignal zu sehen sein . Die Rechteckspannung sollte bei bei beiden Optokoppler Ausgängen ca. 5 Volt betragen.
Daher würde ich als erstes mir mal die 5 Volt Schiene , die zu den Optokopplern geht , anschauen.
Da es 2 Optokoppler sind , vermute ich , daß unter den Wickelführungen die Optokoppler sitzen und auf der Rückseite der Wickelführungen die Silberstreifen aufgebracht sind, welche für die Erzeugung der Rechtecksignale da sind.

MfG. Dietmar Klaus

 1 2
 1 2
Kontroll-Elektronik   Nichtbeteiligten   Wickelführungen   vorwärts-Richtung   Gilbert   Parallelschaltung   Gabellichtschranke   Kassettenrecorder   Strotoskopzeichnung   Reparaturstrategien   Arbeitsentfernung   Kassettendeck   Gleichspannungmäsig   Bandendabschaltung   Stroboskopscheiben   Sensorträgerplatte   Ableitungswiderstand   Laufwerk   Rückwärts-Richtung   Unterhaltungselektronik