| Passwort vergessen?
Sie sind nicht angemeldet. |  Anmelden

Sprache auswählen:

Wumpus Gollum Forum von
Wumpus Welt der (alten) Radios
Sie sind nicht angemeldet.
 Anmelden

Siemens Störsuchgerät Rfss 21
  •  
 1
 1
05.12.17 13:49
reinhard 

500 und mehr Punkte

05.12.17 13:49
reinhard 

500 und mehr Punkte

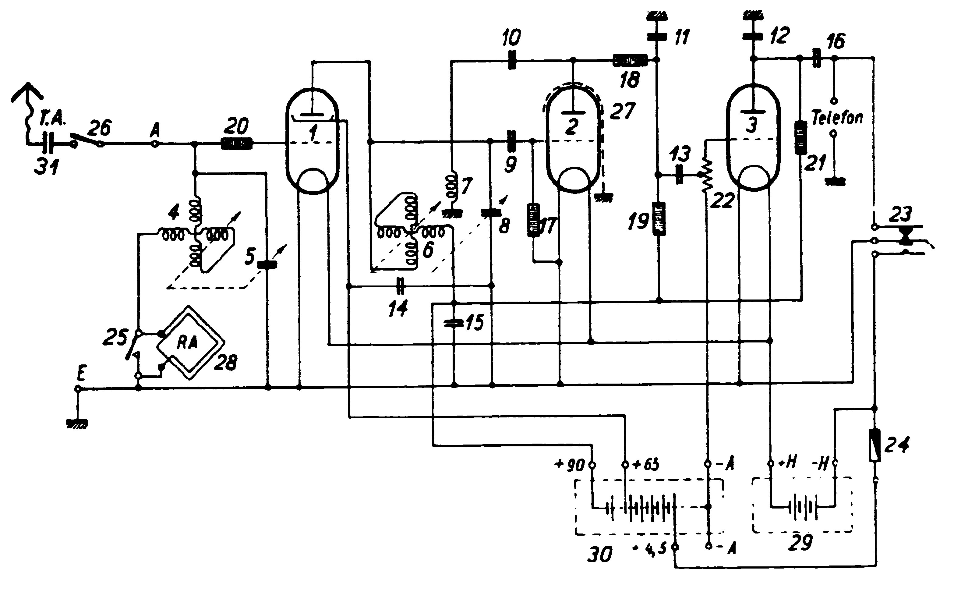
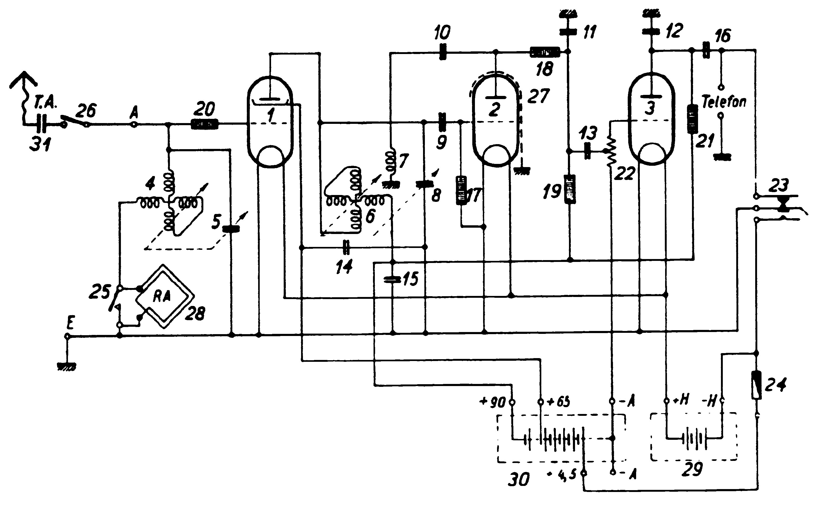
Siemens Störsuchgerät Rfss 21

Und wie verfolgte man damals die Störungen, Störer und Schwarzfunker? Die Industrie entwickelte hierzu tragbare Suchgeäte:


Modell: Siemens Störsuchgerät Rfss 21
Herstellungsjahr: 1932

Beschreibung:
Mit diesem Störsuch-Koffer gingen Postbeamte damals durch Straßen und Häuser,
um Störquellen genau zu lokalisieren. Es wurde nicht nur nach "Rückkopplungsstörern"
gefahndet, sondern auch nach fehlerhaften elektrischen Geräten gesucht.

Technische Daten:

Messgerät-Art: Tragbarer Geradeausempfänger für MW und LW 200-2000 m. Anschluß für Kopfhörer
Schaltung: Zweikreiser
Röhren: 3 (RES 044, RE 084, RE 134)

Spannungen: 4 Volt-Heizbatterie,
90 Volt-Anodenbatterie
Gehäuse: Lederkoffer

Gewicht: 5,5 kg
Maße: Breite 34 cm,
Höhe 26 cm,
Tiefe 14 cm










Admin: Fotos und der Großteil des Textes mußten wegen Urheberrecht-Nichtbeachtung gelöscht werden. Es nervt mich zusehends, trotz Rücksprachen immer wieder solche Verstöße hier sanktionieren zu müssen!

Datei-Anhänge
rfss21.jpg rfss21.jpg (312x)

Mime-Type: image/jpeg, 482 kB

Noch gefällt der Beitrag keinem Nutzer.
!
!!! Fotos, Grafiken nur über die Upload-Option des Forums, KEINE FREMD-LINKS auf externe Fotos.    

!!! Keine Komplett-Schaltbilder, keine Fotos, keine Grafiken, auf denen Urheberrechte Anderer (auch WEB-Seiten oder Foren) liegen!
Solche Uploads werden wegen der Rechtslage kommentarlos gelöscht!

Keine Fotos, auf denen Personen erkennbar sind, ohne deren schriftliche Zustimmung.

Den Beitrag-Betreff bei Antworten auf Threads nicht verändern!
 1
 1
Volt-Heizbatterie   entwickelte   Störsuchgerät   lokalisieren   sanktionieren   Geradeausempfänger   Volt-Anodenbatterie   Schwarzfunker   elektrischen   Urheberrecht-Nichtbeachtung   Störsuch-Koffer   Störquellen   Zweikreiser   Messgerät-Art   Lederkoffer   Rücksprachen   fehlerhaften   Herstellungsjahr   Rückkopplungsstörern   Beschreibung