| Passwort vergessen?
Sie sind nicht angemeldet. |  Anmelden

Sprache auswählen:

Wumpus Gollum Forum von
Wumpus Welt der (alten) Radios
Sie sind nicht angemeldet.
 Anmelden

Röhren-Kennlinienschreiber
  •  
 1
 1
19.09.19 21:14
Foghunter

nicht registriert

19.09.19 21:14
Foghunter

nicht registriert

Röhren-Kennlinienschreiber

Hallo Forum,

zur Erfassung von (Röhren)-Kennlinien gibt es allerlei Lösungen im Netz. Viele sind sehr aufwendig. Die allermeisten arbeiten statisch, können den Prüfling also nicht mit Impulsen vermessen. Bestimmte Bauteile (wie zum Beispiel TV-Ablenkröhren) kann man aber nicht statisch vermessen, weil sie dann überlastet werden.

Das alles hat mich nicht umgehauen und ich bin ganz andere Wege gegangen.

Viele von uns kennen die Logikanalysatoren (ugs. "LA"). Das sind kleine Messköpfe mit einer Vielzahl digitaler Eingänge, die per USB von einem PC versorgt und gesteuert werden. Die Auswertung der Messung geschieht dann am PC.

So ein sehr praktischer "LA" sieht dann zum Beispiel so aus:



Idee: Man bräuchte einen in ähnlicher Weise gestalteten "Analoganalysator" ("AA"), der die Messung mehrere analoger Eingänge ermöglicht und per USB vom PC versorgt und gesteuert wird. Die Auswertung geschieht dann am PC. Gesagt, getan:



Dieser "AA" wird in eine speziell auf den Prüfling zugeschnittene provisorische Messschaltung eingefügt. Die Messschaltung verfügt weiterhin über ein einstellbares Röhrennetzteil und eine Taste, mit der man eine Impulsmessung durchführt und an den Computer überträgt.

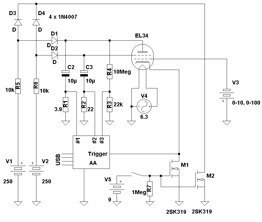
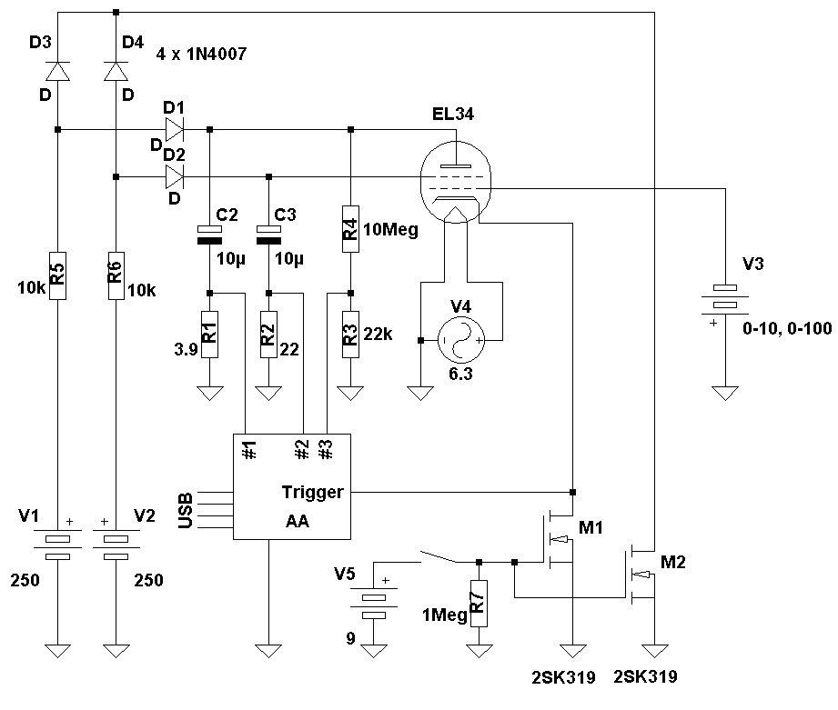
Der Messaufbau für eine EL34-Messung sieht zum Beispiel so aus:





Man stellt die G1-Spannung mit V3 ein, die G2-Spannung mit V2 und die Anodenspannung mit V1. Sobald man auf diese Weise einen Messpunkt ausgewählt hat, drückt man auf die V5-Taste. Die Impulsmessung startet, der "AA" wird getriggert.

Die durch g2 und die Anode fließenden Ströme werden vom "AA" an Kanal #1 und Kanal #2 gemessen. Die Anodenspannung an Kanal #3. Zusätzlich wird die Raumtemperatur innerhalb des AA bestimmt.

Diese vier Messwerte werden per USB-Tastaturemulation an eine beliebige und betriebssystemunabhängige PC- (oder Tablet)-Tabellenkalkulationssoftware übertragen:



Danach werden die drei Spannungen von Hand auf den nächsten Messwert eingestellt und erneut auf einen Schlag vier Messwerte erfasst.

So entsteht nach und nach eine komplexe Kennliniendarstellung:



-----------------------------------

Natürlich kann man auf gleiche Weise auch Kennlinien x-beliebiger anderer Bauteile erfassen. Z.B. Halbleiter, Glimmlampen... es muss nur der provisorische Messaufbau erdacht werden. Der "AA" bleibt unverändert.

-----------------------------------


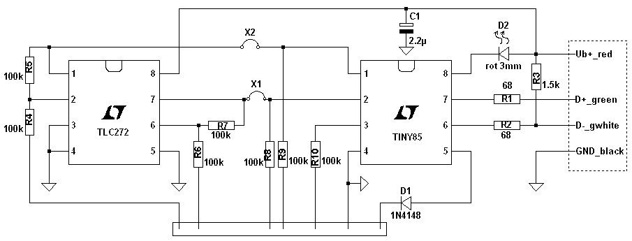
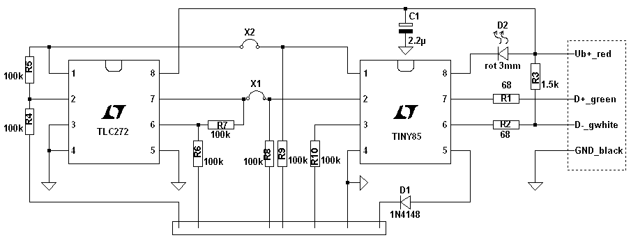
Die "AA"-Hardware ist äußerst einfach:





Die 'C'-Software hab ich als Text-Datei angelegt.

Viele Grüße

Wolfgang


Anm: Bernhard warnte in einem anderen Forum, dass das in der Software verwendete Tastaturemulator-Modul möglicherweise Stress mit neuesten Betriebssystemen hat. Dass also der AA vom PC nicht als Tastatur akzeptiert wird. Wenns wirklich passiert, guck ich mir das Problem genauer an.

Zuletzt bearbeitet am 20.09.19 05:51

Datei-Anhänge
aa1.JPG aa1.JPG (294x)

Mime-Type: image/jpeg, 89 kB

aa3.JPG aa3.JPG (304x)

Mime-Type: image/jpeg, 60 kB

aa15sw.png aa15sw.png (302x)

Mime-Type: image/png, 23 kB

aa15.JPG aa15.JPG (310x)

Mime-Type: image/jpeg, 194 kB

aa16.JPG aa16.JPG (292x)

Mime-Type: image/jpeg, 216 kB

aa11.JPG aa11.JPG (314x)

Mime-Type: image/jpeg, 61 kB

aa_1sw.png aa_1sw.png (303x)

Mime-Type: image/png, 7 kB

aa5.JPG aa5.JPG (312x)

Mime-Type: image/jpeg, 50 kB

aa_c.txt aa_c.txt (322x)

Mime-Type: text/plain, 7 kB

RWA gefällt der Beitrag.
!
!!! Fotos, Grafiken nur über die Upload-Option des Forums, KEINE FREMD-LINKS auf externe Fotos.    

!!! Keine Komplett-Schaltbilder, keine Fotos, keine Grafiken, auf denen Urheberrechte Anderer (auch WEB-Seiten oder Foren) liegen!
Solche Uploads werden wegen der Rechtslage kommentarlos gelöscht!

Keine Fotos, auf denen Personen erkennbar sind, ohne deren schriftliche Zustimmung.

Den Beitrag-Betreff bei Antworten auf Threads nicht verändern!
 1
 1
Messschaltung   möglicherweise   Impulsmessung   x-beliebiger   Tastaturemulator-Modul   provisorische   Analoganalysator   Röhren-Kennlinienschreiber   Raumtemperatur   TV-Ablenkröhren   USB-Tastaturemulation   zugeschnittene   Betriebssystemen   Röhrennetzteil   Anodenspannung   Kennliniendarstellung   einstellbares   Logikanalysatoren   betriebssystemunabhängige   EL34-Messung