| Passwort vergessen?
Sie sind nicht angemeldet. |  Anmelden

Sprache auswählen:

Wumpus Gollum Forum von
Wumpus Welt der (alten) Radios
Sie sind nicht angemeldet.
 Anmelden

Hochspannungsnetzteil/Brückengleichrichterprüfer
  •  
 1
 1
14.03.22 17:33
ThoMe 

0-49 Punkte

14.03.22 17:33
ThoMe 

0-49 Punkte

Hochspannungsnetzteil/Brückengleichrichterprüfer

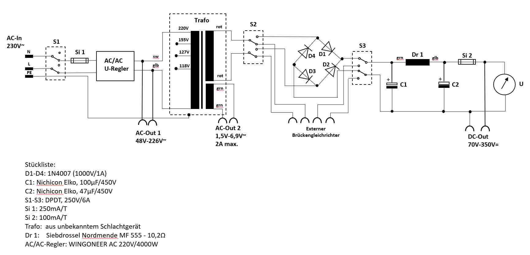
Aus verfügbaren Lagerbeständen habe ich ein Hochspannungsnetzteil mit integriertem Brückengleichrichterprüfer gebaut. Der Trafo stammt aus einem unbekannten Spenderchassis, ist Hochspannungsmäßig geprüft und bringt der erforderliche Leistung. Die Siebdrossel ist aus einem Nordmende Oberon mit typischer 100uF/47uF Siebung.

Der angehängte Schaltplan zeigt den Aufbau.



Um die Spannung einstellbar zu machen habe ich bei Amazon einen AC/AC-Wandler besorgt, kostet ca. 10,00€, mit 2 DPDT-Schaltern wird der der Si-Brückengleichrichter ausgekoppelt und an externe Buchsen geschaltet, so kann dann ein externer Gleichrichter geprüft werden.
Die einstellbaren Spannungen sind im Schaltplan aufgeführt, aus der 6,3V-Wicklung des Trafos kann eine niedrige Wechselspannung mit erhöhtem Strombedarf abgenommen werden.

Nach einer Küchenrenovierung sind diverse Holzleisten übrig geblieben, auf eine von diesen ist die Schaltung montiert. Das weiße Aluprofil stammt von einem abmontierten Duschvorhangschiene. Ein Neuberger Voltmeter zeigt die Ausgangsspannung.



Ich habe den Ausgangsstrom auf 100mA begrenzt, der Trafo und die Drossel könnten aber bestimmt noch etwas höher belastet werden.

Ist bestimmt nicht für die Anwendung in Schulen oder Ausbildungsbetrieben gebaut, aber man hat eine DC-Hochspannung verfügbar, welche bei Reparaturen verwendet werden kann. Ich habe auch schon einen alten AEG-Selengleichrichter damit getestet.

Liebe Grüße aus Mittelfranken,
Thomas

Zuletzt bearbeitet am 14.03.22 17:44

Datei-Anhänge
DC_Hoch_BGL_Prüfer_Schaltplan.jpg DC_Hoch_BGL_Prüfer_Schaltplan.jpg (196x)

Mime-Type: image/jpeg, 51 kB

DC_Hoch_BGL_Prüfer_Detail_2.jpg DC_Hoch_BGL_Prüfer_Detail_2.jpg (188x)

Mime-Type: image/jpeg, 208 kB

DC_Hoch_BGL_Prüfer_Detail_1.jpg DC_Hoch_BGL_Prüfer_Detail_1.jpg (195x)

Mime-Type: image/jpeg, 313 kB

DC_Hoch_BGL_Prüfer_Detail_3.jpg DC_Hoch_BGL_Prüfer_Detail_3.jpg (194x)

Mime-Type: image/jpeg, 290 kB

DC_Hoch_BGL_Prüfer_Detail_4.jpg DC_Hoch_BGL_Prüfer_Detail_4.jpg (205x)

Mime-Type: image/jpeg, 324 kB

Noch gefällt der Beitrag keinem Nutzer.
!
!!! Fotos, Grafiken nur über die Upload-Option des Forums, KEINE FREMD-LINKS auf externe Fotos.    

!!! Keine Komplett-Schaltbilder, keine Fotos, keine Grafiken, auf denen Urheberrechte Anderer (auch WEB-Seiten oder Foren) liegen!
Solche Uploads werden wegen der Rechtslage kommentarlos gelöscht!

Keine Fotos, auf denen Personen erkennbar sind, ohne deren schriftliche Zustimmung.

Den Beitrag-Betreff bei Antworten auf Threads nicht verändern!
 1
 1
Ausgangsspannung   integriertem   Spenderchassis   Küchenrenovierung   Ausgangsstrom   DC-Hochspannung   Wechselspannung   Hochspannungsnetzteil   einstellbaren   DPDT-Schaltern   AEG-Selengleichrichter   Ausbildungsbetrieben   erforderliche   Si-Brückengleichrichter   Duschvorhangschiene   Hochspannungsmäßig   Mittelfranken   Gleichrichter   Brückengleichrichterprüfer   Lagerbeständen