| Passwort vergessen?
Sie sind nicht angemeldet. |  Anmelden

Sprache auswählen:

Wumpus Gollum Forum von
Wumpus Welt der (alten) Radios
Sie sind nicht angemeldet.
 Anmelden

Superhet
  •  
 1 .. 8 9 10 11 12 .. 19
 1 .. 8 9 10 11 12 .. 19
15.06.11 00:12
roehrenfreak

nicht registriert

15.06.11 00:12
roehrenfreak

nicht registriert

Re: Superhet

Hallo zusammen,

nur nicht aufgeben - es gibt keine Probleme, sondern nur neue Herausforderungen. Sehen wir's also sportlich!

Die L-Kathode der ursprünglich als Video-Endröhre/Impulstrennstufe konzipierten P(E)FL200 liegt im vorliegenden Bauprojekt eigentlich schon HF-mässig über die Kombination aus 270 Ohm // 100µF auf Masse. Was ich noch nicht probiert habe (aber noch nachhole), was passiert, wenn dem Elko noch eine Keramikscheibe von z.B. 47nF parallelgeschaltet wird. Elkos haben's ja nicht so mit HF.

QAM...

Freundliche Grüsse,
Jürgen rf

Erzähle es mir – und ich werde es vergessen.
Zeige es mir – und ich werde mich erinnern.
Lass es mich tun - und ich werde es behalten.

(Konfuzius)

http://www.rettet-unsere-radios.de

!
!!! Fotos, Grafiken nur über die Upload-Option des Forums, KEINE FREMD-LINKS auf externe Fotos.    

!!! Keine Komplett-Schaltbilder, keine Fotos, keine Grafiken, auf denen Urheberrechte Anderer (auch WEB-Seiten oder Foren) liegen!
Solche Uploads werden wegen der Rechtslage kommentarlos gelöscht!

Keine Fotos, auf denen Personen erkennbar sind, ohne deren schriftliche Zustimmung.

Den Beitrag-Betreff bei Antworten auf Threads nicht verändern!
15.06.11 16:58
nobbyrad58 

500 und mehr Punkte

15.06.11 16:58
nobbyrad58 

500 und mehr Punkte

Re: Superhet

Hallo Zusammen !

Hab mir auch mal das Datenblatt des F Systems genauer angesehen, eine ausgesprochene Regelcharakteristik von g1 konnte ich nicht sehen. Eher schon bei dem L System. Es scheint so zu sein das über die Schirmgitterspannung (Durchgriff) eine stärkere Regelung von µ erfolgt. Das soll keine Rechthaberei sein ich freue mich ja auch wenn dieses Projekt mit Erfolg zu weitergeht. Eine Anwendung als Sync. Sep., also zur Impulstrennung ist im Datenblatt ja angegeben, auch die zur Z.F Verstärkung. Die muss ja nicht unbedingt g1 geregelt sein, es kommt da manchmal auch die AM Unterdrückung an die dann besondere Schaltungen erfordert. Das F System scheint eine Art Universalpentode wie eine EF80 zu sein, also im Prinzip gut verwendbar.

MFG Nobby

15.06.11 18:21
Kurzschluss 

250-499 Punkte

15.06.11 18:21
Kurzschluss 

250-499 Punkte

Re: Superhet

Hallo Nobby.
Vielleicht liegt es an den Datenblättern.Ich verwende hier das von Philips.
Nochmals ein kleiner Auszug davon.Schaut für mich nach Regelröhre aus.Aber vielleicht lese ich das Diagramm auch nicht Richtig.
Mal schauen, wann meiner seinen ersten Mucks macht.


LG
Norbert




Wenn ein FS mit 15 Röhren läuft, ist der Anblick durch die Rückwand auf jeden Fall schöner und interessanter wie das Programm auf der Mattscheibe.

Datei-Anhänge
Bildschirmfoto-PFL200.png Bildschirmfoto-PFL200.png (445x)

Mime-Type: image/png, 206 kB

15.06.11 19:03
nobbyrad58 

500 und mehr Punkte

15.06.11 19:03
nobbyrad58 

500 und mehr Punkte

Re: Superhet

Hallo Norbert !

Natürlich ist da auch eine kleine Regelkennlinie zu sehen die sogar schön gradlinig verläuft. Ich meine aber das richtige Regelröhren wie EF183 einen viel flacheren Verlauf der -g1/ S Kennlinie haben. In deren Datenblättern ist diese Kurve log. dargestellt und der nutzbare -g1 Bereich ist viel größer als 3 - 4 V. Eine EF80 hat allerdings einen steileren Verlauf dieser Kennlinie als die PFL200. Es wäre echt schade wenn ausgerechnet diese Eigenschaft einen Einsatz als AM ZF Verstärker durch zu große Verzerrungen der Verstärkung durch diese Kennlinienform erschweren würde. Aber so groß wird die ZF Spannung von der ECH81 o.ä. nicht sein. Man sieht das ist ein echt anspruchsvolles Projekt auch mit nur 2 Röhren. Diejenigen die diese Sache mit Erfolg zu Ende bauen, können wirklich stolz sein da ist sozusagen Pionierarbeit geleistet worden, habe bis jetzt nur NF Schaltungen im Bereich Selbstbau gefunden.

MFG Nobby

16.06.11 17:49
Kurzschluss 

250-499 Punkte

16.06.11 17:49
Kurzschluss 

250-499 Punkte

Re: Superhet

Hallo Miteinander
Inzwischen macht meine EFL200 auch Krach.Das Netzteil besteht aus einen Trafo der anscheinend für einen Videorekorder bestimmt war.
Er hat Fünf Sekundär Wicklungen: 2x8V, 1x34V, 1x20v und einmal 6V. Die ersten Drei Wicklungen habe ich in Reihe geschaltet.Sie ergeben nach den Brückengleichrichter und siebung mit einen 47uF Elko etwa 95V.Danach kommt ein Sieb Widerstand von 68 Ohm und ein Kondensator von nochmals 47uF.Die Parallelheizung erfolgt über eine 8V Wicklung und Zwei parallel geschaltete 2,7 Ohm Widerstände.
Die Heizspannung an den Röhren beträgt 6,4 V.
Der Ausgangstransformator ist ein ELA Trafo mit 3,2 KOhm.Macht ordentlich Lautstärke.
Nächste Woche geht es an den ZF Verstärker.Ich hoffe, das ich dort ein wenig mehr Glück habe als Jürgen.Glauben tu ich es aber nicht so Recht...
LG
Norbert
Wenn ein FS mit 15 Röhren läuft, ist der Anblick durch die Rückwand auf jeden Fall schöner und interessanter wie das Programm auf der Mattscheibe.

17.06.11 21:56
Kurzschluss 

250-499 Punkte

17.06.11 21:56
Kurzschluss 

250-499 Punkte

Re: Superhet

Hallo Miteinander.
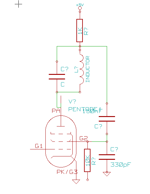
Mein ZF Verstärker ist auch fertig.Leider mit den gleichen Problemen wie Jürgen.Ein Abschirmbecher alleine hat leider nicht geholfen.
Ich habe deswegen ein wenig nach Neutralisation gesucht und habe die Schaltung an der F-Pentode der EFL200 so aufgebaut.
Ich glaube, das heißt man Schirmgitter Neutralisation.Auf jeden Fall schwingt sie nicht mehr und die Verstärkung ist Gut.
LG
Norbert
PS: Das sind natürlich 95V am Bandfilter und nicht 5V

Wenn ein FS mit 15 Röhren läuft, ist der Anblick durch die Rückwand auf jeden Fall schöner und interessanter wie das Programm auf der Mattscheibe.

Zuletzt bearbeitet am 17.06.11 21:57

Datei-Anhänge
Bildschirmfoto-1.png Bildschirmfoto-1.png (556x)

Mime-Type: image/png, 7 kB

17.06.11 22:06
Wolle 

500 und mehr Punkte

17.06.11 22:06
Wolle 

500 und mehr Punkte

Re: Superhet

Hallo Norbert.

Völlig korrekt, das von Dir verwendete Konzept heißt Schirmgitterneutralisation ud bewirkt die Kompensation der inneren Kapazitäten der Röhre.



Viele Grüße.
Wolle

Zuletzt bearbeitet am 18.06.11 08:34

Datei-Anhänge
neutr.png neutr.png (484x)

Mime-Type: image/x-png, 19 kB

19.06.11 08:48
Kurzschluss 

250-499 Punkte

19.06.11 08:48
Kurzschluss 

250-499 Punkte

Re: Superhet

Hallo Wolle,Hallo Miteinander.
Danke , hat geholfen.

Es schlägt mich hoffentlich keiner wenn ich sage das mein Radio spielt.
Klang und Lautstärke sind Gut.Die Empfindlichkeit reicht momentan noch nicht für eine Ferrit Antenne.An einer Draht Antenne ist aber das gleiche zu hören wie an einem Industrie Empfänger.
Noch schnell ein paar Bilder vom Chassis.Details folgen dann später.
Vielleicht zusammen mit dir Jürgen ? Bin schon sehr gespannt wie du das Eine oder Andere gelöst hast.








Schönen Sonntag
LG
Norbert


Wenn ein FS mit 15 Röhren läuft, ist der Anblick durch die Rückwand auf jeden Fall schöner und interessanter wie das Programm auf der Mattscheibe.

Datei-Anhänge
EFL200_Radio2.JPG EFL200_Radio2.JPG (464x)

Mime-Type: image/jpeg, 180 kB

EFL200_Radio3.JPG EFL200_Radio3.JPG (427x)

Mime-Type: image/jpeg, 164 kB

EFL200_Radio4.JPG EFL200_Radio4.JPG (489x)

Mime-Type: image/jpeg, 183 kB

19.06.11 11:14
nobbyrad58 

500 und mehr Punkte

19.06.11 11:14
nobbyrad58 

500 und mehr Punkte

Re: Superhet

Hallo Norbert , Hallo Zusammen !

Gratulation zum Erfolg! Es geht also doch. An eine Neutralisation hatte ich auch gedacht, aber die mehr so an g1 - A, wie bei manchen UKW Tunern. Auf das Schirmgitter war ich nicht gekommen. Für die ECH81 kann man auch eine ECH84 nehmen, die eignet sich für geringere Betriebsspannungen besser höhere Verstärkung und stärkerer Oszillator, eine bessere Kennlinie des C Systems, gibt's auch bei P günstig. Eine PCH200 wäre wohl auch geeignet aber über die hab ich keine nähere Info. Also kann das Radio mit normalen 6 Kreisern, die mindestens eine Röhre mehr haben ECH, E(B)F, ECL mithalten. So viel ich weiß ist so eine 2 Röhren Lösung mit der P(E)FL200 noch nirgends dokumentiert worden bei einem Radio. Da bist Du Norbert der Erste, klasse.

MFG Nobby

19.06.11 13:59
Pluspol 

500 und mehr Punkte

19.06.11 13:59
Pluspol 

500 und mehr Punkte

Re: Superhet

Hallo Norbert

Mit Wille und Zähigkeit hast Du die Problemlösung gefunden. Eine tolle Leistung...
Das ist ein Radio geworden, das nicht jeder kennt, weil erst vorher eine Neutralisation nötig war. Oft wird zu schnell und früh aufgegeben, weil man sich an technische Vorgaben und Datenblätter anderer zu sehr klammert.

Freundliche Grüße von Dietmar

Zuletzt bearbeitet am 30.06.11 08:08

 1 .. 8 9 10 11 12 .. 19
 1 .. 8 9 10 11 12 .. 19
Programm   Mattscheibe   Mittelwellen-Subminiaturröhren-Superhet   Superhet   Zuletzt   Schaltung   Norbert   vergessen   Grüsse   Grüße   Freundliche   bearbeitet   rettet-unsere-radios   Rückkopplungs-Zweikreiser-Audion   Jürgen   Spannungs-Vervierfacher-Schaltung   zusammen   interessanter   Röhren   Rückwand