| Passwort vergessen?
Sie sind nicht angemeldet. |  Anmelden

Sprache auswählen:

Wumpus Gollum Forum von
Wumpus Welt der (alten) Radios
Sie sind nicht angemeldet.
 Anmelden

Bessere Rückkopplungseinstellung
  •  
 1
 1
11.12.14 13:33
Vorkreis 

500 und mehr Punkte

11.12.14 13:33
Vorkreis 

500 und mehr Punkte

Bessere Rückkopplungseinstellung

Gruß an die Gemeinde der Audionbastler,

beim Betrachten der vielen Audionprojekte und vor allem der Videos fällt mir immer wieder auf, dass
die bauliche Umsetzung der Rückkopplungsregelung über Poti ein gewisses Verbesserungspotential birgt.
In d. R. wird wohl der in den Bauanleitungen genannte Wert von 100k als Poti eingesetzt. Dazu lange
Kunststoffachsen und kleine Drehknöpfe. Wie aber jeder Audionbetreiber aus leidvoller Erfahrung weiß,
spielt sich das Einstellen der Rückkopplung nur auf einem Bruchteil des 270° Drehkreises ab.
Man muss schon eine sehr ruhige Hand und viel Geduld aufbringen, um damit den optimalen Punkt zu erwischen.
Mit dem genauen Einstellen der RK aber steht und fällt die Leistungsfähigeit des Gerätes.
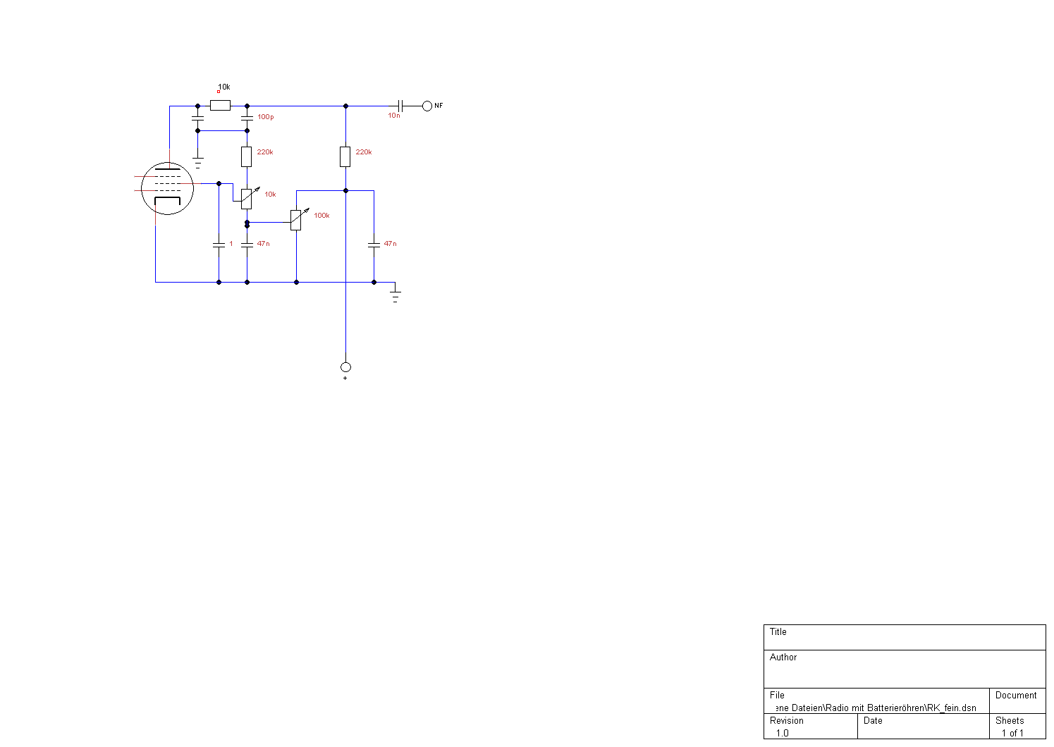
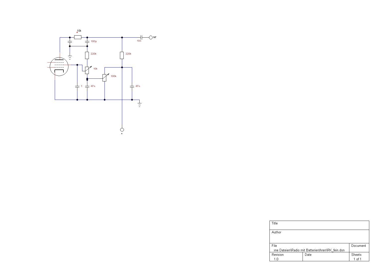
An eine frustmindernde und freudesteigernde Einrichtung sei im Anhang erinnert. Standardschaltung mit G2-Regelung.
Mit dem 100k-Poti wird grob voreingestellt und mit dem zweiten kleinen Poti (mit stabiler Achse u. großem Knopf)
fast nach belieben gespreizt. Besonders wirkungsvoll bei Kurzwellenempfang.
Extrem wenig Aufwand, super Wirkung.

Zuletzt bearbeitet am 11.12.14 14:04

Datei-Anhänge
RK_fein.png RK_fein.png (349x)

Mime-Type: image/png, 10 kB

laurel1 und MIRAG gefällt der Beitrag.
!
!!! Fotos, Grafiken nur über die Upload-Option des Forums, KEINE FREMD-LINKS auf externe Fotos.    

!!! Keine Komplett-Schaltbilder, keine Fotos, keine Grafiken, auf denen Urheberrechte Anderer (auch WEB-Seiten oder Foren) liegen!
Solche Uploads werden wegen der Rechtslage kommentarlos gelöscht!

Keine Fotos, auf denen Personen erkennbar sind, ohne deren schriftliche Zustimmung.

Den Beitrag-Betreff bei Antworten auf Threads nicht verändern!
11.12.14 19:36
qw123 

500 und mehr Punkte

11.12.14 19:36
qw123 

500 und mehr Punkte

Re: Bessere Rückkopplungseinstellung

Hallo Vorkreis,

Vorkreis:
Extrem wenig Aufwand, super Wirkung.
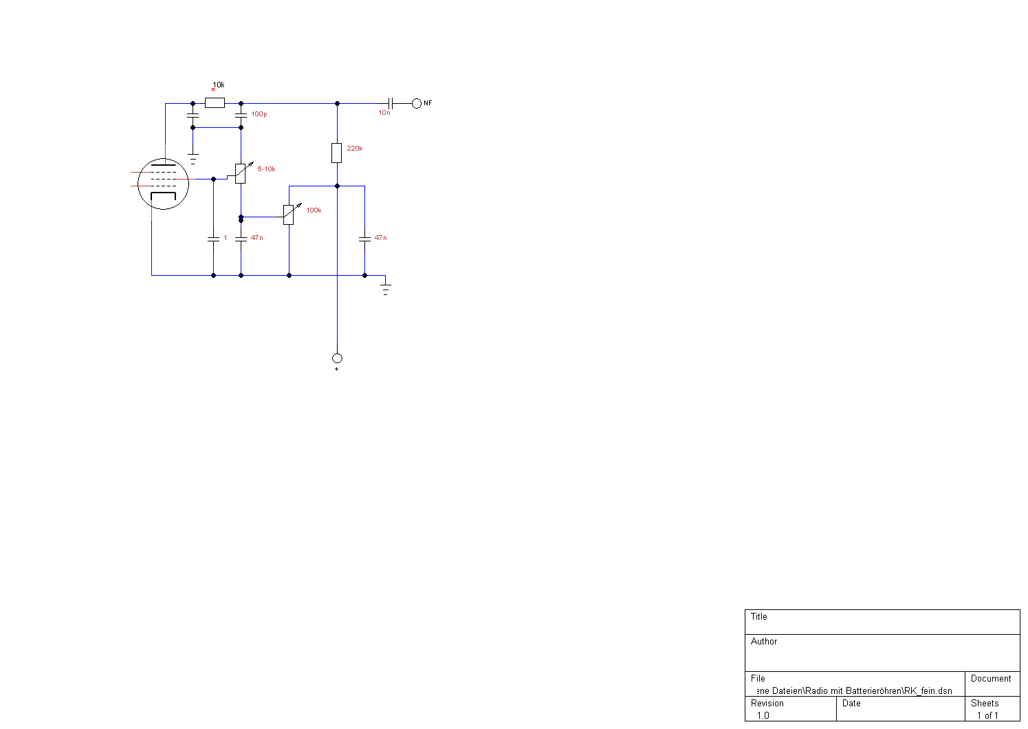
das hochohmige 100k-Poti wird durch das niederohmige zweite Poti stark belastet. Ideal ist das nicht.
Besser so:
http://www.wumpus-gollum-forum.de/forum/...p;id=1379007297

Gruß

Heinz

11.12.14 20:57
Vorkreis 

500 und mehr Punkte

11.12.14 20:57
Vorkreis 

500 und mehr Punkte

Re: Bessere Rückkopplungseinstellung

Hallo Heinz,

das stimmt natürlich, hatte in der Eile die Prinzipschaltung kopiert. So muß es richtig sein. Die von Dir gezeigte Variante habe ich in meinem letzten Projekt benutzt.
Gruß Jürgen

.

Datei-Anhänge
RK_fein.png RK_fein.png (343x)

Mime-Type: image/png, 10 kB

13.12.14 10:07
WalterBar 

500 und mehr Punkte

13.12.14 10:07
WalterBar 

500 und mehr Punkte

Re: Bessere Rückkopplungseinstellung

Hallo zusammen,

ursprünglich hatte ich in meinem Heinzelmann-Nachbau für die Rückkopplung auch ein 100k-lin-Potentiometer im Einsatz. Leider sind normale Potis kombiniert mit Ein-/Ausschalter sehr selten geworden und kaum für die ganze Normreihe zu bekommen. Mit den 100 Kiloohm bin ich nicht zurecht gekommen, die Einstellung war viel zu fummelig und knarzig. In der Original-RVF-Baumappe weist das Poti einen Wert von 20k auf (parallel zur Rückkopplungswicklung, Schleifer via 200pF an der AF7-Anode des Audions). Erst nach Einsatz eines 22k Potis war der Rückkopplungseinsatz butterweich und stabil. Es ist sogar möglich quasi in Zero-Beat (Schwebung) eine Weile zuzuhören.

Gruss
Walter

13.12.14 11:41
Vorkreis 

500 und mehr Punkte

13.12.14 11:41
Vorkreis 

500 und mehr Punkte

Re: Bessere Rückkopplungseinstellung

Hallo zusammen,

die Dimensionierung der beteiligten Widerstände kann sehr individuell sein. Die in meiner Schaltung angegeben Werte sind keineswegs bindend. Hängt zum einen von den gewählten Betriebsspannungen, der Schaltung selbst oder auch von der jeweils verwendeten Röhre ab. Mich würde interessieren mit welchen Schirmgitter/Anodenspannung eure Schaltungen arbeiten bzw. zu schwingen beginnen und mit welcher Röhre. Ich verwende gerne EF 80/89/95 oder DF91/92/96.

Gruß Jürgen

13.12.14 14:30
WalterBar 

500 und mehr Punkte

13.12.14 14:30
WalterBar 

500 und mehr Punkte

Re: Bessere Rückkopplungseinstellung

Hallo Jürgen,

in meinem Fall eine AF7, Anodenspannung 30V, Schirmgitterspannung 25V. Schwingungseinsatz des 22k Potis ab 10k gegen Masse. Die Rückkopplungsspule hat 80% der Kreisinduktivität.

Gruss
Walter

13.12.14 18:41
Vorkreis 

500 und mehr Punkte

13.12.14 18:41
Vorkreis 

500 und mehr Punkte

Re: Bessere Rückkopplungseinstellung

Hallo Walter,

der Heinzelmann arbeitet mit fester G2-Spannung, hat den Vorteil, dass sich der Arbeitspunkt beim betätigen der RK nicht ändert.
Ich habe einen Schaltplan der Allstromvariante. In diesem ist ein 15K-Poti zur RK-Einstellung angegeben. Diese wohl eher seltene Variante der RK-Regelung habe ich noch nie nachgebaut. Werde ich bei Gelegenheit mal ausprobieren.

Gruß
Jürgen

13.12.14 19:45
WalterBar 

500 und mehr Punkte

13.12.14 19:45
WalterBar 

500 und mehr Punkte

Re: Bessere Rückkopplungseinstellung

Hallo Jürgen,

danke für die Korrektur, es sind in der Tat 15 kOhm mit einem Koppel-C von 250pF. Solche Werte kann man heutzutage nicht realisieren. 10k für das Poti habe ich ausprobiert, war aber über alle Bänder nicht so ganz zufriedenstellend. Aber die Kombi 22k/220pF funktioniert gut. Besonders lobend muss ich die Art der Kopplung erwähnen, das seitliche Wegkippen der Spulen ist besser als beim VE.

Gruss
Walter

 1
 1
Verbesserungspotential   Schirmgitterspannung   Schwingungseinsatz   100k-lin-Potentiometer   wumpus-gollum-forum   Rückkopplungsspule   Rückkopplungseinsatz   Heinzelmann-Nachbau   Kurzwellenempfang   Rückkopplungsregelung   Rückkopplungseinstellung   Original-RVF-Baumappe   Kreisinduktivität   Standardschaltung   Leistungsfähigeit   zufriedenstellend   Kunststoffachsen   Prinzipschaltung   Rückkopplungswicklung   Betriebsspannungen