| Passwort vergessen?
Sie sind nicht angemeldet. |  Anmelden

Sprache auswählen:

Wumpus Gollum Forum von
Wumpus Welt der (alten) Radios
Sie sind nicht angemeldet.
 Anmelden

Software Defined Radio
  •  
 1 2 3 4 5 6
 1 2 3 4 5 6
05.11.17 21:27
joeberesf 

500 und mehr Punkte

05.11.17 21:27
joeberesf 

500 und mehr Punkte

Re: Software Defined Radio

Hallo HB9,

ich brauche unbedingt die Koordinaten- Querausrichtung des Displays für den Buttoncode. Ich habe im www nichts dazu gefunden....das hatte mich schon verwundert. Leider habe ich nur diese Demo-CD- des TFT. Da ist ne` Menge Zeug drin, die ich zwar mit kopiere aber oftmals gar nicht benötige. (graphische Spielereien). Solange diese Funktionalitäten nicht benötigt werden, frisst das ja kein Brot. Aber die Touch- Koordinaten zu finden, bzw. zu verändern ist mir noch nicht gelungen. Ich versuch die Lybrary zu durchforsten.

Werde berichten....

Joerg

!
!!! Fotos, Grafiken nur über die Upload-Option des Forums, KEINE FREMD-LINKS auf externe Fotos.    

!!! Keine Komplett-Schaltbilder, keine Fotos, keine Grafiken, auf denen Urheberrechte Anderer (auch WEB-Seiten oder Foren) liegen!
Solche Uploads werden wegen der Rechtslage kommentarlos gelöscht!

Keine Fotos, auf denen Personen erkennbar sind, ohne deren schriftliche Zustimmung.

Den Beitrag-Betreff bei Antworten auf Threads nicht verändern!
12.11.17 20:30
HB9 

500 und mehr Punkte

12.11.17 20:30
HB9 

500 und mehr Punkte

Re: Software Defined Radio

Hallo zusammen,

ich habe nun einige Erfahrungen mit dem SDR am Paillard gesammelt (Anzapfung am ZF-Pfad). Die Trennschärfe ist spitzenmässig, so wie es die Berechnungstools vorhersagen. Bei gutem Empfang ist Hüllkurven- und Synchrondemodulation identisch, da es keine Widerwärtigkeiten wie Dioden-Fluss-Spannungen oder Gitteranlaufspannung gibt. Bei Selektivschwund (Gleichwellensender oder Mehrwegempfang) merkt man bei Synchrondemodulation fast nichts davon, während es bei Hüllkurvendemodulation zu den bekannten Verzerrungen führt, wenn der Träger dran glauben muss. Dabei ist noch anzumerken, dass ich die Schwundregelung des Paillard stillgelegt habe, indem ich die Demodulator-Röhre gezogen habe, da diese sonst bei Träger-Schwund die Verstärkung hochregelt, was zu einem Lautstärkeanstieg führt, der stört.

Der SSB-Demodulator ist ebenfalls verblüffend. Das 'falsche' Seitenband wird vollständig unterdrückt, einfach verblüffend. Durch die geringe Welligkeit des ZF-Filters von 1dB werden die Amateurfunksender fast mit HiFi-Qualität hörbar.

Heute habe ich dem Prozessor eine Abschirmung verpasst, da er nicht unerhebliche Störungen produziert (insbesondere das Display). So bekomme ich einen nutzbaren Dynamikbereich (verständliche Sprache bis Übersteuerung des A/D-Wandlers) von etwa 50dB, was nicht schlecht ist. Da ich vom Geschäft noch ein paar serielle A/D-Wandler mit 12 Bit herumliegen habe, habe ich mal so einen angebaut. Der Störpegel wird sehr viel niedriger, wegen eines Software-Fehlers kann ich noch keine verlässlichen Messungen machen. Aber so wie es scheint, bringt der noch einige zusätzliche dB. Nach Rechnung müsste man auf eine nutzbare Dynamik von 70dB kommen. Der A/D-Wandler im Prozessor ist natürlich auch eine Herausforderung, direkt im EMV-Störnebel... aber er funktioniert erstaunlich gut. Weiter sollte man generell bei A/D-Wandlern darauf achten, dass man sie so niederohmig wie mäglich ansteuert, zudem schadet ein Kondensator vom Eingang auf Masse (ca. 1nF) nicht.

Gruss HB9

Zuletzt bearbeitet am 12.11.17 20:35

12.11.17 21:51
joeberesf 

500 und mehr Punkte

12.11.17 21:51
joeberesf 

500 und mehr Punkte

Re: Software Defined Radio

Hallo HB9,

HB9:
Dabei ist noch anzumerken, dass ich die Schwundregelung des Paillard stillgelegt habe, indem ich die Demodulator-Röhre gezogen habe, da diese sonst bei Träger-Schwund die Verstärkung hochregelt, was zu einem Lautstärkeanstieg führt, der stört.

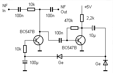
Hier gibt es eine Überschneidung unserer Projekte. Martin hat mir auf die Sprünge geholfen und einen Regler mit OP- vorgeschlagen. Im Netz fand ich bei weiteren Recherchen diese einfache Schaltung mit Transistoren und werde diese als Limitter einsetzen. Vielleicht auch interessant für Dich um das Hochregeln zu begrenzen. Wenn nicht hier, vielleicht für andere Projekte ? Der linke Transistor arbeitet als variabler Belastungswiderstand und hält den Pegel linear. Rechts die Ansteuerung dazu.

Gruß

Joerg

Datei-Anhänge
NF- Gain - Limitter.png NF- Gain - Limitter.png (364x)

Mime-Type: image/png, 9 kB

13.11.17 08:57
HB9 

500 und mehr Punkte

13.11.17 08:57
HB9 

500 und mehr Punkte

Re: Software Defined Radio

Hallo Jörg,

danke für den Schaltungstip. So was kann ich für den 'Upgrade' meines Amateurfunksenders brauchen (Modulationsbegrenzung), wenn der dran ist.

Beim SDR ist die Problematik aber eine andere. Die Schwundregelung wird vom SDR (als Vorwärtskorrektur) gemacht, somit soll das ZF-Eingangssignal nicht geregelt sein, da sonst die beiden Regler gegeneinander arbeiten, was nicht gut ist. Die Pegelanzeige wird so natürlich auch verfälscht.

Zum Schluss noch ein weiteres Ergebnis der SDR-Messungen:
Der Empfang ist wirklich bis 0Hz möglich, da es in der digitalen Welt kein Übersprechen gibt und daher weder das Eingangs- noch das Oszillatorsignal auf die digitale ZF durchschlägt. So kann man ganz lustige Sachen machen, z.B. kann man ein Audiosignal einspeisen und das in Betriebsart USB oder LSB bei der Empfangsfrequenz 0Hz hören, die ZF-Bandbreite begrenzt die NF-Bandbreite. Durch Verstellen der Empfangsfrequenz verschiebt sich das NF-Spektrum, wie man es sich gewohnt ist, nur braucht man dazu keinen Sender.
Ein AM-Signal auf 1kHz Trägerfrequenz kann ebenfalls einwandfrei empfangen werden, ohne dass man den Träger hört.

Gruss HB9

15.11.17 09:34
HB9 

500 und mehr Punkte

15.11.17 09:34
HB9 

500 und mehr Punkte

Re: Software Defined Radio

Hallo zusammen,

der Softwarefehler ist gefunden und beseitigt, dabei habe ich auch noch die Numerik vebessert, indem alle 32 Bit vom Mischer in das CIC-Filter eingespeist werden (da war noch eine Altlast vom Anfang, als das CIC-Filter nur 12 Bits verarbeiten konnte).
Mit dem externen A/D-Wandler liegt das Eigenrauschen jetzt etwa 100dB unterhalb der Übersteuerungsgrenze, alos etwa 16 effektive Bits Auflösung. Allerdings wird so auch die Herausforderung im Analogteil grösser, damit keine Störungen zum A/D-Wandler gelangen. Jedenfalls ist die Messlatte für das analoge Frontend hoch gesetzt. Beim Aufbau sind auch die Störungen des Displays zu beachten, am besten ist es, wenn man den Prozessor mit Display von der analogen Seite durch eine grosszügig dimensionierte Aluplatte trennt und natürlich den Digitalteil gut einpackt. Hier ist nur das Problem, dass das Display sichtbar bleiben soll...

Da der SW-Fehler auch die Variante mit dem internen A/D-Wandler betrifft, korrigiere ich diese auch noch, um so die beiden Wandler korrekt miteinander vergleichen zu können. Danach folgt das Update.

Gruss HB9

19.11.17 13:43
HB9 

500 und mehr Punkte

19.11.17 13:43
HB9 

500 und mehr Punkte

Re: Software Defined Radio

Hallo zusammen,

im Anhang ist der korrigierte Assemblerteil vom Interrupt, so ergibt sich ein etwas besserer Empfang. Einfach die Endung 'txt' entfernen und das alte File damit ersetzen.

In der Abschirmbox und mit externem A/D-Wandler und passendem Pufferverstärker erreicht er jetzt eine Dynamik von über 90dB, was für AM einen brauchbaren Bereich von etwa 70dB ergibt, was wesentlich mehr ist als die meisten AM-Empfänger schaffen. Intermodulation gibt es so gut wie keine, wenn man den ADC nicht übersteuert. Hier noch ein Bild:



Auf der rechten Seite befindet sich auf einem SMD-Veroboard der externe ADC und ein AD8021 als Pufferverstärker. Zum Prozessor braucht es dank serieller Übertragung nur 3 Leitungen. Die dicken Elkos sind übrigens nicht zur Zierde, die Siebung der Spannung für den ADC ist absolut matchentscheidend, da der Prozessor die Speisung ordentlich verseucht und es hier um analoge Pegel unter 100uV geht.

Mittlerweile habe ich diverse Empfangserfahrungen gesammelt. Schon mit einem einfachen Schwingkreis als Vorselektion gegen Aliasing gibt es erstaunlich gute Empfangsresultate bis in den KW-Bereich, natürlich mit Einschränkungen wegen der Aliasing-Problematik. Durch die Vorwärts-Schwundregelung hat man eine perfekt konstante Lautstärke, ausser natürlich bei Selektivschwund, aber mit Synchron-AM ist auch in diesem Fall ein guter Empfang möglich. Ebenfalls dank der reinen Vorwärtsregelung stimmt auch die Pegelanzeige immer (der absolute Pegel muss natürlich kalibriert werden, aber eine Änderung der Anzeige von 10dB entspricht wirklich 10dB Änderung am Analogeingang). Die variable Bandbreite ist manchmal sehr hilfreich, und die Selektivität entspricht der eines besseren Quarzfilters.

Als digitalen ZF-Verstärker verwendet verbessert er ein durchschnittliches Röhrenradio zu einem absoluten Spitzengerät, sofern der Oszillator und Mischer ausreichend gut sind, was meistens der Fall ist. Dabei sollte man die ZF nicht direkt nach dem Mischer anzapfen, sondern erst nach dem ersten ZF-Filter, damit dieses als Anti-Aliasingfilter wirkt. Bessere Transistorradios sollten auch gehen, bei einfachen dagegen ist der Mischer meistens relativ schlecht bezüglich Rauschen und Intermodulation. Unmittelbar vor dem A/D-Wandler braucht es einen niederohmigen Puffer, sehr gut geeignet ist z.B. der AD8021. Der hat auch bei einer Verstärkung von 10 noch ausreichend Grosssignal-Bandbreite und praktisch keine Intermodulation. Wenn man ihn entsprechend dem Datenblatt beschaltet, ist er trotz der enormen Bandbreite leicht zu beherrschen, und im SO8-Gehäuse noch handhabbar.

Wenn ich einen passenden DDS-Oszillator gefunden habe, gibt es dann ein passendes HF-Frontend für Lang- bis Kurzwellen. Leider sind diese Chips in sehr mühsamen Gehäusen untergebracht und ein passendes Modul habe ich noch nicht gefunden.

Der externe A/D-Wandler ist nicht zwingend, auch mit dem internen Wandler gibt es sehr guten Empfang, einfach die Dynamik ist auf etwa 60dB eingeschränkt, da er mehr Störungen sieht.

Somit kann man die Vor- und Nachteile etwa so zusammenfassen:

Vorteile:
- sehr gute Selektivität und quasi-stufenlose Bandbreiteneinstellung
- sehr geringe Welligkeit im Durchlassbereich, kann auch im Betrieb geändert werden durch andere Filterparameter
- quarzstabile Empfangsfrequenz
- perfekte Schwundregelung
- exakter Hüllkurvendemodulator ohne Dioden-Flussspannung und Nichtlinearität, dadurch auch bei 100% Modulation keine Verzerrung
- perfekte Unterdrückung des falschen Seitenbandes bei SSB-Empfang

Nachteile:
- hoher Stromverbrauch für Portabelgeräte (ca. 150mA bei 3.3V (ohne Display) gegenüber 1..10mA für analoge Lösungen)
- niedrige Maximalfrequenz von 500kHz, dadurch nur im ZF-Bereich oder VLF einsetzbar
- EMV-Emissionen erfordern relativ viel Entstöraufwand, damit man sich nicht selber stört

Gruss HB9

Zuletzt bearbeitet am 19.11.17 13:46

Datei-Anhänge
P1020065.jpg P1020065.jpg (339x)

Mime-Type: image/jpeg, 94 kB

ADC_Interrupt_asm.s.txt ADC_Interrupt_asm.s.txt (425x)

Mime-Type: text/plain, 13 kB

26.11.17 15:47
HB9 

500 und mehr Punkte

26.11.17 15:47
HB9 

500 und mehr Punkte

Re: Software Defined Radio

Hallo zusammen,

ich habe letzte Woche noch ein DDS-Modul mit dem AD9850 bekommen und in Betrieb genommen, das ging völlig problemlos, der AD9850 ist auch pflegeleicht, vor allem, wenn man die serielle Schnittstelle benutzt. Hier braucht man nur 3 Leitungen (Clock, Daten und Update) und die Übertragungsgeschwindigkeit ist völlig egal, so dass man es auch mit Software machen kann, wenn man keine SPI-Schnittstelle mehr hat. Der Frequenzbereich ist DC..62MHz, wobei man nicht über 40MHz gehen sollte, weil darüber die Aliasingprodukte der Oberwellen stören.

Ich habe jetzt den SDR zum Doppelsuper erweitert, das Blockschema ist im Anhang. Als erster Mischer dient ein Diodenmischer, der direkt mit dem DDS-Modul gefüttert wird, danach folgt ein dreikreisiges ZF-Filter zur Verhinderung von Aliasing und anschliessend der SDR. Am Eingang ist vorerst ein simples Tiefpassfilter zur Spiegelfrequenzunterdrückung. Die ZF habe ich auf 3.75MHz gelegt (genau in die Mitte des Alias-Bereichs 3.5 .. 4MHz). Hier arbeitet der externe A/D-Wandler noch sehr sauber und die Spiegelfrequenz ist mit über 7.5MHz sehr weit weg. Ich habe mal den Empfangsbereich mit dem Signalgenerator von 0..8MHz durchgefahren und dabei festgestellt, dass auch ohne Eingangsfilter die Nebenempfangsstellen sehr schwach sind. Mit einer ordentlichen Antenne kann man so schon sehr gut auf LW, MW und der unteren KW bis etwa 4MHz empfangen, und das ohne abgestimmten Vorkreis. Die Empfindlichkeit könnte besser sein, was auch kein Wunder ist, wenn man bedenkt, dass der Eingang inklusive Mischer und ZF-Filter rein passiv ist.

Der Diodenmischer zeigt auch hier seine Stärke: Obwohl die ZF (3.75MHz) im Empfangsbereich liegt, gibt es keine ZF-Durchschläge, weil ein Diodenmischer das Eingangs- und Oszillatorsignal nicht zum ZF-Ausgang durchlässt. In der Praxis ist diese Isolation natürlich nicht perfekt, aber der SBL1, den ich hier verwende, schafft bei dieser Frequenz eine Isolation von ca. 60dB, was wesentlich besser ist als die ZF-Abschwächung der meisten AM-Empfänger im LW- und unteren MW-Bereich.

Gruss HB9

Zuletzt bearbeitet am 26.11.17 17:01

Datei-Anhänge
Blockschema.pdf Blockschema.pdf (400x)

Mime-Type: application/pdf, 22 kB

17.12.17 16:58
HB9 

500 und mehr Punkte

17.12.17 16:58
HB9 

500 und mehr Punkte

Re: Software Defined Radio

Hallo zusammen,

es geht weiter. Ich habe jetzt die definitive ZF-Schaltung samt Leiterplatte gemacht. Die ZF beträgt 3.25MHz, das liegt genau zwischen zwei Aliasfrequenzen und ist auch nicht allzu stark belegt. Der Spiegelfrequenzabstand ist mit 6.5MHz schon sehr gross, so dass da keine Probleme zu erwarten sind. Die Schaltung ist als PDF angehängt.

Das Empfangssignal gelangt auf den mit D1 und D2 aufgebauten Ringmischer, ebenso das Oszillatorsignal. Danach folgt ein 3-kreisiges Bandfilter mit L4, L5 und L6. Der kurzgeschlossene Kondensator C18 ist kein Zeichenfehler, sondern eine nachträgliche Korrektur, so stimmt das Schema mit der Bestückung überein. Nach dem Filter folgt mit IC3 der erste ZF-Verstärker, die Verstärkung ist auf 11 eingestellt. Nun folgt mit L1..L3 das zweite ZF-Filter, auch hier ist der kurzgeschlossene Kondensator eine Korreltur. IC2 verstärkt etwa Faktor 3 und sorgt zusätzlich für eine niederohmige Ansteuerung des A/D-Wandlers IC1, R4 verhindert Schwingen des OpAmps durch die kapazitive Last. IC1 ist ein 12-Bit-Wandler, hat aber wesentlich bessere Eigenschaften als der im Prozessor integrierte Wandler. Man kann aber auch das ZF-Signal auf den Wandler im Prozessor führen und so IC1 sparen, der Spannungsbereich ist bei beiden derselbe.

Mit einer ordentlichen Antenne ist so schon guter Empfang möglich, wobei eine gewisse Vorselektion nicht schadet. Besser ist natürlich eine abgestimmte HF-Vorstufe, da der passive Mischer etwa 10dB Signalverlust hat. Das Oszillatorsignal sollte einen Pegel von etwa +7dBm (ca. 1Veff) haben, die Eingangsimpedanz beträgt für beide Eingänge etwa 50 Ohm. Der Rauschpegel liegt etwa 80dB unterhalb der Übersteuerungsgrenze vom A/D-Wandler.

Geplant ist ein weiterer Mischer, der das Eingangssignal von 0..30MHz auf eine erste ZF von ca. 50MHz hochmischt, dort eine erste Selektion stattfindet, und danach hier auf 3.25MHz heruntergemischt wird. So kann man am Eingang mit einem Tiefpass die Spiegelfrequenz gut unterdrücken und braucht keine abstimmbaren Eingangskreise. Aber das dauert noch etwas...

Hier noch die Bilder der ZF-Leiterplatte. Ohne SMDs geht es nicht mehr, aber diese sind noch einigermassen bastlerfreundlich. Die Spulen sind Neosid 7.1K-Spulensätze mit F2-Ferriktkernen, die Windungszahlen stehen im Schema. Der Drahtdurchmesser beträgt 0.1mm. Man kann natürlich auch andere Spulenkörper verwenden, bei den Neosid ist der Einstellbereich erfreulich gross, so dass man nicht mit nachträglichen Korrekturen der Kondensatoren rechnen muss.





Gruss HB9

Datei-Anhänge
P1020067.jpg P1020067.jpg (337x)

Mime-Type: image/jpeg, 112 kB

P1020068.jpg P1020068.jpg (333x)

Mime-Type: image/jpeg, 94 kB

ADC Schema.pdf ADC Schema.pdf (378x)

Mime-Type: application/pdf, 27 kB

28.12.17 15:11
HB9 

500 und mehr Punkte

28.12.17 15:11
HB9 

500 und mehr Punkte

Re: Software Defined Radio

Hallo zusammen,

hier folgt noch der erste Mischer mit der ersten ZF-Stufe. Die erste ZF habe ich voererst mal auf 33.25MHz gelegt, so kann als Oszillator für den 2. Mischer ein 30MHz-Quarzoszillator verwendet werden, der gerade noch herumlag. Die Schaltung ist im PDF angehängt. Für die Spulen habe ich auch hier die Neosid 7.1K-Spulenkörper verwendet. Wer nicht gerne Spulen wickelt, bekommt bei Neosid auch passende Fertigspulen. Selbstverständlich kann man auch andere abgeschirmte Spulen verwenden, wenn sie im Bereich um 30MHz eine hohe Güte haben.

Als Mischer dient hier ein SBL1, das ist ein Dioden-Ringmischer für Frequenzen bis 500MHz. Hier ist der HF- mit dem ZF-Anschluss vertauscht. Das ist bei Diodenmischern erlaubt und sorgt so dafür, dass die Eingangsfrequenz bis Null Hz geht, da der ZF-Eingang nicht über einen Trafo führt. Das Oszillatorsignal soll einen Pegel von 7dBm (ca. 0.5Veff) haben. Nach dem Mischer folgt ein erstes Bandfilter mit L1 und L2. Mit dem kapazitiven Spannungsteiler C1/C2 wird der Mischer an den hochohmigen Schwingkreis angepasst. Mit der Kaskode aus T1 und T2 wird die Dämpfung des Mischers und der Bandfilter kompensiert, die effektive Verstärkung vom Ein- zum Ausgang beträgt ca. 5dB. R1 verhindert wilde UHF-Schwingungen. Dank Kaskode ist keine Neutralisation nötig und es besteht auch keine Gefahr von Schwingungen trotz den Schwingkreisen am Ein- und Ausgang. Am Ausgang folgt ein weiteres Bandfilter mit L3, L4 und L5. Der kapazitive Spannungsteiler am Ausgang (C11/C12) sorgt für eine Ausgangsimpedanz in der Grössenordung 50 Ohm, so dass man den Ausgang über ein kurzes Koaxkabel direkt an den 2. Mischer anschliessen kann.
Die ZF-Bandbreite beträgt ca. 1MHz, und bei 70dB Dämpung ist die Bandbreite immer noch unter 6MHz, so dass es keine Probleme mit Spiegelfrequenzempfang beim 2. Mischer gibt. Bei einer 2. ZF vom 3.25MHz hat die Spiegelfrequenz einen Abstand von 6.5MHz. Der Abgleich ist einfach, man kann alle Spulen auf Maximum bei einer ZF von 33.25MHz abgleichen. Wer es ganz genau nimmt, kann die Filterkurve mit einem Spektrum-Analyser mit Mitlaufgenerator messen und optimieren.

Die ersten Empfangsversuche waren schon sehr vielversprechend, und das ohne Eingangsfilter. Als Nächstes folgt der Abstimm-Oszillator und die Eingangsschaltung. Am Eingang braucht es noch mindestens einen Tiefpass zur Spiegelfrequenzunterdrückung, besser ist natürlich ein umschaltbares Bandfilter, zudem ist auch ein zuschaltbarer Vorverstärker und Abschwächer vorgesehen.

Um das Ganze HF-mässig wieder unter voller Kontrolle zu haben, baue ich alles auf ein Metall-Chassis.

Fortsetzung folgt...

Gruss HB9

Datei-Anhänge
ZF1 Schema.pdf ZF1 Schema.pdf (415x)

Mime-Type: application/pdf, 19 kB

02.01.18 19:49
HB9 

500 und mehr Punkte

02.01.18 19:49
HB9 

500 und mehr Punkte

Re: Software Defined Radio

Hallo zusammen,

ich habe mal mit dem Mess-Sender ein paar Messungen gemacht. Der Frequenzgang ist superflach, von 10kHz bis 28MHz war der angezeigte Pegelunterschied nur 1dB, so geht er noch als Mess-Empfänger durch. Bei 30MHz gibt es etwa 3dB Abfall, da hier die Oszillatoramplitude abfällt, da kann man noch etwas optimieren. Auf der Spiegelfrequenz (66..96MHz) ergibt sich das gleiche Bild, so kann man ihn mit einem passenden Vorfilter auch für diesen Frequenzbereich einsetzen, oder mit einem passenden Oszillator für das 6m- und das 2m-Amateurfunkband. Der Mischer geht bis 500MHz, so geht auch 70cm, wenn man einen passenden Oszillator bauen kann, was nicht mehr einfach ist.

Die Empfindlichkeit ist mit ca. 5uV an 50 Ohm für verständliche Sprache ganz ordentlich, und für maximale Empfindlichkeit gibt es noch einen zuschaltbaren Vorverstärker. CW-Signale sind schon mit 0.5uV lesbar.

Die Intermodulationsfreiheit ist sensationell. Wenn man die KW-Amateurfunkantenne ohne jegliche Filterung am Mischer anschliesst, gibt es ein paar wenige Frequenzen, wo Intermodulationsprodukte vom 31m-Rundfunkband schwach hörbar werden. Mit schaltbaren Bandpässen zur Weitabselektion sind diese komplett weg.

Momentan bin ich mit dem DDS-Oszillator beschäftigt. Etwas schwingt noch zeitweise, dem muss ich noch nachgehen, zudem hat zu guter Letzt ein sich verabschiedender Spannungsregler den DDS-Chip in den Silizium-Himmel befördert. Ersatz ist schon im Anflug, und bis der neue da ist, sollten die Schwingungen auch besiegt sein... Immerhin hat der Prozessor davon nichts mitbekommen.

Gruss HB9

 1 2 3 4 5 6
 1 2 3 4 5 6
Spiegelfrequenzunterdrückung   Samples   Vorwärts-Verstärkungsfaktoren   Samplingfrequenz   Mischer   Frequenz   Prozessor   Bandbreite   Display   D-Wandler   Software   einfach   funktioniert   zusammen   Floating-Point-Signalprozessoren   braucht   Synchron-Zweiseitenband-Demodulation   Defined   bearbeitet   natürlich