| Passwort vergessen?
Sie sind nicht angemeldet. |  Anmelden

Sprache auswählen:

Wumpus Gollum Forum von
Wumpus Welt der (alten) Radios
Sie sind nicht angemeldet.
 Anmelden

Noch ein KW-Audion, aber ein bisschen anders....
  •  
 1 2 3
 1 2 3
01.03.24 15:53
WoHo 

500 und mehr Punkte

01.03.24 15:53
WoHo 

500 und mehr Punkte

Re: Noch ein KW-Audion, aber ein bisschen anders....

Das Problem war,
in den Abendstunden kommen die Sender im 49- und 41m-Band viel zu stark rein. Da war also noch „room for improvement“.


Den EDDYSTONE Spulensatz wollte ich nicht verändern. Dafür wurde am Antenneneingang ein Abschwächer montiert, wie Jens bereits vorschlägt. Dieser ist schaltbar einzufügen, wie das öfters bei kommerziellen Emfängern zu sehen ist. Weiterhin habe ich die Rückkopplung etwas angepasst, was eine bessere Bedienung zulässt.

Gruß aus NL, Wolfgang

Datei-Anhänge
kw22-vb.jpg kw22-vb.jpg (127x)

Mime-Type: image/jpeg, 114 kB

!
!!! Fotos, Grafiken nur über die Upload-Option des Forums, KEINE FREMD-LINKS auf externe Fotos.    

!!! Keine Komplett-Schaltbilder, keine Fotos, keine Grafiken, auf denen Urheberrechte Anderer (auch WEB-Seiten oder Foren) liegen!
Solche Uploads werden wegen der Rechtslage kommentarlos gelöscht!

Keine Fotos, auf denen Personen erkennbar sind, ohne deren schriftliche Zustimmung.

Den Beitrag-Betreff bei Antworten auf Threads nicht verändern!
02.03.24 14:20
WoHo 

500 und mehr Punkte

02.03.24 14:20
WoHo 

500 und mehr Punkte

Re: Noch ein KW-Audion, aber ein bisschen anders....

Zitieren:
Überlappen die Balken der EAM86 schon, wenn mit schwingendem Audion Telegrafie empfangen wird?
Dann wäre es eine gute Möglichkeit, die Fuktion der Rückkopplung vorzuführen.
Es ist nämlich gar nicht so einfach das Audion so hinzutrimmen, dass es im Bereich, wo es bereits
schwingt, Rückkopplungsmäßig noch einwandfrei zu bedienen ist.

Hallo Jens

CW-Empfang mit schwingendem Audion geht nicht mit diesem Aufbau! Begründung:

Sobald ich die Rückkopplung schwingen lasse, ensteht am g1 der EAM86 eine neg. Spannung von 3V !! D.h., die Empfindlichkeit geht drastisch zurück.
Schön wäre es, wenn die Rückkopplung weich einsetzen würde, ist aber mit dem Aufwand nicht möglich. Ich denke, eine schwenkbare "Tickler-Coil" wäre die Lösung....

Übrigens, tonlose Telegrafie kann ich empfangen mit Fremdüberlagerung von einem frequenzstabilen Messsender. Vorhin im 40m Amateurband ausprobiert.

Der Vorschlag mit einem Poti am Antenneneingang ist mir bekannt. Die Kiste hat schon vier Einstellregler, eine fünfte ist mir zuviel....
Dafür den schaltbaren Abschwächer (ein bisschen zu drastisch) eingebaut.
Kleiner Zeichenfehler von mir: das kalte Ende davon soll zum Erdanschluss gehen, nicht nach Masse.

Gruß aus NL, Wolfgang

03.03.24 18:19
AndreAdrian 

250-499 Punkte

03.03.24 18:19
AndreAdrian 

250-499 Punkte

Re: Noch ein KW-Audion, aber ein bisschen anders....

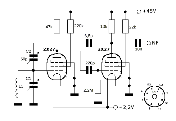
Noch eine Idee zur Rückkopplung: kann die RK über die Schirmgitterspannung der EF80 eingestellt werden?

DL1ADR

07.03.24 23:18
Hajo 

500 und mehr Punkte

07.03.24 23:18
Hajo 

500 und mehr Punkte

Re: Noch ein KW-Audion, aber ein bisschen anders....

WoHo:
Mein hier vorgestelltes KW-Audion ist KEIN Franklin-Audion,
sondern ein normales Audion nach Lee de Forest, wohl mit einer Rückkopplung nach dem Franklin-Oszillator Prinzip.

Habe mich auch mal an einer Schaltung nach diesem Prinzip versucht und bin überrascht, wie gut sie funktioniert.
Spule ohne Anzapfung und seidenweicher Schwingeinsatz auf MW - was will man mehr.
Wenn das auch auf VLF so gut geht...



Gruß in die Runde
Hajo

Zuletzt bearbeitet am 09.03.24 00:55

Datei-Anhänge
Audion- VLF-MW.gif Audion- VLF-MW.gif (127x)

Mime-Type: image/gif, 8 kB

08.03.24 11:27
WoHo 

500 und mehr Punkte

08.03.24 11:27
WoHo 

500 und mehr Punkte

Re: Noch ein KW-Audion, aber ein bisschen anders....

Prima Hajo, Gratulation !

Meine Schaltung wurde auf maximale Verstärkung konzipiert, sonst war der Ausschlag im Magischen Auge zu gering.

Durch die rel. hohe Steilheit der EF80 und auch der Triode der EAM86 (beide ca. 6 mA/V), war ein weicher Rückkopplungseinsatz durch die erzielte "Schleifenverstärkung" nicht möglich.

Gruß, Wolfgang

09.03.24 01:04
Hajo 

500 und mehr Punkte

09.03.24 01:04
Hajo 

500 und mehr Punkte

Re: Noch ein KW-Audion, aber ein bisschen anders....

Hallo Wolfgang

Nach einigen Änderungen funktioniert die Schaltung von VLF bis MW.
Für VLF mußte der Koppel-C von 6,8p bis auf 1,2p verkleinert werden, damit die Rückkopplung am unteren Frequenzende beherrschbar bleibt. Allerdings fällt die Empfindlichkeit unterhalb von etwa 40kHz zunehmend ab. Woran das liegt, habe ich bisher noch nicht herausfinden können. Habe das Schaltbild oben entsprechend geändert.

Gruß in die Runde
Hajo

 1 2 3
 1 2 3
Schwingungserzeugung   Wolfgang   Rückkopplung   Huth-K%C3%BChn-Schaltung   Franklin-Oszillator   Rückkopplungs-Audions   Lautsprecherwiedergabe   Franklin   Entdämpfungsschaltung   KW-Audion   Schaltung   Anoden-Gitterkapazität   Empfängerrückkopplung   bisschen   Mei%C3%9Fner-Schaltung   widerstandsgekoppelten   Franklin-Oszillatorschaltung   2-Röhren-Rückkopplungschaltung   Anzeigeempfindlichkeit   Seitenbandanwendungen