| Passwort vergessen?
Sie sind nicht angemeldet. |  Anmelden

Sprache auswählen:

Wumpus Gollum Forum von
Wumpus Welt der (alten) Radios
Sie sind nicht angemeldet.
 Anmelden

Röhren NF- Verstärker für UKW- Detektor
  •  
 1 2 3 4 5 6 .. 15
 1 2 3 4 5 6 .. 15
06.12.12 09:21
joeberesf 

500 und mehr Punkte

06.12.12 09:21
joeberesf 

500 und mehr Punkte

Re: Röhren NF- Verstärker für UKW- Detektor

Hallo Nobby, hallo zusammen,

nobbyrad58:
PS: Es gibt auch "freie" Musik zum downloaden, man könnte einen UKW Transmitter damit füttern und dann......

Der Frust sitzt tief...mein erster YT- Versuch und dann sowas. Ich will gern ein neues Video machen, aber ich bin mir
unsicher wie ich das Problem mit der urheberrechtlich geschützten Musik lösen kann.
Ich kann kann am Tisch vier recht laute Stationen empfangen. 1x Mulikulti (viel Musik), InfoRadio (25kW) (Sprache)
und eher zu leise für ein Video, Klassikradio, und RBB 88,8 = Dudelfunk.

Vielleicht sollte ich die Nachrichten abwarten?

Der Belkin Transmitter oder mein Mess- Sender würde auch gehen..aber es entspricht ja nicht der
wirklichen Empfangssituation.......... und gerade dies ist ja interessant.

Gruß

joe

Zuletzt bearbeitet am 06.12.12 09:23

!
!!! Fotos, Grafiken nur über die Upload-Option des Forums, KEINE FREMD-LINKS auf externe Fotos.    

!!! Keine Komplett-Schaltbilder, keine Fotos, keine Grafiken, auf denen Urheberrechte Anderer (auch WEB-Seiten oder Foren) liegen!
Solche Uploads werden wegen der Rechtslage kommentarlos gelöscht!

Keine Fotos, auf denen Personen erkennbar sind, ohne deren schriftliche Zustimmung.

Den Beitrag-Betreff bei Antworten auf Threads nicht verändern!
06.12.12 22:52
joeberesf 

500 und mehr Punkte

06.12.12 22:52
joeberesf 

500 und mehr Punkte

Re: Röhren NF- Verstärker für UKW- Detektor

Hallo zusammen,

Hier der zweite und auf 1min gekürzte Versuch. Zwischen dem ausklingenden Kulturradio und des RBB 88.8 liegen
3,6MHz. Beides sind 100KW Stationen die ich noch direkt am Tisch, im Detektorbetrieb mit S-P- Hörer, an der Hörschwelle
empfange. Hier das verstärkte Ergebnis im Video. Ich hoffe das jetzt nicht mehr gesperrt wird.

Gruß

joe

https://www.youtube.com/watch?v=GnuKsD8ta3s&list=UL



Zuletzt bearbeitet am 06.12.12 23:02

06.12.12 22:57
regency 

500 und mehr Punkte

06.12.12 22:57
regency 

500 und mehr Punkte

Re: Röhren NF- Verstärker für UKW- Detektor

Hallo Joe,
ich kann das eingebettete Video nicht sehen. nur weißer Kasten. Kannst du den link dazuschreiben?
Schöne Grüße, Jan

06.12.12 23:14
nobbyrad58 

500 und mehr Punkte

06.12.12 23:14
nobbyrad58 

500 und mehr Punkte

Re: Röhren NF- Verstärker für UKW- Detektor

Hallo Joe!

Bei mir hat es geklappt. Auch mit Linux und Chrome Browser.

MFG Nobby

19.01.13 23:45
joeberesf 

500 und mehr Punkte

19.01.13 23:45
joeberesf 

500 und mehr Punkte

Re: Röhren NF- Verstärker für UKW- Detektor

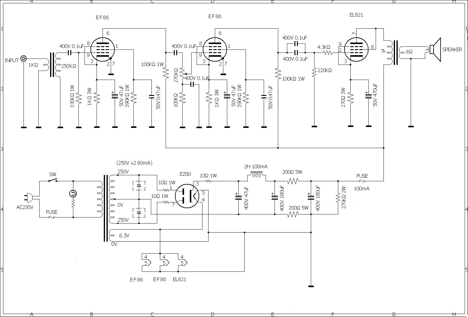
Hallo an alle Röhrenbastelfreunde im WGF,

nun will ich euch meinen ersten Entwurf vorstellen. Ich habe es mir einfach gemacht
und schon bewährte Schaltungen und eigene Erfahrungen kombiniert. Aus vier unterschiedlichen Quellen habe ich mich bedient
und denke, dass ich so starten kann. Aufgrund der geringen Eingangspannungen, werde ich auf jeden Fall
zwei Stufen für die Vorverstärkung aufbauen. Bitte schaut mal auf den Lautstärkeregler zwischen erster und
zweiter Stufe....kann ich das so realisieren?
Die Heizung ist in AC ausgelegt, wenn es Brummprobleme gibt, werde ich diese über einen Brückengleichrichter schicken.
Es ist bis jetzt nur ein niederohmiger Eingang vorhanden. Ein hochohmiger Eingang soll über einen Wechselschalter erfolgen.
Es ist ein Mono -Strang, den man bei Erfolg, auch zu einer Stereovariante ausbauen könnte.
Was haltet ihr von möglichen Ersatztypen zur EF86 und EL821 (6ZH32P und 6CH6) ?

Es ist mein erstes größeres Röhrenprojekt mit hohen Anodenspannungen,..
also seit nicht zu streng mit mir...

Bitte aber um Kritik, Verbesserungen und abschließend wünsche ich mir ein Go...nun kannst Du starten.

Gruß

joe

Achtung, Plan ist nicht i.O. ! Korrektur weiter unten!



Zuletzt bearbeitet am 21.01.13 09:22

Datei-Anhänge
Detektorverstärker_vers_0.JPG Detektorverstärker_vers_0.JPG (498x)

Mime-Type: image/jpeg, 148 kB

20.01.13 00:33
ingodergute 

Moderator

20.01.13 00:33
ingodergute 

Moderator

Re: Röhren NF- Verstärker für UKW- Detektor

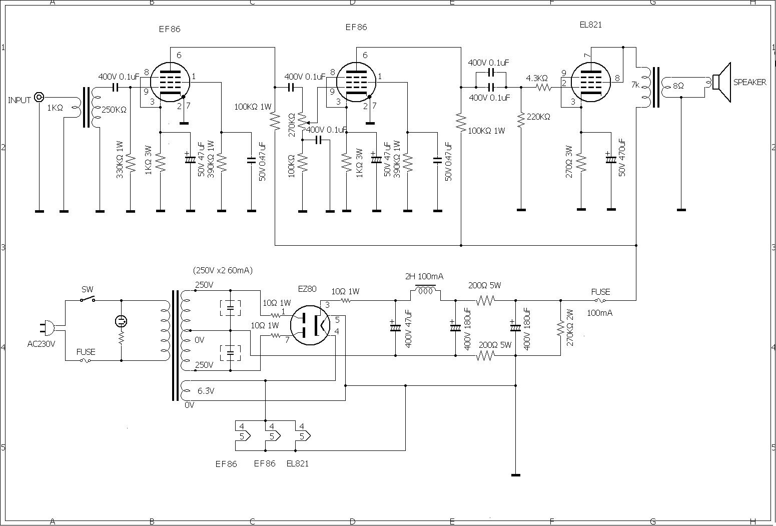
Hallo Joe,

wieso haben Deine EF86 keine Schirmgitterspannung?
Den Eingangstrafo kannst Du meiner Ansicht nach direkt (ohne Kondensator und Widerstand) ans Gitter legen - ok, außer Du willst den Trafo zur Umschaltung auf hohe Impedanz abtrennbar machen.
Welchen Zweck hat die RC Kombination am Fuß des Lautstärkereglers. Sie bedeutet, dass Signale unterhalb 15 Hz auch bei Lautstärke=0 noch mit 25% Amplitude durchkommen.
Wozu dient der 200 Ohm Widerstand im Minuszweig der Anodenspannungsversorgung? Da die Endstufe ihre negative Gitterspannung durch die Katodenkombination der Endröhre bekommt, ist der 200 Ohm-Widerstand zur Erzeugung einer negativen Vorspannung ja unnötig. Ich würde die Endstufe vom vorletzten Elko (an der Anodendrossel) versorgen, den 200 Ohm-Widerstand im Pluszweig vergrößern und die Vorstufen vom letzten Elko versorgen, um die Vorstufen besser von der Endstufe zu entkoppeln und deren Brummspannung zu verringern.

Die Elkos sind sehr groß. Verträgt das die EZ80?

Die Heizung würde ich mit zwei Widerständen (je 50 Ohm) gegen Masse symmetrieren, falls kein Entbrummregler rein soll.


Viele Grüße

Ingo.

20.01.13 02:03
joeberesf 

500 und mehr Punkte

20.01.13 02:03
joeberesf 

500 und mehr Punkte

Re: Röhren NF- Verstärker für UKW- Detektor

Hallo Ingo,

schön das Du Dir meinen Entwurf so intensiv angeschaut hast.

Hier meine Eingabe in ROT, in Deinem Text.


ingodergute:
Hallo Joe,

wieso haben Deine EF86 keine Schirmgitterspannung?
Weil ich einen blöden Kopierfehler begangen habe, man, man,..... echt nicht gesehen ...Danke Ingo.!!


Den Eingangstrafo kannst Du meiner Ansicht nach direkt (ohne Kondensator und Widerstand) ans Gitter legen - ok, außer Du willst den Trafo zur Umschaltung auf hohe Impedanz abtrennbar machen.

Ja,...ich will später noch einen zweiten Eingang kreieren. Hier ist nur der der niederohmige Eingang dargestellt.
Bei meinen Versuchen im Niederspannungsbereich, habe ich den Trafo direkt am Gitter / ohne C / angeschlossen, das hatte
keinen Erfolg. Die Angabe des Widerstandes, ist auch nicht der ohmsche Widerstand, sondern die Impedanz! sorry!

Welchen Zweck hat die RC Kombination am Fuß des Lautstärkereglers. Sie bedeutet, dass Signale unterhalb 15 Hz auch bei Lautstärke=0 noch mit 25% Amplitude durchkommen.
Ja hier ist Hilfe angesagt! Dies habe ich mir so ausgedacht und ein wenig am Kolibrie (Einkreiser) angelehnt.
Da ich mir unsicher bin, ...deswegen habe ich hier explezit nachgefragt. Wie würdest Du die Lautstärkereglung umsetzen?


Wozu dient der 200 Ohm Widerstand im Minuszweig der Anodenspannungsversorgung? Da die Endstufe ihre negative Gitterspannung durch die Katodenkombination der Endröhre bekommt, ist der 200 Ohm-Widerstand zur Erzeugung einer negativen Vorspannung ja unnötig. Ich würde die Endstufe vom vorletzten Elko (an der Anodendrossel) versorgen, den 200 Ohm-Widerstand im Pluszweig vergrößern und die Vorstufen vom letzten Elko versorgen, um die Vorstufen besser von der Endstufe zu entkoppeln und deren Brummspannung zu verringern.

Ja Ingo...dass hat mich auch etwas verwirrt! Es ist eine Schaltung aus dem www. Hier soll wohl eine weitere Glättung erfolgen.
Ich habe diese einfach so übernommen. Allerdings auch einiges eliminiert. Die Vorstufe (eine Triode) war noch über einen eigenen
Zweig angehängt, den habe ich eliminiert. Dies könnte das Problem sein!

Die Elkos sind sehr groß. Verträgt das die EZ80?[/color]
Ist aus einem Schaltungsbeispiel kopiert. Als Strombegrenzung dienen sicherlich die Vorwiderstände. Den Maximalstrom kann
die EZ80 vertragen. Hoffe ich.... nein, ja,.. Laut Datenblatt! ok!


Die Heizung würde ich mit zwei Widerständen (je 50 Ohm) gegen Masse symmetrieren, falls kein Entbrummregler rein soll.
War im Schaltungsbeispiel nicht vorgesehen. Habe ich erstmal so übernommen. Die DC Variante ist ja vielleicht auch noch angedacht. ok!

Viele Grüße
Ingo.

Ich werde die ersten Punkte in einen neuen Plan einzeichnen.

Danke Ingo, für Dein Statement und besten Gruß

joe

Zuletzt bearbeitet am 20.01.13 02:18

20.01.13 08:54
qw123 

500 und mehr Punkte

20.01.13 08:54
qw123 

500 und mehr Punkte

Re: Röhren NF- Verstärker für UKW- Detektor

Hallo Joe,

joeberesf:
Bitte aber um Kritik, Verbesserungen ....
Ingo hat schon alle wesentlichen Kritikpunkte erwähnt. Alle von Ingo vorgeschlagenen Änderungen würde ich auch so übernehmen.
Der Lautstärkeregler ist dort wo er jetzt ist, genau richtig. Ihn etwa an den Eingang zu verlegen wäre falsch. Damit fängt man sich nur unnötigen Brumm ein.


Hier noch die eine odere andere Ergänzung:

a) der 330k-Widerstand am Gitter der ersten EF86 kann aber muß nicht unbedingt (zusammen mit dem Eingangs-C) entfallen.
Den meisten NF-Übertragern hilft es, wenn sie auf der hochohmigen Seite mit einem bestimmten, experimentell zu ermittelnden Widerstand abgeschlossen werden. Damit kann man u.U. den Frequenzgang deutlich linearisieren. Voraussetzung wäre aber, daß Du Frequenzgänge messen kannst.

b) 0.1µF vor dem Gitter der Endröhre genügen. Eine Verdopplung bringt keinen hörbaren Effekt.

c) der 4.3k Widerstand vor dem Gitter der EL821 nutzt nur, wenn er direkt millimeterkurz an die Lötfahne der Fassung angelötet wird.
Warum nutzt Du eine Video-Röhre EL821 als Endröhre? Macht eigentlich nur einen Sinn, wenn man diese Röhre schon in der Bastelkiste hat. Ansonsten wäre eine 'normale' Endröhre (EL84, EL95) vorzuziehen. Da hat man auch weniger Probleme, einen genau passenden Ausgangsübertrager zu bekommen.

d) da hier sehr kleine Spannungen verstärkt werden sollen, könnte man noch erwägen, ein Netz-Entstörfilter vor den Netztrafo zu schalten.

Gruß

Heinz

20.01.13 13:56
nobbyrad58 

500 und mehr Punkte

20.01.13 13:56
nobbyrad58 

500 und mehr Punkte

Re: Röhren NF- Verstärker für UKW- Detektor

Hallo Zusammen!

Die EL 821 ist als Triode geschaltet, g2 direkt mit der Anode verbunden. Absicht oder Zeichenfehler? Ger Gitterableit R der EL 821 ist nur max. 220k, das würde eine Verringerung des Anodenwiderstands der Treiber EF 86 bedeuten, aber erst mal probieren.
Bei einer zweistufigen Vor-Verstärkung könnte man auch über den Einsatz von NF Leistungsröhren wie EL 84 o.ä. nachdenken. Den Widerstand in der Plusleitung von der Katode der EZ 80 zu den Netzelkos braucht man nicht.
Frequenzgangkorrekturen in welcher Form auch immer würde ich erst mal weglassen. Wenn überhaupt, dann erstmal ein regelbarer einfacher R C Tiefpass.
Da der Heizkreis einseitig auf Masse liegt, kann man hier nicht symmetrieren. Ich meine, erst mal aufbauen und dann weiter verbessern.

MFG Nobby

Zuletzt bearbeitet am 20.01.13 13:59

20.01.13 17:48
joeberesf 

500 und mehr Punkte

20.01.13 17:48
joeberesf 

500 und mehr Punkte

Re: Röhren NF- Verstärker für UKW- Detektor

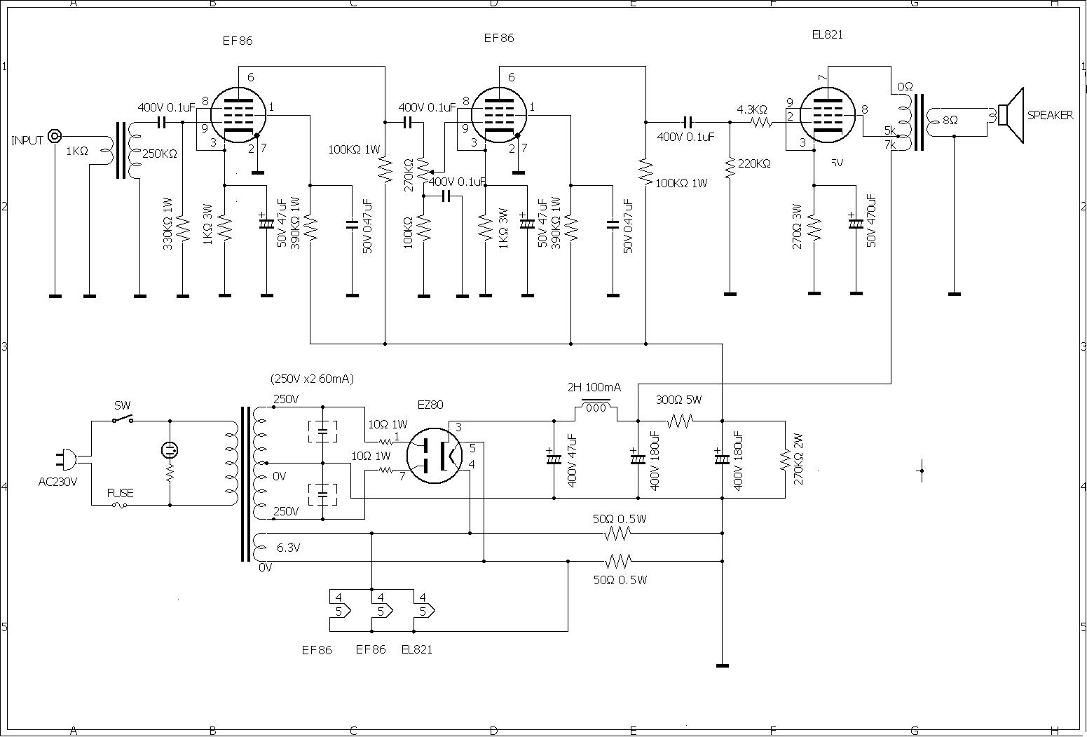
Hallo Röhrenbastelfreunde,

danke für die vielen Vörschläge. Beim Aufbau kann natürlich auch erstmal nur mit einer Vorstufe EF86 experimentiert
werden. Auch eine EL84 habe ich bereits in meinem Fundus. Hier nun die nächste Version. Einige Vorschläge habe
ich versucht umzusetzen. Die Verschaltung der EL 821, als Triode, habe ich wieder aufgelöst und das Schirmgitter
wie im Original, an eine Anzapfung des AÜ gelegt. Lautstärkeregler lass ich erstmal so.

Bitte wieder raufschauen.

Gruß

joe

Datei-Anhänge
Detektorverstärker_vers_1.JPG Detektorverstärker_vers_1.JPG (586x)

Mime-Type: image/jpeg, 148 kB

 1 2 3 4 5 6 .. 15
 1 2 3 4 5 6 .. 15
weitere   Widerstand   Problem   Anodenspannung   Natürlich   eigentlich   Zuletzt   Detektor   joeberesf   Netzteil   NF-Wechselpannungsverstärkerstufen   Verstärker   Schaltung   Resonator---Röhrenchassis----Netzteil-----PE   Übertrager   Kondensator   Antenne---Resonator---Verstärker---LS-Box---Netzteil   Zusammen   Verstärkung   bearbeitet