| Passwort vergessen?
Sie sind nicht angemeldet. |  Anmelden

Sprache auswählen:

Wumpus Gollum Forum von
Wumpus Welt der (alten) Radios
Sie sind nicht angemeldet.
 Anmelden

Röhren NF- Verstärker für UKW- Detektor
  •  
 1 2 3 4 5 .. 15
 1 2 3 4 5 .. 15
30.11.12 22:50
joeberesf 

500 und mehr Punkte

30.11.12 22:50
joeberesf 

500 und mehr Punkte

Röhren NF- Verstärker für UKW- Detektor

Hallo Bastelfreunde,

nun habe ich einen ersten Testaufbau zum anvisierten NF- Röhrenverstärker für meinen
UKW- Resonator aufgebaut.

Problem,... ein absolut kleines Eingangssignal < 1pW an 1200Ohm Imp bei 1kHz. Diese Signalstärke ist nur noch knapp an der
Hörschwelle mit einem Sound-Powered- Kopfhörer zu detektieren. Es ist der Resonator- Aufbau am
Küchentisch mit einem offenem Dipol, 1m über Grund. Distanz 16km. 4 Stationen 80/100KW sind zu verstärken.
Lautsprecherempfang wäre der Hit, aber hier nur der erste zaghafte Versuch mit einem 3- stufigen Röhrenaufbau
mit Kopfhörer. , das Rauschverhalten ist praktisch nicht vorhanden. Da verspreche ich mir Großes!

Testaufbau:


Ein Transistor- oder IC- NF- Verstärker
wäre klar von Vorteil, da der Verstärkungsfaktor bei Röhren nicht so hoch ist, bzw. bei einer Anodenspannung
von nur 30V auch nicht besonders groß sein kann. Überraschend war für mich, dass ich mit dem 30V- Aufbau, meine schon
einmal erwähnten PC- Boxen schlagen konnte. Klare Verständlichkeit, mit einer Gesamtverstärkung von maximal 4- 6 fach,
mehr ist nicht drin. Die Brummprobe am Eingangsgitter ist dagegen ein Donnerwetter! Aber ich bin zufrieden.

PC- Boxen als Detektorverstärker


Ein Röhrenverstärker wäre vom Design her sehr passend und würde als Augenweide gut zum Resonator passen.
Ein modulares System, wie in den goldenen Zwanzigern, würde mir sehr gefallen und wär auch für andere
Projekte einsetzbar.

Hier der NF- Laboraufbau mit Röhrennetzteil


Seitenansicht Laborsteckbrett / 2x EF95 / 1x EF 98 Niederspannungsröhren


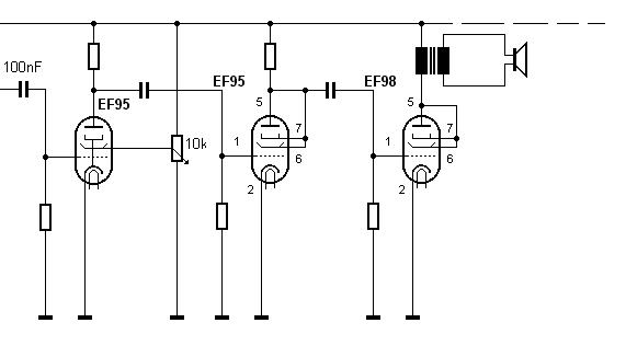
Prinzip:


Was meint ihr...?

Lohnt sich ein Röhrenaufbau mit Anodenspannungen von 200-300VDC für wirklichen Lautsprecherempfang?
Habt ihr einen Plan zu solch einen Verstärker ( 2- Stufig? ) ?

Oder soll ich die Finger davon lassen, da das Eingangssignal einfach zu schwach ist?

Danke im voraus für eure Hinweise und...
beste Grüße

joe

Zuletzt bearbeitet am 02.12.12 00:13

Datei-Anhänge
Testaufbau.JPG Testaufbau.JPG (677x)

Mime-Type: image/jpeg, 190 kB

NF 3.JPG NF 3.JPG (617x)

Mime-Type: image/jpeg, 171 kB

NF und Röhrenniederspannungsnetzteil.JPG NF und Röhrenniederspannungsnetzteil.JPG (646x)

Mime-Type: image/jpeg, 114 kB

Prinzip.JPG Prinzip.JPG (752x)

Mime-Type: image/jpeg, 19 kB

wumpus und regency gefällt der Beitrag.
!
!!! Fotos, Grafiken nur über die Upload-Option des Forums, KEINE FREMD-LINKS auf externe Fotos.    

!!! Keine Komplett-Schaltbilder, keine Fotos, keine Grafiken, auf denen Urheberrechte Anderer (auch WEB-Seiten oder Foren) liegen!
Solche Uploads werden wegen der Rechtslage kommentarlos gelöscht!

Keine Fotos, auf denen Personen erkennbar sind, ohne deren schriftliche Zustimmung.

Den Beitrag-Betreff bei Antworten auf Threads nicht verändern!
01.12.12 00:06
nobbyrad58 

500 und mehr Punkte

01.12.12 00:06
nobbyrad58 

500 und mehr Punkte

Re: Röhren NF- Verstärker für UKW- Detektor

Hallo Joe!

Bin gerade auf dem Philips-Trip. Es gab und gibt eine Spezialröhre die genau für diesen Zweck, die Verstärkung kleinster Spannungen im NF Bereich gebaut wurde: Die CF 50, eine absolute Spezialistin dafür. Aber die kostet NOS um die 40 € + Fassung, eine EF 86 ging auch aber die CF 50 ist für diesen Zweck besser. Sie schafft 3 V eff., jetzt braucht man nur eine Leistungsröhre die mit 3 V eff. auskommt, da bieten sich moderne Breitbandpentoden an mit hoher Steilheit. Netzteil und AÜ kommen extra.
Mir ist klar das es eine Menge anderer guter Vorschläge geben wird, aber Dein UKW Radio, das fast rauschfrei ist verdient auch einen besondere Röhrenverstärker.


MFG Nobby

Datei-Anhänge
CF 50 Vu.jpg CF 50 Vu.jpg (689x)

Mime-Type: image/jpeg, 96 kB

01.12.12 02:02
qw123 

500 und mehr Punkte

01.12.12 02:02
qw123 

500 und mehr Punkte

Re: Röhren NF- Verstärker für UKW- Detektor

Hallo Joe,

joeberesf:
Oder soll ich die Finger davon lassen, da das Eingangssignal einfach zu schwach ist?
ich würde nicht die Finger davon lassen, aber wohl überlegen, wie ich vorgehe.

joeberesf:
Problem,... ein absolut kleines Eingangssignal < 1pW an 1200Ohm Imp bei 1kHz.
Das Problem, das Du hier hast, ist das Signal/Rausch-Verhältnis. Zumindest, wenn Du Röhren verwenden willst.
Die Verstärkung ist nicht so sehr ein Problem. Die kann man (fast) beliebig hoch treiben, sowohl mit Röhren wie auch mit Halbleitern.

Wenn ich mal von Deinen obigen Angaben ausgehe, so entspricht das einer Signalspannung von
U = sqrt(1200 Ohm * 1*10^-12W) = ca. 35µVeff.

Eine gute, speziell für rauscharme NF-Verstärkung entwickelte Röhre ist die EF86. Laut Datenblatt hat diese Röhre in einem Frequenzband von 25...10000Hz ein Eingangsrauschen von 2µVeff. Dein Signal/Rauschverhältnis würde dann bestenfalls etwa 18:1 betragen. "bestenfalls", weil zum Röhrenrauschen auch noch das Rauschen Deines Detektors hinzukommt.
'Röhrenzeit'-Ingenieure hätten hier sicher einen Eingangsübertrager eingesetzt. Gute Übertrager 'verstärken' fast rauschfrei. Ein 1:5-Übertrager vor einer EF86 würde Dein Signal/Rausch-Verhältnis dann auf etwas unter 40dB = 100:1 anheben.

Ein solcher Übertrager müßte eingangsseitig eine Impedanz von 1.2kOhm vertragen, also eine ausreichend hohe Induktivität haben. Solche Übertrager sind nicht ganz billig.
Transistoren rauschen in diesem Fall erheblich weniger. Mit ihnen käme man einfacher und billiger ans Ziel.

Nur mal so eine Anfangsüberlegung... . :-)

Gruß

Heinz

01.12.12 02:35
nobbyrad58 

500 und mehr Punkte

01.12.12 02:35
nobbyrad58 

500 und mehr Punkte

Re: Röhren NF- Verstärker für UKW- Detektor

Hallo Zusammen!

Das mit der EF 86 hatte ich auch im Sinn, jedoch ist die max. Verstärkung der EF 86 ca. 200, die der CF 50 300. Die geringe Spannung ist ja auf eine Last von 1200 bezogen. Der max. Gitterwiderstand der CF 50 ist 3 M. Für eine Erreichung der 3 V eff. braucht man 10 mV. Natürlich wird man keinen so hohen Gitterwiderstand verwenden, aber 1 M sind realistisch. Für die CF 50 wird ein äquivalenter Rauschwiderstand von 2500 angegeben, das entspricht bei einer Bandbreite von 10 kHz einer eff. Rauschspannung von 0,7µV. Sie wurde speziell für die Verwendung bei Mikrofonen deren Spannung im Bereich von 1 mV ist entwickelt.

MFG Nobby

Zuletzt bearbeitet am 01.12.12 02:37

01.12.12 06:35
wumpus 

Administrator

01.12.12 06:35
wumpus 

Administrator

Re: Röhren NF- Verstärker für UKW- Detektor

Hallo zusammen,

der Quellwiderstand von ca 1200 Ohm hat Vor- und Nachteile. Vorteil: die Gefahr von Störstrahleinstreuung (Netzbrummen, HF-Einstrahlung, usw) ist geringer als bei einem Quellwiderstand von vielleicht 100 KOhm oder gar 1 MOhm. Nachteil: Röhren wollen zumeist höhere Quellwiderstände haben.

Insofern ist tatsächlich - wie schon angesprochen - ein Eingangsübertrager eine gute Überlegung. Ich würde aber auch hier für einen halbwegs geschirmten Aufbau plädieren.




Gruß von Haus zu Haus
Rainer (Forumbetreiber)

01.12.12 13:46
qw123 

500 und mehr Punkte

01.12.12 13:46
qw123 

500 und mehr Punkte

Re: Röhren NF- Verstärker für UKW- Detektor

Hallo Nobby,

nobbyrad58:
Für die CF 50 wird ein äquivalenter Rauschwiderstand von 2500 angegeben, das entspricht bei einer Bandbreite von 10 kHz einer eff. Rauschspannung von 0,7µV.
Deine Rechnung ist richtig.
Ich habe aber gelernt, solchen Angaben im Datenblatt zu mißtrauen, wenn es um das Rauschen im NF-Bereich geht und wenn im Datenblatt nicht angegeben wird, für welchen Frequenzbereich solche Angaben gelten.
Für eine ECC88 z.B. wird ein raeq von 300 Ohm angegeben, ohne Angabe eines Frequenzbereichs. Im VHF-Bereich wird dieser Wert sicher erreicht. Im NF-Bereich liegt diese Angabe aber weit daneben. Rauschmessungen bei einer Frequenz von z.B. 100Hz ergeben leicht Rauschwerte (50nV/sqrt(Hz)), die einem raeq von 150 kOhm entsprechen. Auch die EF86 hat keinen einheitlichen raeq im NF-Bereich. Die CF50 dürfte da keine Ausnahme machen.

Im HF-Bereich macht es Sinn, einen raeq anzugeben, da es hier normalerweise kein 1/f-Rauschen gibt.
Im NF-Bereich wird der raeq dagegen stark frequenzabhängig je nach Einsatzfrequenz des 1/f-Rauschens. Die Angabe eines konstanten raeq führt im NF-Bereich zu Fehleinschätzungen des tatsächlichen Rauschens.

Du hast wahrscheinlich recht, wenn Du darauf hinweist, daß bei höherem Eingangswiderstand des NF-Verstärkers auch die Ausgangsspannung des Detektors ansteigt. Sollte sie bis auf 200...500µV oder mehr ansteigen, sähe ich auch keine Probleme mehr für die Verwendung einer CF50 oder EF86 in der Eingangsstufe.
Allenfalls müßte man sich, wie auch schon Rainer schreibt, mit einem Brummproblem herumschlagen. Gleichspannungsheizung wäre in solchen Fällen dringend zu empfehlen.

Gruß

Heinz

01.12.12 14:55
nobbyrad58 

500 und mehr Punkte

01.12.12 14:55
nobbyrad58 

500 und mehr Punkte

Re: Röhren NF- Verstärker für UKW- Detektor

Hallo Heinz!

Ja, die Bandbreite ist ja auch ein wichtiger Faktor der Rauschspannung, hier wird eine von 10 kHz zugrundegelegt. Bei NF Röhren ist das Stromverteilungsrauschen von Pentoden der Knackpunkt. Das betrifft Schirmgitter und Anode, deshalb ist bei NF Vorstufenröhren der Schirmgitterstrom möglichst gering. Der Nachteil ist eine geringere Steilheit was diesen Parameter betrifft. Um das auszugleichen werden solche Röhren als Widerstandsverstärker verwendet, hoher Anodenwiderstand zwecks großer Verstärkung.
Bei Joes Vorhaben eines zweistufigen LS Verstärkers sind meiner Meinung nach bei so geringen Eingangspannungen eine hochverstärkende Pentode als Vorröhre und eine steile Endpentode nötig.
Die Sache mit dem Eingangsübertrager ist bei guter Qualität desselben auch mindestens im zig Euro Bereich zu sehen. Das beste wären ein Ausgangsübertrager unsymetrisch auf symmetrisch für ein paar Meter Leitung und einen Eingangsübertrager umgekehrt. Nur solche Übertrager sind bei guter Qualität nicht billig.

MFG Nobby

01.12.12 17:08
joeberesf 

500 und mehr Punkte

01.12.12 17:08
joeberesf 

500 und mehr Punkte

Re: Röhren NF- Verstärker für UKW- Detektor

Hallo Nobby, hallo Heinz, hallo Rainer,

nobbyrad58:
Es gab und gibt eine Spezialröhre die genau für diesen Zweck, die Verstärkung kleinster Spannungen im NF Bereich gebaut wurde: Die CF 50, eine absolute Spezialistin dafür. Aber die kostet NOS um die 40 € + Fassung, eine EF 86 ging auch aber die CF 50 ist für diesen Zweck besser. Sie schafft 3 V eff., jetzt braucht man nur eine Leistungsröhre die mit 3 V eff. auskommt, da bieten sich moderne Breitbandpentoden an mit hoher Steilheit. Netzteil und AÜ kommen extra.

danke für den Tipp zur CF50. Ja der Preis ist happig und genau deswegen habe ich den Beitrag gesetzt, da mir hier
völlig die Erfahrung fehlt und ich auf eure Vorschläge angewiesen bin. Dein Vorschlag eines zweistufigen Aufbaus
wäre nach meinem Geschmack. Der Preis soll in der Planungsphase erst mal nicht Priorität haben. Es geht erstmal
nur um die Machbarkeit und das technische Verständnis.

qw123:
Wenn ich mal von Deinen obigen Angaben ausgehe, so entspricht das einer Signalspannung von
U = sqrt(1200 Ohm * 1*10^-12W) = ca. 35µVeff.

Ja Heinz, dies ist natürlich nur eine Schätzung. Die Angaben beruhen auf Messungen die B. Bosch durchgeführt
hat. Die subjektive Hörschwelle spielt in diesem Bereich eine wesentliche Rolle. Der S- P- Hörer braucht 0,6pW
bei 1kHz an der Hörschwelle. Deswegen meine Vereinfachung auf 1*10^-12W. Die demodulierte Signalspannung
am Basteltisch, mit einfachem Dipol, kann damit durchaus auch bei nur ca. 21µVeff liegen.

Übrigens habe ich ein bisschen den offenen Dipol manipuliert und einen dicken Massivdraht an beiden Enden
des Teleskops verschaltet. Also einen geschlossenen Dipol daraus improvisiert. Dies brachte ein paar uV.
Am Liebsten würde ich die Yagi im Zimmer aufbauen....aber dann gibt es Kloppe...

qw123:
Eine gute, speziell für rauscharme NF-Verstärkung entwickelte Röhre ist die EF86. Laut Datenblatt hat diese Röhre in einem Frequenzband von 25...10000Hz ein Eingangsrauschen von 2µVeff. Dein Signal/Rauschverhältnis würde dann bestenfalls etwa 18:1 betragen. "bestenfalls", weil zum Röhrenrauschen auch noch das Rauschen Deines Detektors hinzukommt.
'Röhrenzeit'-Ingenieure hätten hier sicher einen Eingangsübertrager eingesetzt. Gute Übertrager 'verstärken' fast rauschfrei. Ein 1:5-Übertrager vor einer EF86 würde Dein Signal/Rausch-Verhältnis dann auf etwas unter 40dB = 100:1 anheben.

Ein solcher Übertrager müßte eingangsseitig eine Impedanz von 1.2kOhm vertragen, also eine ausreichend hohe Induktivität haben

ich besitze einige gute Übertrager zur Kopfhöreranpassung. Zwei Übertrager in Reihe mit je 500Ohm Imp. primär und
secundär 100k oder einen alten Mikrofonübertrager mit 12k zu 350k, könnte ich hier probieren. Eine hochohmige Quelle,
die wie wumpus erklärt den Brumm fördert und zusätzliche Abschirmung erfordert, macht natürlich den mechanischen Aufbau
schon wieder etwas komplexer. Wenn auf eine AC- Heizung verzichtet wird, bleibt die Frage der Netztrafoeinstreuungen und
die Gleichrichtung der Heizung, da ich eigentlich in den Verstärker kein Silizium verbauen wollte, also Heizen mit AC und für
die Anodenspannung eine Gleichrichterröhre setzen wollte. Wenn schon denn schon..

Wie stark das Rauschen des Detektors, trotz hoher Kreisgüte, ausfällt bleibt.. zu probieren. Im Endeffekt muss der Verstärker
Lautsprecherempfang ermöglichen, ansonsten ist mir der Aufwand zu groß.

Ich werd´ an meinem Testaufbau mal mit einem Eingangsübertrager experimentieren und schauen ob sich die Empfindlichkeit verändert
oder sich zusätzliche Einstreuungen bemerkbar machen.
Sehr faszinierend diese Versuche, da die beiden Komponenten Resonator und Röhren- NF- Verstärker sehr gut zum
Dampfradiofeeling passen. Absolut elementar....und das bei 100MHz!

Danke für die umfassenden Tipps und besten
Gruß

joe

Zuletzt bearbeitet am 01.12.12 17:35

01.12.12 18:26
nobbyrad58 

500 und mehr Punkte

01.12.12 18:26
nobbyrad58 

500 und mehr Punkte

Re: Röhren NF- Verstärker für UKW- Detektor

Hallo Joe!

Bedenke das Du für eine Röhrengleichrichtung für die Anodenstromversorgung eine Trafo mit 2 sek. Wicklungen benötigst bei Vollweggleichrichtung oder eben Einweggleichrichtung. Solche Trafos sind Neu auch nicht billig, die Hersteller lassen sich das gut bezahlen zumal die für größere Leistungen sind.
Die EF 86 ist natürlich auch gut geeignet und wesentlich günstiger. Am besten wäre eine Messung der max. NF Spannung die Du erreichen kannst. Dann könnte man überlegen welche Röhren man nimmt. Auch die Endröhre spielt da eine entscheidende Rolle, wenn da eine sehr steile Breitbandpentode verwendet werden kann reichen evtl. 2 - 3 V eff. an deren g1 aus. Bei der von Dir geplanten zweistufigen Bauweise muss man da sehr gut planen. Gleichstromheizung wurde auch früher schon verwendet bei sehr empfindlichen Verstärkern, nur eben mit Kupferoxydul oder Selen als Gleichrichter. Ein bisschen Mogeln würde ich da auch.....

MFG Nobby

01.12.12 18:59
joeberesf 

500 und mehr Punkte

01.12.12 18:59
joeberesf 

500 und mehr Punkte

Re: Röhren NF- Verstärker für UKW- Detektor

Hallo Nobby,

ja im Gegensatz zu dem Röhrennetzteil für Spannungen < 50V / 6,4VAC auf dem Bild, will ich natürlich
eine Zweiweggleichrichtung aufbauen und beide Anoden der Gleichrichterröhre nutzen. Eine EZ80 wäre
hier meine Vorstellung.
Trafo und AÜ besorge ich mir aus dem Musikverstärkerbedarf. Da gibt es eigentlich nur einen Anbieter der
infrage kommt. Du weißt wen ich meine..

Das wird natürlich nicht billig! Bevor ich irgendwelche Einkäufe tätige, will ich mit euch Interessierten aber
gern Rücksprache halten. Ich denke das ist sinnvoll, da ihr die Röhrenprofis seit.

Falls eine Gleichstromheizung nötig wird, kann ich natürlich ein bisschen mogeln...wenn erfolgreich, würde
ich vielleicht einen Selengleichrichter einsetzen. Bezüglich des Spannungsabfalls, müsste aber die
Trafowicklung passen. Bei 6,3V will ich nicht mehr als +/- 5% haben. Das wird etwas problematisch, da
in den Gitarrenamps die Heizung nunmal mit AC erfolgt und die Wicklungen dementsprechend ausgelegt sind.

Gruß

joe

 1 2 3 4 5 .. 15
 1 2 3 4 5 .. 15
Anodenspannung   Natürlich   Zuletzt   eigentlich   Übertrager   Resonator---Röhrenchassis----Netzteil-----PE   Problem   Verstärkung   Kondensator   NF-Wechselpannungsverstärkerstufen   Antenne---Resonator---Verstärker---LS-Box---Netzteil   bearbeitet   Zusammen   Verstärker   Detektor   joeberesf   Netzteil   Widerstand   weitere   Schaltung