| Passwort vergessen?
Sie sind nicht angemeldet. |  Anmelden

Sprache auswählen:

Wumpus Gollum Forum von
Wumpus Welt der (alten) Radios
Sie sind nicht angemeldet.
 Anmelden

Experimente zur Funkentelegraphie (home made fritter / coherer)
  •  
 1 .. 22 .. 41 42 43 44 45 .. 57 .. 69
 1 .. 22 .. 41 42 43 44 45 .. 57 .. 69
16.11.14 22:22
joeberesf 

500 und mehr Punkte

16.11.14 22:22
joeberesf 

500 und mehr Punkte

Re: Experimente zur Funkentelegraphie (home made fritter / coherer)

Hallo Bernd,

wenn Du den Aufbau nachstellst,...dann muss auch der Rahmenschwingkreis ran...ansonsten
kannst du die Amplitude sehr schlecht triggern.... eine mittlere Einstellung ist ok...so 1200kHz.

Du musst eine ged. Minimalschwingung mit der Höhe der Fritterkreisspannung sehen. Ab und zu siehst
Du dann die Amplitudenüberhöhung durch die Relaisinduktivität. Nehme unbedingt einen Draht oder
Schalter...damit der ausgelöste Fritter die Spannung nicht kurzschließen kann. Da bin ich bei meinen
Messungen schon öfter reingefallen und dachte, das, eine gerade angewendete Maßnahme etwas erfolgreich
verändert hat.

Toll das Du diesen Effekt bei Dir überprüfst. Ich glaube nicht das es ein Messfehler ist. Die Überhöhung
tritt nicht immer auf...also schnell tippen oder schalten. Wenn dies bei Dir auch so ist, dann baue den Fritter
ein, stelle einen sehr engen Elektrodenabstand ein und beklopfe mit Klopfer, aber ohne HF, den Fritter.
Du musst dann ein ähnliches Ergenbis sehen. Wenn nicht, .....dann können nur Deine Superwürger
verantwortlich sein....denn ich benutze Ferritkerne...statt ausgeglühten Eisendraht. Die Würger auch
mal überbrücken.....dann musst Du das Problem messen können. Dann wäre die Ursache gefunden.


Danke und Gruß

Joerg

Zuletzt bearbeitet am 16.11.14 22:48

!
!!! Fotos, Grafiken nur über die Upload-Option des Forums, KEINE FREMD-LINKS auf externe Fotos.    

!!! Keine Komplett-Schaltbilder, keine Fotos, keine Grafiken, auf denen Urheberrechte Anderer (auch WEB-Seiten oder Foren) liegen!
Solche Uploads werden wegen der Rechtslage kommentarlos gelöscht!

Keine Fotos, auf denen Personen erkennbar sind, ohne deren schriftliche Zustimmung.

Den Beitrag-Betreff bei Antworten auf Threads nicht verändern!
17.11.14 17:56
MB-RADIO 

500 und mehr Punkte

17.11.14 17:56
MB-RADIO 

500 und mehr Punkte

Re: Experimente zur Funkentelegraphie (home made fritter / coherer)

Hallo Joerg,

ja, du hast richtig geforscht, bei jedem Öffnen des Fritterkreises entsteht diese gedämpfte Schwingung bei mir auch. Die Größe dürfte mit Deinen Beobachtungen übereinstimmen. Genau kann ich das aber nicht sehen , da der Strahl da zu dunkel ist. Empfindlichkeitseinstellungen habe ich noch nicht wieder gemacht , habe aber den Elektrodenabstand ganz eng und 300mV Fritterkreisspannung. Das Nachklopfen bzw. Anziehen des pol.Relais ohne Klopfer tritt aber nur auf, bei der Vormagnetisierung kurz vor dem Daueranzug. möglicherweise arbeitest Du in dem Bereich.

Kurios, wenn ich die Leuchtstoffröhre über dem Basteltisch einschalte, wird der Rahmen im 50- oder 100Hz-Rhytmus angestoßen mit einer max Amplitude von etwa 100mVss.

Ich bin ja gespannt, was mit einem Serienschwingkreis herauskommt.

Einzige Lösung ist eventuell, die Spannungsanstiegsgeschwindigkeit beim Entfritten zu verringern - sollte das der Kondensator über den Fritter bewirken ??????

Viele Grüße
Bernd

17.11.14 21:31
joeberesf 

500 und mehr Punkte

17.11.14 21:31
joeberesf 

500 und mehr Punkte

Re: Experimente zur Funkentelegraphie (home made fritter / coherer)

Hallo Bernd,

danke für Deine Messungen und die leider wohl unvermeidliche Bestätigung des Phänomens.
Ich hatte eigentlich nichts anderes erwartet...aber die Hoffnung stirbt zuletzt. ......Schade

Ja die Vormagnetisierung muss fast ans Maximum...deswegen hatte ich ja auch geschrieben
das die Fritterkreisspannung nicht zu klein sein darf. So um 0.6V ist gut vertretbar...dann wird
der Spielraum wieder etwas größer. Wenn Du um 1V HF detektieren willst...dann treten im Fritter halt
höhere Widerstände als die typischen 60Ohm mit dem Knackfrosch auf. Deswegen muss
die Vormagnetisierung sehr hoch eingestellt sein. Dann lassen sich noch Übergangswiderstände von
mehreren 100 Ohm verarbeiten. Meine Schaltung ist diesbezüglich sogar besser zu beherrschen als
Dein Aufbau...so mein Eindruck.

Das Problem beginnt,...wenn die Überspannung aus dem pol. Relais über 1V steigt. Andere Faktoren
wie Einstreuungen aus dem Klopfer,...Störungen etc. können sich auch noch addieren. Diese habe ich
ja in hunderten von Tests nahezu eliminiert. Nun muss die Überspannung aus dem pol. Relais bedämpft
werden um die Morsebetriebssicherheit bei 1V-HF zu erreichen....also ohne Nachklappern.

MB-RADIO:

Ich bin ja gespannt, was mit einem Serienschwingkreis herauskommt.
Einzige Lösung ist eventuell, die Spannungsanstiegsgeschwindigkeit beim Entfritten zu verringern - sollte das der Kondensator über den Fritter bewirken ??????


Eine Versuchsbeschaltung, mit Kondensator über Fritter, habe ich ausprobiert. Die Bedämpfung ist dann natürlich
optimal.....aber bedeutet auch einen HF- Kurzschluss über dem Fritter.....und damit Verlust der Empfindlichkeit.
Da muss ich wohl mal experimentell mit zwei Spulen die Schaltung 1 aufbauen. Kannst Du Dich noch
erinnern ? Uns war dieser Aufbau etwas unerklärlich. Haben wir etwa die Antwort gefunden? Mir erscheint das
jetzt irgendwie plausibel.



An meinen Serienkreis kann ich nicht so richtig glauben, da ja die Überspannungsfrequenz im Schwingkreis
erst generiert wird. Eigentlich ist das ja nur ein feiner Nadelimpuls. Für diesen Impuls wäre ja der induktiv gekoppelte
Serienprimärkreis dann wieder hochohmig.

Ich bin überzeugt. Die Schaltung 1 wurde genau aus diesem Grund entwickelt!
Der Koppel C muss hier einen HF- Kurzschluss haben damit der Schwingkreis funktioniert...und gleichzeitig absorbiert
er die Überspannung aus dem hochinduktiven pol. Relais. Wieder Hoffnung geschöpft!

Gruß

Joerg

Zuletzt bearbeitet am 17.11.14 22:42

17.11.14 23:27
MB-RADIO 

500 und mehr Punkte

17.11.14 23:27
MB-RADIO 

500 und mehr Punkte

Re: Experimente zur Funkentelegraphie (home made fritter / coherer)

Hallo Joerg,

jetzt wo Du es schreibst , sehe ich das auch so.
Gut , das ist wenigstens Gleichberechtigung - wir haben beide die falsche Schaltung aufgebaut
Aber in weiser Voraussicht habe ich bei meinen Komponenten alle Varianten offen gehalten. Allerdings werde ich mich wohl vom Rahmen verabschieden und eine symmetrische geteilte Zylinderspule auf einem Glasrohr verwenden.

Ich habe bis eben , den ganzen Abend wieder mit ungedämpfter Welle probiert , bin aber auch auf keinen grünen Zweig gekommen.
Bei 4Vss hatte ich kurzzeitig ein stabiles Verhalten - habe die HF direkt per Morsetaste geschaltet und mit Deinem Silberhartlotspänen. Nickel war schlechter. Aber ich lande immer wieder bei 6Vss , wo es stabil arbeitet.

Also gut, umbauen - eigentlich wollte ich ja den Unterbrecher für den Funkeninduktor bauen - aber heutzutage muß man eben flexibel sein

Viele Grüße
Bernd

18.11.14 12:39
joeberesf 

500 und mehr Punkte

18.11.14 12:39
joeberesf 

500 und mehr Punkte

Re: Experimente zur Funkentelegraphie (home made fritter / coherer)

Hallo Bernd,

MB-RADIO:
Aber in weiser Voraussicht habe ich bei meinen Komponenten alle Varianten offen gehalten. Allerdings werde ich mich wohl vom Rahmen verabschieden und eine symmetrische geteilte Zylinderspule auf einem Glasrohr verwenden.

Ja das sieht auch bestimmt sehr schön aus. Aber erst mal abwarten ob sich der Erfolg einstellt. Am Freitag kann ich das
mit improvisierten Zylinderspulen testen....vielleicht geht es bei Dir ja sogar schneller.
Interessant ist noch die Frage, wie groß der Koppel C sein muss. Ich habe bei meinen Versuchen sehr
hohe Kapazitäten eingestzt. Ich glaube mit 1nF wird das nichts.

Den Rahmen musst Du doch nicht unbedingt verwerfen.... den kannst Du doch auch symmetrisch aufbauen.
Für ein richtiges Oldstyle ist allerdings eine Rahmenspule eher merkwürdig, da die Alten ja Fernempfang wollten
und Erde und Antenne angeschlossen haben. Da gab es keine Rahmenspulen!
Ich will ja nicht das E/A- Gebamsel....nur Buchsen dafür werde ich vorsehen.

MB-RADIO:
Aber ich lande immer wieder bei 6Vss , wo es stabil arbeitet.

Nun bist Du exakt am gleichen Punkt wie ich angekommen. Ich freue mich aber trotzdem über unser Ergebnis,
da das Forschen und Messen die gleichen Resultate hervorgebracht hat. Ein großer Vorteil, wenn zwei Leute in
etwa das gleiche Thema beackern.

Wenn wir die Überspannung in den Griff bekommen, dann kann man auch
mal wieder das 333er Gold einfüllen, den Fritterelektrodenabstand vergrößern und weiter an Empfindlichkeit dazu
gewinnen. Dies hat dann auch wieder positive Auswirkungen auf die Vormagnetisierung bzw. den fest eingestellten
Kontaktabstand des pol. Relais .

Übrigens bin ich bei meinem Aufbau auch total flexibel...
Ist ja nur ein zusammengezimmertes und improvisiertes Experimentierbrett.

Gruß

Joerg

Zuletzt bearbeitet am 18.11.14 12:41

18.11.14 20:27
MB-RADIO 

500 und mehr Punkte

18.11.14 20:27
MB-RADIO 

500 und mehr Punkte

Re: Experimente zur Funkentelegraphie (home made fritter / coherer)

Hallo Joerg und HF-Rechenkünstler,

bei mir ist ja auch alles auf einem Probierbrett. Nur halt die Komponenten wollte ich nicht unbedingt nochmal bauen.

Dieser Kondensator ist Bestandteil des Schwingkreises und bildet mit dem Drehko einen Spannungsteiler. Ist die HF am Fritter/Drehko z.B. 1V, dann lägen an dem Kondensator bei einer Drehkokapazität von 100pF und 1nF des Kondensators 100mV an. Schon aus diesem Grunde sollte der Kondensator eine möglichst viel größere Kapazität als der Drehko haben , um möglichst viel am am Fritter zu haben.
Und wenn ich das richtig sehe, wird andererseits die nun noch am Kondensator stehende Störspannung um ein bestimmtes Maß hochtransformiert, also je nach Güte wird daraus eine größere Spannung.
Nun ist wirklich die Kombination Würgespulen/Kondensator gefragt. Die bilden ja ein L/C-Filter. Und bei gegebener Induktivität könnte man nun den Kondensator berechnen , so daß die Spannung nach Hochtransformation immer noch kleiner als die halbe, oder weniger, als die Fritterkreisspannung bleibt.

Also ehe ich rechne, baue ich das lieber auf und messe.

Ich sehe schon schwarz für meine Würger, habe nämlich doppelt so starken Draht genommen, da fehlt bestimmt Induktivität

Vielleicht hat auch Jemand Lust zum Rechnen

Viele Grüße
Bernd

21.11.14 19:41
joeberesf 

500 und mehr Punkte

21.11.14 19:41
joeberesf 

500 und mehr Punkte

Re: Experimente zur Funkentelegraphie (home made fritter / coherer)

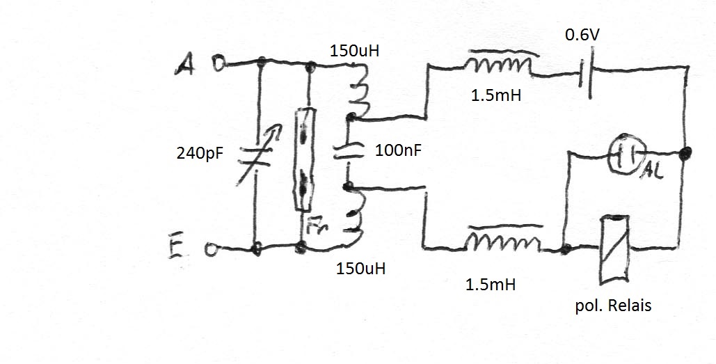
Hallo Bernd, hallo Funkenfreunde,

die Schaltung 1 löst das Problem. Unglaublich aber wahr...ich freue mich!


Die Schaltung zeigt nur den Kern des Empfängers. 12V Ebene, Klopfer, Morserelais, Potis usw. fehlen.



Hier mein Testaufbau mit improvisierter neuer Schwingkreisspule und 2x 1.5mH Würger auf
Ferritstab. Anschließend erste Ergebnisse. Ich hatte im Vorfeld mit Spice IV simuliert und hatte beste
Ergebnisse mit Kopplung 100nF. Die Symmetrie ist noch etwas schieflastig. Eine Spule liegt.unter 1.5 mH,
da in Reihe zum Beschaltungsaufbau des pol. Relais.

Hier die neuen Komponenten und der Schaltungs- und Messaufbau.

Der neue Würger / 2x auf Ferrit 1.5mH



Das umgebaute Laborbreitt / grün die Koppelspule für die HF- Einspeisung.



Der Messaufbau mit Frequenzgenerator



Bei diesem geszeigtem Aufbau ist die Spannung aus dem pol. Relais <500mV. ( 200-400mV )
Durch den improvisierten Aufbau, mit großer geteilter Schwingkreisspule, streut nun nur noch der Klopfer
massiv ein.
Ich hatte ja die Rahmenspule deswegen um 90 Grad gedreht, um diese Einstreuungen auszublenden.
Die neue 20cm Volldraht -Zylinderspule hat noch nicht die richtige Ausrichtung und ist einfach nach
Platzverhältnissen montiert. Leider ein Fehler....da nicht vorab geprüft!

Der neue Schaltungsaufbau 1 ist absolut grandios. Wer hat diesen Plan eigentlich erfunden? Marconi?

Jetzt ist der Empfänger kurz vor dem endgültigen Schaltungsaufbau. Die 1V-HF wird klappen, da das
Grundproblem beseitigt ist. Nun muss weiter getestet und dabei weiter optimiert werden.

-Größe des Koppelkondensators

-Ausrichtung der Schwingkreisspule

-Neubewicklung der Rahmenantenne

-Würgerinduktivitäten

Bin begeistert und Gruß

Joerg

Zuletzt bearbeitet am 22.11.14 12:59

Datei-Anhänge
Schaltung 1.jpg Schaltung 1.jpg (249x)

Mime-Type: image/jpeg, 263 kB

Schaltung 1 Würger auf Ferrit.jpg Schaltung 1 Würger auf Ferrit.jpg (237x)

Mime-Type: image/jpeg, 167 kB

Schaltung 1 Messaufbau.jpg Schaltung 1 Messaufbau.jpg (236x)

Mime-Type: image/jpeg, 228 kB

Fritterkreisschaltung Nr.1.jpg Fritterkreisschaltung Nr.1.jpg (264x)

Mime-Type: image/jpeg, 77 kB

Fritterkreisschaltung Nr.1.jpg Fritterkreisschaltung Nr.1.jpg (265x)

Mime-Type: image/jpeg, 80 kB

21.11.14 20:10
MB-RADIO 

500 und mehr Punkte

21.11.14 20:10
MB-RADIO 

500 und mehr Punkte

Re: Experimente zur Funkentelegraphie (home made fritter / coherer)

Hallo Joerg,

Beifall, Beifall, Beifall. Nun ist das Rätsel um diese Schaltung endlich auch gelöst.
Das heist nun für mich die Würger neu zu wickeln damit mein Kondenator hoffentlich auch reicht - das hatte ich schon befürchtet , aber ein kleineres Übel - muß nur solch dünnen Draht in schwarz finden.
Außerdem muß ich ja noch ein nostalgisches Poti für die Fritterkreisspannung bauen.

Den Plan hatte ich glaube von einer russischen Seite, aber keine Ahnung , wer der Entwickler war , aber das kriegen wir auch noch raus.

Eigentlich kannst Du für deine Wiedererfindung nochmals das Patent beantragen - das alte ist ja längst abgelaufen
Und in 100 Jahren wird man wohl den Detektorempfänger neu erfinden, oder auch nicht .

Viele Grüße
Bernd

23.11.14 13:21
joeberesf 

500 und mehr Punkte

23.11.14 13:21
joeberesf 

500 und mehr Punkte

Re: Experimente zur Funkentelegraphie (home made fritter / coherer)

Hallo Bernd,

MB-RADIO:
Das heist nun für mich die Würger neu zu wickeln damit mein Kondenator hoffentlich auch reicht - das hatte ich schon befürchtet , aber ein kleineres Übel - muß nur solch dünnen Draht in schwarz finden.

das würde ich nicht machen, ohne diese Schaltung mit Deinen Drosseln zu probieren. Ich habe noch ein bisschen weiter
experimentiert und bin noch nicht 100% zufrieden. Nachdem ich die Würger und die Schwingkreisspule neu platziert
hatte....waren die Einstreuungen aus dem Klopfer beseitigt. 25-30cm waren nötig. Die Spannungen im Fritterkreis
sind nun eindeutig messbar und zeigen weiterhin Überspannungen...aber viel seltener. Trotzdem konnte ich auch wieder Spitzen bis
1.2V messen. Das ganze Konstrukt läuft viel stabiler und zeichnet sich durch hohe Empfindlichkeit aus. Ich werde auf jeden
Fall diese Schaltung nehmen und nun den Rahmen neu bewickeln.

Ich bin mit dem Koppel C rauf und runter gegangen (1.5nF- 470nF) und habe 2x 5mH Würger eingesetzt. Nun bin ich
bei 10nF Kopplung geblieben. Diese sporadischen Spannungsspitzen müssen aus meiner Sicht mit den unterschiedlichen
Innenwiderständen zu tun haben. So niederohmiger der Fritter bei der Beklopfung ist, um so höher die auftretende
Induktionsspitze. Zu große Koppel C's haben auch einen Nachteil. Sie speichern mehr Energie die dann über den
niederohmigen Fritter ihren Entladungsweg findet.

Vielleicht sollte ich mit der nun stark verbesserten Schaltung andere Spanmaterialien und oder
Körnungen probieren...es ist also noch nicht ganz vollbracht.

Gruß

Joerg

Zuletzt bearbeitet am 23.11.14 13:40

25.11.14 23:57
joeberesf 

500 und mehr Punkte

25.11.14 23:57
joeberesf 

500 und mehr Punkte

Re: Experimente zur Funkentelegraphie (home made fritter / coherer)

Hallo Bernd, hallo Funkenfreunde,

die Schaltung 1 ist schon klasse. Ich habe nun sogar das 333er Gold eingefüllt und kann
mit diesem Aufbau das Material beherrschen. Das ging vor dem Umbau noch nicht
und zeigt, dass die Überspannungen aus dem pol. Relais und auch andere Einflüsse nur
noch sehr gedämpft auftreten. Die Schaltung sorgt einfach für Stabilität.

Trotzdem bin ich noch nicht zufrieden, denn es treten bei diesen winzigen
Elektrodenabständen weiterhin Nachklopfungen auf. Um 3-4V HF läuft der
Empfänger nun prima. Um des Pudels Kern zu finden und ggfs. eine
Lösung zu finden, bin ich zur SpiceIV Simulation übergegangen. Das hat gut
geklappt und man kann schön die Überspannung am Schwingkreis sehen.
Messpunkt parallel zum Drehko. (Abstimmung 1200kHz Fitterkreis 0.6V)

Die Bildchen sind .png mit geringem Datenvolumen. Ihr müsst die Lupe
drücken um Details korrekt sehen zu können.



Die Bauteile der Simulation sind im Plan erklärt. Der Fritter ist ein
Schalter mit einem Innenwiderstand. Die Klopferfrequenz wird mittels V1
eingestellt. Das pol. Relais hat 1000Ohm Gleichstromwiderstand und
eine ausgemessene Induktivität von 11mH bei 100-300Hz Messfrequenz.

Um die Amplitude zu dämpfen habe ich verschiedene Maßnahmen ergriffen.

1. Eingangsspannung so gering wie möglich.
Hier der gleiche Test bei nur 1V Einspeisung. Die Überspannung schießt
um fast 1V nach oben.



2. Erhöhung des Koppel- C's C3 auf 100nF bringt zusätzliche Bedämpfung. Weitere
Kapazitätssteigerungen sind dann aber nur imaginär. Der kurzeitige
Entladungsstrom C3 über den Fritter nimmt um 3mA zu. Bei 60Ohm Innenwiderstand
des Fritters kommen dort 6.2mA zum Tragen. Die Überspannung geht auf 0.9V zurück.



3. Beim Spielen mit der Drehkokapazität C1 entstand dann ein sehr positiver Effekt.
Dieses ist aufgrund des Aufbaus der Schaltung, der einzige Weg den Fritter
direkt mit einer Kapazität zu beschalten. So größer C1, je mehr Bedämpfung
des Fritters und um so niedriger die Empfangsfrequenz. Hier die Simulation mit
500pF. Empfangsfrequenz wäre jetzt in etwa 400kHz.



Wir brauchen also ein maximales L/C Verhältnis!

Um bei gleicher Empfangsfrequenz zu bleiben (1200kHz), müssen L1 und L3 auf je
15uH gebracht werden. Der Beschaltungserfolg bleibt aber dadurch unverändert. Eine große
Schwingkreiskapazität kann also ein weiteres Geheimnis der Schaltung sein. Dies wäre passend
zum historischen Lang- und Längstwellenknallfunk.
Übrigens halte ich 2mH oder 5mH Würger für nicht so kritisch. Dies zeigte auch die Simulation. Es ist sogar eher so, dass die
Drosseln die Empfangsfrequenz gut blocken müssen......aber nur gerade die dazu nötige Induktivität
aufweisen sollten. Leider ist es ja so, dass so tiefer die Empfangsfrequenz wird, desto höher
muss die Würgerinduktivität werden. Deine 2mH brachten einen leicht geringeren Überspannungsausschlag.
Entscheidend ist aber der Koppel-C3. 10nF sollte der schon haben. Darunter steigt die Spannung rapide an.
Hier bei 3nF.



Ein maximales L/C- Verhältnis....... ja, ja,...

deswegen gibt es auch ein sehr positives Spannungsbild, wenn die KW als
Übertragungsfrequenz genutzt wird. Hier bei ca. 4MHz mit 50pF und 30uH im
Schwingkreis.



Mal sehen ob sich die Simulation in der Laborpraxis bestätigen lässt.
Ein maximales L/C- Verhältnis ?!?!

Kommt uns doch irgendwie bekannt vor.....oder? Auffällig ist aber auch, dass mit geringerem
Resonanzwiderstand des Schwingkreises die Überspannung fällt.

Vielleicht mal für UKW aufbauen!

Gruß

Joerg

Datei-Anhänge
Spice Simulation Schaltung 1.png Spice Simulation Schaltung 1.png (259x)

Mime-Type: image/png, 94 kB

Bild 2.png Bild 2.png (239x)

Mime-Type: image/png, 109 kB

Bild 3.png Bild 3.png (247x)

Mime-Type: image/png, 105 kB

Bild 4.png Bild 4.png (237x)

Mime-Type: image/png, 103 kB

Bild 5.png Bild 5.png (232x)

Mime-Type: image/png, 102 kB

Bild 6.png Bild 6.png (235x)

Mime-Type: image/png, 107 kB

 1 .. 22 .. 41 42 43 44 45 .. 57 .. 69
 1 .. 22 .. 41 42 43 44 45 .. 57 .. 69
vielleicht   Antenne   Klopfer   Experimente   Empfänger   coherer   Zuletzt   Schwingkreis   natürlich   MB-Radio   Funkenfreunde   Allerdings   eigentlich   bearbeitet   Funkentelegraphie   Grüße   Funkenstrecke   Spannung   Empfindlichkeit   fritter