| Passwort vergessen?
Sie sind nicht angemeldet. |  Anmelden

Sprache auswählen:

Wumpus Gollum Forum von
Wumpus Welt der (alten) Radios
Sie sind nicht angemeldet.
 Anmelden

VLF-Empfang-Hilfsmittel
  •  
 1 2 3 4 5 .. 7
 1 2 3 4 5 .. 7
18.09.20 23:03
basteljero 

500 und mehr Punkte

18.09.20 23:03
basteljero 

500 und mehr Punkte

VLF-Empfang-Hilfsmittel

Zäsur:
Ich finde meine eigenen Beiträge in dem überlangen Thread nicht wieder.
Komplette Entrümpelung, eigene Beiträge weg , nur das wichtige kommt hier rein.
Die Ergebnisse nämlich:

Unterschied Überlagerung-Mischung
https://www.wumpus-gollum-forum.de/forum...=400&page=6
Die Erklärung von HB9, worin sich das historische Fessenden-Heterodyne-Überlagerungsprinzip von der
Mischung unterscheidet.

Kreisspulen für VLF-Empfang, speziell Maschinensender "SAQ" in Grimeton, Schweden
Die heute noch erhältlichen Kernmaterialien bestehen aus N27 oder vergleichbaren Materialien.
Auf 140°C erhitzt, kann man die Kernhälften oft auseinanderziehen und erhält einen kompletten
Satz, der sich neu bewickeln lässt.
Mit zweien solcher Kernen lassen sich ausreichend schmale Filter basteln:

(Übernahme des Bandfilter-Konzeptes von "MB-Radio")

Es ergab sich aus solchen Versuchen ein kleiner Transistor-SAQ-Empfänger mit fremdgespeister Spulenantenne.
https://www.wumpus-gollum-forum.de/forum...0&beitrag=0
-
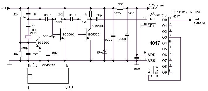
Ein Quarzgenauer Testoszillator für SAQ, um einen selbstgebauten Empfänger austesten zu können.
Kern ist der 4017, mit dem sich beliebige Teilerverhältnisse herstellen lassen.
Man kommt so mit vorhendenen Quarzen auf die gewünschte Frequenz.
Der erste Teiler teilt die 5MHz erstmal durch 3
Das geschieht durch Abbruch der Zählung.

Der zweite Teiler ist umschaltbar, so daß unterschiedliche Teilerverhältnisse hergestellt werden:

-

Verweise auf eigene Aufbauten wurden gegeben von
qw133 (kleine SAQ-Aufbauten, Teil1 und Teil2)
https://www.wumpus-gollum-forum.de/forum...&thread=146
https://www.wumpus-gollum-forum.de/forum...&thread=147

Audionis
https://www.oe3hbw.eu/Projects/VLF2009/VLFloop.jpg
https://www.oe3hbw.eu/Projects/VLF2009/VLFPreA01.jpg
https://www.oe3hbw.eu/Projects/VLF2009/VLFAAmp.jpg

https://www.oe3hbw.eu/Projects/VLF2016/VLFRX2016.jpg
https://www.oe3hbw.eu/Projects/VLF2016/FerAnt006.jpg
https://www.oe3hbw.eu/Projects/VLF2016/FerAnt004.jpg
https://www.oe3hbw.eu/Projects/VLF2016/FerAnt002.jpg
-
MB-Radio Thread "Geradeausempfänger Längstwelle"
https://www.wumpus-gollum-forum.de/forum...&thread=296
-
Gruß
Jens

Zuletzt bearbeitet am 16.04.24 14:50

Datei-Anhänge
SAQ-3x4017-Uni-Teiler_1_Oszillator-Vorteiler_2022-09-14.JPG SAQ-3x4017-Uni-Teiler_1_Oszillator-Vorteiler_2022-09-14.JPG (164x)

Mime-Type: image/jpeg, 44 kB

SAQ-3x4017-Uni-Teiler_2_Teiler-bis-100_2022-09-14.JPG SAQ-3x4017-Uni-Teiler_2_Teiler-bis-100_2022-09-14.JPG (167x)

Mime-Type: image/jpeg, 98 kB

F7K_HF-Vorstufe_Bandfilter.JPG F7K_HF-Vorstufe_Bandfilter.JPG (164x)

Mime-Type: image/jpeg, 106 kB

Matu, Axel, joeberesf, regency, Roehren-Lutz, Hajo, Martin.M und Oldtimer_OM gefällt der Beitrag.
!
!!! Fotos, Grafiken nur über die Upload-Option des Forums, KEINE FREMD-LINKS auf externe Fotos.    

!!! Keine Komplett-Schaltbilder, keine Fotos, keine Grafiken, auf denen Urheberrechte Anderer (auch WEB-Seiten oder Foren) liegen!
Solche Uploads werden wegen der Rechtslage kommentarlos gelöscht!

Keine Fotos, auf denen Personen erkennbar sind, ohne deren schriftliche Zustimmung.

Den Beitrag-Betreff bei Antworten auf Threads nicht verändern!
19.10.20 20:38
Hajo 

500 und mehr Punkte

19.10.20 20:38
Hajo 

500 und mehr Punkte

Re: VLF-Empfang-Hilfsmittel

Hallo Jens

Kennst Du diese Info von SAQ?

QSL Reports to SAQ
QSL reports to SAQ are very welcome and appreciated.
This time we will only accept reports via our ONLINE FORM https://alexander.us1.list-manage.com/tr...mp;e=2a2c9e2e48
(follow link to enter your report).
The online form will be open from October 24th until November 6th.
We have no possibility to confirm reports received by Email / mail / bureau.

Seit Berichte nur noch via Online Formular gewünscht werden ist die Angabe der decodierten Nachricht nicht mehr zwingend nötig.


Gruß Hajo

20.10.20 09:39
Axel 

500 und mehr Punkte

20.10.20 09:39
Axel 

500 und mehr Punkte

Re: VLF-Empfang-Hilfsmittel

Hallo Jens,

Ja, "fldigi" benutze ich auch zum dekodieren. Das schöne ist, das man da ja die "Bandbreite" auch noch mal einstellen kann, somit kommt es auch mit Störungen, die dicht neben dem Nutzsignal liegen gut klar.

Die Störsignale hier z.B. interessieren "fldigi" garnicht, die sind sowas von weit weg...:



Ich werde am Samstag auch "auf der Lauer" liegen, mal schauen wie das Wetter wird, evt. werde ich mal wieder mit der Rahmenantenne in die Botanik fahren. Ansonsten klappt die MiniWhip bei uns in der Kleinstatt auch recht gut.


Viele Grüße,

Axel



.........................................................................................................................
.
Da will man endlich mal in Ruhe die Werkstatt aufräumen und was passiert?
...Man hat keine Lust.


.

Datei-Anhänge
mini-P1080139.JPG mini-P1080139.JPG (444x)

Mime-Type: image/jpeg, 397 kB

20.10.20 11:15
Hajo 

500 und mehr Punkte

20.10.20 11:15
Hajo 

500 und mehr Punkte

Re: VLF-Empfang-Hilfsmittel

Hallo Zusammen

Jens, ich denke, wenn Du JXN hören kannst, dürfte SAQ kein Problem sein.
Ich hatte dieses Jahr zum Alexanderson Tag zum ersten mal einen Empfangsversuch mit einem Transistor Audion und Ferritantenne unternommen und das ging einwandfrei, trotzdem ich noch einige Hundert Kilometer weiter weg bin als Du. Pünktlich zum Beginn der Nachricht begann die russische Marine auf 18,1 zu senden und das Audion ist natürlich viel zu breit, um dem etwas entgegenzusetzen. Mit der Ferritantenne ließ sich der Störer lediglich etwas ausblenden aber trotzdem war die Nachricht gut aufzunehmen. Ich bin ziemlich sicher, daß Du Erfolg haben wirst.

Was die MiniWhip betrifft: Sie funktioniert um so besser, je höher sie aufgehängt ist und das Umfeld ist entscheidend, wie sie sich gegenüber einer Magnetantenne verhält. Sobald elektrische Störungen vorhanden sind, fährt man mit einer Magnetantenne besser, egal ob breitbandig oder resonant. Solche Erfahrungen habe ich jedenfalls hier immer wieder gemacht. Ein Vorteil der Magnetantennen ist auch, daß sie schon in Bodennähe gut funktionieren.


Gruß in die Runde
Hajo

20.10.20 12:45
WalterBar 

500 und mehr Punkte

20.10.20 12:45
WalterBar 

500 und mehr Punkte

Re: VLF-Empfang-Hilfsmittel

Hallo zusammen,

hier eine Magnetantenne aus dem Jahr 1975 auf dem Auto montiert. Damit wurde auf 80m gesendet. Transceiver mit Röhren, Endstufe mit 4xEL509, zweite Lichtmaschine, zwei zusätzliche Bleisammler ... Ach Du meine Güte ... Sorry OT, musste aber jetzt sein ...



Gruss
Walter

Nachtrag: 2m Strahler mit Spule ging trotzdem fast immer besser, heute würde man damit die Autoelektronik killen. Damals zündeten nur die benachbarten Leuchtstofflampen. Den Grund sehe ich in der kapazitiven Kopplung der Karosserie zum Boden. Losgelöst im Orbit würde eine Magnet-Sendeantenne je nach Abmessung und Wellenlänge vermutlich überhaupt nicht funktionieren, weil sich eine elektrische Komponente kaum bis garnicht entwickeln kann. Was ich damals noch nicht in dem Masse einschätzen konnte war der Einfluss einer Dachkapazität:



Das wurde aber mit gutem Erfolg nachgearbeitet (ohne Roomcap Lizenzzahlung in die Schweiz und eigenen Konstruktionsideen):



https://www.wumpus-gollum-forum.de/forum...amp;thread=66#5

Die teflonisolierte Litze der Kreuzwickelspule wurde nach 10 Minuten Dauerträger (110W) nur handwarm, eine Leuchtstofflampe erlosch in einer Entfernung > 3m.

Zuletzt bearbeitet am 27.10.20 14:06

Datei-Anhänge
Magnetantenne_80m_1975.jpg Magnetantenne_80m_1975.jpg (468x)

Mime-Type: image/jpeg, 59 kB

Bessere_Alternativmobilantenne.jpg Bessere_Alternativmobilantenne.jpg (424x)

Mime-Type: image/jpeg, 351 kB

Roomcap_80m.JPG Roomcap_80m.JPG (476x)

Mime-Type: image/jpeg, 181 kB

21.10.20 21:55
Axel 

500 und mehr Punkte

21.10.20 21:55
Axel 

500 und mehr Punkte

Re: VLF-Empfang-Hilfsmittel

Hallo Jens,

Also einen direkten Vergleich (hin und her schalten zwischen beiden Antennen) habe ich nicht.
Aber die Rahmenantenne ist ruhiger im Empfang, ganz klar.
In der Botanik ist damit das Signal auch sauberer als mit der MiniWhip.

Nur im störverseuchten Reihenhaus in der Stadt ging die MiniWhip ca. 7 Meter über Dach bisher besser.
Mit der Rahmenantenne ging da bisher bei mir in der Wohnung nix.
Aber meine Empfangstechnik hat sich auch bissel verbessert, da werde ich die Rahmenantenne demnächst mal in der Wohnung testen.
Dieses Wochenende wird das aber noch nichts.


Viele Grüße,

Axel



.........................................................................................................................
.
Da will man endlich mal in Ruhe die Werkstatt aufräumen und was passiert?
...Man hat keine Lust.


.

22.10.20 13:38
Hajo 

500 und mehr Punkte

22.10.20 13:38
Hajo 

500 und mehr Punkte

Re: VLF-Empfang-Hilfsmittel

Hallo Zusammen

Die MiniWhip ist gemessen am Aufwand eine gute Antenne, wenn man beim Aufbau ein paar Dinge beachtet.
Störungen werden meistens durch Einstrahlung auf den Schirm des Koaxialkabels- oder durch Ausgleichsströme auf dem Koaxmantel eingeschleppt, also durch Mantelwellen und/oder Erdschleifen. Abhilfe schaffen Mantelwellenfilter auf dem Koaxkabel und HF Erdung des Kabels auf möglichst kurzem Wege.
Die Lektüre dieses Artikels hat mir einige Aha Effekte beschert.


Gruß in die Runde
Hajo

22.10.20 16:19
WalterBar 

500 und mehr Punkte

22.10.20 16:19
WalterBar 

500 und mehr Punkte

Re: VLF-Empfang-Hilfsmittel

Hallo Hajo,

sehr schöner Beitrag. Nach meiner Erfahrung war von diesen Aktivantennen die HE011 am Besten bezüglich Rausch- als auch Gross-Signalverhalten. Auch Überspannungen konnten ihr normalerweise nichts anhaben. Der Versuch eines Nachbaus misslang. Im Original waren die Typenbezeichnungen der Halbleiter nicht verwertbar. Die Bauvorschläge von DL4ZAO sind aber nicht schlecht. Die originale Mini-Whip darf keinen Strahler ab 30cm Länge aufweisen, weil ansonsten die FM-Rundfunksignal Probleme bereiten, wie in dem Beitrag auch korrekterweise beschrieben.


Gruss
Walter

22.10.20 22:52
Hajo 

500 und mehr Punkte

22.10.20 22:52
Hajo 

500 und mehr Punkte

Re: VLF-Empfang-Hilfsmittel

Hallo Walter

Bezüglich HE011 kann ich nicht mitreden, solche Profitechnik war seinerzeit für Unsereinen unerreichbar.
Eine clevere Idee scheint mir die UniWhip (Fet-PNP- Kombi) zu sein. 40dBm IP3 ist schon beeindruckend für solch eine "aufgeräumte" Schaltung.
Leider wird die Beschaffung von geeigneten HF-PNP-Transistoren langsam zum Problem. Ich hatte mir vor einiger Zeit ein paar von diesen beschafft und wollte damit ein Testmuster bauen aber beim Wollen ist es bisher leider geblieben. Wird aber noch werden - ist im Fünfjahrplan aufgenommen


Gruß in die Runde
Hajo

23.10.20 09:06
Axel 

500 und mehr Punkte

23.10.20 09:06
Axel 

500 und mehr Punkte

Re: VLF-Empfang-Hilfsmittel

Hallo Hajo,

Das ist ja ein sehr interessante Abhandlung über Aktivantennen. Habe ich mir gleich abgespeichert. Da wird sich bestimmt noch was schönes basteln lassen.


Vielen Dank!


.........................................................................................................................
.
Da will man endlich mal in Ruhe die Werkstatt aufräumen und was passiert?
...Man hat keine Lust.


.

 1 2 3 4 5 .. 7
 1 2 3 4 5 .. 7
Fessenden-Heterodyne-Überlagerungsprinzip   VLF-Empfang-Hilfsmittel   wumpus-gollum-forum   Atlantik-Überquerungen   Amplitudenschwankungen   Nachbarkanalstörungen   bearbeitet   Überlagerung-Mischung   Verschaltungsmöglichkeiten   Röhrenradio-Sprachgebrauch   „Hochfrequenzmesstechnik“   Zuletzt   Noise-cancellor-Schaltungen   Befestigungs-Klemmbügel   Transistor-SAQ-Empfänger   Störungen   Zusammen   Gitter-Katoden-Diodenstrecke   Überlagerungsempfänger   Endstufen-Temperaturschutzschaltung