| Passwort vergessen?
Sie sind nicht angemeldet. |  Anmelden

Sprache auswählen:

Wumpus Gollum Forum von
Wumpus Welt der (alten) Radios
Sie sind nicht angemeldet.
 Anmelden

Superhet
  •  
 1 .. 3 4 5 6 7 .. 13 .. 19
 1 .. 3 4 5 6 7 .. 13 .. 19
13.02.11 14:49
omthomas 

250-499 Punkte

13.02.11 14:49
omthomas 

250-499 Punkte

Re: Superhet

Hallo Dietmar,

ich glaube, dass ich das Radio so lasse.

Ich könnte vielleicht die Schwingkreisgüte der Ferritstab-Spule erhöhen, wenn ich HF-Litze mit 45 x 0,07 verwenden.
Die habe ich noch irgendwo rumliegen.

Gruß
Thomas

Zuletzt bearbeitet am 13.02.11 23:41

!
!!! Fotos, Grafiken nur über die Upload-Option des Forums, KEINE FREMD-LINKS auf externe Fotos.    

!!! Keine Komplett-Schaltbilder, keine Fotos, keine Grafiken, auf denen Urheberrechte Anderer (auch WEB-Seiten oder Foren) liegen!
Solche Uploads werden wegen der Rechtslage kommentarlos gelöscht!

Keine Fotos, auf denen Personen erkennbar sind, ohne deren schriftliche Zustimmung.

Den Beitrag-Betreff bei Antworten auf Threads nicht verändern!
09.06.11 23:28
omthomas 

250-499 Punkte

09.06.11 23:28
omthomas 

250-499 Punkte

Re: Superhet

Liebe Freunde,

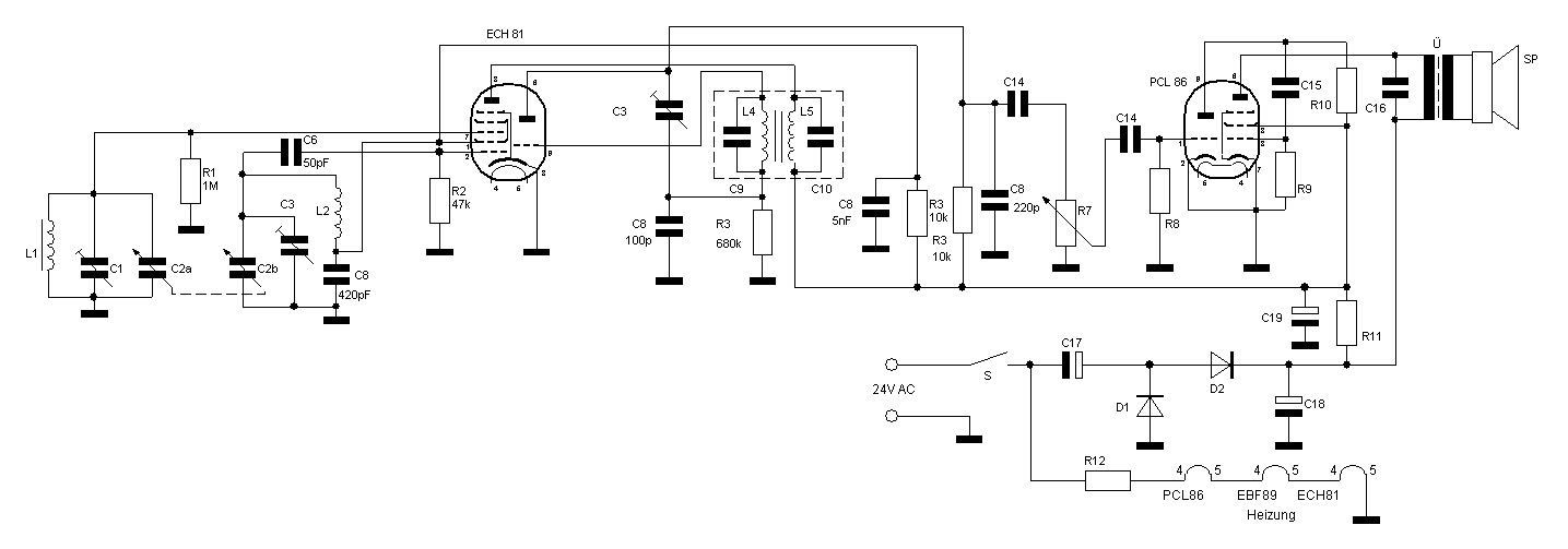
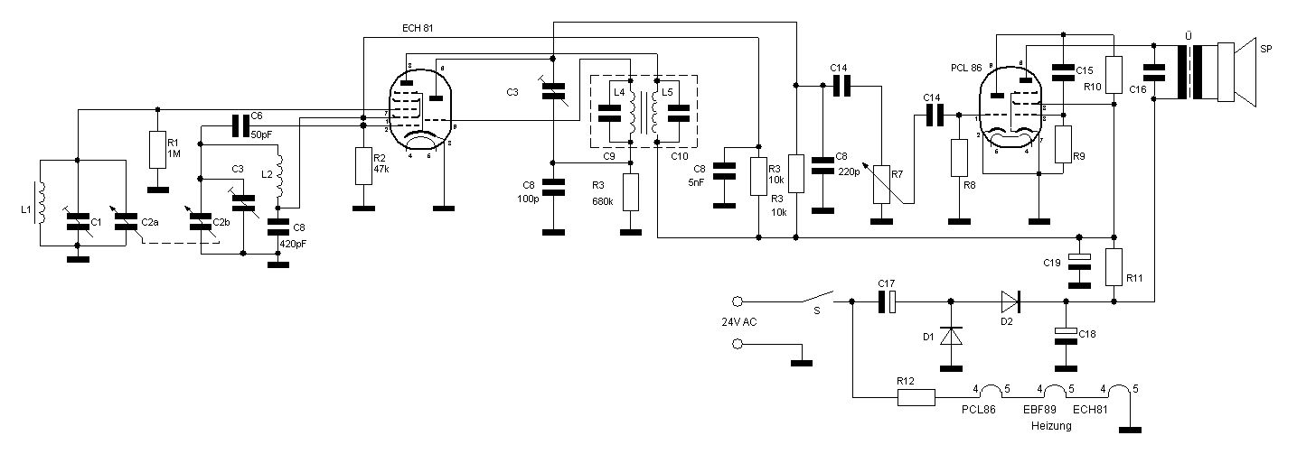
ich habe den Bau eines Superhets mit NUR zwei Röhren - und das bei ca. 60 Volt - aufgegeben.
Das Heptodensystem einer ECH sollte gleichzeitug als Oszillator und Mischer dienen - solche Schaltungen gibt es.
Das Triodensystem steht somit noch als Verstärker der ZF zur Verfügung. Als Endstufe bleibt dann noch eine PCL 86.
Aber insgesamt ist die Verstärkung zu schwach.
Ich wollte keine Langdrahtantenne einsetzen, sondern nur einen Ferritstab!!
Nein, das bringt's nicht.

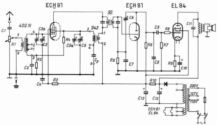
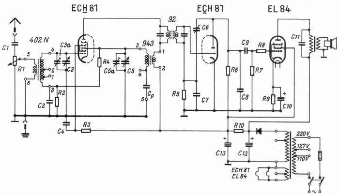
Hier meine Schaltung:


Als Grundlage diente mir eine Schaltung, die ich in einer uralten Zeitschrift von 1958 gefunden habe:



Vielleicht können wir ja hier mal eine Art "Wettstreit" ausfechten, wer das beste 2-Röhren-Super baut?
Oder ein gemeinsames Projekt starten. Aber alles unter 100 Volt.

Gruß
Thomas

Datei-Anhänge
zwei roehren.jpg zwei roehren.jpg (729x)

Mime-Type: image/pjpeg, 59 kB

Schaltung1.jpg Schaltung1.jpg (1465x)

Mime-Type: image/pjpeg, 26 kB

10.06.11 06:59
wumpus 

Administrator

10.06.11 06:59
wumpus 

Administrator

Re: Superhet

Hallo Thomas,
ich "befürchte" ein gut aufgebauter Rückkopplungs-Zweikreiser-Audion mit zwei Röhren wäre einem Super-Zweiröhren-Radio überlegen?
Auch beim Zweikreiser könnten ja Mehrsystemröhren genutzt werden.

Allerdings könnte man mit z.B. ECH81 (Mischer und Oszillator getrennt) und PCL86 (Triode ZF-Stufe (rückgekoppelt und Audion) und NF-Stufe / oder als Reflex-Teil) beim Super weiterkommen?

Gruß von Haus zu Haus Rainer (Forum-Betreiber)

Rettet den analogen deutschen AM / FM - Rundfunk!:
www.rettet-unsere-radios.de

Zuletzt bearbeitet am 10.06.11 07:00

10.06.11 07:25
Kurzschluss 

250-499 Punkte

10.06.11 07:25
Kurzschluss 

250-499 Punkte

Re: Superhet

Hallo Jürgen

wumpus:
Hallo Thomas,
ich "befürchte" ein gut aufgebauter Rückkopplungs-Zweikreiser-Audion mit zwei Röhren wäre einem Super-Zweiröhren-Radio überlegen?
Auch beim Zweikreiser könnten ja Mehrsystemröhren genutzt werden.
Ja , stimmt.Ich habe es gerade vor kurzer Zeit selber erfahren.Liegt einfach daran, das du immer Mischer Verluste hast.
Hier liegt das Problem wohl eher an der niedrigen Anodenspannung und dem kleinen Pegel der von der Ferrit Antenne kommt.
Hallo Thomas
Eine Frage hätte ich aber noch: Lässt sich C3 so weit verdrehen, das das Trioden System der ECH81 zum schwingen kommt ?
LG
Norbert

Wenn ein FS mit 15 Röhren läuft, ist der Anblick durch die Rückwand auf jeden Fall schöner und interessanter wie das Programm auf der Mattscheibe.

Zuletzt bearbeitet am 10.06.11 07:27

10.06.11 13:55
roehrenfreak

nicht registriert

10.06.11 13:55
roehrenfreak

nicht registriert

Re: Superhet

Hallo Norbert,

obiger Jürgen heißt Rainer und hier schreibt der Jürgen, der auch wirklich Jürgen heißt. Alle Klarheiten beseitigt??

@ Thomas: Interessante Schaltung, eine ECH81 als selbstschwingende, multiplikative Mischstufe ein zu setzen und das Triodensystem (ECH81)als ZF-Audion zu betreiben. Einzig nachteilig ist das Fehlen einer AVR (AGC), automatische Verstärkungsregelung. Bei sehr stark einfallenden Sendern kommt die Schaltung an ihre Grenze, wo es beginnt zu verzerren. Dies kann zwar mit dem Potenziometer am Antenneneingang (wie in der Schaltung aus der Zeitschrift) kompensiert werden, ist bei starkem Fading jedoch vielleicht etwas mühselig. Nun benutzt Du eine Ferritantenne und es stellt sich mir die Frage, wie Deine Empfangserfahrungen sind.

Sei's drum - ein hübsche Radiochen, mit dem Du bestimmt viele schöne Stunden auf "Wellenjagt" gehen wirst. Viel Spass dabei!

Freundliche Grüsse,
Jürgen rf

Erzähle es mir – und ich werde es vergessen.
Zeige es mir – und ich werde mich erinnern.
Lass es mich tun - und ich werde es behalten.

(Konfuzius)

http://www.rettet-unsere-radios.de

Zuletzt bearbeitet am 10.06.11 13:57

10.06.11 15:04
Martin.M 

500 und mehr Punkte

10.06.11 15:04
Martin.M 

500 und mehr Punkte

Re: Superhet

omthomas:
Vielleicht können wir ja hier mal eine Art "Wettstreit" ausfechten, wer das beste 2-Röhren-Super baut?
Oder ein gemeinsames Projekt starten. Aber alles unter 100 Volt.

Gruß
Thomas
hallo Thomas,

da wär ich gern mit dabei, gemeinsames Projekt.
Ich hätte da auch schon eine Idee .

nette Grüße
Martin

10.06.11 15:14
Kurzschluss 

250-499 Punkte

10.06.11 15:14
Kurzschluss 

250-499 Punkte

Re: Superhet

Hoppla , Verzeihung
Ich und mein Namensgedächtnis....
Nette Schaltung.Ich habe noch einige arbeitslose Röhren die etwas zu tun haben wollen.Deswegen habe ich Gestern auch die PCL 86 in der Hand gehabt.Die Pentode macht bei 14V schon 4 mA Strom.Bei 60V dürften es schon über 20 sein.Bei guter Anpassung fast 1/2 Watt Ausgangsleistung.Also laut genug müsste sie sein.
Na Ja, kurz gesagt: Solche Schaltungen interessieren mich sehr.Knackpunkt dürfte aber die Entdämpfung an der Triode der ECH81 sein.
Deswegen mein Frage nach dem Einstellregler C3.Und überhaupt: Wenn man schon so weit gekommen ist, dann wäre es doch Schade
wenn man aufgibt.Man könnte sich ja mal überlegen, ob man die Betriebsspannung nicht verdreifachen will.90 V kitzeln auch nicht mehrer.
Und statt der Ferrit Antenne eine Rahmenantenne nehmen... usw.
VG
Norbert

Wenn ein FS mit 15 Röhren läuft, ist der Anblick durch die Rückwand auf jeden Fall schöner und interessanter wie das Programm auf der Mattscheibe.

10.06.11 15:43
omthomas 

250-499 Punkte

10.06.11 15:43
omthomas 

250-499 Punkte

Re: Superhet

Hallo Norbert.

mit C3 fängt das Problm schon an. Die Rückkopplung funktioniert nicht. Die Schwingungen setzen nicht ein.
Das könnte an der geringen Anodenspannung liegen. Dann nur eine kleine Ferritantenne - nein, auf Wellenjagt kann man da nicht gehen.
Aber der Oszillator schwingt wenigstens.

Gruß
Thomas

10.06.11 16:38
Kurzschluss 

250-499 Punkte

10.06.11 16:38
Kurzschluss 

250-499 Punkte

Re: Superhet

Hallo Thomas.
Ist doch schon was.Normalerweise schwingt nur der ZF Verstärker.Aber niemals der Oszillator
Hast du mal versucht, die Ausgänge an L4 einfach um zu tauschen ? Ansonsten mal C8 von 100p auf 22p verkleinern.
Leider steht in deinen Schaltbild nicht wie groß C3 maximal ist.Dort würde ich mal 100 bis 220pF parallel schalten.
Schwingen muss die Triode auch mit 60V .Da bin ich mir fast sicher.
Viele Grüße
Norbert


Wenn ein FS mit 15 Röhren läuft, ist der Anblick durch die Rückwand auf jeden Fall schöner und interessanter wie das Programm auf der Mattscheibe.

10.06.11 18:48
ingodergute 

Moderator

10.06.11 18:48
ingodergute 

Moderator

Re: Superhet

Hallo Thomas,

bist Du Dir sicher, dass der Anodenwiderstand der Triode der ECH81 nicht ein ganzes Stück hochohmiger sein müsste,wenn Du sie als Audionröhre einsetzt also starke Nichtlinearität brauchst?

Da würde ich mal mit einem Einstellregler (von vielleicht 100 kOhm) probieren, ob das was bringt.

Den 1MOhm Widerstand parallel zum Einganskreis brauchst Du so auch nicht. Wenn er Sinn haben soll, müsstest Du ihn mit einem Kondensator überbrückt in Reihe zum Gitter schalten, denke ich.
Viele Grüße

Ingo.

_______________________
Schwertfische zu Flugenten!

Zuletzt bearbeitet am 10.06.11 18:53

 1 .. 3 4 5 6 7 .. 13 .. 19
 1 .. 3 4 5 6 7 .. 13 .. 19
Rückkopplungs-Zweikreiser-Audion   Zuletzt   Grüsse   Freundliche   vergessen   Rückwand   Norbert   bearbeitet   interessanter   zusammen   Schaltung   Spannungs-Vervierfacher-Schaltung   rettet-unsere-radios   Programm   Mittelwellen-Subminiaturröhren-Superhet   Mattscheibe   Röhren   Jürgen   Superhet   Grüße