| Passwort vergessen?
Sie sind nicht angemeldet. |  Anmelden

Sprache auswählen:

Wumpus Gollum Forum von
Wumpus Welt der (alten) Radios
Sie sind nicht angemeldet.
 Anmelden

Experimente zur Funkentelegraphie (home made fritter / coherer)
  •  
 1 .. 33 .. 63 64 65 66 67 .. 69
 1 .. 33 .. 63 64 65 66 67 .. 69
01.04.16 21:07
joeberesf 

500 und mehr Punkte

01.04.16 21:07
joeberesf 

500 und mehr Punkte

Re: Experimente zur Funkentelegraphie (home made fritter / coherer)

Hallo Bernd, hallo HF- Freaks,

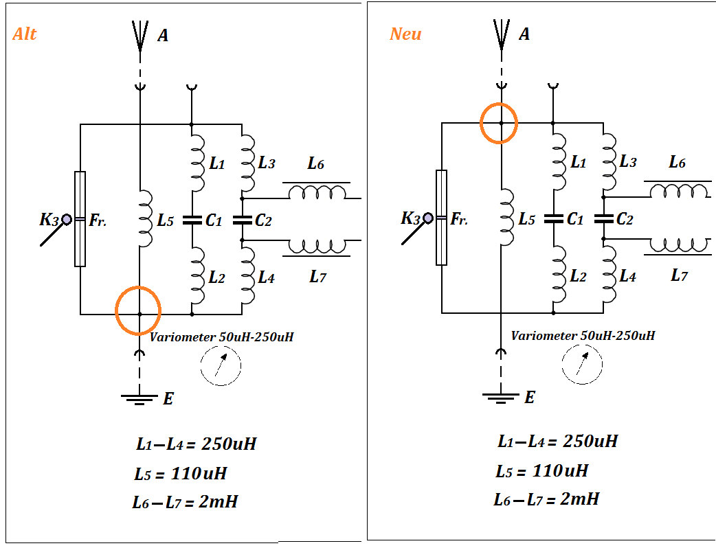
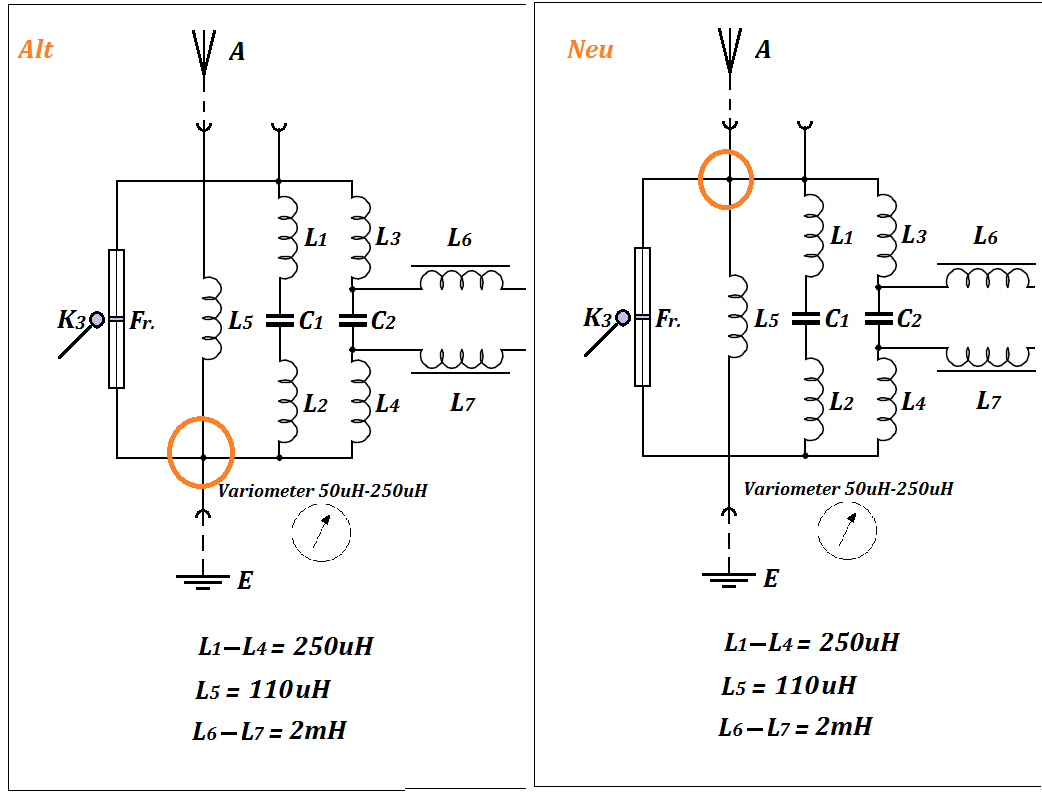
ja der Platz und das Stehenlassen bringt es. Ich habe noch weiter getestet und bin dadurch auf ein Problem meiner Schwingkreisverdrahtung gestoßen. Ich konnte das Verhältnis der eingespeisten HF auf das Verhältnis 1 :10 bei exakt 2 MHz bringen. D.h. 600mVss HF bringen sichere Signalübertragung bei 6Vss Fritterempfindlichkeit. Leider scheint es eine Art Masseproblem zu geben, denn ich muss die Antenne dann nicht am vorgesehenen Antennenisolator anschließen, sondern an der Erdbuchse die einfach nur in die hölzerne Grundplatte eingeschraubt ist. Schalte ich am Erd- Anschluss einfach einen lose auf dem Boden liegenden Draht an, ist kein empfindlicher Empfang mehr möglich (Mess- Sender) Hier mal der Ausschnitt aus dem Schwingkreis mit der sich am besten geeigneten Konstellation. Lasse ich die Koppelspule weg, ist der Transformationseffekt nicht vorhanden. Irgendwie ulkig oder? Natürlich will ich die eigentliche Antenne am Isolator haben...auch wenn das Ergebnis so auch schon beeindruckend ist.

Also Umverdrahtung! Man wird eigentlich niemals fertig

Gruß

Joerg





Zuletzt bearbeitet am 01.04.16 21:22

Datei-Anhänge
neu coherer receiver_details_3.jpg neu coherer receiver_details_3.jpg (363x)

Mime-Type: image/jpeg, 153 kB

angedachte Änderung .png angedachte Änderung .png (351x)

Mime-Type: image/png, 34 kB

!
!!! Fotos, Grafiken nur über die Upload-Option des Forums, KEINE FREMD-LINKS auf externe Fotos.    

!!! Keine Komplett-Schaltbilder, keine Fotos, keine Grafiken, auf denen Urheberrechte Anderer (auch WEB-Seiten oder Foren) liegen!
Solche Uploads werden wegen der Rechtslage kommentarlos gelöscht!

Keine Fotos, auf denen Personen erkennbar sind, ohne deren schriftliche Zustimmung.

Den Beitrag-Betreff bei Antworten auf Threads nicht verändern!
02.04.16 20:35
MB-RADIO 

500 und mehr Punkte

02.04.16 20:35
MB-RADIO 

500 und mehr Punkte

Re: Experimente zur Funkentelegraphie (home made fritter / coherer)

Hallo Joerg,

ich vermute, Du koppelst zusätzlich einen Teil Kapazitiv ein.
Warum verbindest Du die Koppelspulen mit "Masse" ? das System ist doch Erdsymmetrisch und Antenne mit Erde vertauschbar.
Dann ist noch die Frage: Mit welcher Impedanz speist Du ein ? Spannungstransformation und Impedanztransformation hängen zusammen, sprich Leistungstransformation.
Wenn man das nicht beachtet, mißt man schnell Mist.
Eine Messung per Einspeisung per Antennen enthält alle Unbekannten und ist die reellste Messung.

Viele Grüße
Bernd

10.04.16 01:30
joeberesf 

500 und mehr Punkte

10.04.16 01:30
joeberesf 

500 und mehr Punkte

Re: Experimente zur Funkentelegraphie (home made fritter / coherer)

Hallo Bernd,

war ein paar Tage weg ....darum so verspätet die Antwort.

MB-RADIO:

ich vermute, Du koppelst zusätzlich einen Teil Kapazitiv ein.
Warum verbindest Du die Koppelspulen mit "Masse" ? das System ist doch Erdsymmetrisch und Antenne mit Erde vertauschbar.
Dann ist noch die Frage: Mit welcher Impedanz speist Du ein ? Spannungstransformation und Impedanztransformation hängen zusammen, sprich Leistungstransformation.
Wenn man das nicht beachtet, mißt man schnell Mist.
Eine Messung per Einspeisung per Antennen enthält alle Unbekannten und ist die reellste Messung.


Der Versuchsaufbau ist schon ziemlich verrückt, da der Generator (50 Ohm) ja nicht mit (hi und ground) an die Koppelspule angeschlossen ist, sondern nur high über einen lose liegenden Draht einseitig an die Antennenbuchse des Empfängers angeschlossen wird. Daher keine Widerstandsanpassung. Der Rückweg zur Masse des Generators fehlt also komplett....oder besser gesagt, ist sehr hochohmig und besteht aus einem ganz geringen kapazitiven Anteil...vielleicht gibt es auch eine induktive Komponente, obwohl der Generator ja geschirmt ist und zusätzlich der Abstand zum Empfänger min. 120cm beträgt. Misst man so am Oszi, ohne angeschlossenen Ground eines Tastteilers, kommt natürlich nur Mist raus...ein floatendes Gewaber. Also stelle ich den Generator mit angeschlossener Masse des Teilers auf etwa 800mVss ein. Dann setze ich den Teiler direkt parallel zum Variometer und kann nun die ankommende HF direkt sehen. Das Verhältnis liegt bei etwa 1 : 10 bei 2MHz. Das Oszi natürlich im Batteriebetrieb, da ansonsten sich der Ground über die Netzteilverbindungen induktiv einstellt. Fakt bleibt bei dieser kuriosen Messung, dass der Generator ja wirklich nicht mehr HF- Spannung bereitstellt und am Variometer die Transformation 1 : 10 gut zu erkennen ist. Das Signal floated hier nicht.....aber an der massefreien Koppelspule.

Mit Masse meinte ich eigentlich den Verbindungspunkt zum Variometer....und Du hast recht, eigentlich kann man bei meiner Schaltung Erde und Antenne auch drehen. Mit dem beschriebenen Versuchsaufbau funktioniert aber der Verbindungspunkt Variometer / Koppelspule als Antenneneingang viel besser. Daher die Überlegung umzuverdrahten und diesen im Holzbrett liegenden Erdanschlusspunkt auf den Isolator (Antenne) zu legen. Ich lasse das aber jetzt erst einmal sein, da Du recht damit hast.....

"Eine Messung per Einspeisung per Antennen enthält alle Unbekannten und ist die reellste Messung."

Gruß

Joerg

Zuletzt bearbeitet am 10.04.16 01:52

10.04.16 17:09
joeberesf 

500 und mehr Punkte

10.04.16 17:09
joeberesf 

500 und mehr Punkte

Re: Experimente zur Funkentelegraphie (home made fritter / coherer)

Hallo Bernd,

also die Realmessung zeigte das ein Drehen von A und E nicht nötig ist. Es ist dem kuriosen Messaufbau geschuldet. Hier mal zwei fotografierte Oszillogramme. Sie zeigen gut den Verstärkungseffekt bei etwa 2.5MHz mit Funkensender als HF- Quelle. Allerdings als Indoor-Test...eine HF- Weiterleitung über Hausinstallationen ist bei dem hohen Pegel anzunehmen. Entfernung etwa 10m durch drei Wände. Alle Komponenten nur im Batteriebetrieb.

Antennen je 3m (Empfänger und Sender)

Erdung je 3m lose auf dem Boden liegend. (Empfänger und Sender)

Oszi ohne Netzteil im Batteriebetrieb. (0.5us /10V Div.)

1. Variometermessung oder parallel zum Fritter. Fritter natürlich aus Halterung entfernt.



2. Messung direkt parallel zur Koppelspule.



Es stellt sich also hier eine reale Transformation von etwa 30Vss auf 70Vss bei etwa 2.5MHz ein. Der Kurvenverlauf der ged. Welle am Variometer ist ziemlich amtlich.

Gruß

Joerg

Zuletzt bearbeitet am 10.04.16 18:38

Datei-Anhänge
Messung am Variometer 2.6MHz.jpg Messung am Variometer 2.6MHz.jpg (364x)

Mime-Type: image/jpeg, 160 kB

Messung an Koppelspule 2.5MHz.jpg Messung an Koppelspule 2.5MHz.jpg (343x)

Mime-Type: image/jpeg, 182 kB

11.04.16 09:43
MB-RADIO 

500 und mehr Punkte

11.04.16 09:43
MB-RADIO 

500 und mehr Punkte

Re: Experimente zur Funkentelegraphie (home made fritter / coherer)

Hallo Joerg und Alle,

na prima, ehe ich zum Antworten kam, hast Du den Fehler selbst entdeckt "kurioser Meßaufbau".
Ein Messen ohne festes Erd(Null)potential ist nicht möglich. Schon wenn du Deine Sitzposition veränderst , hast Du andere Erdungsverhältnisse und damit andere Pegel.

Ansonsten ein klasse Ergebnis.

Was ich noch nicht ganz verstehe, wie Du dadurch die Reichweite erhöhen willst ?
Du hast eine feste Sendeleistung und der Fritter braucht eine feste Mindestleistung um zu fritten. Transformierst Du die Spannung hoch hast Du dann aber weniger Strom zur Verfügung. Ohne Fritter stimmt das Meßergebnis. Aber ich nehme an, daß der Fritter nicht schlgartig leitend wird. Es liegen verschiedene Körnerstrecken Parallel, die nicht unendlich hochohmig sind und zudem ist deren Widerstand spannungsabhängig ist.
Selbst , wenn Du im Leerlauf , mal gesponnen, auf 100V hochtransformierst , wird mit Fritter zum Beispiel schon bei 0,...V ein geringer mit steigender Spannung auch steigender Strom(anfangs nur der HF-Strom) fließen (innere Kapazität des Fritters), Welche den Schwingkreis belastet und verhindert daß die Leerlaufspannung entstehen könnte(vorausgesetzt der Fritter würde nicht zünden). Somit brauchst Du eine gewisse mindeste Empfangsleistung um den Fritter zu Zünden.
Ich sehe das so, daß es egal wie die Antenne angeschlossen wird, eher auf die optimale Anpassung Derer ankommt - was heist : Antenne abstimmen und Impedanzmäßig richtig anschließen. Ob man das mit Koppelspule , Anzapfung oder sonstwie macht ist egal. Hauptsache am Schwingkreis entseht die höchstmöglichste Leistung, welche nur von der Kreisgüte und der Sendeleistung abhängig ist.

Lasse Dir das bitte nochmal auf der Zunge zergehen - hoffentlich kann man meinen Gedankengängen folgen. Das betrifft jetzt nicht allein Deinen Aufbau, sondern allgemein die verschiedenen Lösungsmöglichkeiten.

Viele Grüße
Bernd

11.04.16 19:05
joeberesf 

500 und mehr Punkte

11.04.16 19:05
joeberesf 

500 und mehr Punkte

Re: Experimente zur Funkentelegraphie (home made fritter / coherer)

Hallo Bernd,

MB-RADIO:
Was ich noch nicht ganz verstehe, wie Du dadurch die Reichweite erhöhen willst ?

Die Reichweite hat sich im Gegensatz zu den alten Messungen positiv verändert...obwohl sich die Empfindlichkeit des Fritters ja nicht verändert und Erde und Antenne die gleichen Abmessungen haben. Die einzige feste Größe die ich habe sind in etwa die ca. 3Vs / 6Vss der jetzigen Frittereinstellung. Dies kann ich in etwa mit einem parallel liegenden Oszi feststellen. Durchzündzeitpunkt beim Eindrehen in die Resonanz. Ich will also nicht die Reichweite erhöhen, sondern sie ist bereits erhöht und zwar frequenzabhängig bedingt durch die feste Induktivität / Eigenkapazität der Koppelspule / Antenne und Erde. Deswegen ja auch dieser Versuch mit dem Mess- Sender um dem Phänomen auf die Spur zu kommen.

Das Problem ist die Beziehungsgröße zwischen dem eingespeisten realen HF- Signal und der Reaktion des Fritters. Mit dem Knallfunk funktioniert das schlecht, wenn man an der unteren Empfindlichkeitsschwelle messen will. Bei der Masse offenen, einseitig eingespeisten HF aus dem Generator musste ich festellen, das die fest eingestellte HF- Amplitude des Generators bis zu 10 x kleiner war als die im Variometer gemessene Amplitude. Deswegen konnte der Fritter, bei 600mVss fest eingestellter 2MHz HF Spannung, auch sicher durchzünden. Also muss eine Transformation in jedem Falle stattfinden. Dies zeigt ja auch die Realmessung mit echten gedämpften Wellen ansatzweise...auch wenn hier nur im Verhältnis von 1 : 2,5 bei 2.5 MHz und unbelastet.

MB-RADIO:
Du hast eine feste Sendeleistung und der Fritter braucht eine feste Mindestleistung um zu fritten. Transformierst Du die Spannung hoch hast Du dann aber weniger Strom zur Verfügung. Ohne Fritter stimmt das Meßergebnis. Aber ich nehme an, daß der Fritter nicht schlgartig leitend wird. Es liegen verschiedene Körnerstrecken Parallel, die nicht unendlich hochohmig sind und zudem ist deren Widerstand spannungsabhängig ist.

Selbst , wenn Du im Leerlauf , mal gesponnen, auf 100V hochtransformierst , wird mit Fritter zum Beispiel schon bei 0,...V ein geringer mit steigender Spannung auch steigender Strom(anfangs nur der HF-Strom) fließen (innere Kapazität des Fritters), Welche den Schwingkreis belastet und verhindert daß die Leerlaufspannung entstehen könnte(vorausgesetzt der Fritter würde nicht zünden). Somit brauchst Du eine gewisse mindeste Empfangsleistung um den Fritter zu Zünden.

Ja Bernd, da hast Du vollkommen recht. Ich denke aber, dass wir die Hochohmigkeit unterschätzt haben und das die benötigte aus der HF- gezogene und zur Durchzündung benötigte Leistung, doch sehr gering sein muss. Ansonsten müsste eigentlich auch bei der einseitig eingespeisten Mess- Sender- Amplitude die HF- sofort zusammenbrechen. Gerade weil die eigentliche Anpassung zur Koppelspule ja fehlt. Macht sie aber nicht und der Fritter mit 6Vss reagiert auf schlappe 600mVss HF. Also Schwingkreisbelastung mit Fritter! Der Generator wird aufgrund nur sehr kleiner kapazitiver und / oder induktiver Rückwege praktisch total hochohmig belastet. Die Frittereigenkapazität habe ich mal gemessen. Nach Nullsetzung der Messstrippen waren das nur < 5pF. Messpannung 1V/1kHz manchmal zündet das Teil dann durch. Der Tasteiler mit 8pF und das Oszi wirkt sich auf die Verstimmung des Variometerkreises viel stärker aus.

MB-RADIO:
Ich sehe das so, daß es egal wie die Antenne angeschlossen wird, eher auf die optimale Anpassung Derer ankommt - was heist : Antenne abstimmen und Impedanzmäßig richtig anschließen. Ob man das mit Koppelspule , Anzapfung oder sonstwie macht ist egal. Hauptsache am Schwingkreis entseht die höchstmöglichste Leistung, welche nur von der Kreisgüte und der Sendeleistung abhängig ist.

Dieser Effekt, egal wie wir ihn benennen wollen, ob nun Resonanzüberhöhung, Transformation oder bestmögliche Anpassung ist schon etwas kurios, daher auch die Versuche dies irgendwie zu erfassen. Ich gebe Dir in Allem recht und ich will die Koppelspule bei den nächsten Versuchen abstimmbar über einen Drehko provisorisch modifizieren...also einen Zweikreiser in Reihen- und auch Parallelresonanz probieren. Des Weiteren eine Leistungsanpassung vornehmen und den Generator mit Masse direkt einspeisen.

Wie hast Du deinen bestmöglichen Antennenanschluss realisiert? Feste kurze Antennenlänge und heißes Ende....oder für längere Antennen eine Anzapfung Richtung kaltes Ende um nicht Masse zu sagen.

Ja Bernd, danke für die vielen Tipps. Jetzt habe ich wieder was zum Propeln.
Ein weiteres mechanisches- aber HF abhängiges Problem will ich beim nächsten Mal beschreiben.
Es ist noch zu früh, ich muss noch forschen. Da dreht sich einem der gesunde Verstand aus dem Hirn.

Gruß

Joerg

Zuletzt bearbeitet am 11.04.16 19:25

11.04.16 20:17
MB-RADIO 

500 und mehr Punkte

11.04.16 20:17
MB-RADIO 

500 und mehr Punkte

Re: Experimente zur Funkentelegraphie (home made fritter / coherer)

Hallo Joerg,

" Deswegen konnte der Fritter, bei 600mVss fest eingestellter 2MHz HF Spannung, auch sicher durchzünden. Also muss eine Transformation in jedem Falle stattfinden. Dies zeigt ja auch die Realmessung mit echten gedämpften Wellen ansatzweise...auch wenn hier nur im Verhältnis von 1 : 2,5 bei 2.5 MHz und unbelastet. "
Für mich zeigt das nur, daß Du dich damit der optimalen Anpassung genähert hast - aber halt mit der offenen Masse einen undeffinierten Widerstand eingefügt hast.

Ja, mit direkter Masseverbindung wird eine Messung nachvollziehbar.
Generator neben Fritter und mit kurzem Massedraht verbinden. HF-Ausgang mit angegebenen Ausgangswiderstand abschließen und per hochomigen Widerständen an Antennenbuchse koppeln . Der Eingangswiderstand des Fritterempfänger wäre in etwa in der Größe des Ankoppelwiderstandes, wenn an der Antennenbuchse die halbe der eingespeisten Spannung ansteht. Wenn Du die Spannung unter der Zündspannung hälst kannst Du das Gebilde mal mit und ohne Fritter vergleichen und könntest abschätzen, ob der Fritter wenig oder mehr den Schwingkreis belasten.

Enfacher ist Wobbeln, dann sieht man gleich die breite der Resonanzkurven mit ond ohne Fritter und kann die Güte einschätzen.

Ich glaube diese Beitragsserie fängt jetzt erst richtig an

Viele Grüße
Bernd

11.04.16 23:20
MB-RADIO 

500 und mehr Punkte

11.04.16 23:20
MB-RADIO 

500 und mehr Punkte

Re: Experimente zur Funkentelegraphie (home made fritter / coherer)

Hallo Joerg,

es hat mir mit der Belastung durch den Fritter keine Ruhe gelassen. Also auf dem Arbeitstisch etwas Platz gemacht den NWT502Kompakt angeschlossen und gewobbelt.
Mit einer Spannung unterhalb der Zündspannung mit 4Wdg seitlich in die Schwingkreisspule eingekoppelt und mit Tastkopf 1MOhm/1pF die Wobbelkurve dargestellt.

Bei meiner Frequenz um die 1MHz ist fast kein Unterschied der Wobbelkurven mit und ohne Fritter. Die maximal einstellbare Frequenz meines Fritterempfängers ist 1,6MHz. Bei dieser Frequenz ist eine Resonanzverschiebung von 30kHz zu beobachten, aber an der Güte ändert sich nichts merkliches.

Also ist der Einfluß des Fritters wirklich minimal auf die Schwingkreisgüte. Aber die Resonanzfrequenz ändert sich. Und die ist nach jedem beklopfen etwas anders - das wird mit steigender Frequenz schlimmer werden.
Das ist wohl auch einer der Gründe, warum man damals mehr mit langen Wellen gearbeitet hat.

Ich hoffe, die Erkenntnisse helfen schon mal einwenig.

Wobbeln hat den großen Vorteil, daß man sofort jede Veränderung sieht - und geht schnell.

Viele Grüße
Bernd

13.04.16 00:47
joeberesf 

500 und mehr Punkte

13.04.16 00:47
joeberesf 

500 und mehr Punkte

Re: Experimente zur Funkentelegraphie (home made fritter / coherer)

Hallo Bernd,

oh ja.... ...danke für den Wobbelversuch und die wichtige Information zur Resonanzverschiebung durch unterschiedliche Fritterkonstellationen bei der Beklopfung. Bei meinem Frequenzgang würde sich die Resonanzverschiebung deutlich höher auswirken. Bei etwa 2pF Änderung wären das bei meinem Aufbau schon 100kHz bei 2.5MHz. Festgestellt habe ich dies in der realen Praxis allerdings noch nicht.

joeberesf:
Ich denke aber, dass wir die Hochohmigkeit unterschätzt haben und das die benötigte aus der HF- gezogene und zur Durchzündung benötigte Leistung, doch sehr gering sein muss.

Das zeigt auch das Wobbeln deutlich und nun stellt sich bei mir langsam klare Sicht ein. Die Dämpfung des Variometerkreises ist so gering, dass die resonante HF im Erregerkreis (bestehend aus Koppelspule mit A und E), auch aufgrund der geringen Kreiskapazität des Variometers, zu einer unerwartet und letztendlich verwirrend starken Resonanzüberhöhung im Fritterkreis führt. Zusätzlich ist die Bedämpfung von A und E nicht direkt am Fritterkreis, sondern an der Koppelspule und besteht induktiv. Der von mir gewählte Abstand ist recht groß und der Kopplungsfaktor daher eher etwas kleiner.

https://de.wikipedia.org/wiki/Resonanz#Amplitudenresonanz

Die reale Belastung, durch den gesperrten, hochohmigen Fritter, ist praktisch kaum vorhanden. Bei der Detektorrei sieht das anders aus...du hast ständig die Grunddämpfung durch Dioden- und Kopfhörerwiderstand bzw. Trafo am Schwingkreis. Mit Fritter gibt es eigentlich nur zwei Zustände im Schwingkreis; minimale Dämpfung und relativ niederohmiger Kurzschluss ca. 6Ohm- 3k. Der Übergangsbereich ist sehr klein. Diesen genauer zu untersuchen ist nur knapp unterhalb der Zündspannung möglich. Hier kann man manchmal sehen wie die Spannung etwas zusammenbricht und der Fritterwiderstand dann doch noch zu hoch ist um das pol. Relais zum Anzug zu bringen. (Empfindlichkeit durch geringem Elektrodenabstand, verwendetes Spanmaterial und gutem pol. Relais)

Leider habe ich diese Woche Spätdienst und komme deswegen nur Vormittags ein bisschen zum Messen....aber mir hat das ganze auch keine Ruhe gelassen und ich bin jetzt erfolgreich mit dem Generator

http://www.radiomuseum.org/r/kabid_pg_19.html

an Antennen- und Erdbuchse des Empfängers angeschlossen. Die Ergebnisse will ich noch mit Oszillogrammen dokumentieren und die vorhandene Amplitudenresonanz und Fritter- Resonanzverschiebung genau ausmessen. Meine Messwege sind auch noch zu lang und der Tasteiler mit 8pF ist eigentlich nicht ganz optimal, da die oberen, eigentlich möglichen Frequenzen nicht erreicht werden können. Bei 2- 3MHz aber kein Problem,.....das schafft das Variometer dann noch....aber auch dieser stellt eine zusätzliche Bedämpfung im Kreis dar und verfälscht das Ergebnis.

Gruß

Joerg

Zuletzt bearbeitet am 13.04.16 02:29

13.04.16 10:04
MB-RADIO 

500 und mehr Punkte

13.04.16 10:04
MB-RADIO 

500 und mehr Punkte

Re: Experimente zur Funkentelegraphie (home made fritter / coherer)

Hallo Joerg,

welche Elektrode und welche Füllhöhe hast Du im Fritter - falls Du meine Flache mit geringer Füllhöhe drin hast , ist die Kapazität geringer als bei meinem Jetzigen. Ich habe eine sehr Steile bei zwei Drittel Füllhöhe mit feiner Ni/Ag-Mischung drin.
Nun kann ich mir den rätsehaften Kondensator, den die Alten teilweise über den Fritter schalteten, erklären - er veringert den Einfluß der schwankenden Kapazität des Fritters.

Ich muß mir noch paar Elektroden drehen und verschiedene Füllungen herstellen, dann wiederhole ich die Messung nochmal.

Schalte doch einfach zu deinem Tastkopf einen 1pF Kondensator in Reihe. Auf die genaue Spannungsmessung kommt es doch dabei garnicht an.
Es reicht doch der Vergleich der Spannungen - zur Not läßt die wirkliche Spannung sich ja noch berechnen. Hauptsache, der Oszi kann das dann kleinere Signal noch darstellen.

Viele Grüße
Bernd

 1 .. 33 .. 63 64 65 66 67 .. 69
 1 .. 33 .. 63 64 65 66 67 .. 69
Spannung   fritter   Antenne   Allerdings   Schwingkreis   vielleicht   Grüße   MB-Radio   Zuletzt   bearbeitet   Empfänger   Funkenfreunde   Klopfer   coherer   natürlich   Funkenstrecke   Funkentelegraphie   eigentlich   Empfindlichkeit   Experimente