| Passwort vergessen?
Sie sind nicht angemeldet. |  Anmelden

Sprache auswählen:

Wumpus Gollum Forum von
Wumpus Welt der (alten) Radios
Sie sind nicht angemeldet.
 Anmelden

Mein Solardetektor
  •  
 1 2
 1 2
25.11.08 21:01
DL7RR 

500 und mehr Punkte

25.11.08 21:01
DL7RR 

500 und mehr Punkte

Mein Solardetektor

Hallo liebe Freunde und liebe Leser,

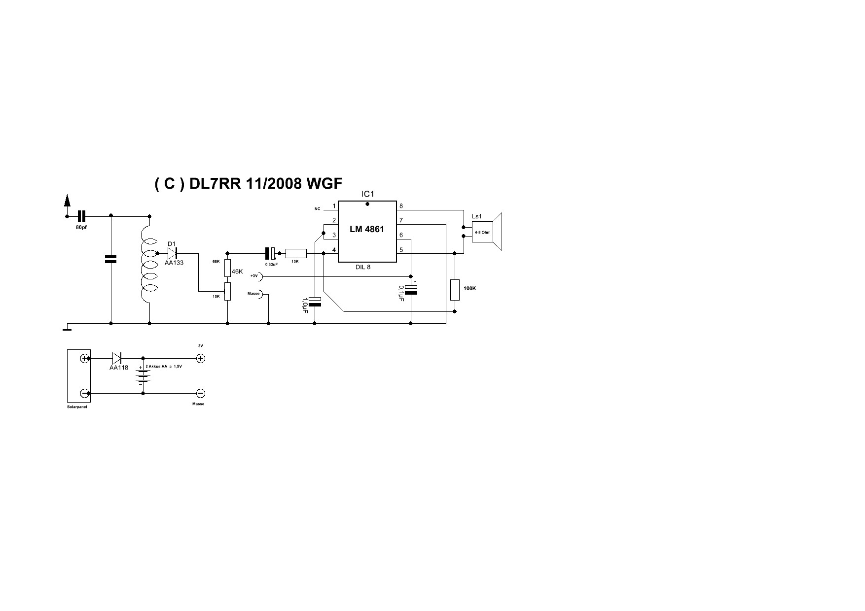
ich möchte Euch mein letztes Bauprojekt einen Solardetektor vorstellen.
Monatelag lag in einem Wirrwar von Dräten,Spule und Drehko eine Detektorschaltung auf dem Tisch,hinderlich hierbei war daß nur mit Kopfhörern gehört werden konnte.Ich träumte von einem Detektor der am Fenster steht und mit einem Lautsprecher bei ausreichender Lautstärke spielt.Zur Verstärkung des gleichgerichteten Signal schied ein Transistorverstärker wegen des hohen Stromverbrauches und fehlendem Trafo aus,ebenso eine eisenlose Endstufe!

Angedacht waren 2 Goldcaps mit je 22Farad zusmmen also 44Farad bei 2,3 V,was aber bei längeren Versuchen an der zu geringen Kapazität scheiterte,25 Minuten waren das Höchste an Zeitdauer die sie mitmachten.Ergo wurden 2 AA Akkus genommen die mit einem 3Volt Sonnenpanel während der Tageszeit aufgeladen werden,und die abendlichen Stunden überbrücken.

Das Herzstück ist ein LM4861 der 500Milliwatt leistet bei 1,4V bis 5,5V,wobei die Stromaufnahme bei 10-40mA und in den Spitzen bei 60mA liegt.

Die Bilder zeigen den Schaltplan,sowie die Teile vor und nach dem Einbau in ein Gehäuse.Als Besonderheit ist ein Aus/Einschalter,sowie ein Lautstärkeregler zu erwähnen zum Einstellen der Lautstärke.

Der LM4861 läßt sich nur direkt auf eine Platine auflöten,da er nur 4x5mm bei einer Höhe von 2mm groß ist!!!

Deshalb kann ich den Nachbau zwar empfehlen,jedoch nur demjenigen der sich selber ein Layout zeichnet,und die Platine selber herstellt.

Der Detektor stellt nur eine Besonderheit dar,er ist fest auf Deutschlandradio Kultur abgestimmt,da dieser Sender in Berlin am lautstärksten einfällt.

Viel Spaß beim Nachbau!!!















Liebe Grüße Bernhard



Die Antenne ist der beste HF-Verstärker!!!

Datei-Anhänge
Detektor.JPG Detektor.JPG (545x)

Mime-Type: image/pjpeg, 77 kB

IMG_0001.JPG IMG_0001.JPG (585x)

Mime-Type: image/pjpeg, 170 kB

PB250002.JPG PB250002.JPG (489x)

Mime-Type: image/pjpeg, 205 kB

PB250003.JPG PB250003.JPG (491x)

Mime-Type: image/pjpeg, 203 kB

wumpus gefällt der Beitrag.
!
!!! Fotos, Grafiken nur über die Upload-Option des Forums, KEINE FREMD-LINKS auf externe Fotos.    

!!! Keine Komplett-Schaltbilder, keine Fotos, keine Grafiken, auf denen Urheberrechte Anderer (auch WEB-Seiten oder Foren) liegen!
Solche Uploads werden wegen der Rechtslage kommentarlos gelöscht!

Keine Fotos, auf denen Personen erkennbar sind, ohne deren schriftliche Zustimmung.

Den Beitrag-Betreff bei Antworten auf Threads nicht verändern!
25.11.08 21:18
Wolle 

500 und mehr Punkte

25.11.08 21:18
Wolle 

500 und mehr Punkte

Re: Mein Solardetektor

Lieber Bernhard.

Eine niedliche kleine Kiste, die Du dir da aufgebaut hast. Die Lösung mit den Akkus ist im Vergleich zu den Goldcaps die bessere Variante. Vielleicht sollte man noch hinter der Diode einen kleinen Kondensator (1 bis 4,7 nF) nach Masse schalten?

Mit vielen Grüßen.
Wolfgang

25.11.08 21:29
wumpus 

Administrator

25.11.08 21:29
wumpus 

Administrator

Re: Mein Solardetektor

Hallo zusammen,
Bernhard, was hast Du für eine Antenne und Erde dran und wie lange macht das Dingelchen Musike bis wieder nachgeladen werden muss? Steht das Solarpanal an dem Nordfenster?

Allerdings fehlt noch ein Name.

Wie wäre es mit "RReceptor" ?

Beachte die raffinierte Kombination aus dem Rufzeichen und dem neudeutschen "Empfänger"


Mit freundlichen Grüssen Rainer

Möge die Welle mit uns sein.
Ein Mögel-Dellinger-Effekt ist aufgetreten.



Zuletzt bearbeitet am 25.11.08 21:35

25.11.08 21:40
DL7RR 

500 und mehr Punkte

25.11.08 21:40
DL7RR 

500 und mehr Punkte

Re: Mein Solardetektor

Guten Abend lieber Wolfgang,
Du meinst hinter der AA118,ja könnte man,aber nun ist nach langen Versuchen mit dem Gerät alles eingebaut!
Gestern ist es fertig zusammengebaut worden,und spielt heute hier den ganzen,Tag bei erträglicher Lautstärke!

Man glaubt nicht was dieser kleine Verstärker für eine Lautstärke abgibt,brüllend laut sodaß es sich nur mit einem Lautstärkeregler vernünftig hören läßt.Es sind keine Verzerrungen feststellbar,auch nicht bei voll aufgedrehter Laustärke.

Goldcaps,oder Doppelschichtkondensatoren sind zwar schön,aber wenn man eine längere Standzeit erreichen will muß man schon eine größe Batterie von Goldcaps haben,die sind aber dann groß und teuer.


Vorher lag ja alles auf dem Tisch,und der Klang war nicht gerade berauschen bei der Erdaldose (wie mein Vater immer zu solchen Lautsprechern zu sagen pflegte) von 6cm Durchmesser.

Nee,ich bin höchst zufrieden so wie die kleine Kiste jetzt spielt!


Einen schönen Abend noch!!!





Liebe Grüße Bernhard



Die Antenne ist der beste HF-Verstärker!!!

25.11.08 21:53
DL7RR 

500 und mehr Punkte

25.11.08 21:53
DL7RR 

500 und mehr Punkte

Re: Mein Solardetektor

Nabend lieber Rainer,
als Antenne einen kleinen Fuchs ca.8m lang und als Erde die Heizung.

Nix da RReceptor,die Kiste heißt " Solardetektor DL7RR "!!!Basta...............

Deutschlandradio Kultur fällt hier mit enormer Feldstärke ein,gemessen mit Vielfachistrument in den Spitzenzeiten bei 2,4V~ ,und jetzt bei dem nassen Wetter bei 1V~!!!

Hatt sehr viel Spaß gebracht die ganze Herstellung,eine Platine für die Versuche,und dann eine zweite endgültige!Einen LM4861 zerschossen bei 5,7V weil ich am verkehrten Knopf vom Labornetzteil gedreht hatte,und einen der mir beim Auslöten ausgebrochen war!Spule war fertig,die Beine aber auch und sind abgebrochen,also neue Spule wickeln,abergenau dasselbe.Dickeren Draht genommen nur die Induktivität nicht erreicht.Erneut mit dünnem Draht gewickelt,die Beine aber mit Litze versehen und nun klappte alles!

Ja das Kistchen trägt das Sonnenpanel auf der Rückseite und steht am Fenster ( Nordseite)!

Auch Dir einen schönen Abend





Liebe Grüße Bernhard



Die Antenne ist der beste HF-Verstärker!!!

25.11.08 22:24
DL7RR 

500 und mehr Punkte

25.11.08 22:24
DL7RR 

500 und mehr Punkte

Re: Mein Solardetektor

Ach übrigens liebe Freunde,

das Sonnenpanel sowie den LM4861 kann man via Internet bestellen!!!

Das Panel kostet rd. 10€ ,und der LM4861 1,07€ von dem man aber sicherheitshalber gleich mehrere der Versandkosten wegen in Höhe von 5€ bestellen sollte.

Anschriften der Hersteller bei mir via Ihmehl erfragen!









Liebe Grüße Bernhard



Die Antenne ist der beste HF-Verstärker!!!

Zuletzt bearbeitet am 26.11.08 16:47

25.11.08 23:48
roehrenfreak

nicht registriert

25.11.08 23:48
roehrenfreak

nicht registriert

Re: Mein Solardetektor

Hallo Bernhard,

das liest sich ja sehr interessant. Vor ein paar Monaten habe ich spasseshalber mit einerm Primitiv-Detektor aus Spule, Drehko, Diode AA119 und einem 1-F-Goldcap Versuche durchgeführt. Die Ladespannung stieg auf gut 3Volt. Als Antenne verwende ich einen Langdraht* von 20 Metern, vom Boden etwa 4 Meter hoch im Dachgebälk unseres Hangars gespannt. Der ERF-Radio und HR-Info haben hier sehr hohe Feldstärken, eine in die Antennenleitung eingeschleifte superhelle LED flackert munter wie eine Lichtorgel im Takt der Mod.

(* Ist ein 20-Meter-Langdraht per Deiner Definition schon einer???)

Freundliche Grüsse,
Jürgen rf

Noli turbare circulos meos (Störe meine KREISE nicht! - Archimedes)

26.11.08 10:27
DL7RR 

500 und mehr Punkte

26.11.08 10:27
DL7RR 

500 und mehr Punkte

Re: Mein Solardetektor

Guten Morgen lieber Jürgen,
um Deine Frage eindeutig zu beantworten " Nein"!

Im allgemeinen Sprachgebrauch wird bei Einzeldrahtantennen von Langdrähten gesprochen,es sind aber keine!

Eine Langdrahtantenne muß, um als solche bezeichnet zu werden midesten 2-3 Lamda Länge haben,alle kürzeren Drahtantennen sind Füchse die man mit L,oder C verkürzen bzw. verlängern kann.

Solche Antennen werden mit einem unsymetrischen Collinsfilter angepaßt auf die jeweilige Frequenz

Also 300000 als Ausbreitungsgeschwindigkeit geteilt durch 3,5Mhz. als Frequenz ergibt 85,71 Meter,will ich dann von einer Langdrahtantenne sprechen,so müßte die Länge mindesten 171,43 Meter Länge betragen!!!

Bei Rhombusantennen für Rundfunksender werden im allgemeinen 3-4 Lambda für einen Antennenschenkel verwendet,über eine 150-600Ohm Zweidrahtleitung eingespeist,und mit einem sogenannten Schluckwiderstand am Ende der beiden Antennenschenkel abgeschlossen die 1/10 der Sendeleistung vertragen müssen.Funkamateure nehmen hierfür Kohlewiederstände entsprechender Leistung da nur eine geringe HF-Leistung bezogen auf die Leistung von Rundfunksendern zur Verfügung steht.Rundfunksender mit mehreren 100KW nehmen Drahtwiderstände da deren Sendeleistung hoch genug ist um die Verluste hinsichtlich der Induktivität sowie auch Kapazität zu auszugleichen!







Liebe Grüße Bernhard



Die Antenne ist der beste HF-Verstärker!!!

26.11.08 11:45
roehrenfreak

nicht registriert

26.11.08 11:45
roehrenfreak

nicht registriert

Re: Mein Solardetektor

Hallo lieber Bernhard,

aaah ja! Sooo ist das also. Dann sage ich mal brav vielen Dank für Deine ausführlichen Erläuterungen - und gehe mal Draht kaufen...

Freundliche Grüsse,
Jürgen rf

Noli turbare circulos meos (Störe meine KREISE nicht! - Archimedes)

26.11.08 16:38
DL7RR 

500 und mehr Punkte

26.11.08 16:38
DL7RR 

500 und mehr Punkte

Re: Mein Solardetektor

Vor ein paar Monaten habe ich spasseshalber mit einerm Primitiv-Detektor aus Spule, Drehko, Diode AA119 und einem 1-F-Goldcap Versuche durchgeführt. Die Ladespannung stieg auf gut 3Volt.

Hallo lieber Jürgen rf.
bei den Doppelschichtelkos verkürzen schon einige zehntel Volt die Lebensdauer dieser Dinger hab ich gelesen!also 2,3V Caps mit 3Volt geladen halten dann nicht lange,eine Über,oder Unterladung hingegen vertragen sie klaglos.Die Dinger wenn es auf Kleinheit der Bauweise ankommt,sind nur für Ramspeicher und änlichem gut,eine Anwendung als Batterieersatz bieten nur mehrere der gleichen Kapazität.Wobei dann die evtl. unterschiedliche Ladung auch noch eine Rolle hinsichtlich der Lebensdauer spielt.

Hohe Momentströme lassen sie zu,so werden sie ja auch als Starthilfe bei Kfz. eingesetzt,aber dann sind sie unförmig und kommen deshalb für unsere Anwendungen nicht in Betracht.



Liebe Grüße Bernhard



Die Antenne ist der beste HF-Verstärker!!!

Zuletzt bearbeitet am 26.11.08 16:39

 1 2
 1 2
Deutschlandradio   Doppelschichtelkos   Einzeldrahtantennen   Geiz-Wumpus-Variante   Solardetektor   Dynamotaschenlampen   Primitiv-Detektor   Doppelschichtkondensatoren   HF-Verstärker   Antenne   20-Meter-Langdraht   lichtwellengespeisten   Transistorverstärker   Mögel-Dellinger-Effekt   Grundwassergegebenheiten   Schreibtischbeleuchtung   Ausbreitungsgeschwindigkeit   Rundfunk-DX-Mittelwellenversuche   Schluckwiderstand   Bernhard