| Passwort vergessen?
Sie sind nicht angemeldet. |  Anmelden

Sprache auswählen:

Wumpus Gollum Forum von
Wumpus Welt der (alten) Radios
Sie sind nicht angemeldet.
 Anmelden

Gegentaktoszillator Auskoppelspule
  •  
 1
 1
03.07.17 00:21
technikfreund 

500 und mehr Punkte

03.07.17 00:21
technikfreund 

500 und mehr Punkte

Gegentaktoszillator Auskoppelspule

Hallo Zusammen!

Ich hätte mal eine Frage zu einem Gegentaktoszillator,
bei dem ich zwei verschiedene Arten der Auskopplung kenne.

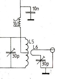
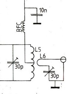
1. Bei der einen Auskopplung liegt die Spule einseitig über einen Trimmer an Masse,
die andere Seite geht zur Antennenbuchse.

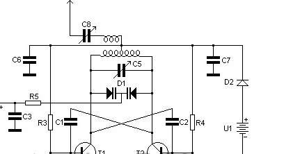
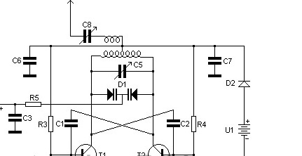
2. Bei der zweiten Auskopplungsart liegt die Spule einseitg direkt an der Oszillator Spule,
die Anderen Seite liegt über einen Trimmer in Reihe an der Antennenbuchse.

Welche Art der Auskopplung ist vorteilhafter, bzw. belastet den Schwingkreis weniger?

Bisher scheint mir bei der 1. Art lediglich der Vorteil dran zu liegen, das die Auskopplungspule keinerlei
Verbindung zur Schwingkreispule hat, was z.b. bei Röhrenoszillatoren mit der Spannungszuführung an der Schwingkreisspule
eine saubere Trennung der Anodenspannung und Antennenbuchse ergibt.

Anbei mal zwei Schaltungsbeispiele:






Kann mir jemand das näher erklären?

Viele Grüße Technikfreund.

Zuletzt bearbeitet am 03.07.17 00:24

Datei-Anhänge
Röhrenoszillator Auskopplung.jpg Röhrenoszillator Auskopplung.jpg (296x)

Mime-Type: image/jpeg, 15 kB

Transistoroszillator Auskopplung.jpg Transistoroszillator Auskopplung.jpg (299x)

Mime-Type: image/jpeg, 21 kB

Noch gefällt der Beitrag keinem Nutzer.
!
!!! Fotos, Grafiken nur über die Upload-Option des Forums, KEINE FREMD-LINKS auf externe Fotos.    

!!! Keine Komplett-Schaltbilder, keine Fotos, keine Grafiken, auf denen Urheberrechte Anderer (auch WEB-Seiten oder Foren) liegen!
Solche Uploads werden wegen der Rechtslage kommentarlos gelöscht!

Keine Fotos, auf denen Personen erkennbar sind, ohne deren schriftliche Zustimmung.

Den Beitrag-Betreff bei Antworten auf Threads nicht verändern!
03.07.17 08:04
MB-RADIO 

500 und mehr Punkte

03.07.17 08:04
MB-RADIO 

500 und mehr Punkte

Re: Gegentaktoszillator Auskoppelspule

Hallo Technikfreund,

von der Funktion her ist das völlig egal. Ich würde aber Variante 1 bevorzugen, wobei die Masse der Auskoppelspule nicht mal mit der Gerätemasse verbunden sein muß, sondern mit Erde oder der Masse des angeschlossenem Gerät.

Belasten tust Du den Schwingkreis mit der angeschlossenen Last am Auskoppelkreis - das ist ein Trafo.

Viele Grüße
Bernd


Zwei Dinge sind unendlich, das Universum und die menschliche Dummheit, aber bei dem Universum bin ich mir noch nicht ganz sicher. (Albert Einstein)

03.07.17 12:49
HB9 

500 und mehr Punkte

03.07.17 12:49
HB9 

500 und mehr Punkte

Re: Gegentaktoszillator Auskoppelspule

Hallo Technikfreund,

bei der 2. Variante kannst du das 'kalte' Ende der Auskoppelspule statt auf den Mittelpunkt der Schwingkreisspule auch auf Masse legen, dann hast du die elektrische Trennung ebenfalls. HF-mässig unterscheiden sich die beiden Varianten nur in der Reihenfolge der Bauteile L und C: Bei Variante 1 kommt vom Ausgang her gesehen zuerst L, dann C nach Masse, bei Variante 2 ist es genau umgekehrt. In der Praxis hat Variante 2 den Vorteil, dass die Spule HF-mässig mit Masse verbunden ist und daher die HF nur induktiv, aber nicht kapazitiv eingekoppelt wird, was weniger unerwünschte Oberwellen oder Rückwirkung (Verstimmung) auf den Oszillator gibt. Für den Abgleich ist aber der Kondensator nach Masse von Variante 1 bequemer, da die Annäherung mit dem Abgleichwerkzeug keine Verstimmung gibt.

Somit kannst du je nach Situation die besser geeignete Variante wählen.

Gruss HB9

 1
 1
Technikfreund   Schwingkreisspule   Variante   Auskopplungsart   Auskoppelspule   Schaltungsbeispiele   Spannungszuführung   Schwingkreispule   Auskopplungspule   Anodenspannung   Auskoppelkreis   Abgleichwerkzeug   Gegentaktoszillator   angeschlossenem   Antennenbuchse   unerwünschte   Schwingkreis   vorteilhafter   Röhrenoszillatoren   angeschlossenen