| Passwort vergessen?
Sie sind nicht angemeldet. |  Anmelden

Sprache auswählen:

Wumpus Gollum Forum von
Wumpus Welt der (alten) Radios
Sie sind nicht angemeldet.
 Anmelden

NF - Limiter funktioniert nicht richtig
  •  
 1 2
 1 2
15.04.18 08:08
technikfreund 

500 und mehr Punkte

15.04.18 08:08
technikfreund 

500 und mehr Punkte

NF - Limiter funktioniert nicht richtig

Hallo Zusammen,

ich habe einen NF - Limiter nachgebaut, jedoch funktioniert die Schaltung nicht so richtig.

Alle Verbindungen auf der Leiterplatte habe ich mehrfach überprüft, alles ok.

Folgendes Problem tritt auf:

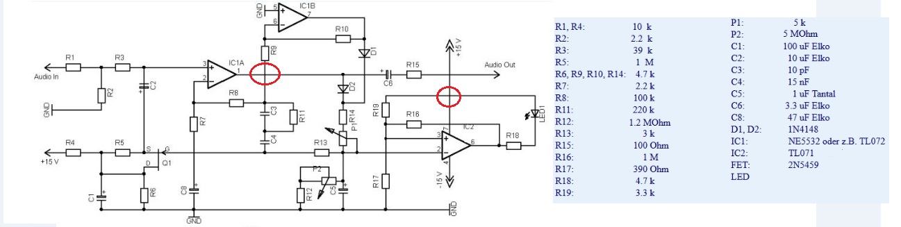
Gebe ich ein Sinussignal auf den Eingang, ist dieses mit Oszilloskop bis zum R3 Widerstand sichtbar,

am Minuspol vom Elko C2 bzw. IC1A Pin 3 ist das Signal weg. Nachdem ich den Elko C2 einseitig ausgelötet habe,
ist das Signal bis zum NF - Ausgang verfolgbar, Allerdings kommt nur eine Halbwelle richtig durch, er versucht zwar die
zweite Halbwelle mit aufzubauen, bricht dann aber zusammen und es bleibt bei einer Halbwelle.

Nun weiß ich nicht, da man Feldeffekttransistoren schlecht messen kann, ob der Fet in Ordnung ist.
Hier war auch der einzigste Punkt der Schaltung, wo ich einen Ersatztyp nehmen musste, habe einen BF244 (BF245 ist gleich) eingebaut.
Der FET war aus Neuproduktion.

Außerdem habe ich Informationen gefunden, das angeblich im Schaltbild Verbindungspunkte fehlen, habe die genannten Stellen im Schaltplan rot markiert.

Hat jemdand eine Idee, was ich noch probieren könnte und ob die Info über die angeblich fehlenden Verbindungspunkte plausibel ist.

Viele Grüße Technikfreund.

Datei-Anhänge
Limiter Schaltplan.jpg Limiter Schaltplan.jpg (307x)

Mime-Type: image/jpeg, 85 kB

Noch gefällt der Beitrag keinem Nutzer.
!
!!! Fotos, Grafiken nur über die Upload-Option des Forums, KEINE FREMD-LINKS auf externe Fotos.    

!!! Keine Komplett-Schaltbilder, keine Fotos, keine Grafiken, auf denen Urheberrechte Anderer (auch WEB-Seiten oder Foren) liegen!
Solche Uploads werden wegen der Rechtslage kommentarlos gelöscht!

Keine Fotos, auf denen Personen erkennbar sind, ohne deren schriftliche Zustimmung.

Den Beitrag-Betreff bei Antworten auf Threads nicht verändern!
15.04.18 08:49
ingodergute 

Moderator

15.04.18 08:49
ingodergute 

Moderator

XXX Re: NF - Limiter funktioniert nicht richtig

Hallo Technikfreund,

die Info über die Verbindungspunkte ist plausibel und die Schaltung taugt nichts (aus meiner Sicht). Der regelnde FET addiert neben seiner Regelfunktion niederfrequent die Regeländerung als schwankenden Offset auf das NF-Signal über C2. Außerdem mußt Du aufpassen, daß die Übersteuerungs-/Limitanzeige mit Ihrem Trigger Dir nicht Schaltspitzen auf Dein NF-Signal bringt, das erfordert einen sauberen Aufbau mit guter Abblockung der Betriebsspannung (IC2 und LED sollten nicht direkt an +15V hängen sondern über Widerstand und Elko gegen Masse, die Masse muß klug verlegt werden - selbst Revox hatte mit einer ähnlichen Übersteuerungssanzeige Probleme beim Tonbandgerät A77).
Ich würde mir eine andere Schaltung suchen.

Gruß Ingo.
_____________
Analog bleiben!

15.04.18 08:55
technikfreund 

500 und mehr Punkte

15.04.18 08:55
technikfreund 

500 und mehr Punkte

Re: NF - Limiter funktioniert nicht richtig

Hi Ingo, danke für deine Antwort.

Nun habe ich die Schaltung schon aufgebaut und darum würde ich diese gerne erst in Funktion bringen,
bevor ich sie dann vielleicht doch entsorge.

Meinst du mein Ersatz FET ist für die Schaltung geeignet und woher könnte das Problem mit der verschwindenen
NF an Pin3 vom IC1A liegen? An den fehlenden Verbindungspunkten?

Dake schonmal.

Grüße Technikfreund.

Zuletzt bearbeitet am 15.04.18 08:56

15.04.18 08:56
ELEK 

250-499 Punkte

15.04.18 08:56
ELEK 

250-499 Punkte

Re: NF - Limiter funktioniert nicht richtig

Hallo,

hab mal kurz geschaut, würde sagen JA, die Verbindungspunkte fehlen. Bei solchen Schaltungen ist manchmal nicht auf den ersten Blick erkennbar wie sie funktionieren. Ein guter Anhaltspunkt, ob die OVs richtig arbeiten sind auch die Gleichspannungen, bei symm. Betriebsweise sollte im Normalfall statisch an beiden Eingängen und dem Ausgang der OV's um 0V anliegen. Das gilt auf jeden Fall für 1A und 1B. Beim 1C wird aus der pos. Betriebsspannung ein bestimmtes Potential am +Eingang des OV eingestellt, das dann an allen 3 Anschlüssen des OV meßbar sein muß.
Die allg. These "0,0V an allen 3 Anschlüssen" gilt also nicht, wenn über eine der Betriebsspannungen ein bestimmtes davon abweichendes Potential realisiert wird.
Wenn in einem Schaltbild 2 Knotenpunkte fehlen, können noch weitere Fehler oder suboptimale Konstruktionen enthalten sein, das ist dann Deine challange ;) [Ich will aber dem Entwickler nicht zu nahe treten]
Jedenfalls zieht der FET das NF-Signal am Eingang runter, wahrscheinlich mißt Du deshalb nichts am Minuspol des ersten Elkos, weil der FET maximal leitend ist. Du mußt also ergründen warum das so ist, viell. mal die Arbeitsweise des FET kurz ausprobieren, ich müßte das tun, wenn ich die Schaltung in diesem Moment auf den Tisch bekäme ;) Ich hab zwar schonmal was mit diesen Typen gemacht, aber so wie beim Bipolartransistor wär mir das im Moment nicht klar (wimre ist das ein Depletion-Typ [Verarmungstyp] (durchgezeichnete Linie im Symbol), also leitet der maximal und durch Spannung am Gate wird er zunehmend weniger leitend ("Elektronenröhre")).

Gruß IngoZ

15.04.18 11:00
ingodergute 

Moderator

15.04.18 11:00
ingodergute 

Moderator

Re: NF - Limiter funktioniert nicht richtig

Auf jeden Fall würde ich Source und Drain am FET tauschen.

VG Ingo.

_____________
Analog bleiben!

15.04.18 17:23
HB9 

500 und mehr Punkte

15.04.18 17:23
HB9 

500 und mehr Punkte

Re: NF - Limiter funktioniert nicht richtig

Hallo Technikfreund,

wie Ingo schon geschrieben hat, sind Source und Drain vom FET vertauscht. Bei gewissen Typen spielt das zwar keine Rolle, aber nicht bei allen. Weiter wird der FET normalerweise so geschaltet, dass zwischen Source und Drain keine Gleichspannung anliegt, da es sonst durch die Regelung zu schwankenden Offsetspannungen kommt. Somit sollte R5 entfernt werden. Der FET arbeitet dann als gesteuerter Widerstand, der Widerstand zwischen Drain und Source hängt von der Spannung zwischen Gate und Source ab. Damit die Verzerrungen klein bleiben, darf die Wechselspannung zwischen Drain und Source nicht zu gross werden, normalerweise weniger als 100mV, was hier durch passende Wahl des Spannungsteilers R1/R2 sichergestellt werden kann, und mit dem OpAmp IC1A kann der Signalverlust wieder kompensiert werden.

Den FET kannst du leicht prüfen: zwischen Gate und Source muss er sich wie eine Diode verhalten (Kathode ist Source und Anode ist Gate). Wenn man das Gate mit der Source verbindet, muss zwischen Drain und Source ein Widerstand zu messen sein, bei Kleinsignal-FETs in der Grössenordnung 100 Ohm, unabhängig von der Polarität. Legt man an das Gate eine gegenüber Source negative Spannung von ca. 10V an (z.B. 9V-Batterie), muss der Widerstand zwischen Source und Drain sehr hoch werden (Grössenordnung 1MOhm).

Gruss HB9

Zuletzt bearbeitet am 15.04.18 17:28

15.04.18 20:25
technikfreund 

500 und mehr Punkte

15.04.18 20:25
technikfreund 

500 und mehr Punkte

Re: NF - Limiter funktioniert nicht richtig

Hallo Zusammen,

ich habe den Limiter wie besprochen (fehlende Verbindungspunkte, FET) überabeitet.

Nun kommt am Ausgang ein Sinussignal an, die LED funktioniert auch, er macht auch eine gewisse Verstärkung,
allerdings funktioniert "Attack" nicht.

Am Gate des FET kann man Signaländerungen feststellen, die allerdings nicht an Source oder Drain feststellbar sind.

Vielleicht ist der FET kaputt.

Viele Grüße Technikfreund.

15.04.18 21:32
Martin.M 

500 und mehr Punkte

15.04.18 21:32
Martin.M 

500 und mehr Punkte

Re: NF - Limiter funktioniert nicht richtig

technikfreund:
habe einen BF244 (BF245 ist gleich) eingebaut.

Beachte bitte die Pinbelegung.
Die ist nicht gleich mit dem BF245

lG Martin

15.04.18 22:00
technikfreund 

500 und mehr Punkte

15.04.18 22:00
technikfreund 

500 und mehr Punkte

Re: NF - Limiter funktioniert nicht richtig

Hi Martin,
die Pinbelegung habe ich dem Datenblatt des BF244 entnommen und 3x kontrolliert. Alles richtig in der Richtung.

Trotzdem danke für den Hinweis.

Grüße Technikfreund.

15.04.18 22:34
Martin.M 

500 und mehr Punkte

15.04.18 22:34
Martin.M 

500 und mehr Punkte

Re: NF - Limiter funktioniert nicht richtig

hast du vielleicht ein DC Offset von der Signalquelle?
Das mag der nicht weil der einkoppel-C fehlt, setz mal einen rein, test

lG Martin

 1 2
 1 2
Betriebsspannung   zwischen   Verbindungspunkten   Limiter   richtig   Übersteuerungs-   Ausschlußprinzip   unterschiedliche   Gleichspannungen   Forum-Script-Kompensationsbeitrag   funktioniert   Pegelunterschied   Datenblattbeispielen   Betriebsspannungen   Übersteuerungssanzeige   Verbindungspunkte   Feldeffekttransistoren   Technikfreund   Signaländerungen   Bipolartransistor