| Passwort vergessen?
Sie sind nicht angemeldet. |  Anmelden

Sprache auswählen:

Wumpus Gollum Forum von
Wumpus Welt der (alten) Radios
Sie sind nicht angemeldet.
 Anmelden

Vorverstärker für Loop-Antennen
  •  
 1
 1
19.11.19 11:42
HB9 

500 und mehr Punkte

19.11.19 11:42
HB9 

500 und mehr Punkte

Vorverstärker für Loop-Antennen

Hallo zusammen,

ich habe wieder mal mit magnetischen Breitband-Loopantennen experimentert. Vor allem auf Langwelle bringen diese sehr viel, da sie gegenüber elektrischen Feldern immun sind. Bei höheren Frequenzen ist der Effekt nicht mehr so stark ausgeprägt, da wegen der kürzeren Wellenlängen die Netzleitungen immer bessere Antennen werden, welche ein elektromagnetisches und nicht nur elektrisches Störfeld erzeugen, und auf die magnetische Komponente reagiert die Loop-Antenne natürlich. Man hat aber immer noch den Vorteil, einen Störer durch entsprechende Ausrichtung der Antenne abzublocken.

Da magnetische Loops extrem niederohmig sind, brauchen sie einen passenden Vorverstärker. Im Prinzip kann man die Anpassung auch passiv machen, aber wegen dem extremen Übersetzungsverhältnis geht das nicht mehr breitbandig, womit die Antenne dann abgestimmt werden muss, was nicht besonders bequem ist.

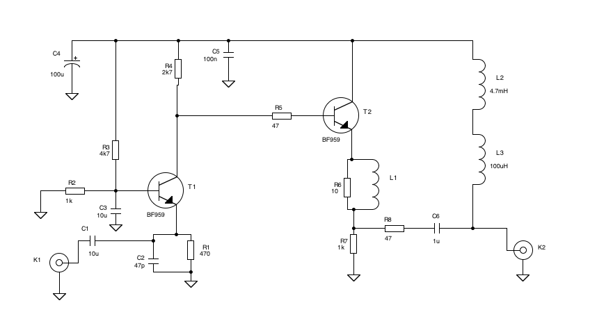
Hier also ein passender Vorverstärker:



Der Eingangswiderstand liegt in der Grössenordnung von 10, der Ausgangswiderstand 50, um so das Signal mit einem längeren Koaxkabel zum Empfänger zu leiten. Auch wenn es nicht zwingend ist, sollte der Verstärker nahe an der Antenne platziert werden, daher ist er für Phantom-Speisung über das Koaxkabel ausgelegt.
Nun zur Schaltung:
T1 verstärkt das Eingangssignal von K1. Hier drängt sich eine Basisschaltung auf, da die Eingangsimpedanz niedrig sein soll, und es gibt auch keinen Ärger mit dem Miller-Effekt. Das Verhältnis R4 zu Eingangswiderstand bestimmt die Spannungsverstärkung, die hier etwa 200fach ist. C2 verhindert wilde UHF-Schwingungen, da die Transistoren sehr potent sind. T2 arbeitet als Impedanzwandler in Kollektorschaltung. R5, R6 und L1 verhindern hier ebenfalls wilde UHF-Schwingungen. L1 besteht aus 4 Windungen, die auf R6 gewickelt werden.
R8 definiert den Ausgangswiderstand und kann allenfalls angepasst werden, wenn man 75-Kabel verwenden will. L2 und L3 bilden eine Breitband-Drossel, welche die Gleichspannung vom Koaxkabel zur Schaltung weiterleiten, aber für die Hochfrequenz einen Unterbruch bilden. Braucht man keine Phantomspeisung, lässt man die Drosseln weg und speist die Schaltung direkt an C4.
Die totale Verstärkung beträgt etwa 30dB, so dass ausreichend Signal vorhanden ist, um 'normale' AM-Radios direkt zu speisen. Allenfalls muss man am Radio einen 100pF-Kondensator in Serie zum Antennenanschluss legen, denn gewisse Radios mögen keine niederohmigen Antennen. Der Frequenzgang reicht von 10kHz bis etwa 40MHz, somit ist also von SAQ bis ans KW-Ende alles drin.
Die Betriebsspannung liegt bei 7..14V, so dass man die 6V-Heizspannung nach Gleichrichtung und Glättung verwenden kann.

Als Antenne dient im Moment ein Ring mit ca. 60cm Durchmesser aus Blitzableiter-Kupferdraht, der hat etwa 6mm Durchmesser. Zum Auskoppeln dient ein Ringkern FT50A-J von Amidon, auf dem 6 Windungen angebracht sind. Der Ring wird auf den Blitzableiterdraht geschoben und danach die beiden Enden des Loops gut miteinander verbunden (z.B. Hartlöten). Das Ableitkabel zum Verstärker (Koaxkabel) kommt an die Wicklung auf dem Trafo, wobei der Schirmanschluss auch mit dem Loop verbunden wird, um elektrische Einkopplungen zu vermeiden. Eine Alternative aus Koaxkabel habe ich hier beschrieben: https://www.wumpus-gollum-forum.de/forum...&thread=320
Der Empfang damit ist zwar etwas schlechter, dafür spart man sich die Ringkernspule.

Da diese Antennen unempfindlich gegenüber elektrischen Feldern sind, kann man sie problemlos in einem Busch platzieren oder auch an einen Baum anlehnen, um Experimente zu machen. Es ist auch nicht zwingend, die Antenne auf dem Dach zu montieren, aber natürlich besser. In diesem Fall ist ein Blitzschutz obligatorisch, was hier einfach geht, man verbindet den Anschlusspunkt des Koaxkabelmantels am Loop mit der Blitzerde. Der Rest des Loos darf natürlich keine Verbindung zu Metallteilen haben. Wegen der Richtwirkung ist ein Rotor von Vorteil, wobei nur die beiden Minima ausgeprägt sind, die Maxima sind sehr flach.

Gruss HB9

Datei-Anhänge
Vorverst.png Vorverst.png (473x)

Mime-Type: image/png, 29 kB

Matu gefällt der Beitrag.
!
!!! Fotos, Grafiken nur über die Upload-Option des Forums, KEINE FREMD-LINKS auf externe Fotos.    

!!! Keine Komplett-Schaltbilder, keine Fotos, keine Grafiken, auf denen Urheberrechte Anderer (auch WEB-Seiten oder Foren) liegen!
Solche Uploads werden wegen der Rechtslage kommentarlos gelöscht!

Keine Fotos, auf denen Personen erkennbar sind, ohne deren schriftliche Zustimmung.

Den Beitrag-Betreff bei Antworten auf Threads nicht verändern!
 1
 1
Betriebsspannung   Eingangsimpedanz   100pF-Kondensator   Koaxkabelmantels   Spannungsverstärkung   Phantom-Speisung   elektromagnetisches   UHF-Schwingungen   Breitband-Loopantennen   wumpus-gollum-forum   Blitzableiter-Kupferdraht   Antennenanschluss   Eingangswiderstand   Übersetzungsverhältnis   Breitband-Drossel   Blitzableiterdraht   Ausgangswiderstand   Schirmanschluss   Kollektorschaltung   Vorverstärker